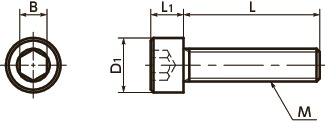
单位 : mm
| 型号 | M(粗牙) 螺纹公称直径 |
螺距 | L | D1 | L1 | B | 拉伸断裂 荷重(N)*1 |
质量 (g) |
CAD下载 | 请求报价 |
|---|---|---|---|---|---|---|---|---|---|---|
| SNSJ-M6-12 | M6 | 1 | 12 | 10 | 6 | 5 | 10400 | 5.1 | CAD | 请求报价 |
*1: 表中数值仅供参考,并非保证值。
●如有订购多件相同尺寸的商品,我们将统一进行无尘包装。
材质、表面处理
| SNSJ | |
|---|---|
| 主体 | SUS310S |
用途
FPD制造装置/半导体制造装置/硝酸成套设备/海洋设备特点
- 与SUS304相比,具有优良的耐热性、耐氧化性、耐硝酸性。
- SUS310S是一种提高了Ni含量的高Ni奥氏体不锈钢,Ni具有良好的耐蚀、耐高温特性。
- 经过无尘洗净・无尘包装。⇒无尘洗净、无尘包装服务
- 相当于JIS B 1176, ISO 4762, DIN 912标准。
机械性质
| SUS310S | |
|---|---|
| 拉伸强度(N/mm2) | 520以上 |
| 0.2%承压力(N/mm2) | 205以上 |
| 伸长率(%) | 40以上 |
| 硬度(HRB) | 90以下 |
表中数值非保证值,仅供参考。
物性
| SUS310S | |
|---|---|
| 比重 | 7.98 |
| 耐热温度*1(℃) | 700 |
| 电阻率(μΩ・m) | 0.78 |
| 比热(J/kg・K) | 500 |
| 热传导率(W/(m・K)) | 14 |
| 线性膨胀系数(K-1) | 15.9×10-6 |
*1: SUS310S的材料耐热温度。
表中数值非保证值,仅供参考。
加热至700℃时,拉伸强度下降约60%,承压力下降约40%。
事先请务必在与实际情况相同的使用条件下进行试验,确认安全性。



