• 特殊螺丝
  • 功能性不锈钢螺丝

SNSL-M8-25-SD

内六角小头螺栓(SUS316L)

Socket Head Cap Screws with Small Head - 316L Stainless Steel

  • 耐热
  • 耐药品
  • 非磁性
  • 薄型
  • 精密

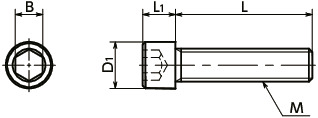
形状図

SNSL-SD内六角小头螺栓(SUS316L)寸法図

单位 : mm

型号 M(粗牙)
螺纹公称直径
螺距 L D1 L1 B 每包数量 质量
(g)
CAD下载 请求报价
SNSL-M8-25-SD M8 1.25 25 11 7.5 6 5 13 CAD 请求报价

没有符合上述条件的产品。

对不起,没有符合您所填内容的产品。
请变更输入值,再次搜索。

锅屋百迪公司也可根据客户的要求进行产品的客制化。
欢迎利用咨询表格向我们咨询。

锅屋百迪公司
客户中心

有关客制化等产品方面的咨询,请由此咨询。

由此咨询

●数量未满1包的订单,会另外收取手续费。详情请垂询散装零售服务。


相关服务

材质、表面处理

SNSL-SD
主体 SUS316L
强度等级 A4-70

用途

FPD制造装置/半导体制造装置/海洋设备/一般工业机械

特点

  • 头部直径较小的内六角圆柱头螺栓。可形成比普通的内六角圆柱头螺栓更小的锪孔直径。
  • SUS316L不锈钢在SUS304中添加了Mo,提高了耐点蚀性、耐氧化性,而且还通过低碳化提高了耐晶间腐蚀性。而且,对于化学药品和海洋性环境,具有比SUS304更优越的耐腐蚀性。
  • 由于基本成分中含有Mo,在高温条件下也具有很高的强度。
  • 无磁性。

使用例

还能对普通的内六角圆柱头螺栓未能进行锪孔加工的部位进行锪孔加工,从而可以隐藏头部。

SNSL-SD内六角小头螺栓(SUS316L)


使用注意事项

  • 头部底座面的面积小,底座面压力高。
  • 请参考以下公式,注意不要让由螺丝紧固而形成的底座面压力超出被紧固材料的容许表面压力。

SNSL-SD内六角小头螺栓(SUS316L)

头部直径和螺丝有效截面积

型号 头部直径(mm) 螺丝有效截面积(mm2
SNSL-M2-SD 3 2.07
SNSL-M2.5-SD 3.8 3.39
SNSL-M3-SD 4.5 5.03
SNSL-M4-SD 5.5 8.78
SNSL-M5-SD 7 14.2
SNSL-M6-SD 8.5 20.1
SNSL-M8-SD 11 36.6

型号列表

点击查看其它SNSL-M8-SD

点击查看其它SNSL-SD