尺寸・CAD
单位 : mm
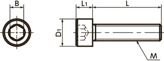
| 型号 | M(粗牙) 螺纹公称直径 |
螺距 | L | D1 | L1 | B | 每包数量 | 质量 (g) |
CAD下载 | 请求报价 |
|---|---|---|---|---|---|---|---|---|---|---|
| SNSL-M5-6 | M5 | 0.8 | 6 | 8.5 | 5 | 4 | 5 | 2.2 | CAD | 请求报价 |
| SNSL-M5-8 | M5 | 0.8 | 8 | 8.5 | 5 | 4 | 5 | 2.5 | CAD | 请求报价 |
| SNSL-M5-10 | M5 | 0.8 | 10 | 8.5 | 5 | 4 | 5 | 2.7 | CAD | 请求报价 |
| SNSL-M5-12 | M5 | 0.8 | 12 | 8.5 | 5 | 4 | 5 | 3 | CAD | 请求报价 |
| SNSL-M5-16 | M5 | 0.8 | 16 | 8.5 | 5 | 4 | 5 | 3.5 | CAD | 请求报价 |
| SNSL-M5-20 | M5 | 0.8 | 20 | 8.5 | 5 | 4 | 5 | 4 | CAD | 请求报价 |
| SNSL-M5-25 | M5 | 0.8 | 25 | 8.5 | 5 | 4 | 5 | 4.8 | CAD | 请求报价 |
●数量未满1包的订单,会另外收取手续费。详情请垂询散装零售服务。
相关服务
材质、表面处理
| SNSL | |
|---|---|
| 主体 | SUS316L |
| 强度等级 | A4-70 |
用途
FPD制造装置/半导体制造装置/海洋设备/一般工业机械特点
- 对于化学药品,海洋环境等,发挥出高于SUS304的耐蚀性。
- 无磁。
- SUS316L不锈钢在SUS304中添加了Mo,提高了耐点蚀性,耐氧化性,而且还通过低碳化提高了耐晶间腐蚀性。
- 由于基本成分中含有Mo,在高温条件下也具有很高的强度。
- 部分尺寸有经过无尘洗净,无尘包装的SNSL-UCL。SNSL-UCL
- 符合JIS B 1176,ISO 4762,DIN 912标准。有关形状和尺寸,请参阅技术资料 (JIS B 1176,ISO 4762)。







