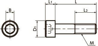
单位 : mm
| 型号 | M(粗牙) 螺纹公称直径 |
螺距 | L | 强度等级 | D1 | L1 | B | L2 | 质量 (g) |
CAD下载 | 请求报价 |
|---|---|---|---|---|---|---|---|---|---|---|---|
| SNSX-M8-50-109 | M8 | 1.25 | 50 | 10.9 | 13 | 8 | 6 | 28 | 25 | CAD | 请求报价 |
材质、表面处理
| SNSX-109 | |
|---|---|
| 主体 | SUS316L HiMo |
| 强度等级 | 10.9 |
用途
FPD制造装置/半导体制造装置/溅射装置/海洋设备/一般工业机械
特点
- 不锈钢制高强度内六角圆柱头螺栓。
(强度等级8.8・10.9) - 适用于需兼备强度和耐蚀性的场合。
- 每一个螺丝的强度都很高,通过减小螺纹直径及削减个数,实现省空间化,轻量化。
- 耐热性,耐蚀性优良。
- 无磁。
- 符合JIS B 1176,ISO 4762,DIN 912标准。有关形状和尺寸,请参阅技术资料 (JIS B 1176,ISO 4762)。
机械性质
| 型号・强度等级\特性 | 拉伸强度(N/mm2) | 0.2%承压力(N/mm2) | 断裂后的伸长率 最小值(mm) |
|---|---|---|---|
| A2-50・A4-50 | 500 | 210 | 0.6d |
| A2-70・A4-70 | 700 | 450 | 0.4d |
| SNSX-888.8 | 800 | 640 | 0.3d |
| SNSX-109 10.9 | 1,000 | 900 | 0.2d |
表中数值非保证值,仅供参考。
不同金属材料的腐蚀试验结果
用于SNSX 的SUS316L HiMo钢是一种减少碳并增加Cr,Ni,Mo的特殊合金钢。低碳化对于晶间腐蚀破裂表现出了较高的抵抗力,Cr和Mo的增加提高了对点蚀,缝隙腐蚀的抵抗力。其次,Ni的增加具有降低应力腐蚀破裂风险的效果。上表显示暴露于与海洋环境相同的状态下10年后的腐蚀程度,CR3以下未产生腐蚀。

硫酸腐蚀试验(H2SO4、50℃、mm/年)
| 型号・材质\浓度 | 3% | 10% | 20% |
|---|---|---|---|
| SUS304 | 1.08 | 3 | - |
| SUS316、SUS316L | 0 | 0.3 | 1.3 |
| SNSX-88 SNSX-109 | 0 | 0 | 0.44 |
表中数值非保证值,仅供参考。
磁导率的比较
| 型号・材质 | 磁导率 |
|---|---|
| SNSX-88SUS316L HiMo | 1.006 |
| SNSX-109SUS316L HiMo | 1.007 |
| SNSLSUS316L | 1.006 |
| SUSXM7 | 1.4 |
表中数值非保证值,仅供参考。



