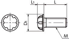
尺寸・CAD
单位 : mm
| 型号 | M(粗牙) 螺纹公称直径 |
螺距 | L | D1 | L1 | 适用螺丝批头 | 适用磁性螺丝刀 | 每包数量 | 质量 (g) |
CAD下载 | 请求报价 |
|---|---|---|---|---|---|---|---|---|---|---|---|
| SRS6A-M3-6 | M3 | 0.5 | 6 | 5.5 | 2.02 | SKRS6K-3 | SRD-6.35 | 10 | 0.15 | CAD | 请求报价 |
| SRS6A-M3-8 | M3 | 0.5 | 8 | 5.5 | 2.02 | SKRS6K-3 | SRD-6.35 | 10 | 0.18 | CAD | 请求报价 |
| SRS6A-M3-10 | M3 | 0.5 | 10 | 5.5 | 2.02 | SKRS6K-3 | SRD-6.35 | 10 | 0.21 | CAD | 请求报价 |
●数量未满1包的订单,会另外收取手续费。详情请垂询散装零售服务。
相关服务
材质、表面处理
| SRS6A | |
|---|---|
| 主体 | A5056 |
用途
设备和装置的拆分、防破坏室外设备的防盗
安全防范措施
安全措施
特点
- 头部采用有6个槽的圆形特殊形状。
- 铝合金制。比重约为不锈钢的33%。
- 不会由于与铝合金接触而发生电腐蚀。
- 耐腐蚀、导电性、热传导性优良。
- 使用包括钳子在内的普通工具无法安装或拆卸。
- 请将专用螺丝批头SKRS6K与专用磁性螺丝刀SRD组合使用以进行安装、拆卸。









