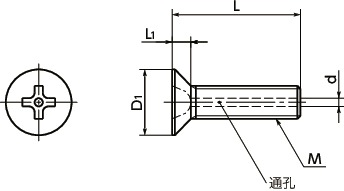
单位 : mm
| 型号 | M(粗牙) 螺纹公称直径 |
螺距 | L | D1 | L1 | d max. |
十字槽 序号 |
毎包数量 | 质量 (g) |
CAD下载 | 请求报价 |
|---|---|---|---|---|---|---|---|---|---|---|---|
| SVFT-M4-8 | M4 | 0.7 | 8 | 8 | 2.3 | 1.5 | 2 | 10 | 0.39 | CAD | 请求报价 |
●数量未满1包的订单,会另外收取手续费。详情请垂询散装零售服务。
材质、表面处理
| SVFT | |
|---|---|
| 主体 | TW270(1类钛) |
用途
真空装置/真空容器/FPD制造装置/半导体制造装置/电子显微镜特点
- 排气孔便于排出仪器或设备的螺纹孔底部积压的气体,有助于对真空装置抽真空。
- 紧固后头部不会突出的埋头螺丝型。
- 通过特殊表面处理对表面进行了改质。排气量极少。
- 非磁性。
- 已实施无尘洗净、无尘包装。⇒无尘洗净、无尘包装服务
- 钛合金材质的特性请参阅“钛合金的特性”。⇒钛的特性



