• 特殊螺丝
  • 真空装置用螺丝

SVTS-M8-25

内六角止动螺丝(通孔型)

Vented Set Screws

  • 真空
  • 无尘

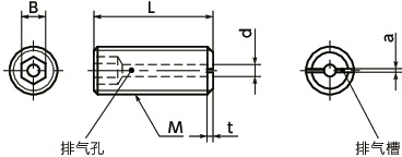
形状図

SVTS内六角止动螺丝(通孔型)寸法図

单位 : mm

型号 M(粗牙)
螺纹公称直径
螺距 L B a t
min.
d
max.
毎包数量 质量
(g)
CAD下载 请求报价
SVTS-M8-25 M8 1.25 25 4 0.6 0.5 2 20 8 CAD 请求报价

没有符合上述条件的产品。

对不起,没有符合您所填内容的产品。
请变更输入值,再次搜索。

锅屋百迪公司也可根据客户的要求进行产品的客制化。
欢迎利用咨询表格向我们咨询。

锅屋百迪公司
客户中心

有关客制化等产品方面的咨询,请由此咨询。

由此咨询

●数量未满1包的订单,会另外收取手续费。详情请垂询散装零售服务。


相关服务

材质、表面处理

SVTS
主体 SUSXM7(相当于SUS304)

用途

真空设备/真空容器/FPD生产设备/半导体生产设备/电子显微镜

特点

  • 排气孔便于排出仪器或设备的螺纹孔底部积压的气体,有助于对真空装置抽真空。
  • 已实施无尘洗净、无尘包装。⇒无尘洗净、无尘包装服务

型号列表

点击查看其它SVTS-M8

点击查看其它SVTS