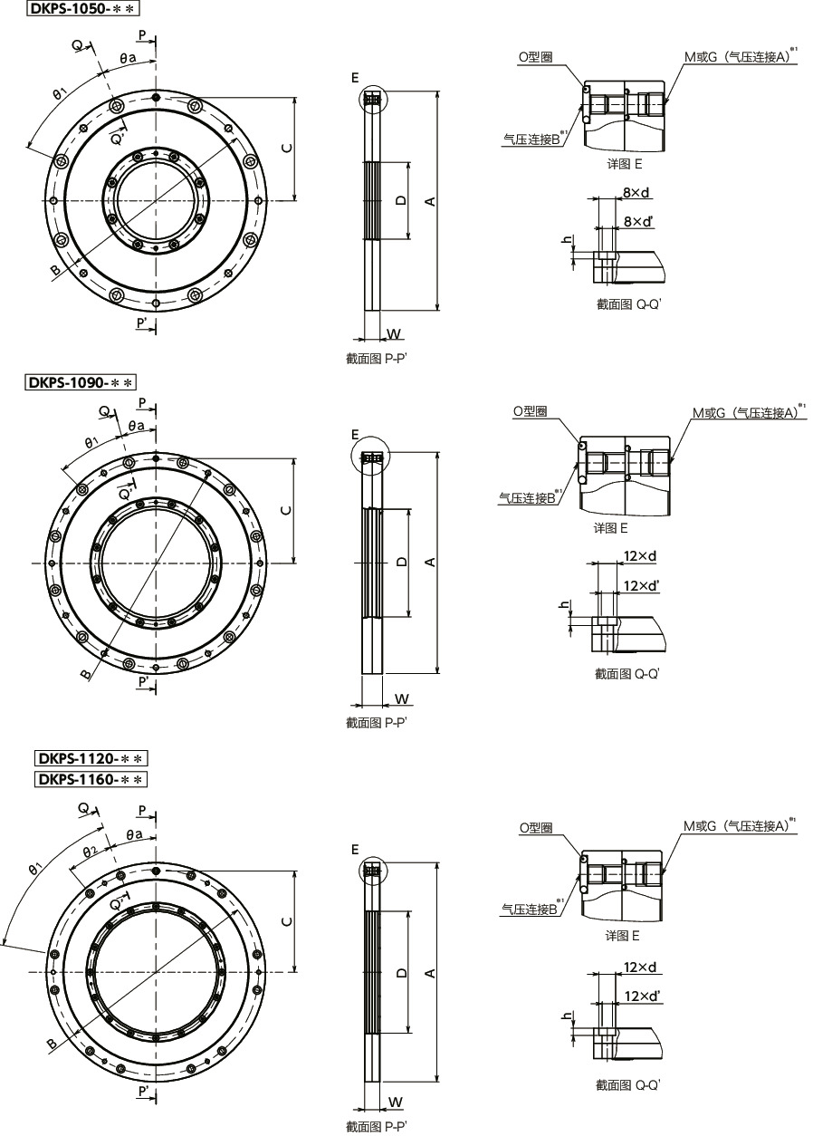
单位 : mm
| 型号 | 适合轴径 | 保持扭矩(N・m) | A | B | C | θ1(°) | θ2(°) | θa(°) | D | W | d | d' | h | M | G | 质量 (kg) |
CAD下载 | 请求报价 |
|---|---|---|---|---|---|---|---|---|---|---|---|---|---|---|---|---|---|---|
| DKPS-1050-AS | 50 | 120 | 145 | 134 | 67.5 | 45 | - | 22.5 | 50.03 | 17 | 9.4 | 5.3 | 5.1 | M5 | - | 1.5 | CAD | 请求报价 |
构造

材质、表面处理
| DKPS | |
|---|---|
| 主体 | 钢 无电解镀镍 |
| O型圈 | NBR |
特点
- 用于机床主轴、扭矩马达轴、枢轴等旋转轴的保持、定位及防振。
- 适合用于提高机械加工和组装工序中的角度刚性。
- 直接夹紧轴的外径保持旋转方向。
-
常闭(Normally Closed)型。
供给气压时:解除夹紧。
排出气压时:借助板簧的作用力夹紧。 - 备有开放压力为0.55MPa的DKPS和0.4MPa的DKPS-04。*1
- 夹紧寿命高达300万次*2。
- 备有磁性传感器用的传感器槽。*3
-
使用另售的磁性传感器ZDKPS,可以通过LED亮灯状态确认夹紧、解除夹紧状态。
可选择磁性传感器的有无。
DKPS-**-A----另售
DKPS-**-AS----附带
DKPS-**-A-04----另售
DKPS-**-AS-04----附带
*1: 部分型号除外。
*2: 仅供参考数值,并非保证数值。
*3: DKPS的传感器槽可用梅花槽螺丝进行拆卸和安装。

规格
| DKPS-****-A | DKPS-****-A-04 | |
|---|---|---|
| 控制方式 | 气压、常闭 | |
| 开放压力 | 0.55MPa | 0.4MPa |
| 最高使用压力 | 0.65MPa | |
| 夹紧寿命*1 | 300万次 | |
| 使用温度 | 5℃~80℃ | |
| 适用轴的直径 | φ50~φ200 | |
*1: 仅供参考数值,并非保证数值。
- 推荐轴
| 尺寸公差 | -0.025mm~-0.01mm |
| 表面粗糙度 | Ra0.8 |
| 硬度 | 58HRC~62HRC |
| 硬化层深度 | 0.8mm |
| 全跳动 | 0.02mm |
- 推荐安装面
| 相对于轴的直角度 | 0.02mm |
| 平面度 | 0.02mm |
详细情况请确认使用说明书。
使用注意事项
- DKPS不具备轴承功能。请另外使用轴承限制轴的径向与轴向运动。
- DKPS是用于保持旋转方向的零件。不能进行轴向保持。
- 请不要在轴或夹紧部位涂抹润滑脂等。否则可能会降低保持力或损坏零件。
安装
- 在DKPS上安装M5或G1/8接头。
- 供给空气,解除夹紧。
- 将DKPS安装于外壳,对固定外壳的螺栓进行临时紧固。
- 排气后,使其处于夹紧状态。
- 重复进行10次左右夹紧、解除夹紧,使DKPS定心。
- 请在夹紧状态下,按照下表所示的扭矩对固定DKPS与外壳的螺栓进行紧固。

| 螺纹公称直径*1 | 紧固扭矩 (N・m) |
|---|---|
| M5 | 9.3 |
| M6 | 15.7 |
*1: 请使用强度等级在12.9以上的螺纹。
配管
| 轴径 (mm) |
螺纹公称直径 | 空气消耗量*1 (ℓ/周期(ANR)) |
|---|---|---|
| φ50 | M5 | 0.021 |
| φ90 | M5 | 0.029 |
| φ120 | G1/8 | 0.06 |
| φ160 | G1/8 | 0.07 |
| φ200 | G1/8 | 0.08 |
*1: 表中数值仅供参考,并非保证值。









