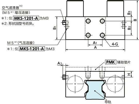
单位 : mm
| 型号 | A | A1 | A2 | B | B1 | B2 | B3 | G | H | 保持力(N) 标准/增压连接*1 |
质量 (kg) |
CAD下载 | 请求报价 |
|---|---|---|---|---|---|---|---|---|---|---|---|---|---|
| MKS-2501-G | 75 | 20 | - | 65 | 44 | 20 | 12 | M6 | 8 | 750/- | 0.46 | CAD | 请求报价 |
*1: 增压连接的保持力是压力为0.6MPa时的值。
没有增压连接数值的型号,不支持增压连接。
为使MKS的高度与线轨滑座的高度一致,可搭配辅助垫片PMK。
构造

材质、表面处理
| MKS | |
|---|---|
| 主体 | 相当于SCr415 无电解镀镍 |
| 空气滤清器 | 黄铜 |
| 接触面 | 相当于SUJ2 无表面处理 |
| 调节螺栓 | 相当于SUJ2 无表面处理 |
特点
- 用于固定滑台、定位及防止振动。
-
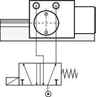
为常闭(Normally Closed)型。
供给气压时:解除夹紧。
排出气压时:借助弹簧的作用力夹紧线性导轨。 - 设计小巧。
- ISO 6级洁净度。
-
有关各种试验数据,请参阅下述各页。
⇒查看实验结果
- 可简单地组装到现有系统上。无需进行诸如延长导轨长度或变更滑台尺寸等设计变更。

增压连接
“增压连接”是指在弹簧保持力的基础上增加空气压力产生的保持力,从而增大保持力的连接方法。增压连接的连接方法
- 拆除空气滤清器。
- 装上管接头、软管和电磁阀。
- 开始供气。
- 启动电磁阀,确认库浪霸的开闭状况。


规格
| MKS-03 | MKS-04 | MKS | |
|---|---|---|---|
| 控制方式 | 气压、常闭 | ||
| 开放压力 | 0.3MPa | 0.4MPa | 0.55MPa |
| 最高使用压力 | 0.65MPa | ||
| 响应时间 | 最大0.06s | ||
| 夹紧寿命*1 | 500万次 | ||
| 使用温度 | -10℃~+70℃ | ||
| 适用导轨的公称尺寸 | #15~#65 | #15~#65 | #12~#85 |
*1: 仅供参考数值,并非保证数值。增压连接时的寿命为100万次。
使用注意事项
MKS在出厂时在接触面间夹有垫块。除了安装时,请勿取出该垫块。如果在取出垫块的状态下长期放置,可能会引起MKS无法运作。
安装
| 螺纹公称直径*1 | 紧固扭矩 (N・m) |
|---|---|
| M4 | 2.8 |
| M5 | 5.5 |
| M6 | 9.5 |
| M8 | 23 |
| M10 | 46 |
*1: 请使用强度等级在8.8以上的螺纹。
请事先确认安全注意事项( ⇒请事先确认安全注意事项 )、设计中的注意事项( ⇒设计中的注意事项 )、安装步骤( ⇒安装步骤 )。
安装图

配管
| 导轨公称尺寸 | 螺纹公称直径 | 空气消耗量*1(ℓ/周期(ANR)) 标准连接/增压连接 |
|---|---|---|
| #12 | M3 | 0.007/0.021 |
| #15 | M5 | 0.011/0.035 |
| #20 | M5 | 0.019/0.063 |
| #21 | M5 | 0.007/0.020 |
| #25 | M5 | 0.021/0.068 |
| #27 | M5 | 0.019/0.063 |
| #30 | M5 | 0.031/0.121 |
| #35 | M5 | 0.031/0.129 |
| #45 | M5 | 0.041/0.175 |
| #50 | M5 | 0.031/0.121 |
| #55 | M5 | 0.041/0.175 |
| #65 | M5 | 0.041/0.175 |
*1: 压力为0.6MPa时的值。表中数值非保证值,仅供参考。
部分产品停产说明
感谢您一直以来使用NBK网站。导轨钳制器的部分型号即将停产。
同时,本公司将会发售替代品,现将情况说明如下。
请参看详情
可能需要贵公司针对该部分进行设计变更,对此,我们深表歉意,敬请理解。









