尺寸・CAD
单位 : mm
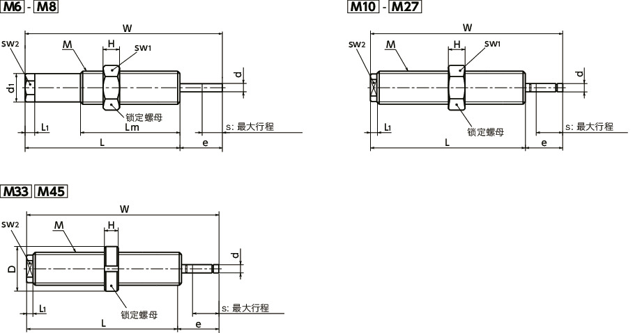
| 型号 | M(细牙) 螺纹公称直径 |
螺距 | L | L1 | Lm | d | d1 | e | W | H | sw1 | D | sw2 | 質量 (g) |
CAD下载 |
|---|---|---|---|---|---|---|---|---|---|---|---|---|---|---|---|
| APS-M6-0.5-S | M6 | 0.5 | 30 | 1.8 | 18 | 1.4 | 5.4 | 8 | 38 | 3.2 | 10 | - | 4.5 | 6 | - |
| APS-M6-0.5-M | M6 | 0.5 | 30 | 1.8 | 18 | 1.4 | 5.4 | 8 | 38 | 3.2 | 10 | - | 4.5 | 6 | - |
| APS-M8-1-S | M8 | 1 | 40 | 2.5 | 26 | 2.3 | 6.8 | 9.5 | 49.5 | 4 | 13 | - | 6 | 12 | - |
| APS-M8-1-M | M8 | 1 | 40 | 2.5 | 26 | 2.3 | 6.8 | 9.5 | 49.5 | 4 | 13 | - | 6 | 12 | - |
| APS-M8-1-H | M8 | 1 | 40 | 2.5 | 26 | 2.3 | 6.8 | 9.5 | 49.5 | 4 | 13 | - | 6 | 12 | - |
| APS-M10-1-S | M10 | 1 | 51 | 2.3 | - | 3 | - | 11 | 62 | 5 | 13 | - | 8 | 25 | - |
| APS-M10-1-M | M10 | 1 | 51 | 2.3 | - | 3 | - | 11 | 62 | 5 | 13 | - | 8 | 25 | - |
| APS-M10-1-H | M10 | 1 | 51 | 2.3 | - | 3 | - | 11 | 62 | 5 | 13 | - | 8 | 25 | - |
| APS-M12-1-S | M12 | 1 | 56 | 2.3 | - | 3 | - | 13.5 | 69.5 | 6 | 14 | - | 8 | 35 | - |
| APS-M12-1-M | M12 | 1 | 56 | 2.3 | - | 3 | - | 13.5 | 69.5 | 6 | 14 | - | 8 | 35 | - |
| APS-M12-1-H | M12 | 1 | 56 | 2.3 | - | 3 | - | 13.5 | 69.5 | 6 | 14 | - | 8 | 35 | - |
| APS-M14-1-S | M14 | 1 | 66 | 3.5 | - | 4 | - | 17 | 83 | 8 | 17 | - | 10 | 65 | - |
| APS-M14-1-M | M14 | 1 | 66 | 3.5 | - | 4 | - | 17 | 83 | 8 | 17 | - | 10 | 65 | - |
| APS-M14-1-H | M14 | 1 | 66 | 3.5 | - | 4 | - | 17 | 83 | 8 | 17 | - | 10 | 65 | - |
| APS-M14-1.5-S | M14 | 1.5 | 66 | 3.5 | - | 4 | - | 17 | 83 | 8 | 17 | - | 10 | 65 | - |
| APS-M14-1.5-M | M14 | 1.5 | 66 | 3.5 | - | 4 | - | 17 | 83 | 8 | 17 | - | 10 | 65 | - |
| APS-M14-1.5-H | M14 | 1.5 | 66 | 3.5 | - | 4 | - | 17 | 83 | 8 | 17 | - | 10 | 65 | - |
| APS-M20-1.5-S | M20 | 1.5 | 76 | 4 | - | 6 | - | 19 | 95 | 10 | 24 | - | 14 | 135 | - |
| APS-M20-1.5-M | M20 | 1.5 | 76 | 4 | - | 6 | - | 19 | 95 | 10 | 24 | - | 14 | 135 | - |
| APS-M20-1.5-H | M20 | 1.5 | 76 | 4 | - | 6 | - | 19 | 95 | 10 | 24 | - | 14 | 135 | - |
| APS-M20-1.5L-S | M20 | 1.5 | 97 | 4 | - | 6 | - | 34 | 131 | 10 | 24 | - | 14 | 180 | - |
| APS-M20-1.5L-M | M20 | 1.5 | 97 | 4 | - | 6 | - | 34 | 131 | 10 | 24 | - | 14 | 180 | - |
| APS-M25-1.5-S | M25 | 1.5 | 105 | 4 | - | 8 | - | 31 | 136 | 12 | 30 | - | 19 | 300 | - |
| APS-M25-1.5-M | M25 | 1.5 | 105 | 4 | - | 8 | - | 31 | 136 | 12 | 30 | - | 19 | 300 | - |
| APS-M25-1.5-H | M25 | 1.5 | 105 | 4 | - | 8 | - | 31 | 136 | 12 | 30 | - | 19 | 300 | - |
| APS-M25-1.5L-S | M25 | 1.5 | 125 | 4 | - | 8 | - | 46 | 171 | 12 | 30 | - | 19 | 365 | - |
| APS-M25-1.5L-M | M25 | 1.5 | 125 | 4 | - | 8 | - | 46 | 171 | 12 | 30 | - | 19 | 365 | - |
| APS-M27-3-S | M27 | 3 | 105 | 4 | - | 8 | - | 31 | 136 | 12 | 32 | - | 19 | 370 | - |
| APS-M27-3-M | M27 | 3 | 105 | 4 | - | 8 | - | 31 | 136 | 12 | 32 | - | 19 | 370 | - |
| APS-M27-3-H | M27 | 3 | 105 | 4 | - | 8 | - | 31 | 136 | 12 | 32 | - | 19 | 370 | - |
| APS-M33-1.5-S | M33 | 1.5 | 125 | 5 | - | 10 | - | 40 | 165 | 10 | - | 41 | 24 | 650 | - |
| APS-M33-1.5-M | M33 | 1.5 | 125 | 5 | - | 10 | - | 40 | 165 | 10 | - | 41 | 24 | 650 | - |
| APS-M33-1.5-H | M33 | 1.5 | 125 | 5 | - | 10 | - | 40 | 165 | 10 | - | 41 | 24 | 650 | - |
| APS-M33-1.5L-S | M33 | 1.5 | 144 | 5 | - | 10 | - | 60 | 204 | 10 | - | 41 | 24 | 750 | - |
| APS-M33-1.5L-M | M33 | 1.5 | 144 | 5 | - | 10 | - | 60 | 204 | 10 | - | 41 | 24 | 750 | - |
| APS-M45-1.5-S | M45 | 1.5 | 140 | 6 | - | 12 | - | 30 | 170 | 10 | - | 60 | 36 | 1290 | - |
| APS-M45-1.5-M | M45 | 1.5 | 140 | 6 | - | 12 | - | 30 | 170 | 10 | - | 60 | 36 | 1290 | - |
| APS-M45-1.5-H | M45 | 1.5 | 140 | 6 | - | 12 | - | 30 | 170 | 10 | - | 60 | 36 | 1290 | - |
| APS-M45-1.5L-S | M45 | 1.5 | 195 | 6 | - | 12 | - | 55 | 250 | 10 | - | 60 | 36 | 1740 | - |
| APS-M45-1.5L-M | M45 | 1.5 | 195 | 6 | - | 12 | - | 55 | 250 | 10 | - | 60 | 36 | 1740 | - |
| APS-M45-1.5L-H | M45 | 1.5 | 195 | 6 | - | 12 | - | 55 | 250 | 10 | - | 60 | 36 | 1740 | - |
●所有产品均附带1个锁定螺母。
| 型号 | 最大吸收 能量 (J) |
紧急时 最大吸收 能量 (J) |
每小时 最大吸收 能量 (J/h) |
最大行程 s (mm) |
碰撞速度 (m/s) |
恢复时间 (s) |
恢复力 (N) |
||
|---|---|---|---|---|---|---|---|---|---|
| min. | max. | min. | max. | ||||||
| APS-M6-0.5-S | 1.5 | - | 3200 | 4 | 1.8 | 3.5 | 0.15 | 1 | 3 |
| APS-M6-0.5-M | 1.5 | - | 3200 | 4 | 0.8 | 2.2 | 0.15 | 1 | 3 |
| APS-M8-1-S | 3 | - | 8000 | 5 | 1.8 | 3.5 | 0.15 | 1 | 4 |
| APS-M8-1-M | 4 | - | 9000 | 5 | 0.8 | 2.2 | 0.15 | 1 | 4 |
| APS-M8-1-H | 4 | - | 9000 | 5 | 0.2 | 1.2 | 0.15 | 1 | 4 |
| APS-M10-1-S | 10 | - | 18000 | 8 | 1.8 | 3.5 | 0.15 | 4 | 10 |
| APS-M10-1-M | 12 | - | 20000 | 8 | 0.8 | 2.2 | 0.15 | 4 | 10 |
| APS-M10-1-H | 12 | - | 20000 | 8 | 0.2 | 1.2 | 0.15 | 4 | 10 |
| APS-M12-1-S | 16 | 22 | 30000 | 10 | 1.8 | 3.5 | 0.2 | 6 | 10 |
| APS-M12-1-M | 18 | 25 | 33000 | 10 | 0.8 | 2.2 | 0.2 | 6 | 10 |
| APS-M12-1-H | 18 | 27 | 33000 | 10 | 0.2 | 1.2 | 0.2 | 6 | 10 |
| APS-M14-1-S | 30 | 35 | 45000 | 12 | 1.8 | 3.5 | 0.2 | 8 | 15 |
| APS-M14-1-M | 32 | 40 | 50000 | 12 | 0.8 | 2.2 | 0.2 | 8 | 15 |
| APS-M14-1-H | 32 | 45 | 50000 | 12 | 0.2 | 1.2 | 0.2 | 8 | 15 |
| APS-M14-1.5-S | 30 | 35 | 45000 | 12 | 1.8 | 3.5 | 0.2 | 8 | 15 |
| APS-M14-1.5-M | 32 | 40 | 50000 | 12 | 0.8 | 2.2 | 0.2 | 8 | 15 |
| APS-M14-1.5-H | 32 | 45 | 50000 | 12 | 0.2 | 1.2 | 0.2 | 8 | 15 |
| APS-M20-1.5-S | 70 | 100 | 70000 | 15 | 1.8 | 3.5 | 0.3 | 15 | 30 |
| APS-M20-1.5-M | 80 | 120 | 80000 | 15 | 0.8 | 2.2 | 0.3 | 15 | 30 |
| APS-M20-1.5-H | 80 | 150 | 80000 | 15 | 0.2 | 1.2 | 0.3 | 15 | 30 |
| APS-M20-1.5L-S | 100 | 170 | 100000 | 30 | 1.8 | 3.5 | 0.5 | 10 | 25 |
| APS-M20-1.5L-M | 120 | 220 | 120000 | 30 | 0.8 | 2.2 | 0.5 | 10 | 25 |
| APS-M25-1.5-S | 190 | 350 | 100000 | 25 | 1.8 | 3.5 | 0.4 | 25 | 50 |
| APS-M25-1.5-M | 210 | 400 | 120000 | 25 | 0.8 | 2.2 | 0.4 | 25 | 50 |
| APS-M25-1.5-H | 210 | 450 | 120000 | 25 | 0.2 | 1.2 | 0.4 | 25 | 50 |
| APS-M25-1.5L-S | 250 | 500 | 135000 | 40 | 1.8 | 3.5 | 0.6 | 25 | 55 |
| APS-M25-1.5L-M | 350 | 750 | 150000 | 40 | 0.8 | 2.2 | 0.6 | 25 | 55 |
| APS-M27-3-S | 190 | 350 | 100000 | 25 | 1.8 | 3.5 | 0.4 | 25 | 50 |
| APS-M27-3-M | 210 | 400 | 120000 | 25 | 0.8 | 2.2 | 0.4 | 25 | 50 |
| APS-M27-3-H | 210 | 450 | 120000 | 25 | 0.2 | 1.2 | 0.4 | 25 | 50 |
| APS-M33-1.5-S | 300 | 500 | 120000 | 30 | 1.8 | 3.5 | 0.4 | 30 | 55 |
| APS-M33-1.5-M | 350 | 750 | 140000 | 30 | 0.8 | 2.2 | 0.4 | 30 | 55 |
| APS-M33-1.5-H | 350 | 850 | 140000 | 30 | 0.2 | 1.2 | 0.4 | 30 | 55 |
| APS-M33-1.5L-S | 450 | 1100 | 170000 | 50 | 1.8 | 3.5 | 0.8 | 30 | 55 |
| APS-M33-1.5L-M | 500 | 1200 | 180000 | 50 | 0.8 | 2.2 | 0.8 | 30 | 55 |
| APS-M45-1.5-S | 600 | 1400 | 150000 | 25 | 1.8 | 3.5 | 0.4 | 30 | 60 |
| APS-M45-1.5-M | 650 | 1500 | 170000 | 25 | 0.8 | 2.2 | 0.4 | 30 | 60 |
| APS-M45-1.5-H | 650 | 1600 | 170000 | 25 | 0.2 | 1.2 | 0.4 | 30 | 60 |
| APS-M45-1.5L-S | 1000 | 2600 | 200000 | 50 | 1.8 | 3.5 | 0.8 | 50 | 130 |
| APS-M45-1.5L-M | 1200 | 2800 | 220000 | 50 | 0.8 | 2.2 | 0.8 | 50 | 130 |
| APS-M45-1.5L-H | 1200 | 2800 | 220000 | 50 | 0.2 | 1.2 | 0.8 | 50 | 130 |
全面改型及现行型号停产说明
高性能缓冲器:冲击吸收器将于2021年1月26日(星期二)大幅增加规格,实施全面改型。请参看详情
只需输入现在使用的冲击吸收器的型号,即可根据螺纹直径基准和能量基准,分别确认到替代产品的型号和规格尺寸。
高性能缓冲器:自动替换软件








