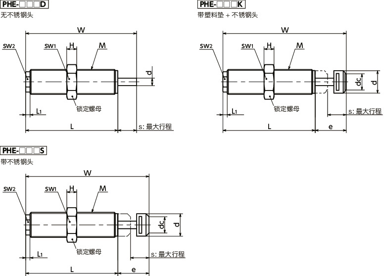
尺寸・CAD
选择
单位 : mm
| 型号 | M(细牙) 螺纹公称直径 |
螺距 | L | L1 | d | dc | s | e | W | H | sw1 (对边宽度) |
sw2 (对边宽度) |
行程 类型 |
速度类型 | 保护机构类型 | 头部类型 | 最大吸收 能量 (J) |
紧急时 最大吸收 能量 (J) |
每小时 最大吸收 能量 (J/h) |
最大 行程 s (mm) |
碰撞速度 (m/s) |
容许载荷 (kN) |
锁定螺母 最大紧固扭矩 (N・m) |
恢复时间 (s) |
恢复力 (N) |
质量 (g) |
CAD下载 | 请求报价 | ||
|---|---|---|---|---|---|---|---|---|---|---|---|---|---|---|---|---|---|---|---|---|---|---|---|---|---|---|---|---|---|---|
| min. | max. | min. | max. | |||||||||||||||||||||||||||
| PHE08-10NHDD-A | M8 | 1.0 | 41 | 2.5 | 2 | - | 6 | - | 47 | 3 | 11 | 6 | 标准 | 低速用 | 没有保护机构 | 没有头部 | 4 | 5 | 10000 | 6 | 0.1 | 1.2 | 1 | 3 | 0.2 | 2.5 | 4.5 | 9 | CAD | 请求报价 |
| PHE08-10NHDS-A | M8 | 1.0 | 41 | 2.5 | 6.5 | 5 | 6 | 12 | 53 | 3 | 11 | 6 | 标准 | 低速用 | 没有保护机构 | 带头 | 4 | 5 | 10000 | 6 | 0.1 | 1.2 | 1 | 3 | 0.2 | 2.5 | 4.5 | 10 | CAD | 请求报价 |
| PHE08-10NHDK-A | M8 | 1.0 | 41 | 2.5 | 6.5 | 5 | 6 | 12 | 53 | 3 | 11 | 6 | 标准 | 低速用 | 没有保护机构 | 带垫+带头 | 4 | 5 | 10000 | 6 | 0.1 | 1.2 | 1 | 3 | 0.2 | 2.5 | 4.5 | 10 | CAD | 请求报价 |
| PHE08-10NHFD-A | M8 | 1.0 | 41 | 2.5 | 2 | - | 6 | - | 47 | 3 | 11 | 6 | 标准 | 低速用 | 毡环(防尘用) | 没有头部 | 4 | 5 | 10000 | 6 | 0.1 | 1.2 | 1 | 3 | 0.2 | 2.5 | 4.5 | 9 | CAD | 请求报价 |
| PHE08-10NHFS-A | M8 | 1.0 | 41 | 2.5 | 6.5 | 5 | 6 | 12 | 53 | 3 | 11 | 6 | 标准 | 低速用 | 毡环(防尘用) | 带头 | 4 | 5 | 10000 | 6 | 0.1 | 1.2 | 1 | 3 | 0.2 | 2.5 | 4.5 | 10 | CAD | 请求报价 |
| PHE08-10NHFK-A | M8 | 1.0 | 41 | 2.5 | 6.5 | 5 | 6 | 12 | 53 | 3 | 11 | 6 | 标准 | 低速用 | 毡环(防尘用) | 带垫+带头 | 4 | 5 | 10000 | 6 | 0.1 | 1.2 | 1 | 3 | 0.2 | 2.5 | 4.5 | 10 | CAD | 请求报价 |
| PHE08-10NHAD-A | M8 | 1.0 | 41 | 2.5 | 2 | - | 6 | - | 47 | 3 | 11 | 6 | 标准 | 低速用 | 刮擦器(防水用) | 没有头部 | 4 | 5 | 10000 | 6 | 0.1 | 1.2 | 1 | 3 | 0.2 | 2.5 | 4.5 | 9 | CAD | 请求报价 |
| PHE08-10NHAS-A | M8 | 1.0 | 41 | 2.5 | 6.5 | 5 | 6 | 12 | 53 | 3 | 11 | 6 | 标准 | 低速用 | 刮擦器(防水用) | 带头 | 4 | 5 | 10000 | 6 | 0.1 | 1.2 | 1 | 3 | 0.2 | 2.5 | 4.5 | 10 | CAD | 请求报价 |
| PHE08-10NHAK-A | M8 | 1.0 | 41 | 2.5 | 6.5 | 5 | 6 | 12 | 53 | 3 | 11 | 6 | 标准 | 低速用 | 刮擦器(防水用) | 带垫+带头 | 4 | 5 | 10000 | 6 | 0.1 | 1.2 | 1 | 3 | 0.2 | 2.5 | 4.5 | 10 | CAD | 请求报价 |
| PHE08-10NHBS-A | M8 | 1.0 | 36.5 | 2.5 | 12 | 5 | 6 | 20.5 | 57 | 3 | 11 | 6 | 标准 | 低速用 | 波纹管盖 | 带头 | 4 | 5 | 10000 | 6 | 0.1 | 1.2 | 1 | 3 | 0.2 | 2.5 | 6 | 12 | CAD | 请求报价 |
| PHE08-10NHBK-A | M8 | 1.0 | 36.5 | 2.5 | 12 | 5 | 6 | 20.5 | 57 | 3 | 11 | 6 | 标准 | 低速用 | 波纹管盖 | 带垫+带头 | 4 | 5 | 10000 | 6 | 0.1 | 1.2 | 1 | 3 | 0.2 | 2.5 | 6 | 12 | CAD | 请求报价 |
| PHE08-10NMDD-A | M8 | 1.0 | 41 | 2.5 | 2 | - | 6 | - | 47 | 3 | 11 | 6 | 标准 | 中速用 | 没有保护机构 | 没有头部 | 4 | 5 | 10000 | 6 | 0.8 | 2.2 | 1 | 3 | 0.2 | 2.5 | 4.5 | 9 | CAD | 请求报价 |
| PHE08-10NMDS-A | M8 | 1.0 | 41 | 2.5 | 6.5 | 5 | 6 | 12 | 53 | 3 | 11 | 6 | 标准 | 中速用 | 没有保护机构 | 带头 | 4 | 5 | 10000 | 6 | 0.8 | 2.2 | 1 | 3 | 0.2 | 2.5 | 4.5 | 10 | CAD | 请求报价 |
| PHE08-10NMDK-A | M8 | 1.0 | 41 | 2.5 | 6.5 | 5 | 6 | 12 | 53 | 3 | 11 | 6 | 标准 | 中速用 | 没有保护机构 | 带垫+带头 | 4 | 5 | 10000 | 6 | 0.8 | 2.2 | 1 | 3 | 0.2 | 2.5 | 4.5 | 10 | CAD | 请求报价 |
| PHE08-10NMFD-A | M8 | 1.0 | 41 | 2.5 | 2 | - | 6 | - | 47 | 3 | 11 | 6 | 标准 | 中速用 | 毡环(防尘用) | 没有头部 | 4 | 5 | 10000 | 6 | 0.8 | 2.2 | 1 | 3 | 0.2 | 2.5 | 4.5 | 9 | CAD | 请求报价 |
| PHE08-10NMFS-A | M8 | 1.0 | 41 | 2.5 | 6.5 | 5 | 6 | 12 | 53 | 3 | 11 | 6 | 标准 | 中速用 | 毡环(防尘用) | 带头 | 4 | 5 | 10000 | 6 | 0.8 | 2.2 | 1 | 3 | 0.2 | 2.5 | 4.5 | 10 | CAD | 请求报价 |
| PHE08-10NMFK-A | M8 | 1.0 | 41 | 2.5 | 6.5 | 5 | 6 | 12 | 53 | 3 | 11 | 6 | 标准 | 中速用 | 毡环(防尘用) | 带垫+带头 | 4 | 5 | 10000 | 6 | 0.8 | 2.2 | 1 | 3 | 0.2 | 2.5 | 4.5 | 10 | CAD | 请求报价 |
| PHE08-10NMAD-A | M8 | 1.0 | 41 | 2.5 | 2 | - | 6 | - | 47 | 3 | 11 | 6 | 标准 | 中速用 | 刮擦器(防水用) | 没有头部 | 4 | 5 | 10000 | 6 | 0.8 | 2.2 | 1 | 3 | 0.2 | 2.5 | 4.5 | 9 | CAD | 请求报价 |
| PHE08-10NMAS-A | M8 | 1.0 | 41 | 2.5 | 6.5 | 5 | 6 | 12 | 53 | 3 | 11 | 6 | 标准 | 中速用 | 刮擦器(防水用) | 带头 | 4 | 5 | 10000 | 6 | 0.8 | 2.2 | 1 | 3 | 0.2 | 2.5 | 4.5 | 10 | CAD | 请求报价 |
| PHE08-10NMAK-A | M8 | 1.0 | 41 | 2.5 | 6.5 | 5 | 6 | 12 | 53 | 3 | 11 | 6 | 标准 | 中速用 | 刮擦器(防水用) | 带垫+带头 | 4 | 5 | 10000 | 6 | 0.8 | 2.2 | 1 | 3 | 0.2 | 2.5 | 4.5 | 10 | CAD | 请求报价 |
| PHE08-10NMBS-A | M8 | 1.0 | 36.5 | 2.5 | 12 | 5 | 6 | 20.5 | 57 | 3 | 11 | 6 | 标准 | 中速用 | 波纹管盖 | 带头 | 4 | 5 | 10000 | 6 | 0.8 | 2.2 | 1 | 3 | 0.2 | 2.5 | 6 | 12 | CAD | 请求报价 |
| PHE08-10NMBK-A | M8 | 1.0 | 36.5 | 2.5 | 12 | 5 | 6 | 20.5 | 57 | 3 | 11 | 6 | 标准 | 中速用 | 波纹管盖 | 带垫+带头 | 4 | 5 | 10000 | 6 | 0.8 | 2.2 | 1 | 3 | 0.2 | 2.5 | 6 | 12 | CAD | 请求报价 |
| PHE08-10NSDD-A | M8 | 1.0 | 41 | 2.5 | 2 | - | 6 | - | 47 | 3 | 11 | 6 | 标准 | 高速用 | 没有保护机构 | 没有头部 | 3.5 | 4 | 10000 | 6 | 1.8 | 3.5 | 1 | 3 | 0.2 | 2.5 | 4.5 | 9 | CAD | 请求报价 |
| PHE08-10NSDS-A | M8 | 1.0 | 41 | 2.5 | 6.5 | 5 | 6 | 12 | 53 | 3 | 11 | 6 | 标准 | 高速用 | 没有保护机构 | 带头 | 3.5 | 4 | 10000 | 6 | 1.8 | 3.5 | 1 | 3 | 0.2 | 2.5 | 4.5 | 10 | CAD | 请求报价 |
| PHE08-10NSDK-A | M8 | 1.0 | 41 | 2.5 | 6.5 | 5 | 6 | 12 | 53 | 3 | 11 | 6 | 标准 | 高速用 | 没有保护机构 | 带垫+带头 | 3.5 | 4 | 10000 | 6 | 1.8 | 3.5 | 1 | 3 | 0.2 | 2.5 | 4.5 | 10 | CAD | 请求报价 |
| PHE08-10NSFD-A | M8 | 1.0 | 41 | 2.5 | 2 | - | 6 | - | 47 | 3 | 11 | 6 | 标准 | 高速用 | 毡环(防尘用) | 没有头部 | 3.5 | 4 | 10000 | 6 | 1.8 | 3.5 | 1 | 3 | 0.2 | 2.5 | 4.5 | 9 | CAD | 请求报价 |
| PHE08-10NSFS-A | M8 | 1.0 | 41 | 2.5 | 6.5 | 5 | 6 | 12 | 53 | 3 | 11 | 6 | 标准 | 高速用 | 毡环(防尘用) | 带头 | 3.5 | 4 | 10000 | 6 | 1.8 | 3.5 | 1 | 3 | 0.2 | 2.5 | 4.5 | 10 | CAD | 请求报价 |
| PHE08-10NSFK-A | M8 | 1.0 | 41 | 2.5 | 6.5 | 5 | 6 | 12 | 53 | 3 | 11 | 6 | 标准 | 高速用 | 毡环(防尘用) | 带垫+带头 | 3.5 | 4 | 10000 | 6 | 1.8 | 3.5 | 1 | 3 | 0.2 | 2.5 | 4.5 | 10 | CAD | 请求报价 |
| PHE08-10NSAD-A | M8 | 1.0 | 41 | 2.5 | 2 | - | 6 | - | 47 | 3 | 11 | 6 | 标准 | 高速用 | 刮擦器(防水用) | 没有头部 | 3.5 | 4 | 10000 | 6 | 1.8 | 3.5 | 1 | 3 | 0.2 | 2.5 | 4.5 | 9 | CAD | 请求报价 |
| PHE08-10NSAS-A | M8 | 1.0 | 41 | 2.5 | 6.5 | 5 | 6 | 12 | 53 | 3 | 11 | 6 | 标准 | 高速用 | 刮擦器(防水用) | 带头 | 3.5 | 4 | 10000 | 6 | 1.8 | 3.5 | 1 | 3 | 0.2 | 2.5 | 4.5 | 10 | CAD | 请求报价 |
| PHE08-10NSAK-A | M8 | 1.0 | 41 | 2.5 | 6.5 | 5 | 6 | 12 | 53 | 3 | 11 | 6 | 标准 | 高速用 | 刮擦器(防水用) | 带垫+带头 | 3.5 | 4 | 10000 | 6 | 1.8 | 3.5 | 1 | 3 | 0.2 | 2.5 | 4.5 | 10 | CAD | 请求报价 |
| PHE08-10NSBS-A | M8 | 1.0 | 36.5 | 2.5 | 12 | 5 | 6 | 20.5 | 57 | 3 | 11 | 6 | 标准 | 高速用 | 波纹管盖 | 带头 | 3.5 | 4 | 10000 | 6 | 1.8 | 3.5 | 1 | 3 | 0.2 | 2.5 | 6 | 12 | CAD | 请求报价 |
| PHE08-10NSBK-A | M8 | 1.0 | 36.5 | 2.5 | 12 | 5 | 6 | 20.5 | 57 | 3 | 11 | 6 | 标准 | 高速用 | 波纹管盖 | 带垫+带头 | 3.5 | 4 | 10000 | 6 | 1.8 | 3.5 | 1 | 3 | 0.2 | 2.5 | 6 | 12 | CAD | 请求报价 |
| PHE08-10NWDD-A | M8 | 1.0 | 41 | 2.5 | 2 | - | 6 | - | 47 | 3 | 11 | 6 | 标准 | 超高速用 | 没有保护机构 | 没有头部 | 3.5 | 4 | 10000 | 6 | 3 | 5 | 1 | 3 | 0.2 | 2.5 | 4.5 | 9 | CAD | 请求报价 |
| PHE08-10NWDS-A | M8 | 1.0 | 41 | 2.5 | 6.5 | 5 | 6 | 12 | 53 | 3 | 11 | 6 | 标准 | 超高速用 | 没有保护机构 | 带头 | 3.5 | 4 | 10000 | 6 | 3 | 5 | 1 | 3 | 0.2 | 2.5 | 4.5 | 10 | CAD | 请求报价 |
| PHE08-10NWDK-A | M8 | 1.0 | 41 | 2.5 | 6.5 | 5 | 6 | 12 | 53 | 3 | 11 | 6 | 标准 | 超高速用 | 没有保护机构 | 带垫+带头 | 3.5 | 4 | 10000 | 6 | 3 | 5 | 1 | 3 | 0.2 | 2.5 | 4.5 | 10 | CAD | 请求报价 |
| PHE08-10NWFD-A | M8 | 1.0 | 41 | 2.5 | 2 | - | 6 | - | 47 | 3 | 11 | 6 | 标准 | 超高速用 | 毡环(防尘用) | 没有头部 | 3.5 | 4 | 10000 | 6 | 3 | 5 | 1 | 3 | 0.2 | 2.5 | 4.5 | 9 | CAD | 请求报价 |
| PHE08-10NWFS-A | M8 | 1.0 | 41 | 2.5 | 6.5 | 5 | 6 | 12 | 53 | 3 | 11 | 6 | 标准 | 超高速用 | 毡环(防尘用) | 带头 | 3.5 | 4 | 10000 | 6 | 3 | 5 | 1 | 3 | 0.2 | 2.5 | 4.5 | 10 | CAD | 请求报价 |
| PHE08-10NWFK-A | M8 | 1.0 | 41 | 2.5 | 6.5 | 5 | 6 | 12 | 53 | 3 | 11 | 6 | 标准 | 超高速用 | 毡环(防尘用) | 带垫+带头 | 3.5 | 4 | 10000 | 6 | 3 | 5 | 1 | 3 | 0.2 | 2.5 | 4.5 | 10 | CAD | 请求报价 |
| PHE08-10NWAD-A | M8 | 1.0 | 41 | 2.5 | 2 | - | 6 | - | 47 | 3 | 11 | 6 | 标准 | 超高速用 | 刮擦器(防水用) | 没有头部 | 3.5 | 4 | 10000 | 6 | 3 | 5 | 1 | 3 | 0.2 | 2.5 | 4.5 | 9 | CAD | 请求报价 |
| PHE08-10NWAS-A | M8 | 1.0 | 41 | 2.5 | 6.5 | 5 | 6 | 12 | 53 | 3 | 11 | 6 | 标准 | 超高速用 | 刮擦器(防水用) | 带头 | 3.5 | 4 | 10000 | 6 | 3 | 5 | 1 | 3 | 0.2 | 2.5 | 4.5 | 10 | CAD | 请求报价 |
| PHE08-10NWAK-A | M8 | 1.0 | 41 | 2.5 | 6.5 | 5 | 6 | 12 | 53 | 3 | 11 | 6 | 标准 | 超高速用 | 刮擦器(防水用) | 带垫+带头 | 3.5 | 4 | 10000 | 6 | 3 | 5 | 1 | 3 | 0.2 | 2.5 | 4.5 | 10 | CAD | 请求报价 |
| PHE08-10NWBS-A | M8 | 1.0 | 36.5 | 2.5 | 12 | 5 | 6 | 20.5 | 57 | 3 | 11 | 6 | 标准 | 超高速用 | 波纹管盖 | 带头 | 3.5 | 4 | 10000 | 6 | 3 | 5 | 1 | 3 | 0.2 | 2.5 | 6 | 12 | CAD | 请求报价 |
| PHE08-10NWBK-A | M8 | 1.0 | 36.5 | 2.5 | 12 | 5 | 6 | 20.5 | 57 | 3 | 11 | 6 | 标准 | 超高速用 | 波纹管盖 | 带垫+带头 | 3.5 | 4 | 10000 | 6 | 3 | 5 | 1 | 3 | 0.2 | 2.5 | 6 | 12 | CAD | 请求报价 |
| PHE10-10NHDD-A | M10 | 1.0 | 48 | 2.5 | 2.5 | - | 8 | - | 56 | 4 | 13 | 7 | 标准 | 低速用 | 没有保护机构 | 没有头部 | 10 | 13 | 22000 | 8 | 0.1 | 1.2 | 2 | 4 | 0.2 | 3.5 | 6 | 20 | CAD | 请求报价 |
| PHE10-10NHDS-A | M10 | 1.0 | 48 | 2.5 | 8.5 | 6 | 8 | 14.5 | 62.5 | 4 | 13 | 7 | 标准 | 低速用 | 没有保护机构 | 带头 | 10 | 13 | 22000 | 8 | 0.1 | 1.2 | 2 | 4 | 0.2 | 3.5 | 6 | 22 | CAD | 请求报价 |
| PHE10-10NHDK-A | M10 | 1.0 | 48 | 2.5 | 8.5 | 6 | 8 | 14.5 | 62.5 | 4 | 13 | 7 | 标准 | 低速用 | 没有保护机构 | 带垫+带头 | 10 | 13 | 22000 | 8 | 0.1 | 1.2 | 2 | 4 | 0.2 | 3.5 | 6 | 22 | CAD | 请求报价 |
| PHE10-10NHFD-A | M10 | 1.0 | 48 | 2.5 | 2.5 | - | 8 | - | 56 | 4 | 13 | 7 | 标准 | 低速用 | 毡环(防尘用) | 没有头部 | 10 | 13 | 22000 | 8 | 0.1 | 1.2 | 2 | 4 | 0.2 | 3.5 | 6 | 20 | CAD | 请求报价 |
| PHE10-10NHFS-A | M10 | 1.0 | 48 | 2.5 | 8.5 | 6 | 8 | 14.5 | 62.5 | 4 | 13 | 7 | 标准 | 低速用 | 毡环(防尘用) | 带头 | 10 | 13 | 22000 | 8 | 0.1 | 1.2 | 2 | 4 | 0.2 | 3.5 | 6 | 22 | CAD | 请求报价 |
| PHE10-10NHFK-A | M10 | 1.0 | 48 | 2.5 | 8.5 | 6 | 8 | 14.5 | 62.5 | 4 | 13 | 7 | 标准 | 低速用 | 毡环(防尘用) | 带垫+带头 | 10 | 13 | 22000 | 8 | 0.1 | 1.2 | 2 | 4 | 0.2 | 3.5 | 6 | 22 | CAD | 请求报价 |
| PHE10-10NHAD-A | M10 | 1.0 | 48 | 2.5 | 2.5 | - | 8 | - | 56 | 4 | 13 | 7 | 标准 | 低速用 | 刮擦器(防水用) | 没有头部 | 10 | 13 | 22000 | 8 | 0.1 | 1.2 | 2 | 4 | 0.2 | 3.5 | 6 | 20 | CAD | 请求报价 |
| PHE10-10NHAS-A | M10 | 1.0 | 48 | 2.5 | 8.5 | 6 | 8 | 14.5 | 62.5 | 4 | 13 | 7 | 标准 | 低速用 | 刮擦器(防水用) | 带头 | 10 | 13 | 22000 | 8 | 0.1 | 1.2 | 2 | 4 | 0.2 | 3.5 | 6 | 22 | CAD | 请求报价 |
| PHE10-10NHAK-A | M10 | 1.0 | 48 | 2.5 | 8.5 | 6 | 8 | 14.5 | 62.5 | 4 | 13 | 7 | 标准 | 低速用 | 刮擦器(防水用) | 带垫+带头 | 10 | 13 | 22000 | 8 | 0.1 | 1.2 | 2 | 4 | 0.2 | 3.5 | 6 | 22 | CAD | 请求报价 |
| PHE10-10NHBS-A | M10 | 1.0 | 42.5 | 2.5 | 14 | 6 | 8 | 24 | 66.5 | 4 | 13 | 7 | 标准 | 低速用 | 波纹管盖 | 带头 | 10 | 13 | 22000 | 8 | 0.1 | 1.2 | 2 | 4 | 0.2 | 3.5 | 11 | 22 | CAD | 请求报价 |
| PHE10-10NHBK-A | M10 | 1.0 | 42.5 | 2.5 | 14 | 6 | 8 | 24 | 66.5 | 4 | 13 | 7 | 标准 | 低速用 | 波纹管盖 | 带垫+带头 | 10 | 13 | 22000 | 8 | 0.1 | 1.2 | 2 | 4 | 0.2 | 3.5 | 11 | 22 | CAD | 请求报价 |
| PHE10-10NMDD-A | M10 | 1.0 | 48 | 2.5 | 2.5 | - | 8 | - | 56 | 4 | 13 | 7 | 标准 | 中速用 | 没有保护机构 | 没有头部 | 10 | 13 | 22000 | 8 | 0.8 | 2.2 | 2 | 4 | 0.2 | 3.5 | 6 | 20 | CAD | 请求报价 |
| PHE10-10NMDS-A | M10 | 1.0 | 48 | 2.5 | 8.5 | 6 | 8 | 14.5 | 62.5 | 4 | 13 | 7 | 标准 | 中速用 | 没有保护机构 | 带头 | 10 | 13 | 22000 | 8 | 0.8 | 2.2 | 2 | 4 | 0.2 | 3.5 | 6 | 22 | CAD | 请求报价 |
| PHE10-10NMDK-A | M10 | 1.0 | 48 | 2.5 | 8.5 | 6 | 8 | 14.5 | 62.5 | 4 | 13 | 7 | 标准 | 中速用 | 没有保护机构 | 带垫+带头 | 10 | 13 | 22000 | 8 | 0.8 | 2.2 | 2 | 4 | 0.2 | 3.5 | 6 | 22 | CAD | 请求报价 |
| PHE10-10NMFD-A | M10 | 1.0 | 48 | 2.5 | 2.5 | - | 8 | - | 56 | 4 | 13 | 7 | 标准 | 中速用 | 毡环(防尘用) | 没有头部 | 10 | 13 | 22000 | 8 | 0.8 | 2.2 | 2 | 4 | 0.2 | 3.5 | 6 | 20 | CAD | 请求报价 |
| PHE10-10NMFS-A | M10 | 1.0 | 48 | 2.5 | 8.5 | 6 | 8 | 14.5 | 62.5 | 4 | 13 | 7 | 标准 | 中速用 | 毡环(防尘用) | 带头 | 10 | 13 | 22000 | 8 | 0.8 | 2.2 | 2 | 4 | 0.2 | 3.5 | 6 | 22 | CAD | 请求报价 |
| PHE10-10NMFK-A | M10 | 1.0 | 48 | 2.5 | 8.5 | 6 | 8 | 14.5 | 62.5 | 4 | 13 | 7 | 标准 | 中速用 | 毡环(防尘用) | 带垫+带头 | 10 | 13 | 22000 | 8 | 0.8 | 2.2 | 2 | 4 | 0.2 | 3.5 | 6 | 22 | CAD | 请求报价 |
| PHE10-10NMAD-A | M10 | 1.0 | 48 | 2.5 | 2.5 | - | 8 | - | 56 | 4 | 13 | 7 | 标准 | 中速用 | 刮擦器(防水用) | 没有头部 | 10 | 13 | 22000 | 8 | 0.8 | 2.2 | 2 | 4 | 0.2 | 3.5 | 6 | 20 | CAD | 请求报价 |
| PHE10-10NMAS-A | M10 | 1.0 | 48 | 2.5 | 8.5 | 6 | 8 | 14.5 | 62.5 | 4 | 13 | 7 | 标准 | 中速用 | 刮擦器(防水用) | 带头 | 10 | 13 | 22000 | 8 | 0.8 | 2.2 | 2 | 4 | 0.2 | 3.5 | 6 | 22 | CAD | 请求报价 |
| PHE10-10NMAK-A | M10 | 1.0 | 48 | 2.5 | 8.5 | 6 | 8 | 14.5 | 62.5 | 4 | 13 | 7 | 标准 | 中速用 | 刮擦器(防水用) | 带垫+带头 | 10 | 13 | 22000 | 8 | 0.8 | 2.2 | 2 | 4 | 0.2 | 3.5 | 6 | 22 | CAD | 请求报价 |
| PHE10-10NMBS-A | M10 | 1.0 | 42.5 | 2.5 | 14 | 6 | 8 | 24 | 66.5 | 4 | 13 | 7 | 标准 | 中速用 | 波纹管盖 | 带头 | 10 | 13 | 22000 | 8 | 0.8 | 2.2 | 2 | 4 | 0.2 | 3.5 | 11 | 22 | CAD | 请求报价 |
| PHE10-10NMBK-A | M10 | 1.0 | 42.5 | 2.5 | 14 | 6 | 8 | 24 | 66.5 | 4 | 13 | 7 | 标准 | 中速用 | 波纹管盖 | 带垫+带头 | 10 | 13 | 22000 | 8 | 0.8 | 2.2 | 2 | 4 | 0.2 | 3.5 | 11 | 22 | CAD | 请求报价 |
| PHE10-10NSDD-A | M10 | 1.0 | 48 | 2.5 | 2.5 | - | 8 | - | 56 | 4 | 13 | 7 | 标准 | 高速用 | 没有保护机构 | 没有头部 | 9 | 11 | 22000 | 8 | 1.8 | 3.5 | 2 | 4 | 0.2 | 3.5 | 6 | 20 | CAD | 请求报价 |
| PHE10-10NSDS-A | M10 | 1.0 | 48 | 2.5 | 8.5 | 6 | 8 | 14.5 | 62.5 | 4 | 13 | 7 | 标准 | 高速用 | 没有保护机构 | 带头 | 9 | 11 | 22000 | 8 | 1.8 | 3.5 | 2 | 4 | 0.2 | 3.5 | 6 | 22 | CAD | 请求报价 |
| PHE10-10NSDK-A | M10 | 1.0 | 48 | 2.5 | 8.5 | 6 | 8 | 14.5 | 62.5 | 4 | 13 | 7 | 标准 | 高速用 | 没有保护机构 | 带垫+带头 | 9 | 11 | 22000 | 8 | 1.8 | 3.5 | 2 | 4 | 0.2 | 3.5 | 6 | 22 | CAD | 请求报价 |
| PHE10-10NSFD-A | M10 | 1.0 | 48 | 2.5 | 2.5 | - | 8 | - | 56 | 4 | 13 | 7 | 标准 | 高速用 | 毡环(防尘用) | 没有头部 | 9 | 11 | 22000 | 8 | 1.8 | 3.5 | 2 | 4 | 0.2 | 3.5 | 6 | 20 | CAD | 请求报价 |
| PHE10-10NSFS-A | M10 | 1.0 | 48 | 2.5 | 8.5 | 6 | 8 | 14.5 | 62.5 | 4 | 13 | 7 | 标准 | 高速用 | 毡环(防尘用) | 带头 | 9 | 11 | 22000 | 8 | 1.8 | 3.5 | 2 | 4 | 0.2 | 3.5 | 6 | 22 | CAD | 请求报价 |
| PHE10-10NSFK-A | M10 | 1.0 | 48 | 2.5 | 8.5 | 6 | 8 | 14.5 | 62.5 | 4 | 13 | 7 | 标准 | 高速用 | 毡环(防尘用) | 带垫+带头 | 9 | 11 | 22000 | 8 | 1.8 | 3.5 | 2 | 4 | 0.2 | 3.5 | 6 | 22 | CAD | 请求报价 |
| PHE10-10NSAD-A | M10 | 1.0 | 48 | 2.5 | 2.5 | - | 8 | - | 56 | 4 | 13 | 7 | 标准 | 高速用 | 刮擦器(防水用) | 没有头部 | 9 | 11 | 22000 | 8 | 1.8 | 3.5 | 2 | 4 | 0.2 | 3.5 | 6 | 20 | CAD | 请求报价 |
| PHE10-10NSAS-A | M10 | 1.0 | 48 | 2.5 | 8.5 | 6 | 8 | 14.5 | 62.5 | 4 | 13 | 7 | 标准 | 高速用 | 刮擦器(防水用) | 带头 | 9 | 11 | 22000 | 8 | 1.8 | 3.5 | 2 | 4 | 0.2 | 3.5 | 6 | 22 | CAD | 请求报价 |
| PHE10-10NSAK-A | M10 | 1.0 | 48 | 2.5 | 8.5 | 6 | 8 | 14.5 | 62.5 | 4 | 13 | 7 | 标准 | 高速用 | 刮擦器(防水用) | 带垫+带头 | 9 | 11 | 22000 | 8 | 1.8 | 3.5 | 2 | 4 | 0.2 | 3.5 | 6 | 22 | CAD | 请求报价 |
| PHE10-10NSBS-A | M10 | 1.0 | 42.5 | 2.5 | 14 | 6 | 8 | 24 | 66.5 | 4 | 13 | 7 | 标准 | 高速用 | 波纹管盖 | 带头 | 9 | 11 | 22000 | 8 | 1.8 | 3.5 | 2 | 4 | 0.2 | 3.5 | 11 | 22 | CAD | 请求报价 |
| PHE10-10NSBK-A | M10 | 1.0 | 42.5 | 2.5 | 14 | 6 | 8 | 24 | 66.5 | 4 | 13 | 7 | 标准 | 高速用 | 波纹管盖 | 带垫+带头 | 9 | 11 | 22000 | 8 | 1.8 | 3.5 | 2 | 4 | 0.2 | 3.5 | 11 | 22 | CAD | 请求报价 |
| PHE10-10NWDD-A | M10 | 1.0 | 48 | 2.5 | 2.5 | - | 8 | - | 56 | 4 | 13 | 7 | 标准 | 超高速用 | 没有保护机构 | 没有头部 | 9 | 11 | 22000 | 8 | 3 | 5 | 2 | 4 | 0.2 | 3.5 | 6 | 20 | CAD | 请求报价 |
| PHE10-10NWDS-A | M10 | 1.0 | 48 | 2.5 | 8.5 | 6 | 8 | 14.5 | 62.5 | 4 | 13 | 7 | 标准 | 超高速用 | 没有保护机构 | 带头 | 9 | 11 | 22000 | 8 | 3 | 5 | 2 | 4 | 0.2 | 3.5 | 6 | 22 | CAD | 请求报价 |
| PHE10-10NWDK-A | M10 | 1.0 | 48 | 2.5 | 8.5 | 6 | 8 | 14.5 | 62.5 | 4 | 13 | 7 | 标准 | 超高速用 | 没有保护机构 | 带垫+带头 | 9 | 11 | 22000 | 8 | 3 | 5 | 2 | 4 | 0.2 | 3.5 | 6 | 22 | CAD | 请求报价 |
| PHE10-10NWFD-A | M10 | 1.0 | 48 | 2.5 | 2.5 | - | 8 | - | 56 | 4 | 13 | 7 | 标准 | 超高速用 | 毡环(防尘用) | 没有头部 | 9 | 11 | 22000 | 8 | 3 | 5 | 2 | 4 | 0.2 | 3.5 | 6 | 20 | CAD | 请求报价 |
| PHE10-10NWFS-A | M10 | 1.0 | 48 | 2.5 | 8.5 | 6 | 8 | 14.5 | 62.5 | 4 | 13 | 7 | 标准 | 超高速用 | 毡环(防尘用) | 带头 | 9 | 11 | 22000 | 8 | 3 | 5 | 2 | 4 | 0.2 | 3.5 | 6 | 22 | CAD | 请求报价 |
| PHE10-10NWFK-A | M10 | 1.0 | 48 | 2.5 | 8.5 | 6 | 8 | 14.5 | 62.5 | 4 | 13 | 7 | 标准 | 超高速用 | 毡环(防尘用) | 带垫+带头 | 9 | 11 | 22000 | 8 | 3 | 5 | 2 | 4 | 0.2 | 3.5 | 6 | 22 | CAD | 请求报价 |
| PHE10-10NWAD-A | M10 | 1.0 | 48 | 2.5 | 2.5 | - | 8 | - | 56 | 4 | 13 | 7 | 标准 | 超高速用 | 刮擦器(防水用) | 没有头部 | 9 | 11 | 22000 | 8 | 3 | 5 | 2 | 4 | 0.2 | 3.5 | 6 | 20 | CAD | 请求报价 |
| PHE10-10NWAS-A | M10 | 1.0 | 48 | 2.5 | 8.5 | 6 | 8 | 14.5 | 62.5 | 4 | 13 | 7 | 标准 | 超高速用 | 刮擦器(防水用) | 带头 | 9 | 11 | 22000 | 8 | 3 | 5 | 2 | 4 | 0.2 | 3.5 | 6 | 22 | CAD | 请求报价 |
| PHE10-10NWAK-A | M10 | 1.0 | 48 | 2.5 | 8.5 | 6 | 8 | 14.5 | 62.5 | 4 | 13 | 7 | 标准 | 超高速用 | 刮擦器(防水用) | 带垫+带头 | 9 | 11 | 22000 | 8 | 3 | 5 | 2 | 4 | 0.2 | 3.5 | 6 | 22 | CAD | 请求报价 |
| PHE10-10NWBS-A | M10 | 1.0 | 42.5 | 2.5 | 14 | 6 | 8 | 24 | 66.5 | 4 | 13 | 7 | 标准 | 超高速用 | 波纹管盖 | 带头 | 9 | 11 | 22000 | 8 | 3 | 5 | 2 | 4 | 0.2 | 3.5 | 11 | 22 | CAD | 请求报价 |
| PHE10-10NWBK-A | M10 | 1.0 | 42.5 | 2.5 | 14 | 6 | 8 | 24 | 66.5 | 4 | 13 | 7 | 标准 | 超高速用 | 波纹管盖 | 带垫+带头 | 9 | 11 | 22000 | 8 | 3 | 5 | 2 | 4 | 0.2 | 3.5 | 11 | 22 | CAD | 请求报价 |
| PHE12-10NHDD-A | M12 | 1.0 | 56 | 2.5 | 3 | - | 10 | - | 66 | 5 | 15 | 8 | 标准 | 低速用 | 没有保护机构 | 没有头部 | 18 | 25 | 33000 | 10 | 0.1 | 1.2 | 3 | 7 | 0.2 | 4.5 | 7.5 | 31 | CAD | 请求报价 |
| PHE12-10NHDS-A | M12 | 1.0 | 56 | 2.5 | 10.5 | 7 | 10 | 17 | 73 | 5 | 15 | 8 | 标准 | 低速用 | 没有保护机构 | 带头 | 18 | 25 | 33000 | 10 | 0.1 | 1.2 | 3 | 7 | 0.2 | 4.5 | 7.5 | 35 | CAD | 请求报价 |
| PHE12-10NHDK-A | M12 | 1.0 | 56 | 2.5 | 10.5 | 7 | 10 | 17 | 73 | 5 | 15 | 8 | 标准 | 低速用 | 没有保护机构 | 带垫+带头 | 18 | 25 | 33000 | 10 | 0.1 | 1.2 | 3 | 7 | 0.2 | 4.5 | 7.5 | 34 | CAD | 请求报价 |
| PHE12-10NHFD-A | M12 | 1.0 | 56 | 2.5 | 3 | - | 10 | - | 66 | 5 | 15 | 8 | 标准 | 低速用 | 毡环(防尘用) | 没有头部 | 18 | 25 | 33000 | 10 | 0.1 | 1.2 | 3 | 7 | 0.2 | 4.5 | 7.5 | 31 | CAD | 请求报价 |
| PHE12-10NHFS-A | M12 | 1.0 | 56 | 2.5 | 10.5 | 7 | 10 | 17 | 73 | 5 | 15 | 8 | 标准 | 低速用 | 毡环(防尘用) | 带头 | 18 | 25 | 33000 | 10 | 0.1 | 1.2 | 3 | 7 | 0.2 | 4.5 | 7.5 | 35 | CAD | 请求报价 |
| PHE12-10NHFK-A | M12 | 1.0 | 56 | 2.5 | 10.5 | 7 | 10 | 17 | 73 | 5 | 15 | 8 | 标准 | 低速用 | 毡环(防尘用) | 带垫+带头 | 18 | 25 | 33000 | 10 | 0.1 | 1.2 | 3 | 7 | 0.2 | 4.5 | 7.5 | 34 | CAD | 请求报价 |
| PHE12-10NHAD-A | M12 | 1.0 | 56 | 2.5 | 3 | - | 10 | - | 66 | 5 | 15 | 8 | 标准 | 低速用 | 刮擦器(防水用) | 没有头部 | 18 | 25 | 33000 | 10 | 0.1 | 1.2 | 3 | 7 | 0.2 | 4.5 | 7.5 | 31 | CAD | 请求报价 |
| PHE12-10NHAS-A | M12 | 1.0 | 56 | 2.5 | 10.5 | 7 | 10 | 17 | 73 | 5 | 15 | 8 | 标准 | 低速用 | 刮擦器(防水用) | 带头 | 18 | 25 | 33000 | 10 | 0.1 | 1.2 | 3 | 7 | 0.2 | 4.5 | 7.5 | 35 | CAD | 请求报价 |
| PHE12-10NHAK-A | M12 | 1.0 | 56 | 2.5 | 10.5 | 7 | 10 | 17 | 73 | 5 | 15 | 8 | 标准 | 低速用 | 刮擦器(防水用) | 带垫+带头 | 18 | 25 | 33000 | 10 | 0.1 | 1.2 | 3 | 7 | 0.2 | 4.5 | 7.5 | 34 | CAD | 请求报价 |
| PHE12-10NHBS-A | M12 | 1.0 | 49.5 | 2.5 | 16 | 7 | 10 | 27.5 | 77 | 5 | 15 | 8 | 标准 | 低速用 | 波纹管盖 | 带头 | 18 | 25 | 33000 | 10 | 0.1 | 1.2 | 3 | 7 | 0.2 | 4.5 | 19 | 37 | CAD | 请求报价 |
| PHE12-10NHBK-A | M12 | 1.0 | 49.5 | 2.5 | 16 | 7 | 10 | 27.5 | 77 | 5 | 15 | 8 | 标准 | 低速用 | 波纹管盖 | 带垫+带头 | 18 | 25 | 33000 | 10 | 0.1 | 1.2 | 3 | 7 | 0.2 | 4.5 | 19 | 37 | CAD | 请求报价 |
| PHE12-10NMDD-A | M12 | 1.0 | 56 | 2.5 | 3 | - | 10 | - | 66 | 5 | 15 | 8 | 标准 | 中速用 | 没有保护机构 | 没有头部 | 18 | 25 | 33000 | 10 | 0.8 | 2.2 | 3 | 7 | 0.2 | 4.5 | 7.5 | 31 | CAD | 请求报价 |
| PHE12-10NMDS-A | M12 | 1.0 | 56 | 2.5 | 10.5 | 7 | 10 | 17 | 73 | 5 | 15 | 8 | 标准 | 中速用 | 没有保护机构 | 带头 | 18 | 25 | 33000 | 10 | 0.8 | 2.2 | 3 | 7 | 0.2 | 4.5 | 7.5 | 35 | CAD | 请求报价 |
| PHE12-10NMDK-A | M12 | 1.0 | 56 | 2.5 | 10.5 | 7 | 10 | 17 | 73 | 5 | 15 | 8 | 标准 | 中速用 | 没有保护机构 | 带垫+带头 | 18 | 25 | 33000 | 10 | 0.8 | 2.2 | 3 | 7 | 0.2 | 4.5 | 7.5 | 34 | CAD | 请求报价 |
| PHE12-10NMFD-A | M12 | 1.0 | 56 | 2.5 | 3 | - | 10 | - | 66 | 5 | 15 | 8 | 标准 | 中速用 | 毡环(防尘用) | 没有头部 | 18 | 25 | 33000 | 10 | 0.8 | 2.2 | 3 | 7 | 0.2 | 4.5 | 7.5 | 31 | CAD | 请求报价 |
| PHE12-10NMFS-A | M12 | 1.0 | 56 | 2.5 | 10.5 | 7 | 10 | 17 | 73 | 5 | 15 | 8 | 标准 | 中速用 | 毡环(防尘用) | 带头 | 18 | 25 | 33000 | 10 | 0.8 | 2.2 | 3 | 7 | 0.2 | 4.5 | 7.5 | 35 | CAD | 请求报价 |
| PHE12-10NMFK-A | M12 | 1.0 | 56 | 2.5 | 10.5 | 7 | 10 | 17 | 73 | 5 | 15 | 8 | 标准 | 中速用 | 毡环(防尘用) | 带垫+带头 | 18 | 25 | 33000 | 10 | 0.8 | 2.2 | 3 | 7 | 0.2 | 4.5 | 7.5 | 34 | CAD | 请求报价 |
| PHE12-10NMAD-A | M12 | 1.0 | 56 | 2.5 | 3 | - | 10 | - | 66 | 5 | 15 | 8 | 标准 | 中速用 | 刮擦器(防水用) | 没有头部 | 18 | 25 | 33000 | 10 | 0.8 | 2.2 | 3 | 7 | 0.2 | 4.5 | 7.5 | 31 | CAD | 请求报价 |
| PHE12-10NMAS-A | M12 | 1.0 | 56 | 2.5 | 10.5 | 7 | 10 | 17 | 73 | 5 | 15 | 8 | 标准 | 中速用 | 刮擦器(防水用) | 带头 | 18 | 25 | 33000 | 10 | 0.8 | 2.2 | 3 | 7 | 0.2 | 4.5 | 7.5 | 35 | CAD | 请求报价 |
| PHE12-10NMAK-A | M12 | 1.0 | 56 | 2.5 | 10.5 | 7 | 10 | 17 | 73 | 5 | 15 | 8 | 标准 | 中速用 | 刮擦器(防水用) | 带垫+带头 | 18 | 25 | 33000 | 10 | 0.8 | 2.2 | 3 | 7 | 0.2 | 4.5 | 7.5 | 34 | CAD | 请求报价 |
| PHE12-10NMBS-A | M12 | 1.0 | 49.5 | 2.5 | 16 | 7 | 10 | 27.5 | 77 | 5 | 15 | 8 | 标准 | 中速用 | 波纹管盖 | 带头 | 18 | 25 | 33000 | 10 | 0.8 | 2.2 | 3 | 7 | 0.2 | 4.5 | 19 | 37 | CAD | 请求报价 |
| PHE12-10NMBK-A | M12 | 1.0 | 49.5 | 2.5 | 16 | 7 | 10 | 27.5 | 77 | 5 | 15 | 8 | 标准 | 中速用 | 波纹管盖 | 带垫+带头 | 18 | 25 | 33000 | 10 | 0.8 | 2.2 | 3 | 7 | 0.2 | 4.5 | 19 | 37 | CAD | 请求报价 |
| PHE12-10NSDD-A | M12 | 1.0 | 56 | 2.5 | 3 | - | 10 | - | 66 | 5 | 15 | 8 | 标准 | 高速用 | 没有保护机构 | 没有头部 | 16 | 21 | 33000 | 10 | 1.8 | 3.5 | 3 | 7 | 0.2 | 4.5 | 7.5 | 31 | CAD | 请求报价 |
| PHE12-10NSDS-A | M12 | 1.0 | 56 | 2.5 | 10.5 | 7 | 10 | 17 | 73 | 5 | 15 | 8 | 标准 | 高速用 | 没有保护机构 | 带头 | 16 | 21 | 33000 | 10 | 1.8 | 3.5 | 3 | 7 | 0.2 | 4.5 | 7.5 | 35 | CAD | 请求报价 |
| PHE12-10NSDK-A | M12 | 1.0 | 56 | 2.5 | 10.5 | 7 | 10 | 17 | 73 | 5 | 15 | 8 | 标准 | 高速用 | 没有保护机构 | 带垫+带头 | 16 | 21 | 33000 | 10 | 1.8 | 3.5 | 3 | 7 | 0.2 | 4.5 | 7.5 | 34 | CAD | 请求报价 |
| PHE12-10NSFD-A | M12 | 1.0 | 56 | 2.5 | 3 | - | 10 | - | 66 | 5 | 15 | 8 | 标准 | 高速用 | 毡环(防尘用) | 没有头部 | 16 | 21 | 33000 | 10 | 1.8 | 3.5 | 3 | 7 | 0.2 | 4.5 | 7.5 | 31 | CAD | 请求报价 |
| PHE12-10NSFS-A | M12 | 1.0 | 56 | 2.5 | 10.5 | 7 | 10 | 17 | 73 | 5 | 15 | 8 | 标准 | 高速用 | 毡环(防尘用) | 带头 | 16 | 21 | 33000 | 10 | 1.8 | 3.5 | 3 | 7 | 0.2 | 4.5 | 7.5 | 35 | CAD | 请求报价 |
| PHE12-10NSFK-A | M12 | 1.0 | 56 | 2.5 | 10.5 | 7 | 10 | 17 | 73 | 5 | 15 | 8 | 标准 | 高速用 | 毡环(防尘用) | 带垫+带头 | 16 | 21 | 33000 | 10 | 1.8 | 3.5 | 3 | 7 | 0.2 | 4.5 | 7.5 | 34 | CAD | 请求报价 |
| PHE12-10NSAD-A | M12 | 1.0 | 56 | 2.5 | 3 | - | 10 | - | 66 | 5 | 15 | 8 | 标准 | 高速用 | 刮擦器(防水用) | 没有头部 | 16 | 21 | 33000 | 10 | 1.8 | 3.5 | 3 | 7 | 0.2 | 4.5 | 7.5 | 31 | CAD | 请求报价 |
| PHE12-10NSAS-A | M12 | 1.0 | 56 | 2.5 | 10.5 | 7 | 10 | 17 | 73 | 5 | 15 | 8 | 标准 | 高速用 | 刮擦器(防水用) | 带头 | 16 | 21 | 33000 | 10 | 1.8 | 3.5 | 3 | 7 | 0.2 | 4.5 | 7.5 | 35 | CAD | 请求报价 |
| PHE12-10NSAK-A | M12 | 1.0 | 56 | 2.5 | 10.5 | 7 | 10 | 17 | 73 | 5 | 15 | 8 | 标准 | 高速用 | 刮擦器(防水用) | 带垫+带头 | 16 | 21 | 33000 | 10 | 1.8 | 3.5 | 3 | 7 | 0.2 | 4.5 | 7.5 | 34 | CAD | 请求报价 |
| PHE12-10NSBS-A | M12 | 1.0 | 49.5 | 2.5 | 16 | 7 | 10 | 27.5 | 77 | 5 | 15 | 8 | 标准 | 高速用 | 波纹管盖 | 带头 | 16 | 21 | 33000 | 10 | 1.8 | 3.5 | 3 | 7 | 0.2 | 4.5 | 19 | 37 | CAD | 请求报价 |
| PHE12-10NSBK-A | M12 | 1.0 | 49.5 | 2.5 | 16 | 7 | 10 | 27.5 | 77 | 5 | 15 | 8 | 标准 | 高速用 | 波纹管盖 | 带垫+带头 | 16 | 21 | 33000 | 10 | 1.8 | 3.5 | 3 | 7 | 0.2 | 4.5 | 19 | 37 | CAD | 请求报价 |
| PHE12-10NWDD-A | M12 | 1.0 | 56 | 2.5 | 3 | - | 10 | - | 66 | 5 | 15 | 8 | 标准 | 超高速用 | 没有保护机构 | 没有头部 | 16 | 21 | 33000 | 10 | 3 | 5 | 3 | 7 | 0.2 | 4.5 | 7.5 | 31 | CAD | 请求报价 |
| PHE12-10NWDS-A | M12 | 1.0 | 56 | 2.5 | 10.5 | 7 | 10 | 17 | 73 | 5 | 15 | 8 | 标准 | 超高速用 | 没有保护机构 | 带头 | 16 | 21 | 33000 | 10 | 3 | 5 | 3 | 7 | 0.2 | 4.5 | 7.5 | 35 | CAD | 请求报价 |
| PHE12-10NWDK-A | M12 | 1.0 | 56 | 2.5 | 10.5 | 7 | 10 | 17 | 73 | 5 | 15 | 8 | 标准 | 超高速用 | 没有保护机构 | 带垫+带头 | 16 | 21 | 33000 | 10 | 3 | 5 | 3 | 7 | 0.2 | 4.5 | 7.5 | 34 | CAD | 请求报价 |
| PHE12-10NWFD-A | M12 | 1.0 | 56 | 2.5 | 3 | - | 10 | - | 66 | 5 | 15 | 8 | 标准 | 超高速用 | 毡环(防尘用) | 没有头部 | 16 | 21 | 33000 | 10 | 3 | 5 | 3 | 7 | 0.2 | 4.5 | 7.5 | 31 | CAD | 请求报价 |
| PHE12-10NWFS-A | M12 | 1.0 | 56 | 2.5 | 10.5 | 7 | 10 | 17 | 73 | 5 | 15 | 8 | 标准 | 超高速用 | 毡环(防尘用) | 带头 | 16 | 21 | 33000 | 10 | 3 | 5 | 3 | 7 | 0.2 | 4.5 | 7.5 | 35 | CAD | 请求报价 |
| PHE12-10NWFK-A | M12 | 1.0 | 56 | 2.5 | 10.5 | 7 | 10 | 17 | 73 | 5 | 15 | 8 | 标准 | 超高速用 | 毡环(防尘用) | 带垫+带头 | 16 | 21 | 33000 | 10 | 3 | 5 | 3 | 7 | 0.2 | 4.5 | 7.5 | 34 | CAD | 请求报价 |
| PHE12-10NWAD-A | M12 | 1.0 | 56 | 2.5 | 3 | - | 10 | - | 66 | 5 | 15 | 8 | 标准 | 超高速用 | 刮擦器(防水用) | 没有头部 | 16 | 21 | 33000 | 10 | 3 | 5 | 3 | 7 | 0.2 | 4.5 | 7.5 | 31 | CAD | 请求报价 |
| PHE12-10NWAS-A | M12 | 1.0 | 56 | 2.5 | 10.5 | 7 | 10 | 17 | 73 | 5 | 15 | 8 | 标准 | 超高速用 | 刮擦器(防水用) | 带头 | 16 | 21 | 33000 | 10 | 3 | 5 | 3 | 7 | 0.2 | 4.5 | 7.5 | 35 | CAD | 请求报价 |
| PHE12-10NWAK-A | M12 | 1.0 | 56 | 2.5 | 10.5 | 7 | 10 | 17 | 73 | 5 | 15 | 8 | 标准 | 超高速用 | 刮擦器(防水用) | 带垫+带头 | 16 | 21 | 33000 | 10 | 3 | 5 | 3 | 7 | 0.2 | 4.5 | 7.5 | 34 | CAD | 请求报价 |
| PHE12-10NWBS-A | M12 | 1.0 | 49.5 | 2.5 | 16 | 7 | 10 | 27.5 | 77 | 5 | 15 | 8 | 标准 | 超高速用 | 波纹管盖 | 带头 | 16 | 21 | 33000 | 10 | 3 | 5 | 3 | 7 | 0.2 | 4.5 | 19 | 37 | CAD | 请求报价 |
| PHE12-10NWBK-A | M12 | 1.0 | 49.5 | 2.5 | 16 | 7 | 10 | 27.5 | 77 | 5 | 15 | 8 | 标准 | 超高速用 | 波纹管盖 | 带垫+带头 | 16 | 21 | 33000 | 10 | 3 | 5 | 3 | 7 | 0.2 | 4.5 | 19 | 37 | CAD | 请求报价 |
| PHE14-10NHDD-A | M14 | 1.0 | 63 | 3 | 4 | - | 12 | - | 75 | 6 | 17 | 10 | 标准 | 低速用 | 没有保护机构 | 没有头部 | 34 | 42 | 50000 | 12 | 0.1 | 1.2 | 3.5 | 20 | 0.3 | 7 | 11 | 53 | CAD | 请求报价 |
| PHE14-10NHDS-A | M14 | 1.0 | 63 | 3 | 12 | 8.5 | 12 | 21 | 84 | 6 | 17 | 10 | 标准 | 低速用 | 没有保护机构 | 带头 | 34 | 42 | 50000 | 12 | 0.1 | 1.2 | 3.5 | 20 | 0.3 | 7 | 11 | 60 | CAD | 请求报价 |
| PHE14-10NHDK-A | M14 | 1.0 | 63 | 3 | 12 | 8.5 | 12 | 21 | 84 | 6 | 17 | 10 | 标准 | 低速用 | 没有保护机构 | 带垫+带头 | 34 | 42 | 50000 | 12 | 0.1 | 1.2 | 3.5 | 20 | 0.3 | 7 | 11 | 59 | CAD | 请求报价 |
| PHE14-10NHFD-A | M14 | 1.0 | 63 | 3 | 4 | - | 12 | - | 75 | 6 | 17 | 10 | 标准 | 低速用 | 毡环(防尘用) | 没有头部 | 34 | 42 | 50000 | 12 | 0.1 | 1.2 | 3.5 | 20 | 0.3 | 7 | 11 | 53 | CAD | 请求报价 |
| PHE14-10NHFS-A | M14 | 1.0 | 63 | 3 | 12 | 8.5 | 12 | 21 | 84 | 6 | 17 | 10 | 标准 | 低速用 | 毡环(防尘用) | 带头 | 34 | 42 | 50000 | 12 | 0.1 | 1.2 | 3.5 | 20 | 0.3 | 7 | 11 | 60 | CAD | 请求报价 |
| PHE14-10NHFK-A | M14 | 1.0 | 63 | 3 | 12 | 8.5 | 12 | 21 | 84 | 6 | 17 | 10 | 标准 | 低速用 | 毡环(防尘用) | 带垫+带头 | 34 | 42 | 50000 | 12 | 0.1 | 1.2 | 3.5 | 20 | 0.3 | 7 | 11 | 59 | CAD | 请求报价 |
| PHE14-10NHAD-A | M14 | 1.0 | 63 | 3 | 4 | - | 12 | - | 75 | 6 | 17 | 10 | 标准 | 低速用 | 刮擦器(防水用) | 没有头部 | 34 | 42 | 50000 | 12 | 0.1 | 1.2 | 3.5 | 20 | 0.3 | 7 | 11 | 53 | CAD | 请求报价 |
| PHE14-10NHAS-A | M14 | 1.0 | 63 | 3 | 12 | 8.5 | 12 | 21 | 84 | 6 | 17 | 10 | 标准 | 低速用 | 刮擦器(防水用) | 带头 | 34 | 42 | 50000 | 12 | 0.1 | 1.2 | 3.5 | 20 | 0.3 | 7 | 11 | 60 | CAD | 请求报价 |
| PHE14-10NHAK-A | M14 | 1.0 | 63 | 3 | 12 | 8.5 | 12 | 21 | 84 | 6 | 17 | 10 | 标准 | 低速用 | 刮擦器(防水用) | 带垫+带头 | 34 | 42 | 50000 | 12 | 0.1 | 1.2 | 3.5 | 20 | 0.3 | 7 | 11 | 59 | CAD | 请求报价 |
| PHE14-10NHBS-A | M14 | 1.0 | 55 | 3 | 19 | 8.5 | 12 | 35.5 | 90.5 | 6 | 17 | 10 | 标准 | 低速用 | 波纹管盖 | 带头 | 34 | 42 | 50000 | 12 | 0.1 | 1.2 | 3.5 | 20 | 0.3 | 7 | 20 | 64 | CAD | 请求报价 |
| PHE14-10NHBK-A | M14 | 1.0 | 55 | 3 | 19 | 8.5 | 12 | 35.5 | 90.5 | 6 | 17 | 10 | 标准 | 低速用 | 波纹管盖 | 带垫+带头 | 34 | 42 | 50000 | 12 | 0.1 | 1.2 | 3.5 | 20 | 0.3 | 7 | 20 | 63 | CAD | 请求报价 |
| PHE14-10NMDD-A | M14 | 1.0 | 63 | 3 | 4 | - | 12 | - | 75 | 6 | 17 | 10 | 标准 | 中速用 | 没有保护机构 | 没有头部 | 32 | 38 | 50000 | 12 | 0.8 | 2.2 | 3.5 | 20 | 0.3 | 7 | 11 | 53 | CAD | 请求报价 |
| PHE14-10NMDS-A | M14 | 1.0 | 63 | 3 | 12 | 8.5 | 12 | 21 | 84 | 6 | 17 | 10 | 标准 | 中速用 | 没有保护机构 | 带头 | 32 | 38 | 50000 | 12 | 0.8 | 2.2 | 3.5 | 20 | 0.3 | 7 | 11 | 60 | CAD | 请求报价 |
| PHE14-10NMDK-A | M14 | 1.0 | 63 | 3 | 12 | 8.5 | 12 | 21 | 84 | 6 | 17 | 10 | 标准 | 中速用 | 没有保护机构 | 带垫+带头 | 32 | 38 | 50000 | 12 | 0.8 | 2.2 | 3.5 | 20 | 0.3 | 7 | 11 | 59 | CAD | 请求报价 |
| PHE14-10NMFD-A | M14 | 1.0 | 63 | 3 | 4 | - | 12 | - | 75 | 6 | 17 | 10 | 标准 | 中速用 | 毡环(防尘用) | 没有头部 | 32 | 38 | 50000 | 12 | 0.8 | 2.2 | 3.5 | 20 | 0.3 | 7 | 11 | 53 | CAD | 请求报价 |
| PHE14-10NMFS-A | M14 | 1.0 | 63 | 3 | 12 | 8.5 | 12 | 21 | 84 | 6 | 17 | 10 | 标准 | 中速用 | 毡环(防尘用) | 带头 | 32 | 38 | 50000 | 12 | 0.8 | 2.2 | 3.5 | 20 | 0.3 | 7 | 11 | 60 | CAD | 请求报价 |
| PHE14-10NMFK-A | M14 | 1.0 | 63 | 3 | 12 | 8.5 | 12 | 21 | 84 | 6 | 17 | 10 | 标准 | 中速用 | 毡环(防尘用) | 带垫+带头 | 32 | 38 | 50000 | 12 | 0.8 | 2.2 | 3.5 | 20 | 0.3 | 7 | 11 | 59 | CAD | 请求报价 |
| PHE14-10NMAD-A | M14 | 1.0 | 63 | 3 | 4 | - | 12 | - | 75 | 6 | 17 | 10 | 标准 | 中速用 | 刮擦器(防水用) | 没有头部 | 32 | 38 | 50000 | 12 | 0.8 | 2.2 | 3.5 | 20 | 0.3 | 7 | 11 | 53 | CAD | 请求报价 |
| PHE14-10NMAS-A | M14 | 1.0 | 63 | 3 | 12 | 8.5 | 12 | 21 | 84 | 6 | 17 | 10 | 标准 | 中速用 | 刮擦器(防水用) | 带头 | 32 | 38 | 50000 | 12 | 0.8 | 2.2 | 3.5 | 20 | 0.3 | 7 | 11 | 60 | CAD | 请求报价 |
| PHE14-10NMAK-A | M14 | 1.0 | 63 | 3 | 12 | 8.5 | 12 | 21 | 84 | 6 | 17 | 10 | 标准 | 中速用 | 刮擦器(防水用) | 带垫+带头 | 32 | 38 | 50000 | 12 | 0.8 | 2.2 | 3.5 | 20 | 0.3 | 7 | 11 | 59 | CAD | 请求报价 |
| PHE14-10NMBS-A | M14 | 1.0 | 55 | 3 | 19 | 8.5 | 12 | 35.5 | 90.5 | 6 | 17 | 10 | 标准 | 中速用 | 波纹管盖 | 带头 | 32 | 38 | 50000 | 12 | 0.8 | 2.2 | 3.5 | 20 | 0.3 | 7 | 20 | 64 | CAD | 请求报价 |
| PHE14-10NMBK-A | M14 | 1.0 | 55 | 3 | 19 | 8.5 | 12 | 35.5 | 90.5 | 6 | 17 | 10 | 标准 | 中速用 | 波纹管盖 | 带垫+带头 | 32 | 38 | 50000 | 12 | 0.8 | 2.2 | 3.5 | 20 | 0.3 | 7 | 20 | 63 | CAD | 请求报价 |
| PHE14-10NSDD-A | M14 | 1.0 | 63 | 3 | 4 | - | 12 | - | 75 | 6 | 17 | 10 | 标准 | 高速用 | 没有保护机构 | 没有头部 | 30 | 34 | 50000 | 12 | 1.8 | 3.5 | 3.5 | 20 | 0.3 | 7 | 11 | 53 | CAD | 请求报价 |
| PHE14-10NSDS-A | M14 | 1.0 | 63 | 3 | 12 | 8.5 | 12 | 21 | 84 | 6 | 17 | 10 | 标准 | 高速用 | 没有保护机构 | 带头 | 30 | 34 | 50000 | 12 | 1.8 | 3.5 | 3.5 | 20 | 0.3 | 7 | 11 | 60 | CAD | 请求报价 |
| PHE14-10NSDK-A | M14 | 1.0 | 63 | 3 | 12 | 8.5 | 12 | 21 | 84 | 6 | 17 | 10 | 标准 | 高速用 | 没有保护机构 | 带垫+带头 | 30 | 34 | 50000 | 12 | 1.8 | 3.5 | 3.5 | 20 | 0.3 | 7 | 11 | 59 | CAD | 请求报价 |
| PHE14-10NSFD-A | M14 | 1.0 | 63 | 3 | 4 | - | 12 | - | 75 | 6 | 17 | 10 | 标准 | 高速用 | 毡环(防尘用) | 没有头部 | 30 | 34 | 50000 | 12 | 1.8 | 3.5 | 3.5 | 20 | 0.3 | 7 | 11 | 53 | CAD | 请求报价 |
| PHE14-10NSFS-A | M14 | 1.0 | 63 | 3 | 12 | 8.5 | 12 | 21 | 84 | 6 | 17 | 10 | 标准 | 高速用 | 毡环(防尘用) | 带头 | 30 | 34 | 50000 | 12 | 1.8 | 3.5 | 3.5 | 20 | 0.3 | 7 | 11 | 60 | CAD | 请求报价 |
| PHE14-10NSFK-A | M14 | 1.0 | 63 | 3 | 12 | 8.5 | 12 | 21 | 84 | 6 | 17 | 10 | 标准 | 高速用 | 毡环(防尘用) | 带垫+带头 | 30 | 34 | 50000 | 12 | 1.8 | 3.5 | 3.5 | 20 | 0.3 | 7 | 11 | 59 | CAD | 请求报价 |
| PHE14-10NSAD-A | M14 | 1.0 | 63 | 3 | 4 | - | 12 | - | 75 | 6 | 17 | 10 | 标准 | 高速用 | 刮擦器(防水用) | 没有头部 | 30 | 34 | 50000 | 12 | 1.8 | 3.5 | 3.5 | 20 | 0.3 | 7 | 11 | 53 | CAD | 请求报价 |
| PHE14-10NSAS-A | M14 | 1.0 | 63 | 3 | 12 | 8.5 | 12 | 21 | 84 | 6 | 17 | 10 | 标准 | 高速用 | 刮擦器(防水用) | 带头 | 30 | 34 | 50000 | 12 | 1.8 | 3.5 | 3.5 | 20 | 0.3 | 7 | 11 | 60 | CAD | 请求报价 |
| PHE14-10NSAK-A | M14 | 1.0 | 63 | 3 | 12 | 8.5 | 12 | 21 | 84 | 6 | 17 | 10 | 标准 | 高速用 | 刮擦器(防水用) | 带垫+带头 | 30 | 34 | 50000 | 12 | 1.8 | 3.5 | 3.5 | 20 | 0.3 | 7 | 11 | 59 | CAD | 请求报价 |
| PHE14-10NSBS-A | M14 | 1.0 | 55 | 3 | 19 | 8.5 | 12 | 35.5 | 90.5 | 6 | 17 | 10 | 标准 | 高速用 | 波纹管盖 | 带头 | 30 | 34 | 50000 | 12 | 1.8 | 3.5 | 3.5 | 20 | 0.3 | 7 | 20 | 64 | CAD | 请求报价 |
| PHE14-10NSBK-A | M14 | 1.0 | 55 | 3 | 19 | 8.5 | 12 | 35.5 | 90.5 | 6 | 17 | 10 | 标准 | 高速用 | 波纹管盖 | 带垫+带头 | 30 | 34 | 50000 | 12 | 1.8 | 3.5 | 3.5 | 20 | 0.3 | 7 | 20 | 63 | CAD | 请求报价 |
| PHE14-10NWDD-A | M14 | 1.0 | 63 | 3 | 4 | - | 12 | - | 75 | 6 | 17 | 10 | 标准 | 超高速用 | 没有保护机构 | 没有头部 | 28 | 30 | 50000 | 12 | 3 | 5 | 3.5 | 20 | 0.3 | 7 | 11 | 53 | CAD | 请求报价 |
| PHE14-10NWDS-A | M14 | 1.0 | 63 | 3 | 12 | 8.5 | 12 | 21 | 84 | 6 | 17 | 10 | 标准 | 超高速用 | 没有保护机构 | 带头 | 28 | 30 | 50000 | 12 | 3 | 5 | 3.5 | 20 | 0.3 | 7 | 11 | 60 | CAD | 请求报价 |
| PHE14-10NWDK-A | M14 | 1.0 | 63 | 3 | 12 | 8.5 | 12 | 21 | 84 | 6 | 17 | 10 | 标准 | 超高速用 | 没有保护机构 | 带垫+带头 | 28 | 30 | 50000 | 12 | 3 | 5 | 3.5 | 20 | 0.3 | 7 | 11 | 59 | CAD | 请求报价 |
| PHE14-10NWFD-A | M14 | 1.0 | 63 | 3 | 4 | - | 12 | - | 75 | 6 | 17 | 10 | 标准 | 超高速用 | 毡环(防尘用) | 没有头部 | 28 | 30 | 50000 | 12 | 3 | 5 | 3.5 | 20 | 0.3 | 7 | 11 | 53 | CAD | 请求报价 |
| PHE14-10NWFS-A | M14 | 1.0 | 63 | 3 | 12 | 8.5 | 12 | 21 | 84 | 6 | 17 | 10 | 标准 | 超高速用 | 毡环(防尘用) | 带头 | 28 | 30 | 50000 | 12 | 3 | 5 | 3.5 | 20 | 0.3 | 7 | 11 | 60 | CAD | 请求报价 |
| PHE14-10NWFK-A | M14 | 1.0 | 63 | 3 | 12 | 8.5 | 12 | 21 | 84 | 6 | 17 | 10 | 标准 | 超高速用 | 毡环(防尘用) | 带垫+带头 | 28 | 30 | 50000 | 12 | 3 | 5 | 3.5 | 20 | 0.3 | 7 | 11 | 59 | CAD | 请求报价 |
| PHE14-10NWAD-A | M14 | 1.0 | 63 | 3 | 4 | - | 12 | - | 75 | 6 | 17 | 10 | 标准 | 超高速用 | 刮擦器(防水用) | 没有头部 | 28 | 30 | 50000 | 12 | 3 | 5 | 3.5 | 20 | 0.3 | 7 | 11 | 53 | CAD | 请求报价 |
| PHE14-10NWAS-A | M14 | 1.0 | 63 | 3 | 12 | 8.5 | 12 | 21 | 84 | 6 | 17 | 10 | 标准 | 超高速用 | 刮擦器(防水用) | 带头 | 28 | 30 | 50000 | 12 | 3 | 5 | 3.5 | 20 | 0.3 | 7 | 11 | 60 | CAD | 请求报价 |
| PHE14-10NWAK-A | M14 | 1.0 | 63 | 3 | 12 | 8.5 | 12 | 21 | 84 | 6 | 17 | 10 | 标准 | 超高速用 | 刮擦器(防水用) | 带垫+带头 | 28 | 30 | 50000 | 12 | 3 | 5 | 3.5 | 20 | 0.3 | 7 | 11 | 59 | CAD | 请求报价 |
| PHE14-10NWBS-A | M14 | 1.0 | 55 | 3 | 19 | 8.5 | 12 | 35.5 | 90.5 | 6 | 17 | 10 | 标准 | 超高速用 | 波纹管盖 | 带头 | 28 | 30 | 50000 | 12 | 3 | 5 | 3.5 | 20 | 0.3 | 7 | 20 | 64 | CAD | 请求报价 |
| PHE14-10NWBK-A | M14 | 1.0 | 55 | 3 | 19 | 8.5 | 12 | 35.5 | 90.5 | 6 | 17 | 10 | 标准 | 超高速用 | 波纹管盖 | 带垫+带头 | 28 | 30 | 50000 | 12 | 3 | 5 | 3.5 | 20 | 0.3 | 7 | 20 | 63 | CAD | 请求报价 |
| PHE14-10LHDD-A | M14 | 1.0 | 82 | 3 | 4 | - | 20 | - | 102 | 6 | 17 | 10 | 加长型 | 低速用 | 没有保护机构 | 没有头部 | 34 | 42 | 50000 | 20 | 0.1 | 1.2 | 3.5 | 20 | 0.4 | 7 | 11 | 69 | CAD | 请求报价 |
| PHE14-10LHDS-A | M14 | 1.0 | 82 | 3 | 12 | 8.5 | 20 | 29 | 111 | 6 | 17 | 10 | 加长型 | 低速用 | 没有保护机构 | 带头 | 34 | 42 | 50000 | 20 | 0.1 | 1.2 | 3.5 | 20 | 0.4 | 7 | 11 | 76 | CAD | 请求报价 |
| PHE14-10LHDK-A | M14 | 1.0 | 82 | 3 | 12 | 8.5 | 20 | 29 | 111 | 6 | 17 | 10 | 加长型 | 低速用 | 没有保护机构 | 带垫+带头 | 34 | 42 | 50000 | 20 | 0.1 | 1.2 | 3.5 | 20 | 0.4 | 7 | 11 | 75 | CAD | 请求报价 |
| PHE14-10LHFD-A | M14 | 1.0 | 82 | 3 | 4 | - | 20 | - | 102 | 6 | 17 | 10 | 加长型 | 低速用 | 毡环(防尘用) | 没有头部 | 34 | 42 | 50000 | 20 | 0.1 | 1.2 | 3.5 | 20 | 0.4 | 7 | 11 | 69 | CAD | 请求报价 |
| PHE14-10LHFS-A | M14 | 1.0 | 82 | 3 | 12 | 8.5 | 20 | 29 | 111 | 6 | 17 | 10 | 加长型 | 低速用 | 毡环(防尘用) | 带头 | 34 | 42 | 50000 | 20 | 0.1 | 1.2 | 3.5 | 20 | 0.4 | 7 | 11 | 76 | CAD | 请求报价 |
| PHE14-10LHFK-A | M14 | 1.0 | 82 | 3 | 12 | 8.5 | 20 | 29 | 111 | 6 | 17 | 10 | 加长型 | 低速用 | 毡环(防尘用) | 带垫+带头 | 34 | 42 | 50000 | 20 | 0.1 | 1.2 | 3.5 | 20 | 0.4 | 7 | 11 | 75 | CAD | 请求报价 |
| PHE14-10LHAD-A | M14 | 1.0 | 82 | 3 | 4 | - | 20 | - | 102 | 6 | 17 | 10 | 加长型 | 低速用 | 刮擦器(防水用) | 没有头部 | 34 | 42 | 50000 | 20 | 0.1 | 1.2 | 3.5 | 20 | 0.4 | 7 | 11 | 69 | CAD | 请求报价 |
| PHE14-10LHAS-A | M14 | 1.0 | 82 | 3 | 12 | 8.5 | 20 | 29 | 111 | 6 | 17 | 10 | 加长型 | 低速用 | 刮擦器(防水用) | 带头 | 34 | 42 | 50000 | 20 | 0.1 | 1.2 | 3.5 | 20 | 0.4 | 7 | 11 | 76 | CAD | 请求报价 |
| PHE14-10LHAK-A | M14 | 1.0 | 82 | 3 | 12 | 8.5 | 20 | 29 | 111 | 6 | 17 | 10 | 加长型 | 低速用 | 刮擦器(防水用) | 带垫+带头 | 34 | 42 | 50000 | 20 | 0.1 | 1.2 | 3.5 | 20 | 0.4 | 7 | 11 | 75 | CAD | 请求报价 |
| PHE14-10LMDD-A | M14 | 1.0 | 82 | 3 | 4 | - | 20 | - | 102 | 6 | 17 | 10 | 加长型 | 中速用 | 没有保护机构 | 没有头部 | 32 | 38 | 50000 | 20 | 0.8 | 2.2 | 3.5 | 20 | 0.4 | 7 | 11 | 69 | CAD | 请求报价 |
| PHE14-10LMDS-A | M14 | 1.0 | 82 | 3 | 12 | 8.5 | 20 | 29 | 111 | 6 | 17 | 10 | 加长型 | 中速用 | 没有保护机构 | 带头 | 32 | 38 | 50000 | 20 | 0.8 | 2.2 | 3.5 | 20 | 0.4 | 7 | 11 | 76 | CAD | 请求报价 |
| PHE14-10LMDK-A | M14 | 1.0 | 82 | 3 | 12 | 8.5 | 20 | 29 | 111 | 6 | 17 | 10 | 加长型 | 中速用 | 没有保护机构 | 带垫+带头 | 32 | 38 | 50000 | 20 | 0.8 | 2.2 | 3.5 | 20 | 0.4 | 7 | 11 | 75 | CAD | 请求报价 |
| PHE14-10LMFD-A | M14 | 1.0 | 82 | 3 | 4 | - | 20 | - | 102 | 6 | 17 | 10 | 加长型 | 中速用 | 毡环(防尘用) | 没有头部 | 32 | 38 | 50000 | 20 | 0.8 | 2.2 | 3.5 | 20 | 0.4 | 7 | 11 | 69 | CAD | 请求报价 |
| PHE14-10LMFS-A | M14 | 1.0 | 82 | 3 | 12 | 8.5 | 20 | 29 | 111 | 6 | 17 | 10 | 加长型 | 中速用 | 毡环(防尘用) | 带头 | 32 | 38 | 50000 | 20 | 0.8 | 2.2 | 3.5 | 20 | 0.4 | 7 | 11 | 76 | CAD | 请求报价 |
| PHE14-10LMFK-A | M14 | 1.0 | 82 | 3 | 12 | 8.5 | 20 | 29 | 111 | 6 | 17 | 10 | 加长型 | 中速用 | 毡环(防尘用) | 带垫+带头 | 32 | 38 | 50000 | 20 | 0.8 | 2.2 | 3.5 | 20 | 0.4 | 7 | 11 | 75 | CAD | 请求报价 |
| PHE14-10LMAD-A | M14 | 1.0 | 82 | 3 | 4 | - | 20 | - | 102 | 6 | 17 | 10 | 加长型 | 中速用 | 刮擦器(防水用) | 没有头部 | 32 | 38 | 50000 | 20 | 0.8 | 2.2 | 3.5 | 20 | 0.4 | 7 | 11 | 69 | CAD | 请求报价 |
| PHE14-10LMAS-A | M14 | 1.0 | 82 | 3 | 12 | 8.5 | 20 | 29 | 111 | 6 | 17 | 10 | 加长型 | 中速用 | 刮擦器(防水用) | 带头 | 32 | 38 | 50000 | 20 | 0.8 | 2.2 | 3.5 | 20 | 0.4 | 7 | 11 | 76 | CAD | 请求报价 |
| PHE14-10LMAK-A | M14 | 1.0 | 82 | 3 | 12 | 8.5 | 20 | 29 | 111 | 6 | 17 | 10 | 加长型 | 中速用 | 刮擦器(防水用) | 带垫+带头 | 32 | 38 | 50000 | 20 | 0.8 | 2.2 | 3.5 | 20 | 0.4 | 7 | 11 | 75 | CAD | 请求报价 |
| PHE14-10LSDD-A | M14 | 1.0 | 82 | 3 | 4 | - | 20 | - | 102 | 6 | 17 | 10 | 加长型 | 高速用 | 没有保护机构 | 没有头部 | 30 | 34 | 50000 | 20 | 1.8 | 3.5 | 3.5 | 20 | 0.4 | 7 | 11 | 69 | CAD | 请求报价 |
| PHE14-10LSDS-A | M14 | 1.0 | 82 | 3 | 12 | 8.5 | 20 | 29 | 111 | 6 | 17 | 10 | 加长型 | 高速用 | 没有保护机构 | 带头 | 30 | 34 | 50000 | 20 | 1.8 | 3.5 | 3.5 | 20 | 0.4 | 7 | 11 | 76 | CAD | 请求报价 |
| PHE14-10LSDK-A | M14 | 1.0 | 82 | 3 | 12 | 8.5 | 20 | 29 | 111 | 6 | 17 | 10 | 加长型 | 高速用 | 没有保护机构 | 带垫+带头 | 30 | 34 | 50000 | 20 | 1.8 | 3.5 | 3.5 | 20 | 0.4 | 7 | 11 | 75 | CAD | 请求报价 |
| PHE14-10LSFD-A | M14 | 1.0 | 82 | 3 | 4 | - | 20 | - | 102 | 6 | 17 | 10 | 加长型 | 高速用 | 毡环(防尘用) | 没有头部 | 30 | 34 | 50000 | 20 | 1.8 | 3.5 | 3.5 | 20 | 0.4 | 7 | 11 | 69 | CAD | 请求报价 |
| PHE14-10LSFS-A | M14 | 1.0 | 82 | 3 | 12 | 8.5 | 20 | 29 | 111 | 6 | 17 | 10 | 加长型 | 高速用 | 毡环(防尘用) | 带头 | 30 | 34 | 50000 | 20 | 1.8 | 3.5 | 3.5 | 20 | 0.4 | 7 | 11 | 76 | CAD | 请求报价 |
| PHE14-10LSFK-A | M14 | 1.0 | 82 | 3 | 12 | 8.5 | 20 | 29 | 111 | 6 | 17 | 10 | 加长型 | 高速用 | 毡环(防尘用) | 带垫+带头 | 30 | 34 | 50000 | 20 | 1.8 | 3.5 | 3.5 | 20 | 0.4 | 7 | 11 | 75 | CAD | 请求报价 |
| PHE14-10LSAD-A | M14 | 1.0 | 82 | 3 | 4 | - | 20 | - | 102 | 6 | 17 | 10 | 加长型 | 高速用 | 刮擦器(防水用) | 没有头部 | 30 | 34 | 50000 | 20 | 1.8 | 3.5 | 3.5 | 20 | 0.4 | 7 | 11 | 69 | CAD | 请求报价 |
| PHE14-10LSAS-A | M14 | 1.0 | 82 | 3 | 12 | 8.5 | 20 | 29 | 111 | 6 | 17 | 10 | 加长型 | 高速用 | 刮擦器(防水用) | 带头 | 30 | 34 | 50000 | 20 | 1.8 | 3.5 | 3.5 | 20 | 0.4 | 7 | 11 | 76 | CAD | 请求报价 |
| PHE14-10LSAK-A | M14 | 1.0 | 82 | 3 | 12 | 8.5 | 20 | 29 | 111 | 6 | 17 | 10 | 加长型 | 高速用 | 刮擦器(防水用) | 带垫+带头 | 30 | 34 | 50000 | 20 | 1.8 | 3.5 | 3.5 | 20 | 0.4 | 7 | 11 | 75 | CAD | 请求报价 |
| PHE14-10LWDD-A | M14 | 1.0 | 82 | 3 | 4 | - | 20 | - | 102 | 6 | 17 | 10 | 加长型 | 超高速用 | 没有保护机构 | 没有头部 | 28 | 30 | 50000 | 20 | 3 | 5 | 3.5 | 20 | 0.4 | 7 | 11 | 69 | CAD | 请求报价 |
| PHE14-10LWDS-A | M14 | 1.0 | 82 | 3 | 12 | 8.5 | 20 | 29 | 111 | 6 | 17 | 10 | 加长型 | 超高速用 | 没有保护机构 | 带头 | 28 | 30 | 50000 | 20 | 3 | 5 | 3.5 | 20 | 0.4 | 7 | 11 | 76 | CAD | 请求报价 |
| PHE14-10LWDK-A | M14 | 1.0 | 82 | 3 | 12 | 8.5 | 20 | 29 | 111 | 6 | 17 | 10 | 加长型 | 超高速用 | 没有保护机构 | 带垫+带头 | 28 | 30 | 50000 | 20 | 3 | 5 | 3.5 | 20 | 0.4 | 7 | 11 | 75 | CAD | 请求报价 |
| PHE14-10LWFD-A | M14 | 1.0 | 82 | 3 | 4 | - | 20 | - | 102 | 6 | 17 | 10 | 加长型 | 超高速用 | 毡环(防尘用) | 没有头部 | 28 | 30 | 50000 | 20 | 3 | 5 | 3.5 | 20 | 0.4 | 7 | 11 | 69 | CAD | 请求报价 |
| PHE14-10LWFS-A | M14 | 1.0 | 82 | 3 | 12 | 8.5 | 20 | 29 | 111 | 6 | 17 | 10 | 加长型 | 超高速用 | 毡环(防尘用) | 带头 | 28 | 30 | 50000 | 20 | 3 | 5 | 3.5 | 20 | 0.4 | 7 | 11 | 76 | CAD | 请求报价 |
| PHE14-10LWFK-A | M14 | 1.0 | 82 | 3 | 12 | 8.5 | 20 | 29 | 111 | 6 | 17 | 10 | 加长型 | 超高速用 | 毡环(防尘用) | 带垫+带头 | 28 | 30 | 50000 | 20 | 3 | 5 | 3.5 | 20 | 0.4 | 7 | 11 | 75 | CAD | 请求报价 |
| PHE14-10LWAD-A | M14 | 1.0 | 82 | 3 | 4 | - | 20 | - | 102 | 6 | 17 | 10 | 加长型 | 超高速用 | 刮擦器(防水用) | 没有头部 | 28 | 30 | 50000 | 20 | 3 | 5 | 3.5 | 20 | 0.4 | 7 | 11 | 69 | CAD | 请求报价 |
| PHE14-10LWAS-A | M14 | 1.0 | 82 | 3 | 12 | 8.5 | 20 | 29 | 111 | 6 | 17 | 10 | 加长型 | 超高速用 | 刮擦器(防水用) | 带头 | 28 | 30 | 50000 | 20 | 3 | 5 | 3.5 | 20 | 0.4 | 7 | 11 | 76 | CAD | 请求报价 |
| PHE14-10LWAK-A | M14 | 1.0 | 82 | 3 | 12 | 8.5 | 20 | 29 | 111 | 6 | 17 | 10 | 加长型 | 超高速用 | 刮擦器(防水用) | 带垫+带头 | 28 | 30 | 50000 | 20 | 3 | 5 | 3.5 | 20 | 0.4 | 7 | 11 | 75 | CAD | 请求报价 |
| PHE14-15NHDD-A | M14 | 1.5 | 63 | 3 | 4 | - | 12 | - | 75 | 6 | 17 | 10 | 标准 | 低速用 | 没有保护机构 | 没有头部 | 34 | 42 | 50000 | 12 | 0.1 | 1.2 | 3.5 | 20 | 0.3 | 7 | 11 | 51 | CAD | 请求报价 |
| PHE14-15NHDS-A | M14 | 1.5 | 63 | 3 | 12 | 8.5 | 12 | 21 | 84 | 6 | 17 | 10 | 标准 | 低速用 | 没有保护机构 | 带头 | 34 | 42 | 50000 | 12 | 0.1 | 1.2 | 3.5 | 20 | 0.3 | 7 | 11 | 58 | CAD | 请求报价 |
| PHE14-15NHDK-A | M14 | 1.5 | 63 | 3 | 12 | 8.5 | 12 | 21 | 84 | 6 | 17 | 10 | 标准 | 低速用 | 没有保护机构 | 带垫+带头 | 34 | 42 | 50000 | 12 | 0.1 | 1.2 | 3.5 | 20 | 0.3 | 7 | 11 | 57 | CAD | 请求报价 |
| PHE14-15NHFD-A | M14 | 1.5 | 63 | 3 | 4 | - | 12 | - | 75 | 6 | 17 | 10 | 标准 | 低速用 | 毡环(防尘用) | 没有头部 | 34 | 42 | 50000 | 12 | 0.1 | 1.2 | 3.5 | 20 | 0.3 | 7 | 11 | 51 | CAD | 请求报价 |
| PHE14-15NHFS-A | M14 | 1.5 | 63 | 3 | 12 | 8.5 | 12 | 21 | 84 | 6 | 17 | 10 | 标准 | 低速用 | 毡环(防尘用) | 带头 | 34 | 42 | 50000 | 12 | 0.1 | 1.2 | 3.5 | 20 | 0.3 | 7 | 11 | 58 | CAD | 请求报价 |
| PHE14-15NHFK-A | M14 | 1.5 | 63 | 3 | 12 | 8.5 | 12 | 21 | 84 | 6 | 17 | 10 | 标准 | 低速用 | 毡环(防尘用) | 带垫+带头 | 34 | 42 | 50000 | 12 | 0.1 | 1.2 | 3.5 | 20 | 0.3 | 7 | 11 | 57 | CAD | 请求报价 |
| PHE14-15NHAD-A | M14 | 1.5 | 63 | 3 | 4 | - | 12 | - | 75 | 6 | 17 | 10 | 标准 | 低速用 | 刮擦器(防水用) | 没有头部 | 34 | 42 | 50000 | 12 | 0.1 | 1.2 | 3.5 | 20 | 0.3 | 7 | 11 | 51 | CAD | 请求报价 |
| PHE14-15NHAS-A | M14 | 1.5 | 63 | 3 | 12 | 8.5 | 12 | 21 | 84 | 6 | 17 | 10 | 标准 | 低速用 | 刮擦器(防水用) | 带头 | 34 | 42 | 50000 | 12 | 0.1 | 1.2 | 3.5 | 20 | 0.3 | 7 | 11 | 58 | CAD | 请求报价 |
| PHE14-15NHAK-A | M14 | 1.5 | 63 | 3 | 12 | 8.5 | 12 | 21 | 84 | 6 | 17 | 10 | 标准 | 低速用 | 刮擦器(防水用) | 带垫+带头 | 34 | 42 | 50000 | 12 | 0.1 | 1.2 | 3.5 | 20 | 0.3 | 7 | 11 | 57 | CAD | 请求报价 |
| PHE14-15NHBS-A | M14 | 1.5 | 55 | 3 | 19 | 8.5 | 12 | 35.5 | 90.5 | 6 | 17 | 10 | 标准 | 低速用 | 波纹管盖 | 带头 | 34 | 42 | 50000 | 12 | 0.1 | 1.2 | 3.5 | 20 | 0.3 | 7 | 20 | 62 | CAD | 请求报价 |
| PHE14-15NHBK-A | M14 | 1.5 | 55 | 3 | 19 | 8.5 | 12 | 35.5 | 90.5 | 6 | 17 | 10 | 标准 | 低速用 | 波纹管盖 | 带垫+带头 | 34 | 42 | 50000 | 12 | 0.1 | 1.2 | 3.5 | 20 | 0.3 | 7 | 20 | 60 | CAD | 请求报价 |
| PHE14-15NMDD-A | M14 | 1.5 | 63 | 3 | 4 | - | 12 | - | 75 | 6 | 17 | 10 | 标准 | 中速用 | 没有保护机构 | 没有头部 | 32 | 38 | 50000 | 12 | 0.8 | 2.2 | 3.5 | 20 | 0.3 | 7 | 11 | 51 | CAD | 请求报价 |
| PHE14-15NMDS-A | M14 | 1.5 | 63 | 3 | 12 | 8.5 | 12 | 21 | 84 | 6 | 17 | 10 | 标准 | 中速用 | 没有保护机构 | 带头 | 32 | 38 | 50000 | 12 | 0.8 | 2.2 | 3.5 | 20 | 0.3 | 7 | 11 | 58 | CAD | 请求报价 |
| PHE14-15NMDK-A | M14 | 1.5 | 63 | 3 | 12 | 8.5 | 12 | 21 | 84 | 6 | 17 | 10 | 标准 | 中速用 | 没有保护机构 | 带垫+带头 | 32 | 38 | 50000 | 12 | 0.8 | 2.2 | 3.5 | 20 | 0.3 | 7 | 11 | 57 | CAD | 请求报价 |
| PHE14-15NMFD-A | M14 | 1.5 | 63 | 3 | 4 | - | 12 | - | 75 | 6 | 17 | 10 | 标准 | 中速用 | 毡环(防尘用) | 没有头部 | 32 | 38 | 50000 | 12 | 0.8 | 2.2 | 3.5 | 20 | 0.3 | 7 | 11 | 51 | CAD | 请求报价 |
| PHE14-15NMFS-A | M14 | 1.5 | 63 | 3 | 12 | 8.5 | 12 | 21 | 84 | 6 | 17 | 10 | 标准 | 中速用 | 毡环(防尘用) | 带头 | 32 | 38 | 50000 | 12 | 0.8 | 2.2 | 3.5 | 20 | 0.3 | 7 | 11 | 58 | CAD | 请求报价 |
| PHE14-15NMFK-A | M14 | 1.5 | 63 | 3 | 12 | 8.5 | 12 | 21 | 84 | 6 | 17 | 10 | 标准 | 中速用 | 毡环(防尘用) | 带垫+带头 | 32 | 38 | 50000 | 12 | 0.8 | 2.2 | 3.5 | 20 | 0.3 | 7 | 11 | 57 | CAD | 请求报价 |
| PHE14-15NMAD-A | M14 | 1.5 | 63 | 3 | 4 | - | 12 | - | 75 | 6 | 17 | 10 | 标准 | 中速用 | 刮擦器(防水用) | 没有头部 | 32 | 38 | 50000 | 12 | 0.8 | 2.2 | 3.5 | 20 | 0.3 | 7 | 11 | 51 | CAD | 请求报价 |
| PHE14-15NMAS-A | M14 | 1.5 | 63 | 3 | 12 | 8.5 | 12 | 21 | 84 | 6 | 17 | 10 | 标准 | 中速用 | 刮擦器(防水用) | 带头 | 32 | 38 | 50000 | 12 | 0.8 | 2.2 | 3.5 | 20 | 0.3 | 7 | 11 | 58 | CAD | 请求报价 |
| PHE14-15NMAK-A | M14 | 1.5 | 63 | 3 | 12 | 8.5 | 12 | 21 | 84 | 6 | 17 | 10 | 标准 | 中速用 | 刮擦器(防水用) | 带垫+带头 | 32 | 38 | 50000 | 12 | 0.8 | 2.2 | 3.5 | 20 | 0.3 | 7 | 11 | 57 | CAD | 请求报价 |
| PHE14-15NMBS-A | M14 | 1.5 | 55 | 3 | 19 | 8.5 | 12 | 35.5 | 90.5 | 6 | 17 | 10 | 标准 | 中速用 | 波纹管盖 | 带头 | 32 | 38 | 50000 | 12 | 0.8 | 2.2 | 3.5 | 20 | 0.3 | 7 | 20 | 62 | CAD | 请求报价 |
| PHE14-15NMBK-A | M14 | 1.5 | 55 | 3 | 19 | 8.5 | 12 | 35.5 | 90.5 | 6 | 17 | 10 | 标准 | 中速用 | 波纹管盖 | 带垫+带头 | 32 | 38 | 50000 | 12 | 0.8 | 2.2 | 3.5 | 20 | 0.3 | 7 | 20 | 60 | CAD | 请求报价 |
| PHE14-15NSDD-A | M14 | 1.5 | 63 | 3 | 4 | - | 12 | - | 75 | 6 | 17 | 10 | 标准 | 高速用 | 没有保护机构 | 没有头部 | 30 | 34 | 50000 | 12 | 1.8 | 3.5 | 3.5 | 20 | 0.3 | 7 | 11 | 51 | CAD | 请求报价 |
| PHE14-15NSDS-A | M14 | 1.5 | 63 | 3 | 12 | 8.5 | 12 | 21 | 84 | 6 | 17 | 10 | 标准 | 高速用 | 没有保护机构 | 带头 | 30 | 34 | 50000 | 12 | 1.8 | 3.5 | 3.5 | 20 | 0.3 | 7 | 11 | 58 | CAD | 请求报价 |
| PHE14-15NSDK-A | M14 | 1.5 | 63 | 3 | 12 | 8.5 | 12 | 21 | 84 | 6 | 17 | 10 | 标准 | 高速用 | 没有保护机构 | 带垫+带头 | 30 | 34 | 50000 | 12 | 1.8 | 3.5 | 3.5 | 20 | 0.3 | 7 | 11 | 57 | CAD | 请求报价 |
| PHE14-15NSFD-A | M14 | 1.5 | 63 | 3 | 4 | - | 12 | - | 75 | 6 | 17 | 10 | 标准 | 高速用 | 毡环(防尘用) | 没有头部 | 30 | 34 | 50000 | 12 | 1.8 | 3.5 | 3.5 | 20 | 0.3 | 7 | 11 | 51 | CAD | 请求报价 |
| PHE14-15NSFS-A | M14 | 1.5 | 63 | 3 | 12 | 8.5 | 12 | 21 | 84 | 6 | 17 | 10 | 标准 | 高速用 | 毡环(防尘用) | 带头 | 30 | 34 | 50000 | 12 | 1.8 | 3.5 | 3.5 | 20 | 0.3 | 7 | 11 | 58 | CAD | 请求报价 |
| PHE14-15NSFK-A | M14 | 1.5 | 63 | 3 | 12 | 8.5 | 12 | 21 | 84 | 6 | 17 | 10 | 标准 | 高速用 | 毡环(防尘用) | 带垫+带头 | 30 | 34 | 50000 | 12 | 1.8 | 3.5 | 3.5 | 20 | 0.3 | 7 | 11 | 57 | CAD | 请求报价 |
| PHE14-15NSAD-A | M14 | 1.5 | 63 | 3 | 4 | - | 12 | - | 75 | 6 | 17 | 10 | 标准 | 高速用 | 刮擦器(防水用) | 没有头部 | 30 | 34 | 50000 | 12 | 1.8 | 3.5 | 3.5 | 20 | 0.3 | 7 | 11 | 51 | CAD | 请求报价 |
| PHE14-15NSAS-A | M14 | 1.5 | 63 | 3 | 12 | 8.5 | 12 | 21 | 84 | 6 | 17 | 10 | 标准 | 高速用 | 刮擦器(防水用) | 带头 | 30 | 34 | 50000 | 12 | 1.8 | 3.5 | 3.5 | 20 | 0.3 | 7 | 11 | 58 | CAD | 请求报价 |
| PHE14-15NSAK-A | M14 | 1.5 | 63 | 3 | 12 | 8.5 | 12 | 21 | 84 | 6 | 17 | 10 | 标准 | 高速用 | 刮擦器(防水用) | 带垫+带头 | 30 | 34 | 50000 | 12 | 1.8 | 3.5 | 3.5 | 20 | 0.3 | 7 | 11 | 57 | CAD | 请求报价 |
| PHE14-15NSBS-A | M14 | 1.5 | 55 | 3 | 19 | 8.5 | 12 | 35.5 | 90.5 | 6 | 17 | 10 | 标准 | 高速用 | 波纹管盖 | 带头 | 30 | 34 | 50000 | 12 | 1.8 | 3.5 | 3.5 | 20 | 0.3 | 7 | 20 | 62 | CAD | 请求报价 |
| PHE14-15NSBK-A | M14 | 1.5 | 55 | 3 | 19 | 8.5 | 12 | 35.5 | 90.5 | 6 | 17 | 10 | 标准 | 高速用 | 波纹管盖 | 带垫+带头 | 30 | 34 | 50000 | 12 | 1.8 | 3.5 | 3.5 | 20 | 0.3 | 7 | 20 | 60 | CAD | 请求报价 |
| PHE14-15NWDD-A | M14 | 1.5 | 63 | 3 | 4 | - | 12 | - | 75 | 6 | 17 | 10 | 标准 | 超高速用 | 没有保护机构 | 没有头部 | 28 | 30 | 50000 | 12 | 3 | 5 | 3.5 | 20 | 0.3 | 7 | 11 | 51 | CAD | 请求报价 |
| PHE14-15NWDS-A | M14 | 1.5 | 63 | 3 | 12 | 8.5 | 12 | 21 | 84 | 6 | 17 | 10 | 标准 | 超高速用 | 没有保护机构 | 带头 | 28 | 30 | 50000 | 12 | 3 | 5 | 3.5 | 20 | 0.3 | 7 | 11 | 58 | CAD | 请求报价 |
| PHE14-15NWDK-A | M14 | 1.5 | 63 | 3 | 12 | 8.5 | 12 | 21 | 84 | 6 | 17 | 10 | 标准 | 超高速用 | 没有保护机构 | 带垫+带头 | 28 | 30 | 50000 | 12 | 3 | 5 | 3.5 | 20 | 0.3 | 7 | 11 | 57 | CAD | 请求报价 |
| PHE14-15NWFD-A | M14 | 1.5 | 63 | 3 | 4 | - | 12 | - | 75 | 6 | 17 | 10 | 标准 | 超高速用 | 毡环(防尘用) | 没有头部 | 28 | 30 | 50000 | 12 | 3 | 5 | 3.5 | 20 | 0.3 | 7 | 11 | 51 | CAD | 请求报价 |
| PHE14-15NWFS-A | M14 | 1.5 | 63 | 3 | 12 | 8.5 | 12 | 21 | 84 | 6 | 17 | 10 | 标准 | 超高速用 | 毡环(防尘用) | 带头 | 28 | 30 | 50000 | 12 | 3 | 5 | 3.5 | 20 | 0.3 | 7 | 11 | 58 | CAD | 请求报价 |
| PHE14-15NWFK-A | M14 | 1.5 | 63 | 3 | 12 | 8.5 | 12 | 21 | 84 | 6 | 17 | 10 | 标准 | 超高速用 | 毡环(防尘用) | 带垫+带头 | 28 | 30 | 50000 | 12 | 3 | 5 | 3.5 | 20 | 0.3 | 7 | 11 | 57 | CAD | 请求报价 |
| PHE14-15NWAD-A | M14 | 1.5 | 63 | 3 | 4 | - | 12 | - | 75 | 6 | 17 | 10 | 标准 | 超高速用 | 刮擦器(防水用) | 没有头部 | 28 | 30 | 50000 | 12 | 3 | 5 | 3.5 | 20 | 0.3 | 7 | 11 | 51 | CAD | 请求报价 |
| PHE14-15NWAS-A | M14 | 1.5 | 63 | 3 | 12 | 8.5 | 12 | 21 | 84 | 6 | 17 | 10 | 标准 | 超高速用 | 刮擦器(防水用) | 带头 | 28 | 30 | 50000 | 12 | 3 | 5 | 3.5 | 20 | 0.3 | 7 | 11 | 58 | CAD | 请求报价 |
| PHE14-15NWAK-A | M14 | 1.5 | 63 | 3 | 12 | 8.5 | 12 | 21 | 84 | 6 | 17 | 10 | 标准 | 超高速用 | 刮擦器(防水用) | 带垫+带头 | 28 | 30 | 50000 | 12 | 3 | 5 | 3.5 | 20 | 0.3 | 7 | 11 | 57 | CAD | 请求报价 |
| PHE14-15NWBS-A | M14 | 1.5 | 55 | 3 | 19 | 8.5 | 12 | 35.5 | 90.5 | 6 | 17 | 10 | 标准 | 超高速用 | 波纹管盖 | 带头 | 28 | 30 | 50000 | 12 | 3 | 5 | 3.5 | 20 | 0.3 | 7 | 20 | 62 | CAD | 请求报价 |
| PHE14-15NWBK-A | M14 | 1.5 | 55 | 3 | 19 | 8.5 | 12 | 35.5 | 90.5 | 6 | 17 | 10 | 标准 | 超高速用 | 波纹管盖 | 带垫+带头 | 28 | 30 | 50000 | 12 | 3 | 5 | 3.5 | 20 | 0.3 | 7 | 20 | 60 | CAD | 请求报价 |
| PHE14-15LHDD-A | M14 | 1.5 | 82 | 3 | 4 | - | 20 | - | 102 | 6 | 17 | 10 | 加长型 | 低速用 | 没有保护机构 | 没有头部 | 34 | 42 | 50000 | 20 | 0.1 | 1.2 | 3.5 | 20 | 0.4 | 7 | 11 | 67 | CAD | 请求报价 |
| PHE14-15LHDS-A | M14 | 1.5 | 82 | 3 | 12 | 8.5 | 20 | 29 | 111 | 6 | 17 | 10 | 加长型 | 低速用 | 没有保护机构 | 带头 | 34 | 42 | 50000 | 20 | 0.1 | 1.2 | 3.5 | 20 | 0.4 | 7 | 11 | 74 | CAD | 请求报价 |
| PHE14-15LHDK-A | M14 | 1.5 | 82 | 3 | 12 | 8.5 | 20 | 29 | 111 | 6 | 17 | 10 | 加长型 | 低速用 | 没有保护机构 | 带垫+带头 | 34 | 42 | 50000 | 20 | 0.1 | 1.2 | 3.5 | 20 | 0.4 | 7 | 11 | 73 | CAD | 请求报价 |
| PHE14-15LHFD-A | M14 | 1.5 | 82 | 3 | 4 | - | 20 | - | 102 | 6 | 17 | 10 | 加长型 | 低速用 | 毡环(防尘用) | 没有头部 | 34 | 42 | 50000 | 20 | 0.1 | 1.2 | 3.5 | 20 | 0.4 | 7 | 11 | 67 | CAD | 请求报价 |
| PHE14-15LHFS-A | M14 | 1.5 | 82 | 3 | 12 | 8.5 | 20 | 29 | 111 | 6 | 17 | 10 | 加长型 | 低速用 | 毡环(防尘用) | 带头 | 34 | 42 | 50000 | 20 | 0.1 | 1.2 | 3.5 | 20 | 0.4 | 7 | 11 | 74 | CAD | 请求报价 |
| PHE14-15LHFK-A | M14 | 1.5 | 82 | 3 | 12 | 8.5 | 20 | 29 | 111 | 6 | 17 | 10 | 加长型 | 低速用 | 毡环(防尘用) | 带垫+带头 | 34 | 42 | 50000 | 20 | 0.1 | 1.2 | 3.5 | 20 | 0.4 | 7 | 11 | 73 | CAD | 请求报价 |
| PHE14-15LHAD-A | M14 | 1.5 | 82 | 3 | 4 | - | 20 | - | 102 | 6 | 17 | 10 | 加长型 | 低速用 | 刮擦器(防水用) | 没有头部 | 34 | 42 | 50000 | 20 | 0.1 | 1.2 | 3.5 | 20 | 0.4 | 7 | 11 | 67 | CAD | 请求报价 |
| PHE14-15LHAS-A | M14 | 1.5 | 82 | 3 | 12 | 8.5 | 20 | 29 | 111 | 6 | 17 | 10 | 加长型 | 低速用 | 刮擦器(防水用) | 带头 | 34 | 42 | 50000 | 20 | 0.1 | 1.2 | 3.5 | 20 | 0.4 | 7 | 11 | 74 | CAD | 请求报价 |
| PHE14-15LHAK-A | M14 | 1.5 | 82 | 3 | 12 | 8.5 | 20 | 29 | 111 | 6 | 17 | 10 | 加长型 | 低速用 | 刮擦器(防水用) | 带垫+带头 | 34 | 42 | 50000 | 20 | 0.1 | 1.2 | 3.5 | 20 | 0.4 | 7 | 11 | 73 | CAD | 请求报价 |
| PHE14-15LMDD-A | M14 | 1.5 | 82 | 3 | 4 | - | 20 | - | 102 | 6 | 17 | 10 | 加长型 | 中速用 | 没有保护机构 | 没有头部 | 32 | 38 | 50000 | 20 | 0.8 | 2.2 | 3.5 | 20 | 0.4 | 7 | 11 | 67 | CAD | 请求报价 |
| PHE14-15LMDS-A | M14 | 1.5 | 82 | 3 | 12 | 8.5 | 20 | 29 | 111 | 6 | 17 | 10 | 加长型 | 中速用 | 没有保护机构 | 带头 | 32 | 38 | 50000 | 20 | 0.8 | 2.2 | 3.5 | 20 | 0.4 | 7 | 11 | 74 | CAD | 请求报价 |
| PHE14-15LMDK-A | M14 | 1.5 | 82 | 3 | 12 | 8.5 | 20 | 29 | 111 | 6 | 17 | 10 | 加长型 | 中速用 | 没有保护机构 | 带垫+带头 | 32 | 38 | 50000 | 20 | 0.8 | 2.2 | 3.5 | 20 | 0.4 | 7 | 11 | 73 | CAD | 请求报价 |
| PHE14-15LMFD-A | M14 | 1.5 | 82 | 3 | 4 | - | 20 | - | 102 | 6 | 17 | 10 | 加长型 | 中速用 | 毡环(防尘用) | 没有头部 | 32 | 38 | 50000 | 20 | 0.8 | 2.2 | 3.5 | 20 | 0.4 | 7 | 11 | 67 | CAD | 请求报价 |
| PHE14-15LMFS-A | M14 | 1.5 | 82 | 3 | 12 | 8.5 | 20 | 29 | 111 | 6 | 17 | 10 | 加长型 | 中速用 | 毡环(防尘用) | 带头 | 32 | 38 | 50000 | 20 | 0.8 | 2.2 | 3.5 | 20 | 0.4 | 7 | 11 | 74 | CAD | 请求报价 |
| PHE14-15LMFK-A | M14 | 1.5 | 82 | 3 | 12 | 8.5 | 20 | 29 | 111 | 6 | 17 | 10 | 加长型 | 中速用 | 毡环(防尘用) | 带垫+带头 | 32 | 38 | 50000 | 20 | 0.8 | 2.2 | 3.5 | 20 | 0.4 | 7 | 11 | 73 | CAD | 请求报价 |
| PHE14-15LMAD-A | M14 | 1.5 | 82 | 3 | 4 | - | 20 | - | 102 | 6 | 17 | 10 | 加长型 | 中速用 | 刮擦器(防水用) | 没有头部 | 32 | 38 | 50000 | 20 | 0.8 | 2.2 | 3.5 | 20 | 0.4 | 7 | 11 | 67 | CAD | 请求报价 |
| PHE14-15LMAS-A | M14 | 1.5 | 82 | 3 | 12 | 8.5 | 20 | 29 | 111 | 6 | 17 | 10 | 加长型 | 中速用 | 刮擦器(防水用) | 带头 | 32 | 38 | 50000 | 20 | 0.8 | 2.2 | 3.5 | 20 | 0.4 | 7 | 11 | 74 | CAD | 请求报价 |
| PHE14-15LMAK-A | M14 | 1.5 | 82 | 3 | 12 | 8.5 | 20 | 29 | 111 | 6 | 17 | 10 | 加长型 | 中速用 | 刮擦器(防水用) | 带垫+带头 | 32 | 38 | 50000 | 20 | 0.8 | 2.2 | 3.5 | 20 | 0.4 | 7 | 11 | 73 | CAD | 请求报价 |
| PHE14-15LSDD-A | M14 | 1.5 | 82 | 3 | 4 | - | 20 | - | 102 | 6 | 17 | 10 | 加长型 | 高速用 | 没有保护机构 | 没有头部 | 30 | 34 | 50000 | 20 | 1.8 | 3.5 | 3.5 | 20 | 0.4 | 7 | 11 | 67 | CAD | 请求报价 |
| PHE14-15LSDS-A | M14 | 1.5 | 82 | 3 | 12 | 8.5 | 20 | 29 | 111 | 6 | 17 | 10 | 加长型 | 高速用 | 没有保护机构 | 带头 | 30 | 34 | 50000 | 20 | 1.8 | 3.5 | 3.5 | 20 | 0.4 | 7 | 11 | 74 | CAD | 请求报价 |
| PHE14-15LSDK-A | M14 | 1.5 | 82 | 3 | 12 | 8.5 | 20 | 29 | 111 | 6 | 17 | 10 | 加长型 | 高速用 | 没有保护机构 | 带垫+带头 | 30 | 34 | 50000 | 20 | 1.8 | 3.5 | 3.5 | 20 | 0.4 | 7 | 11 | 73 | CAD | 请求报价 |
| PHE14-15LSFD-A | M14 | 1.5 | 82 | 3 | 4 | - | 20 | - | 102 | 6 | 17 | 10 | 加长型 | 高速用 | 毡环(防尘用) | 没有头部 | 30 | 34 | 50000 | 20 | 1.8 | 3.5 | 3.5 | 20 | 0.4 | 7 | 11 | 67 | CAD | 请求报价 |
| PHE14-15LSFS-A | M14 | 1.5 | 82 | 3 | 12 | 8.5 | 20 | 29 | 111 | 6 | 17 | 10 | 加长型 | 高速用 | 毡环(防尘用) | 带头 | 30 | 34 | 50000 | 20 | 1.8 | 3.5 | 3.5 | 20 | 0.4 | 7 | 11 | 74 | CAD | 请求报价 |
| PHE14-15LSFK-A | M14 | 1.5 | 82 | 3 | 12 | 8.5 | 20 | 29 | 111 | 6 | 17 | 10 | 加长型 | 高速用 | 毡环(防尘用) | 带垫+带头 | 30 | 34 | 50000 | 20 | 1.8 | 3.5 | 3.5 | 20 | 0.4 | 7 | 11 | 73 | CAD | 请求报价 |
| PHE14-15LSAD-A | M14 | 1.5 | 82 | 3 | 4 | - | 20 | - | 102 | 6 | 17 | 10 | 加长型 | 高速用 | 刮擦器(防水用) | 没有头部 | 30 | 34 | 50000 | 20 | 1.8 | 3.5 | 3.5 | 20 | 0.4 | 7 | 11 | 67 | CAD | 请求报价 |
| PHE14-15LSAS-A | M14 | 1.5 | 82 | 3 | 12 | 8.5 | 20 | 29 | 111 | 6 | 17 | 10 | 加长型 | 高速用 | 刮擦器(防水用) | 带头 | 30 | 34 | 50000 | 20 | 1.8 | 3.5 | 3.5 | 20 | 0.4 | 7 | 11 | 74 | CAD | 请求报价 |
| PHE14-15LSAK-A | M14 | 1.5 | 82 | 3 | 12 | 8.5 | 20 | 29 | 111 | 6 | 17 | 10 | 加长型 | 高速用 | 刮擦器(防水用) | 带垫+带头 | 30 | 34 | 50000 | 20 | 1.8 | 3.5 | 3.5 | 20 | 0.4 | 7 | 11 | 73 | CAD | 请求报价 |
| PHE14-15LWDD-A | M14 | 1.5 | 82 | 3 | 4 | - | 20 | - | 102 | 6 | 17 | 10 | 加长型 | 超高速用 | 没有保护机构 | 没有头部 | 28 | 30 | 50000 | 20 | 3 | 5 | 3.5 | 20 | 0.4 | 7 | 11 | 67 | CAD | 请求报价 |
| PHE14-15LWDS-A | M14 | 1.5 | 82 | 3 | 12 | 8.5 | 20 | 29 | 111 | 6 | 17 | 10 | 加长型 | 超高速用 | 没有保护机构 | 带头 | 28 | 30 | 50000 | 20 | 3 | 5 | 3.5 | 20 | 0.4 | 7 | 11 | 74 | CAD | 请求报价 |
| PHE14-15LWDK-A | M14 | 1.5 | 82 | 3 | 12 | 8.5 | 20 | 29 | 111 | 6 | 17 | 10 | 加长型 | 超高速用 | 没有保护机构 | 带垫+带头 | 28 | 30 | 50000 | 20 | 3 | 5 | 3.5 | 20 | 0.4 | 7 | 11 | 73 | CAD | 请求报价 |
| PHE14-15LWFD-A | M14 | 1.5 | 82 | 3 | 4 | - | 20 | - | 102 | 6 | 17 | 10 | 加长型 | 超高速用 | 毡环(防尘用) | 没有头部 | 28 | 30 | 50000 | 20 | 3 | 5 | 3.5 | 20 | 0.4 | 7 | 11 | 67 | CAD | 请求报价 |
| PHE14-15LWFS-A | M14 | 1.5 | 82 | 3 | 12 | 8.5 | 20 | 29 | 111 | 6 | 17 | 10 | 加长型 | 超高速用 | 毡环(防尘用) | 带头 | 28 | 30 | 50000 | 20 | 3 | 5 | 3.5 | 20 | 0.4 | 7 | 11 | 74 | CAD | 请求报价 |
| PHE14-15LWFK-A | M14 | 1.5 | 82 | 3 | 12 | 8.5 | 20 | 29 | 111 | 6 | 17 | 10 | 加长型 | 超高速用 | 毡环(防尘用) | 带垫+带头 | 28 | 30 | 50000 | 20 | 3 | 5 | 3.5 | 20 | 0.4 | 7 | 11 | 73 | CAD | 请求报价 |
| PHE14-15LWAD-A | M14 | 1.5 | 82 | 3 | 4 | - | 20 | - | 102 | 6 | 17 | 10 | 加长型 | 超高速用 | 刮擦器(防水用) | 没有头部 | 28 | 30 | 50000 | 20 | 3 | 5 | 3.5 | 20 | 0.4 | 7 | 11 | 67 | CAD | 请求报价 |
| PHE14-15LWAS-A | M14 | 1.5 | 82 | 3 | 12 | 8.5 | 20 | 29 | 111 | 6 | 17 | 10 | 加长型 | 超高速用 | 刮擦器(防水用) | 带头 | 28 | 30 | 50000 | 20 | 3 | 5 | 3.5 | 20 | 0.4 | 7 | 11 | 74 | CAD | 请求报价 |
| PHE14-15LWAK-A | M14 | 1.5 | 82 | 3 | 12 | 8.5 | 20 | 29 | 111 | 6 | 17 | 10 | 加长型 | 超高速用 | 刮擦器(防水用) | 带垫+带头 | 28 | 30 | 50000 | 20 | 3 | 5 | 3.5 | 20 | 0.4 | 7 | 11 | 73 | CAD | 请求报价 |
| PHE16-10NHDD-A | M16 | 1.0 | 63 | 3 | 4 | - | 12 | - | 75 | 6 | 19 | 10 | 标准 | 低速用 | 没有保护机构 | 没有头部 | 34 | 42 | 50000 | 12 | 0.1 | 1.2 | 3.5 | 20 | 0.3 | 7 | 11 | 75 | CAD | 请求报价 |
| PHE16-10NHDS-A | M16 | 1.0 | 63 | 3 | 12 | 8.5 | 12 | 21 | 84 | 6 | 19 | 10 | 标准 | 低速用 | 没有保护机构 | 带头 | 34 | 42 | 50000 | 12 | 0.1 | 1.2 | 3.5 | 20 | 0.3 | 7 | 11 | 82 | CAD | 请求报价 |
| PHE16-10NHDK-A | M16 | 1.0 | 63 | 3 | 12 | 8.5 | 12 | 21 | 84 | 6 | 19 | 10 | 标准 | 低速用 | 没有保护机构 | 带垫+带头 | 34 | 42 | 50000 | 12 | 0.1 | 1.2 | 3.5 | 20 | 0.3 | 7 | 11 | 81 | CAD | 请求报价 |
| PHE16-10NHFD-A | M16 | 1.0 | 63 | 3 | 4 | - | 12 | - | 75 | 6 | 19 | 10 | 标准 | 低速用 | 毡环(防尘用) | 没有头部 | 34 | 42 | 50000 | 12 | 0.1 | 1.2 | 3.5 | 20 | 0.3 | 7 | 11 | 75 | CAD | 请求报价 |
| PHE16-10NHFS-A | M16 | 1.0 | 63 | 3 | 12 | 8.5 | 12 | 21 | 84 | 6 | 19 | 10 | 标准 | 低速用 | 毡环(防尘用) | 带头 | 34 | 42 | 50000 | 12 | 0.1 | 1.2 | 3.5 | 20 | 0.3 | 7 | 11 | 82 | CAD | 请求报价 |
| PHE16-10NHFK-A | M16 | 1.0 | 63 | 3 | 12 | 8.5 | 12 | 21 | 84 | 6 | 19 | 10 | 标准 | 低速用 | 毡环(防尘用) | 带垫+带头 | 34 | 42 | 50000 | 12 | 0.1 | 1.2 | 3.5 | 20 | 0.3 | 7 | 11 | 81 | CAD | 请求报价 |
| PHE16-10NHAD-A | M16 | 1.0 | 63 | 3 | 4 | - | 12 | - | 75 | 6 | 19 | 10 | 标准 | 低速用 | 刮擦器(防水用) | 没有头部 | 34 | 42 | 50000 | 12 | 0.1 | 1.2 | 3.5 | 20 | 0.3 | 7 | 11 | 75 | CAD | 请求报价 |
| PHE16-10NHAS-A | M16 | 1.0 | 63 | 3 | 12 | 8.5 | 12 | 21 | 84 | 6 | 19 | 10 | 标准 | 低速用 | 刮擦器(防水用) | 带头 | 34 | 42 | 50000 | 12 | 0.1 | 1.2 | 3.5 | 20 | 0.3 | 7 | 11 | 82 | CAD | 请求报价 |
| PHE16-10NHAK-A | M16 | 1.0 | 63 | 3 | 12 | 8.5 | 12 | 21 | 84 | 6 | 19 | 10 | 标准 | 低速用 | 刮擦器(防水用) | 带垫+带头 | 34 | 42 | 50000 | 12 | 0.1 | 1.2 | 3.5 | 20 | 0.3 | 7 | 11 | 81 | CAD | 请求报价 |
| PHE16-10NMDD-A | M16 | 1.0 | 63 | 3 | 4 | - | 12 | - | 75 | 6 | 19 | 10 | 标准 | 中速用 | 没有保护机构 | 没有头部 | 32 | 38 | 50000 | 12 | 0.8 | 2.2 | 3.5 | 20 | 0.3 | 7 | 11 | 75 | CAD | 请求报价 |
| PHE16-10NMDS-A | M16 | 1.0 | 63 | 3 | 12 | 8.5 | 12 | 21 | 84 | 6 | 19 | 10 | 标准 | 中速用 | 没有保护机构 | 带头 | 32 | 38 | 50000 | 12 | 0.8 | 2.2 | 3.5 | 20 | 0.3 | 7 | 11 | 82 | CAD | 请求报价 |
| PHE16-10NMDK-A | M16 | 1.0 | 63 | 3 | 12 | 8.5 | 12 | 21 | 84 | 6 | 19 | 10 | 标准 | 中速用 | 没有保护机构 | 带垫+带头 | 32 | 38 | 50000 | 12 | 0.8 | 2.2 | 3.5 | 20 | 0.3 | 7 | 11 | 81 | CAD | 请求报价 |
| PHE16-10NMFD-A | M16 | 1.0 | 63 | 3 | 4 | - | 12 | - | 75 | 6 | 19 | 10 | 标准 | 中速用 | 毡环(防尘用) | 没有头部 | 32 | 38 | 50000 | 12 | 0.8 | 2.2 | 3.5 | 20 | 0.3 | 7 | 11 | 75 | CAD | 请求报价 |
| PHE16-10NMFS-A | M16 | 1.0 | 63 | 3 | 12 | 8.5 | 12 | 21 | 84 | 6 | 19 | 10 | 标准 | 中速用 | 毡环(防尘用) | 带头 | 32 | 38 | 50000 | 12 | 0.8 | 2.2 | 3.5 | 20 | 0.3 | 7 | 11 | 82 | CAD | 请求报价 |
| PHE16-10NMFK-A | M16 | 1.0 | 63 | 3 | 12 | 8.5 | 12 | 21 | 84 | 6 | 19 | 10 | 标准 | 中速用 | 毡环(防尘用) | 带垫+带头 | 32 | 38 | 50000 | 12 | 0.8 | 2.2 | 3.5 | 20 | 0.3 | 7 | 11 | 81 | CAD | 请求报价 |
| PHE16-10NMAD-A | M16 | 1.0 | 63 | 3 | 4 | - | 12 | - | 75 | 6 | 19 | 10 | 标准 | 中速用 | 刮擦器(防水用) | 没有头部 | 32 | 38 | 50000 | 12 | 0.8 | 2.2 | 3.5 | 20 | 0.3 | 7 | 11 | 75 | CAD | 请求报价 |
| PHE16-10NMAS-A | M16 | 1.0 | 63 | 3 | 12 | 8.5 | 12 | 21 | 84 | 6 | 19 | 10 | 标准 | 中速用 | 刮擦器(防水用) | 带头 | 32 | 38 | 50000 | 12 | 0.8 | 2.2 | 3.5 | 20 | 0.3 | 7 | 11 | 82 | CAD | 请求报价 |
| PHE16-10NMAK-A | M16 | 1.0 | 63 | 3 | 12 | 8.5 | 12 | 21 | 84 | 6 | 19 | 10 | 标准 | 中速用 | 刮擦器(防水用) | 带垫+带头 | 32 | 38 | 50000 | 12 | 0.8 | 2.2 | 3.5 | 20 | 0.3 | 7 | 11 | 81 | CAD | 请求报价 |
| PHE16-10NSDD-A | M16 | 1.0 | 63 | 3 | 4 | - | 12 | - | 75 | 6 | 19 | 10 | 标准 | 高速用 | 没有保护机构 | 没有头部 | 30 | 34 | 50000 | 12 | 1.8 | 3.5 | 3.5 | 20 | 0.3 | 7 | 11 | 75 | CAD | 请求报价 |
| PHE16-10NSDS-A | M16 | 1.0 | 63 | 3 | 12 | 8.5 | 12 | 21 | 84 | 6 | 19 | 10 | 标准 | 高速用 | 没有保护机构 | 带头 | 30 | 34 | 50000 | 12 | 1.8 | 3.5 | 3.5 | 20 | 0.3 | 7 | 11 | 82 | CAD | 请求报价 |
| PHE16-10NSDK-A | M16 | 1.0 | 63 | 3 | 12 | 8.5 | 12 | 21 | 84 | 6 | 19 | 10 | 标准 | 高速用 | 没有保护机构 | 带垫+带头 | 30 | 34 | 50000 | 12 | 1.8 | 3.5 | 3.5 | 20 | 0.3 | 7 | 11 | 81 | CAD | 请求报价 |
| PHE16-10NSFD-A | M16 | 1.0 | 63 | 3 | 4 | - | 12 | - | 75 | 6 | 19 | 10 | 标准 | 高速用 | 毡环(防尘用) | 没有头部 | 30 | 34 | 50000 | 12 | 1.8 | 3.5 | 3.5 | 20 | 0.3 | 7 | 11 | 75 | CAD | 请求报价 |
| PHE16-10NSFS-A | M16 | 1.0 | 63 | 3 | 12 | 8.5 | 12 | 21 | 84 | 6 | 19 | 10 | 标准 | 高速用 | 毡环(防尘用) | 带头 | 30 | 34 | 50000 | 12 | 1.8 | 3.5 | 3.5 | 20 | 0.3 | 7 | 11 | 82 | CAD | 请求报价 |
| PHE16-10NSFK-A | M16 | 1.0 | 63 | 3 | 12 | 8.5 | 12 | 21 | 84 | 6 | 19 | 10 | 标准 | 高速用 | 毡环(防尘用) | 带垫+带头 | 30 | 34 | 50000 | 12 | 1.8 | 3.5 | 3.5 | 20 | 0.3 | 7 | 11 | 81 | CAD | 请求报价 |
| PHE16-10NSAD-A | M16 | 1.0 | 63 | 3 | 4 | - | 12 | - | 75 | 6 | 19 | 10 | 标准 | 高速用 | 刮擦器(防水用) | 没有头部 | 30 | 34 | 50000 | 12 | 1.8 | 3.5 | 3.5 | 20 | 0.3 | 7 | 11 | 75 | CAD | 请求报价 |
| PHE16-10NSAS-A | M16 | 1.0 | 63 | 3 | 12 | 8.5 | 12 | 21 | 84 | 6 | 19 | 10 | 标准 | 高速用 | 刮擦器(防水用) | 带头 | 30 | 34 | 50000 | 12 | 1.8 | 3.5 | 3.5 | 20 | 0.3 | 7 | 11 | 82 | CAD | 请求报价 |
| PHE16-10NSAK-A | M16 | 1.0 | 63 | 3 | 12 | 8.5 | 12 | 21 | 84 | 6 | 19 | 10 | 标准 | 高速用 | 刮擦器(防水用) | 带垫+带头 | 30 | 34 | 50000 | 12 | 1.8 | 3.5 | 3.5 | 20 | 0.3 | 7 | 11 | 81 | CAD | 请求报价 |
| PHE16-10NWDD-A | M16 | 1.0 | 63 | 3 | 4 | - | 12 | - | 75 | 6 | 19 | 10 | 标准 | 超高速用 | 没有保护机构 | 没有头部 | 28 | 30 | 50000 | 12 | 3 | 5 | 3.5 | 20 | 0.3 | 7 | 11 | 75 | CAD | 请求报价 |
| PHE16-10NWDS-A | M16 | 1.0 | 63 | 3 | 12 | 8.5 | 12 | 21 | 84 | 6 | 19 | 10 | 标准 | 超高速用 | 没有保护机构 | 带头 | 28 | 30 | 50000 | 12 | 3 | 5 | 3.5 | 20 | 0.3 | 7 | 11 | 82 | CAD | 请求报价 |
| PHE16-10NWDK-A | M16 | 1.0 | 63 | 3 | 12 | 8.5 | 12 | 21 | 84 | 6 | 19 | 10 | 标准 | 超高速用 | 没有保护机构 | 带垫+带头 | 28 | 30 | 50000 | 12 | 3 | 5 | 3.5 | 20 | 0.3 | 7 | 11 | 81 | CAD | 请求报价 |
| PHE16-10NWFD-A | M16 | 1.0 | 63 | 3 | 4 | - | 12 | - | 75 | 6 | 19 | 10 | 标准 | 超高速用 | 毡环(防尘用) | 没有头部 | 28 | 30 | 50000 | 12 | 3 | 5 | 3.5 | 20 | 0.3 | 7 | 11 | 75 | CAD | 请求报价 |
| PHE16-10NWFS-A | M16 | 1.0 | 63 | 3 | 12 | 8.5 | 12 | 21 | 84 | 6 | 19 | 10 | 标准 | 超高速用 | 毡环(防尘用) | 带头 | 28 | 30 | 50000 | 12 | 3 | 5 | 3.5 | 20 | 0.3 | 7 | 11 | 82 | CAD | 请求报价 |
| PHE16-10NWFK-A | M16 | 1.0 | 63 | 3 | 12 | 8.5 | 12 | 21 | 84 | 6 | 19 | 10 | 标准 | 超高速用 | 毡环(防尘用) | 带垫+带头 | 28 | 30 | 50000 | 12 | 3 | 5 | 3.5 | 20 | 0.3 | 7 | 11 | 81 | CAD | 请求报价 |
| PHE16-10NWAD-A | M16 | 1.0 | 63 | 3 | 4 | - | 12 | - | 75 | 6 | 19 | 10 | 标准 | 超高速用 | 刮擦器(防水用) | 没有头部 | 28 | 30 | 50000 | 12 | 3 | 5 | 3.5 | 20 | 0.3 | 7 | 11 | 75 | CAD | 请求报价 |
| PHE16-10NWAS-A | M16 | 1.0 | 63 | 3 | 12 | 8.5 | 12 | 21 | 84 | 6 | 19 | 10 | 标准 | 超高速用 | 刮擦器(防水用) | 带头 | 28 | 30 | 50000 | 12 | 3 | 5 | 3.5 | 20 | 0.3 | 7 | 11 | 82 | CAD | 请求报价 |
| PHE16-10NWAK-A | M16 | 1.0 | 63 | 3 | 12 | 8.5 | 12 | 21 | 84 | 6 | 19 | 10 | 标准 | 超高速用 | 刮擦器(防水用) | 带垫+带头 | 28 | 30 | 50000 | 12 | 3 | 5 | 3.5 | 20 | 0.3 | 7 | 11 | 81 | CAD | 请求报价 |
| PHE16-10LHDD-A | M16 | 1.0 | 82 | 3 | 4 | - | 20 | - | 102 | 6 | 19 | 10 | 加长型 | 低速用 | 没有保护机构 | 没有头部 | 34 | 42 | 50000 | 20 | 0.1 | 1.2 | 3.5 | 20 | 0.4 | 7 | 11 | 98 | CAD | 请求报价 |
| PHE16-10LHDS-A | M16 | 1.0 | 82 | 3 | 12 | 8.5 | 20 | 29 | 111 | 6 | 19 | 10 | 加长型 | 低速用 | 没有保护机构 | 带头 | 34 | 42 | 50000 | 20 | 0.1 | 1.2 | 3.5 | 20 | 0.4 | 7 | 11 | 105 | CAD | 请求报价 |
| PHE16-10LHDK-A | M16 | 1.0 | 82 | 3 | 12 | 8.5 | 20 | 29 | 111 | 6 | 19 | 10 | 加长型 | 低速用 | 没有保护机构 | 带垫+带头 | 34 | 42 | 50000 | 20 | 0.1 | 1.2 | 3.5 | 20 | 0.4 | 7 | 11 | 104 | CAD | 请求报价 |
| PHE16-10LHFD-A | M16 | 1.0 | 82 | 3 | 4 | - | 20 | - | 102 | 6 | 19 | 10 | 加长型 | 低速用 | 毡环(防尘用) | 没有头部 | 34 | 42 | 50000 | 20 | 0.1 | 1.2 | 3.5 | 20 | 0.4 | 7 | 11 | 98 | CAD | 请求报价 |
| PHE16-10LHFS-A | M16 | 1.0 | 82 | 3 | 12 | 8.5 | 20 | 29 | 111 | 6 | 19 | 10 | 加长型 | 低速用 | 毡环(防尘用) | 带头 | 34 | 42 | 50000 | 20 | 0.1 | 1.2 | 3.5 | 20 | 0.4 | 7 | 11 | 105 | CAD | 请求报价 |
| PHE16-10LHFK-A | M16 | 1.0 | 82 | 3 | 12 | 8.5 | 20 | 29 | 111 | 6 | 19 | 10 | 加长型 | 低速用 | 毡环(防尘用) | 带垫+带头 | 34 | 42 | 50000 | 20 | 0.1 | 1.2 | 3.5 | 20 | 0.4 | 7 | 11 | 104 | CAD | 请求报价 |
| PHE16-10LHAD-A | M16 | 1.0 | 82 | 3 | 4 | - | 20 | - | 102 | 6 | 19 | 10 | 加长型 | 低速用 | 刮擦器(防水用) | 没有头部 | 34 | 42 | 50000 | 20 | 0.1 | 1.2 | 3.5 | 20 | 0.4 | 7 | 11 | 98 | CAD | 请求报价 |
| PHE16-10LHAS-A | M16 | 1.0 | 82 | 3 | 12 | 8.5 | 20 | 29 | 111 | 6 | 19 | 10 | 加长型 | 低速用 | 刮擦器(防水用) | 带头 | 34 | 42 | 50000 | 20 | 0.1 | 1.2 | 3.5 | 20 | 0.4 | 7 | 11 | 105 | CAD | 请求报价 |
| PHE16-10LHAK-A | M16 | 1.0 | 82 | 3 | 12 | 8.5 | 20 | 29 | 111 | 6 | 19 | 10 | 加长型 | 低速用 | 刮擦器(防水用) | 带垫+带头 | 34 | 42 | 50000 | 20 | 0.1 | 1.2 | 3.5 | 20 | 0.4 | 7 | 11 | 104 | CAD | 请求报价 |
| PHE16-10LMDD-A | M16 | 1.0 | 82 | 3 | 4 | - | 20 | - | 102 | 6 | 19 | 10 | 加长型 | 中速用 | 没有保护机构 | 没有头部 | 32 | 38 | 50000 | 20 | 0.8 | 2.2 | 3.5 | 20 | 0.4 | 7 | 11 | 98 | CAD | 请求报价 |
| PHE16-10LMDS-A | M16 | 1.0 | 82 | 3 | 12 | 8.5 | 20 | 29 | 111 | 6 | 19 | 10 | 加长型 | 中速用 | 没有保护机构 | 带头 | 32 | 38 | 50000 | 20 | 0.8 | 2.2 | 3.5 | 20 | 0.4 | 7 | 11 | 105 | CAD | 请求报价 |
| PHE16-10LMDK-A | M16 | 1.0 | 82 | 3 | 12 | 8.5 | 20 | 29 | 111 | 6 | 19 | 10 | 加长型 | 中速用 | 没有保护机构 | 带垫+带头 | 32 | 38 | 50000 | 20 | 0.8 | 2.2 | 3.5 | 20 | 0.4 | 7 | 11 | 104 | CAD | 请求报价 |
| PHE16-10LMFD-A | M16 | 1.0 | 82 | 3 | 4 | - | 20 | - | 102 | 6 | 19 | 10 | 加长型 | 中速用 | 毡环(防尘用) | 没有头部 | 32 | 38 | 50000 | 20 | 0.8 | 2.2 | 3.5 | 20 | 0.4 | 7 | 11 | 98 | CAD | 请求报价 |
| PHE16-10LMFS-A | M16 | 1.0 | 82 | 3 | 12 | 8.5 | 20 | 29 | 111 | 6 | 19 | 10 | 加长型 | 中速用 | 毡环(防尘用) | 带头 | 32 | 38 | 50000 | 20 | 0.8 | 2.2 | 3.5 | 20 | 0.4 | 7 | 11 | 105 | CAD | 请求报价 |
| PHE16-10LMFK-A | M16 | 1.0 | 82 | 3 | 12 | 8.5 | 20 | 29 | 111 | 6 | 19 | 10 | 加长型 | 中速用 | 毡环(防尘用) | 带垫+带头 | 32 | 38 | 50000 | 20 | 0.8 | 2.2 | 3.5 | 20 | 0.4 | 7 | 11 | 104 | CAD | 请求报价 |
| PHE16-10LMAD-A | M16 | 1.0 | 82 | 3 | 4 | - | 20 | - | 102 | 6 | 19 | 10 | 加长型 | 中速用 | 刮擦器(防水用) | 没有头部 | 32 | 38 | 50000 | 20 | 0.8 | 2.2 | 3.5 | 20 | 0.4 | 7 | 11 | 98 | CAD | 请求报价 |
| PHE16-10LMAS-A | M16 | 1.0 | 82 | 3 | 12 | 8.5 | 20 | 29 | 111 | 6 | 19 | 10 | 加长型 | 中速用 | 刮擦器(防水用) | 带头 | 32 | 38 | 50000 | 20 | 0.8 | 2.2 | 3.5 | 20 | 0.4 | 7 | 11 | 105 | CAD | 请求报价 |
| PHE16-10LMAK-A | M16 | 1.0 | 82 | 3 | 12 | 8.5 | 20 | 29 | 111 | 6 | 19 | 10 | 加长型 | 中速用 | 刮擦器(防水用) | 带垫+带头 | 32 | 38 | 50000 | 20 | 0.8 | 2.2 | 3.5 | 20 | 0.4 | 7 | 11 | 104 | CAD | 请求报价 |
| PHE16-10LSDD-A | M16 | 1.0 | 82 | 3 | 4 | - | 20 | - | 102 | 6 | 19 | 10 | 加长型 | 高速用 | 没有保护机构 | 没有头部 | 30 | 34 | 50000 | 20 | 1.8 | 3.5 | 3.5 | 20 | 0.4 | 7 | 11 | 98 | CAD | 请求报价 |
| PHE16-10LSDS-A | M16 | 1.0 | 82 | 3 | 12 | 8.5 | 20 | 29 | 111 | 6 | 19 | 10 | 加长型 | 高速用 | 没有保护机构 | 带头 | 30 | 34 | 50000 | 20 | 1.8 | 3.5 | 3.5 | 20 | 0.4 | 7 | 11 | 105 | CAD | 请求报价 |
| PHE16-10LSDK-A | M16 | 1.0 | 82 | 3 | 12 | 8.5 | 20 | 29 | 111 | 6 | 19 | 10 | 加长型 | 高速用 | 没有保护机构 | 带垫+带头 | 30 | 34 | 50000 | 20 | 1.8 | 3.5 | 3.5 | 20 | 0.4 | 7 | 11 | 104 | CAD | 请求报价 |
| PHE16-10LSFD-A | M16 | 1.0 | 82 | 3 | 4 | - | 20 | - | 102 | 6 | 19 | 10 | 加长型 | 高速用 | 毡环(防尘用) | 没有头部 | 30 | 34 | 50000 | 20 | 1.8 | 3.5 | 3.5 | 20 | 0.4 | 7 | 11 | 98 | CAD | 请求报价 |
| PHE16-10LSFS-A | M16 | 1.0 | 82 | 3 | 12 | 8.5 | 20 | 29 | 111 | 6 | 19 | 10 | 加长型 | 高速用 | 毡环(防尘用) | 带头 | 30 | 34 | 50000 | 20 | 1.8 | 3.5 | 3.5 | 20 | 0.4 | 7 | 11 | 105 | CAD | 请求报价 |
| PHE16-10LSFK-A | M16 | 1.0 | 82 | 3 | 12 | 8.5 | 20 | 29 | 111 | 6 | 19 | 10 | 加长型 | 高速用 | 毡环(防尘用) | 带垫+带头 | 30 | 34 | 50000 | 20 | 1.8 | 3.5 | 3.5 | 20 | 0.4 | 7 | 11 | 104 | CAD | 请求报价 |
| PHE16-10LSAD-A | M16 | 1.0 | 82 | 3 | 4 | - | 20 | - | 102 | 6 | 19 | 10 | 加长型 | 高速用 | 刮擦器(防水用) | 没有头部 | 30 | 34 | 50000 | 20 | 1.8 | 3.5 | 3.5 | 20 | 0.4 | 7 | 11 | 98 | CAD | 请求报价 |
| PHE16-10LSAS-A | M16 | 1.0 | 82 | 3 | 12 | 8.5 | 20 | 29 | 111 | 6 | 19 | 10 | 加长型 | 高速用 | 刮擦器(防水用) | 带头 | 30 | 34 | 50000 | 20 | 1.8 | 3.5 | 3.5 | 20 | 0.4 | 7 | 11 | 105 | CAD | 请求报价 |
| PHE16-10LSAK-A | M16 | 1.0 | 82 | 3 | 12 | 8.5 | 20 | 29 | 111 | 6 | 19 | 10 | 加长型 | 高速用 | 刮擦器(防水用) | 带垫+带头 | 30 | 34 | 50000 | 20 | 1.8 | 3.5 | 3.5 | 20 | 0.4 | 7 | 11 | 104 | CAD | 请求报价 |
| PHE16-10LWDD-A | M16 | 1.0 | 82 | 3 | 4 | - | 20 | - | 102 | 6 | 19 | 10 | 加长型 | 超高速用 | 没有保护机构 | 没有头部 | 28 | 30 | 50000 | 20 | 3 | 5 | 3.5 | 20 | 0.4 | 7 | 11 | 98 | CAD | 请求报价 |
| PHE16-10LWDS-A | M16 | 1.0 | 82 | 3 | 12 | 8.5 | 20 | 29 | 111 | 6 | 19 | 10 | 加长型 | 超高速用 | 没有保护机构 | 带头 | 28 | 30 | 50000 | 20 | 3 | 5 | 3.5 | 20 | 0.4 | 7 | 11 | 105 | CAD | 请求报价 |
| PHE16-10LWDK-A | M16 | 1.0 | 82 | 3 | 12 | 8.5 | 20 | 29 | 111 | 6 | 19 | 10 | 加长型 | 超高速用 | 没有保护机构 | 带垫+带头 | 28 | 30 | 50000 | 20 | 3 | 5 | 3.5 | 20 | 0.4 | 7 | 11 | 104 | CAD | 请求报价 |
| PHE16-10LWFD-A | M16 | 1.0 | 82 | 3 | 4 | - | 20 | - | 102 | 6 | 19 | 10 | 加长型 | 超高速用 | 毡环(防尘用) | 没有头部 | 28 | 30 | 50000 | 20 | 3 | 5 | 3.5 | 20 | 0.4 | 7 | 11 | 98 | CAD | 请求报价 |
| PHE16-10LWFS-A | M16 | 1.0 | 82 | 3 | 12 | 8.5 | 20 | 29 | 111 | 6 | 19 | 10 | 加长型 | 超高速用 | 毡环(防尘用) | 带头 | 28 | 30 | 50000 | 20 | 3 | 5 | 3.5 | 20 | 0.4 | 7 | 11 | 105 | CAD | 请求报价 |
| PHE16-10LWFK-A | M16 | 1.0 | 82 | 3 | 12 | 8.5 | 20 | 29 | 111 | 6 | 19 | 10 | 加长型 | 超高速用 | 毡环(防尘用) | 带垫+带头 | 28 | 30 | 50000 | 20 | 3 | 5 | 3.5 | 20 | 0.4 | 7 | 11 | 104 | CAD | 请求报价 |
| PHE16-10LWAD-A | M16 | 1.0 | 82 | 3 | 4 | - | 20 | - | 102 | 6 | 19 | 10 | 加长型 | 超高速用 | 刮擦器(防水用) | 没有头部 | 28 | 30 | 50000 | 20 | 3 | 5 | 3.5 | 20 | 0.4 | 7 | 11 | 98 | CAD | 请求报价 |
| PHE16-10LWAS-A | M16 | 1.0 | 82 | 3 | 12 | 8.5 | 20 | 29 | 111 | 6 | 19 | 10 | 加长型 | 超高速用 | 刮擦器(防水用) | 带头 | 28 | 30 | 50000 | 20 | 3 | 5 | 3.5 | 20 | 0.4 | 7 | 11 | 105 | CAD | 请求报价 |
| PHE16-10LWAK-A | M16 | 1.0 | 82 | 3 | 12 | 8.5 | 20 | 29 | 111 | 6 | 19 | 10 | 加长型 | 超高速用 | 刮擦器(防水用) | 带垫+带头 | 28 | 30 | 50000 | 20 | 3 | 5 | 3.5 | 20 | 0.4 | 7 | 11 | 104 | CAD | 请求报价 |
| PHE16-15NHDD-A | M16 | 1.5 | 63 | 3 | 4 | - | 12 | - | 75 | 6 | 19 | 10 | 标准 | 低速用 | 没有保护机构 | 没有头部 | 34 | 42 | 50000 | 12 | 0.1 | 1.2 | 3.5 | 20 | 0.3 | 7 | 11 | 74 | CAD | 请求报价 |
| PHE16-15NHDS-A | M16 | 1.5 | 63 | 3 | 12 | 8.5 | 12 | 21 | 84 | 6 | 19 | 10 | 标准 | 低速用 | 没有保护机构 | 带头 | 34 | 42 | 50000 | 12 | 0.1 | 1.2 | 3.5 | 20 | 0.3 | 7 | 11 | 81 | CAD | 请求报价 |
| PHE16-15NHDK-A | M16 | 1.5 | 63 | 3 | 12 | 8.5 | 12 | 21 | 84 | 6 | 19 | 10 | 标准 | 低速用 | 没有保护机构 | 带垫+带头 | 34 | 42 | 50000 | 12 | 0.1 | 1.2 | 3.5 | 20 | 0.3 | 7 | 11 | 80 | CAD | 请求报价 |
| PHE16-15NHFD-A | M16 | 1.5 | 63 | 3 | 4 | - | 12 | - | 75 | 6 | 19 | 10 | 标准 | 低速用 | 毡环(防尘用) | 没有头部 | 34 | 42 | 50000 | 12 | 0.1 | 1.2 | 3.5 | 20 | 0.3 | 7 | 11 | 74 | CAD | 请求报价 |
| PHE16-15NHFS-A | M16 | 1.5 | 63 | 3 | 12 | 8.5 | 12 | 21 | 84 | 6 | 19 | 10 | 标准 | 低速用 | 毡环(防尘用) | 带头 | 34 | 42 | 50000 | 12 | 0.1 | 1.2 | 3.5 | 20 | 0.3 | 7 | 11 | 81 | CAD | 请求报价 |
| PHE16-15NHFK-A | M16 | 1.5 | 63 | 3 | 12 | 8.5 | 12 | 21 | 84 | 6 | 19 | 10 | 标准 | 低速用 | 毡环(防尘用) | 带垫+带头 | 34 | 42 | 50000 | 12 | 0.1 | 1.2 | 3.5 | 20 | 0.3 | 7 | 11 | 80 | CAD | 请求报价 |
| PHE16-15NHAD-A | M16 | 1.5 | 63 | 3 | 4 | - | 12 | - | 75 | 6 | 19 | 10 | 标准 | 低速用 | 刮擦器(防水用) | 没有头部 | 34 | 42 | 50000 | 12 | 0.1 | 1.2 | 3.5 | 20 | 0.3 | 7 | 11 | 74 | CAD | 请求报价 |
| PHE16-15NHAS-A | M16 | 1.5 | 63 | 3 | 12 | 8.5 | 12 | 21 | 84 | 6 | 19 | 10 | 标准 | 低速用 | 刮擦器(防水用) | 带头 | 34 | 42 | 50000 | 12 | 0.1 | 1.2 | 3.5 | 20 | 0.3 | 7 | 11 | 81 | CAD | 请求报价 |
| PHE16-15NHAK-A | M16 | 1.5 | 63 | 3 | 12 | 8.5 | 12 | 21 | 84 | 6 | 19 | 10 | 标准 | 低速用 | 刮擦器(防水用) | 带垫+带头 | 34 | 42 | 50000 | 12 | 0.1 | 1.2 | 3.5 | 20 | 0.3 | 7 | 11 | 80 | CAD | 请求报价 |
| PHE16-15NMDD-A | M16 | 1.5 | 63 | 3 | 4 | - | 12 | - | 75 | 6 | 19 | 10 | 标准 | 中速用 | 没有保护机构 | 没有头部 | 32 | 38 | 50000 | 12 | 0.8 | 2.2 | 3.5 | 20 | 0.3 | 7 | 11 | 74 | CAD | 请求报价 |
| PHE16-15NMDS-A | M16 | 1.5 | 63 | 3 | 12 | 8.5 | 12 | 21 | 84 | 6 | 19 | 10 | 标准 | 中速用 | 没有保护机构 | 带头 | 32 | 38 | 50000 | 12 | 0.8 | 2.2 | 3.5 | 20 | 0.3 | 7 | 11 | 81 | CAD | 请求报价 |
| PHE16-15NMDK-A | M16 | 1.5 | 63 | 3 | 12 | 8.5 | 12 | 21 | 84 | 6 | 19 | 10 | 标准 | 中速用 | 没有保护机构 | 带垫+带头 | 32 | 38 | 50000 | 12 | 0.8 | 2.2 | 3.5 | 20 | 0.3 | 7 | 11 | 80 | CAD | 请求报价 |
| PHE16-15NMFD-A | M16 | 1.5 | 63 | 3 | 4 | - | 12 | - | 75 | 6 | 19 | 10 | 标准 | 中速用 | 毡环(防尘用) | 没有头部 | 32 | 38 | 50000 | 12 | 0.8 | 2.2 | 3.5 | 20 | 0.3 | 7 | 11 | 74 | CAD | 请求报价 |
| PHE16-15NMFS-A | M16 | 1.5 | 63 | 3 | 12 | 8.5 | 12 | 21 | 84 | 6 | 19 | 10 | 标准 | 中速用 | 毡环(防尘用) | 带头 | 32 | 38 | 50000 | 12 | 0.8 | 2.2 | 3.5 | 20 | 0.3 | 7 | 11 | 81 | CAD | 请求报价 |
| PHE16-15NMFK-A | M16 | 1.5 | 63 | 3 | 12 | 8.5 | 12 | 21 | 84 | 6 | 19 | 10 | 标准 | 中速用 | 毡环(防尘用) | 带垫+带头 | 32 | 38 | 50000 | 12 | 0.8 | 2.2 | 3.5 | 20 | 0.3 | 7 | 11 | 80 | CAD | 请求报价 |
| PHE16-15NMAD-A | M16 | 1.5 | 63 | 3 | 4 | - | 12 | - | 75 | 6 | 19 | 10 | 标准 | 中速用 | 刮擦器(防水用) | 没有头部 | 32 | 38 | 50000 | 12 | 0.8 | 2.2 | 3.5 | 20 | 0.3 | 7 | 11 | 74 | CAD | 请求报价 |
| PHE16-15NMAS-A | M16 | 1.5 | 63 | 3 | 12 | 8.5 | 12 | 21 | 84 | 6 | 19 | 10 | 标准 | 中速用 | 刮擦器(防水用) | 带头 | 32 | 38 | 50000 | 12 | 0.8 | 2.2 | 3.5 | 20 | 0.3 | 7 | 11 | 81 | CAD | 请求报价 |
| PHE16-15NMAK-A | M16 | 1.5 | 63 | 3 | 12 | 8.5 | 12 | 21 | 84 | 6 | 19 | 10 | 标准 | 中速用 | 刮擦器(防水用) | 带垫+带头 | 32 | 38 | 50000 | 12 | 0.8 | 2.2 | 3.5 | 20 | 0.3 | 7 | 11 | 80 | CAD | 请求报价 |
| PHE16-15NSDD-A | M16 | 1.5 | 63 | 3 | 4 | - | 12 | - | 75 | 6 | 19 | 10 | 标准 | 高速用 | 没有保护机构 | 没有头部 | 30 | 34 | 50000 | 12 | 1.8 | 3.5 | 3.5 | 20 | 0.3 | 7 | 11 | 74 | CAD | 请求报价 |
| PHE16-15NSDS-A | M16 | 1.5 | 63 | 3 | 12 | 8.5 | 12 | 21 | 84 | 6 | 19 | 10 | 标准 | 高速用 | 没有保护机构 | 带头 | 30 | 34 | 50000 | 12 | 1.8 | 3.5 | 3.5 | 20 | 0.3 | 7 | 11 | 81 | CAD | 请求报价 |
| PHE16-15NSDK-A | M16 | 1.5 | 63 | 3 | 12 | 8.5 | 12 | 21 | 84 | 6 | 19 | 10 | 标准 | 高速用 | 没有保护机构 | 带垫+带头 | 30 | 34 | 50000 | 12 | 1.8 | 3.5 | 3.5 | 20 | 0.3 | 7 | 11 | 80 | CAD | 请求报价 |
| PHE16-15NSFD-A | M16 | 1.5 | 63 | 3 | 4 | - | 12 | - | 75 | 6 | 19 | 10 | 标准 | 高速用 | 毡环(防尘用) | 没有头部 | 30 | 34 | 50000 | 12 | 1.8 | 3.5 | 3.5 | 20 | 0.3 | 7 | 11 | 74 | CAD | 请求报价 |
| PHE16-15NSFS-A | M16 | 1.5 | 63 | 3 | 12 | 8.5 | 12 | 21 | 84 | 6 | 19 | 10 | 标准 | 高速用 | 毡环(防尘用) | 带头 | 30 | 34 | 50000 | 12 | 1.8 | 3.5 | 3.5 | 20 | 0.3 | 7 | 11 | 81 | CAD | 请求报价 |
| PHE16-15NSFK-A | M16 | 1.5 | 63 | 3 | 12 | 8.5 | 12 | 21 | 84 | 6 | 19 | 10 | 标准 | 高速用 | 毡环(防尘用) | 带垫+带头 | 30 | 34 | 50000 | 12 | 1.8 | 3.5 | 3.5 | 20 | 0.3 | 7 | 11 | 80 | CAD | 请求报价 |
| PHE16-15NSAD-A | M16 | 1.5 | 63 | 3 | 4 | - | 12 | - | 75 | 6 | 19 | 10 | 标准 | 高速用 | 刮擦器(防水用) | 没有头部 | 30 | 34 | 50000 | 12 | 1.8 | 3.5 | 3.5 | 20 | 0.3 | 7 | 11 | 74 | CAD | 请求报价 |
| PHE16-15NSAS-A | M16 | 1.5 | 63 | 3 | 12 | 8.5 | 12 | 21 | 84 | 6 | 19 | 10 | 标准 | 高速用 | 刮擦器(防水用) | 带头 | 30 | 34 | 50000 | 12 | 1.8 | 3.5 | 3.5 | 20 | 0.3 | 7 | 11 | 81 | CAD | 请求报价 |
| PHE16-15NSAK-A | M16 | 1.5 | 63 | 3 | 12 | 8.5 | 12 | 21 | 84 | 6 | 19 | 10 | 标准 | 高速用 | 刮擦器(防水用) | 带垫+带头 | 30 | 34 | 50000 | 12 | 1.8 | 3.5 | 3.5 | 20 | 0.3 | 7 | 11 | 80 | CAD | 请求报价 |
| PHE16-15NWDD-A | M16 | 1.5 | 63 | 3 | 4 | - | 12 | - | 75 | 6 | 19 | 10 | 标准 | 超高速用 | 没有保护机构 | 没有头部 | 28 | 30 | 50000 | 12 | 3 | 5 | 3.5 | 20 | 0.3 | 7 | 11 | 74 | CAD | 请求报价 |
| PHE16-15NWDS-A | M16 | 1.5 | 63 | 3 | 12 | 8.5 | 12 | 21 | 84 | 6 | 19 | 10 | 标准 | 超高速用 | 没有保护机构 | 带头 | 28 | 30 | 50000 | 12 | 3 | 5 | 3.5 | 20 | 0.3 | 7 | 11 | 81 | CAD | 请求报价 |
| PHE16-15NWDK-A | M16 | 1.5 | 63 | 3 | 12 | 8.5 | 12 | 21 | 84 | 6 | 19 | 10 | 标准 | 超高速用 | 没有保护机构 | 带垫+带头 | 28 | 30 | 50000 | 12 | 3 | 5 | 3.5 | 20 | 0.3 | 7 | 11 | 80 | CAD | 请求报价 |
| PHE16-15NWFD-A | M16 | 1.5 | 63 | 3 | 4 | - | 12 | - | 75 | 6 | 19 | 10 | 标准 | 超高速用 | 毡环(防尘用) | 没有头部 | 28 | 30 | 50000 | 12 | 3 | 5 | 3.5 | 20 | 0.3 | 7 | 11 | 74 | CAD | 请求报价 |
| PHE16-15NWFS-A | M16 | 1.5 | 63 | 3 | 12 | 8.5 | 12 | 21 | 84 | 6 | 19 | 10 | 标准 | 超高速用 | 毡环(防尘用) | 带头 | 28 | 30 | 50000 | 12 | 3 | 5 | 3.5 | 20 | 0.3 | 7 | 11 | 81 | CAD | 请求报价 |
| PHE16-15NWFK-A | M16 | 1.5 | 63 | 3 | 12 | 8.5 | 12 | 21 | 84 | 6 | 19 | 10 | 标准 | 超高速用 | 毡环(防尘用) | 带垫+带头 | 28 | 30 | 50000 | 12 | 3 | 5 | 3.5 | 20 | 0.3 | 7 | 11 | 80 | CAD | 请求报价 |
| PHE16-15NWAD-A | M16 | 1.5 | 63 | 3 | 4 | - | 12 | - | 75 | 6 | 19 | 10 | 标准 | 超高速用 | 刮擦器(防水用) | 没有头部 | 28 | 30 | 50000 | 12 | 3 | 5 | 3.5 | 20 | 0.3 | 7 | 11 | 74 | CAD | 请求报价 |
| PHE16-15NWAS-A | M16 | 1.5 | 63 | 3 | 12 | 8.5 | 12 | 21 | 84 | 6 | 19 | 10 | 标准 | 超高速用 | 刮擦器(防水用) | 带头 | 28 | 30 | 50000 | 12 | 3 | 5 | 3.5 | 20 | 0.3 | 7 | 11 | 81 | CAD | 请求报价 |
| PHE16-15NWAK-A | M16 | 1.5 | 63 | 3 | 12 | 8.5 | 12 | 21 | 84 | 6 | 19 | 10 | 标准 | 超高速用 | 刮擦器(防水用) | 带垫+带头 | 28 | 30 | 50000 | 12 | 3 | 5 | 3.5 | 20 | 0.3 | 7 | 11 | 80 | CAD | 请求报价 |
| PHE16-15LHDD-A | M16 | 1.5 | 82 | 3 | 4 | - | 20 | - | 102 | 6 | 19 | 10 | 加长型 | 低速用 | 没有保护机构 | 没有头部 | 34 | 42 | 50000 | 20 | 0.1 | 1.2 | 3.5 | 20 | 0.4 | 7 | 11 | 96 | CAD | 请求报价 |
| PHE16-15LHDS-A | M16 | 1.5 | 82 | 3 | 12 | 8.5 | 20 | 29 | 111 | 6 | 19 | 10 | 加长型 | 低速用 | 没有保护机构 | 带头 | 34 | 42 | 50000 | 20 | 0.1 | 1.2 | 3.5 | 20 | 0.4 | 7 | 11 | 103 | CAD | 请求报价 |
| PHE16-15LHDK-A | M16 | 1.5 | 82 | 3 | 12 | 8.5 | 20 | 29 | 111 | 6 | 19 | 10 | 加长型 | 低速用 | 没有保护机构 | 带垫+带头 | 34 | 42 | 50000 | 20 | 0.1 | 1.2 | 3.5 | 20 | 0.4 | 7 | 11 | 102 | CAD | 请求报价 |
| PHE16-15LHFD-A | M16 | 1.5 | 82 | 3 | 4 | - | 20 | - | 102 | 6 | 19 | 10 | 加长型 | 低速用 | 毡环(防尘用) | 没有头部 | 34 | 42 | 50000 | 20 | 0.1 | 1.2 | 3.5 | 20 | 0.4 | 7 | 11 | 96 | CAD | 请求报价 |
| PHE16-15LHFS-A | M16 | 1.5 | 82 | 3 | 12 | 8.5 | 20 | 29 | 111 | 6 | 19 | 10 | 加长型 | 低速用 | 毡环(防尘用) | 带头 | 34 | 42 | 50000 | 20 | 0.1 | 1.2 | 3.5 | 20 | 0.4 | 7 | 11 | 103 | CAD | 请求报价 |
| PHE16-15LHFK-A | M16 | 1.5 | 82 | 3 | 12 | 8.5 | 20 | 29 | 111 | 6 | 19 | 10 | 加长型 | 低速用 | 毡环(防尘用) | 带垫+带头 | 34 | 42 | 50000 | 20 | 0.1 | 1.2 | 3.5 | 20 | 0.4 | 7 | 11 | 102 | CAD | 请求报价 |
| PHE16-15LHAD-A | M16 | 1.5 | 82 | 3 | 4 | - | 20 | - | 102 | 6 | 19 | 10 | 加长型 | 低速用 | 刮擦器(防水用) | 没有头部 | 34 | 42 | 50000 | 20 | 0.1 | 1.2 | 3.5 | 20 | 0.4 | 7 | 11 | 96 | CAD | 请求报价 |
| PHE16-15LHAS-A | M16 | 1.5 | 82 | 3 | 12 | 8.5 | 20 | 29 | 111 | 6 | 19 | 10 | 加长型 | 低速用 | 刮擦器(防水用) | 带头 | 34 | 42 | 50000 | 20 | 0.1 | 1.2 | 3.5 | 20 | 0.4 | 7 | 11 | 103 | CAD | 请求报价 |
| PHE16-15LHAK-A | M16 | 1.5 | 82 | 3 | 12 | 8.5 | 20 | 29 | 111 | 6 | 19 | 10 | 加长型 | 低速用 | 刮擦器(防水用) | 带垫+带头 | 34 | 42 | 50000 | 20 | 0.1 | 1.2 | 3.5 | 20 | 0.4 | 7 | 11 | 102 | CAD | 请求报价 |
| PHE16-15LMDD-A | M16 | 1.5 | 82 | 3 | 4 | - | 20 | - | 102 | 6 | 19 | 10 | 加长型 | 中速用 | 没有保护机构 | 没有头部 | 32 | 38 | 50000 | 20 | 0.8 | 2.2 | 3.5 | 20 | 0.4 | 7 | 11 | 96 | CAD | 请求报价 |
| PHE16-15LMDS-A | M16 | 1.5 | 82 | 3 | 12 | 8.5 | 20 | 29 | 111 | 6 | 19 | 10 | 加长型 | 中速用 | 没有保护机构 | 带头 | 32 | 38 | 50000 | 20 | 0.8 | 2.2 | 3.5 | 20 | 0.4 | 7 | 11 | 103 | CAD | 请求报价 |
| PHE16-15LMDK-A | M16 | 1.5 | 82 | 3 | 12 | 8.5 | 20 | 29 | 111 | 6 | 19 | 10 | 加长型 | 中速用 | 没有保护机构 | 带垫+带头 | 32 | 38 | 50000 | 20 | 0.8 | 2.2 | 3.5 | 20 | 0.4 | 7 | 11 | 102 | CAD | 请求报价 |
| PHE16-15LMFD-A | M16 | 1.5 | 82 | 3 | 4 | - | 20 | - | 102 | 6 | 19 | 10 | 加长型 | 中速用 | 毡环(防尘用) | 没有头部 | 32 | 38 | 50000 | 20 | 0.8 | 2.2 | 3.5 | 20 | 0.4 | 7 | 11 | 96 | CAD | 请求报价 |
| PHE16-15LMFS-A | M16 | 1.5 | 82 | 3 | 12 | 8.5 | 20 | 29 | 111 | 6 | 19 | 10 | 加长型 | 中速用 | 毡环(防尘用) | 带头 | 32 | 38 | 50000 | 20 | 0.8 | 2.2 | 3.5 | 20 | 0.4 | 7 | 11 | 103 | CAD | 请求报价 |
| PHE16-15LMFK-A | M16 | 1.5 | 82 | 3 | 12 | 8.5 | 20 | 29 | 111 | 6 | 19 | 10 | 加长型 | 中速用 | 毡环(防尘用) | 带垫+带头 | 32 | 38 | 50000 | 20 | 0.8 | 2.2 | 3.5 | 20 | 0.4 | 7 | 11 | 102 | CAD | 请求报价 |
| PHE16-15LMAD-A | M16 | 1.5 | 82 | 3 | 4 | - | 20 | - | 102 | 6 | 19 | 10 | 加长型 | 中速用 | 刮擦器(防水用) | 没有头部 | 32 | 38 | 50000 | 20 | 0.8 | 2.2 | 3.5 | 20 | 0.4 | 7 | 11 | 96 | CAD | 请求报价 |
| PHE16-15LMAS-A | M16 | 1.5 | 82 | 3 | 12 | 8.5 | 20 | 29 | 111 | 6 | 19 | 10 | 加长型 | 中速用 | 刮擦器(防水用) | 带头 | 32 | 38 | 50000 | 20 | 0.8 | 2.2 | 3.5 | 20 | 0.4 | 7 | 11 | 103 | CAD | 请求报价 |
| PHE16-15LMAK-A | M16 | 1.5 | 82 | 3 | 12 | 8.5 | 20 | 29 | 111 | 6 | 19 | 10 | 加长型 | 中速用 | 刮擦器(防水用) | 带垫+带头 | 32 | 38 | 50000 | 20 | 0.8 | 2.2 | 3.5 | 20 | 0.4 | 7 | 11 | 102 | CAD | 请求报价 |
| PHE16-15LSDD-A | M16 | 1.5 | 82 | 3 | 4 | - | 20 | - | 102 | 6 | 19 | 10 | 加长型 | 高速用 | 没有保护机构 | 没有头部 | 30 | 34 | 50000 | 20 | 1.8 | 3.5 | 3.5 | 20 | 0.4 | 7 | 11 | 96 | CAD | 请求报价 |
| PHE16-15LSDS-A | M16 | 1.5 | 82 | 3 | 12 | 8.5 | 20 | 29 | 111 | 6 | 19 | 10 | 加长型 | 高速用 | 没有保护机构 | 带头 | 30 | 34 | 50000 | 20 | 1.8 | 3.5 | 3.5 | 20 | 0.4 | 7 | 11 | 103 | CAD | 请求报价 |
| PHE16-15LSDK-A | M16 | 1.5 | 82 | 3 | 12 | 8.5 | 20 | 29 | 111 | 6 | 19 | 10 | 加长型 | 高速用 | 没有保护机构 | 带垫+带头 | 30 | 34 | 50000 | 20 | 1.8 | 3.5 | 3.5 | 20 | 0.4 | 7 | 11 | 102 | CAD | 请求报价 |
| PHE16-15LSFD-A | M16 | 1.5 | 82 | 3 | 4 | - | 20 | - | 102 | 6 | 19 | 10 | 加长型 | 高速用 | 毡环(防尘用) | 没有头部 | 30 | 34 | 50000 | 20 | 1.8 | 3.5 | 3.5 | 20 | 0.4 | 7 | 11 | 96 | CAD | 请求报价 |
| PHE16-15LSFS-A | M16 | 1.5 | 82 | 3 | 12 | 8.5 | 20 | 29 | 111 | 6 | 19 | 10 | 加长型 | 高速用 | 毡环(防尘用) | 带头 | 30 | 34 | 50000 | 20 | 1.8 | 3.5 | 3.5 | 20 | 0.4 | 7 | 11 | 103 | CAD | 请求报价 |
| PHE16-15LSFK-A | M16 | 1.5 | 82 | 3 | 12 | 8.5 | 20 | 29 | 111 | 6 | 19 | 10 | 加长型 | 高速用 | 毡环(防尘用) | 带垫+带头 | 30 | 34 | 50000 | 20 | 1.8 | 3.5 | 3.5 | 20 | 0.4 | 7 | 11 | 102 | CAD | 请求报价 |
| PHE16-15LSAD-A | M16 | 1.5 | 82 | 3 | 4 | - | 20 | - | 102 | 6 | 19 | 10 | 加长型 | 高速用 | 刮擦器(防水用) | 没有头部 | 30 | 34 | 50000 | 20 | 1.8 | 3.5 | 3.5 | 20 | 0.4 | 7 | 11 | 96 | CAD | 请求报价 |
| PHE16-15LSAS-A | M16 | 1.5 | 82 | 3 | 12 | 8.5 | 20 | 29 | 111 | 6 | 19 | 10 | 加长型 | 高速用 | 刮擦器(防水用) | 带头 | 30 | 34 | 50000 | 20 | 1.8 | 3.5 | 3.5 | 20 | 0.4 | 7 | 11 | 103 | CAD | 请求报价 |
| PHE16-15LSAK-A | M16 | 1.5 | 82 | 3 | 12 | 8.5 | 20 | 29 | 111 | 6 | 19 | 10 | 加长型 | 高速用 | 刮擦器(防水用) | 带垫+带头 | 30 | 34 | 50000 | 20 | 1.8 | 3.5 | 3.5 | 20 | 0.4 | 7 | 11 | 102 | CAD | 请求报价 |
| PHE16-15LWDD-A | M16 | 1.5 | 82 | 3 | 4 | - | 20 | - | 102 | 6 | 19 | 10 | 加长型 | 超高速用 | 没有保护机构 | 没有头部 | 28 | 30 | 50000 | 20 | 3 | 5 | 3.5 | 20 | 0.4 | 7 | 11 | 96 | CAD | 请求报价 |
| PHE16-15LWDS-A | M16 | 1.5 | 82 | 3 | 12 | 8.5 | 20 | 29 | 111 | 6 | 19 | 10 | 加长型 | 超高速用 | 没有保护机构 | 带头 | 28 | 30 | 50000 | 20 | 3 | 5 | 3.5 | 20 | 0.4 | 7 | 11 | 103 | CAD | 请求报价 |
| PHE16-15LWDK-A | M16 | 1.5 | 82 | 3 | 12 | 8.5 | 20 | 29 | 111 | 6 | 19 | 10 | 加长型 | 超高速用 | 没有保护机构 | 带垫+带头 | 28 | 30 | 50000 | 20 | 3 | 5 | 3.5 | 20 | 0.4 | 7 | 11 | 102 | CAD | 请求报价 |
| PHE16-15LWFD-A | M16 | 1.5 | 82 | 3 | 4 | - | 20 | - | 102 | 6 | 19 | 10 | 加长型 | 超高速用 | 毡环(防尘用) | 没有头部 | 28 | 30 | 50000 | 20 | 3 | 5 | 3.5 | 20 | 0.4 | 7 | 11 | 96 | CAD | 请求报价 |
| PHE16-15LWFS-A | M16 | 1.5 | 82 | 3 | 12 | 8.5 | 20 | 29 | 111 | 6 | 19 | 10 | 加长型 | 超高速用 | 毡环(防尘用) | 带头 | 28 | 30 | 50000 | 20 | 3 | 5 | 3.5 | 20 | 0.4 | 7 | 11 | 103 | CAD | 请求报价 |
| PHE16-15LWFK-A | M16 | 1.5 | 82 | 3 | 12 | 8.5 | 20 | 29 | 111 | 6 | 19 | 10 | 加长型 | 超高速用 | 毡环(防尘用) | 带垫+带头 | 28 | 30 | 50000 | 20 | 3 | 5 | 3.5 | 20 | 0.4 | 7 | 11 | 102 | CAD | 请求报价 |
| PHE16-15LWAD-A | M16 | 1.5 | 82 | 3 | 4 | - | 20 | - | 102 | 6 | 19 | 10 | 加长型 | 超高速用 | 刮擦器(防水用) | 没有头部 | 28 | 30 | 50000 | 20 | 3 | 5 | 3.5 | 20 | 0.4 | 7 | 11 | 96 | CAD | 请求报价 |
| PHE16-15LWAS-A | M16 | 1.5 | 82 | 3 | 12 | 8.5 | 20 | 29 | 111 | 6 | 19 | 10 | 加长型 | 超高速用 | 刮擦器(防水用) | 带头 | 28 | 30 | 50000 | 20 | 3 | 5 | 3.5 | 20 | 0.4 | 7 | 11 | 103 | CAD | 请求报价 |
| PHE16-15LWAK-A | M16 | 1.5 | 82 | 3 | 12 | 8.5 | 20 | 29 | 111 | 6 | 19 | 10 | 加长型 | 超高速用 | 刮擦器(防水用) | 带垫+带头 | 28 | 30 | 50000 | 20 | 3 | 5 | 3.5 | 20 | 0.4 | 7 | 11 | 102 | CAD | 请求报价 |
| PHE20-15NHDD-A | M20 | 1.5 | 74 | 3.5 | 6 | - | 15 | - | 89 | 8 | 24 | 14 | 标准 | 低速用 | 没有保护机构 | 没有头部 | 80 | 150 | 90000 | 15 | 0.1 | 1.2 | 10 | 40 | 0.3 | 16 | 26 | 120 | CAD | 请求报价 |
| PHE20-15NHDS-A | M20 | 1.5 | 74 | 3.5 | 18 | 13 | 15 | 25 | 99 | 8 | 24 | 14 | 标准 | 低速用 | 没有保护机构 | 带头 | 80 | 150 | 90000 | 15 | 0.1 | 1.2 | 10 | 40 | 0.3 | 16 | 26 | 130 | CAD | 请求报价 |
| PHE20-15NHDK-A | M20 | 1.5 | 74 | 3.5 | 18 | 13 | 15 | 25 | 99 | 8 | 24 | 14 | 标准 | 低速用 | 没有保护机构 | 带垫+带头 | 80 | 150 | 90000 | 15 | 0.1 | 1.2 | 10 | 40 | 0.3 | 16 | 26 | 130 | CAD | 请求报价 |
| PHE20-15NHFD-A | M20 | 1.5 | 74 | 3.5 | 6 | - | 15 | - | 89 | 8 | 24 | 14 | 标准 | 低速用 | 毡环(防尘用) | 没有头部 | 80 | 150 | 90000 | 15 | 0.1 | 1.2 | 10 | 40 | 0.3 | 16 | 26 | 120 | CAD | 请求报价 |
| PHE20-15NHFS-A | M20 | 1.5 | 74 | 3.5 | 18 | 13 | 15 | 25 | 99 | 8 | 24 | 14 | 标准 | 低速用 | 毡环(防尘用) | 带头 | 80 | 150 | 90000 | 15 | 0.1 | 1.2 | 10 | 40 | 0.3 | 16 | 26 | 130 | CAD | 请求报价 |
| PHE20-15NHFK-A | M20 | 1.5 | 74 | 3.5 | 18 | 13 | 15 | 25 | 99 | 8 | 24 | 14 | 标准 | 低速用 | 毡环(防尘用) | 带垫+带头 | 80 | 150 | 90000 | 15 | 0.1 | 1.2 | 10 | 40 | 0.3 | 16 | 26 | 130 | CAD | 请求报价 |
| PHE20-15NHAD-A | M20 | 1.5 | 74 | 3.5 | 6 | - | 15 | - | 89 | 8 | 24 | 14 | 标准 | 低速用 | 刮擦器(防水用) | 没有头部 | 80 | 150 | 90000 | 15 | 0.1 | 1.2 | 10 | 40 | 0.3 | 16 | 26 | 120 | CAD | 请求报价 |
| PHE20-15NHAS-A | M20 | 1.5 | 74 | 3.5 | 18 | 13 | 15 | 25 | 99 | 8 | 24 | 14 | 标准 | 低速用 | 刮擦器(防水用) | 带头 | 80 | 150 | 90000 | 15 | 0.1 | 1.2 | 10 | 40 | 0.3 | 16 | 26 | 130 | CAD | 请求报价 |
| PHE20-15NHAK-A | M20 | 1.5 | 74 | 3.5 | 18 | 13 | 15 | 25 | 99 | 8 | 24 | 14 | 标准 | 低速用 | 刮擦器(防水用) | 带垫+带头 | 80 | 150 | 90000 | 15 | 0.1 | 1.2 | 10 | 40 | 0.3 | 16 | 26 | 130 | CAD | 请求报价 |
| PHE20-15NHBS-A | M20 | 1.5 | 64 | 3.5 | 25 | 13 | 15 | 44 | 108 | 8 | 24 | 14 | 标准 | 低速用 | 波纹管盖 | 带头 | 80 | 150 | 90000 | 15 | 0.1 | 1.2 | 10 | 40 | 0.3 | 16 | 62 | 155 | CAD | 请求报价 |
| PHE20-15NHBK-A | M20 | 1.5 | 64 | 3.5 | 25 | 13 | 15 | 44 | 108 | 8 | 24 | 14 | 标准 | 低速用 | 波纹管盖 | 带垫+带头 | 80 | 150 | 90000 | 15 | 0.1 | 1.2 | 10 | 40 | 0.3 | 16 | 62 | 152 | CAD | 请求报价 |
| PHE20-15NMDD-A | M20 | 1.5 | 74 | 3.5 | 6 | - | 15 | - | 89 | 8 | 24 | 14 | 标准 | 中速用 | 没有保护机构 | 没有头部 | 75 | 125 | 90000 | 15 | 0.8 | 2.2 | 10 | 40 | 0.3 | 16 | 26 | 120 | CAD | 请求报价 |
| PHE20-15NMDS-A | M20 | 1.5 | 74 | 3.5 | 18 | 13 | 15 | 25 | 99 | 8 | 24 | 14 | 标准 | 中速用 | 没有保护机构 | 带头 | 75 | 125 | 90000 | 15 | 0.8 | 2.2 | 10 | 40 | 0.3 | 16 | 26 | 130 | CAD | 请求报价 |
| PHE20-15NMDK-A | M20 | 1.5 | 74 | 3.5 | 18 | 13 | 15 | 25 | 99 | 8 | 24 | 14 | 标准 | 中速用 | 没有保护机构 | 带垫+带头 | 75 | 125 | 90000 | 15 | 0.8 | 2.2 | 10 | 40 | 0.3 | 16 | 26 | 130 | CAD | 请求报价 |
| PHE20-15NMFD-A | M20 | 1.5 | 74 | 3.5 | 6 | - | 15 | - | 89 | 8 | 24 | 14 | 标准 | 中速用 | 毡环(防尘用) | 没有头部 | 75 | 125 | 90000 | 15 | 0.8 | 2.2 | 10 | 40 | 0.3 | 16 | 26 | 120 | CAD | 请求报价 |
| PHE20-15NMFS-A | M20 | 1.5 | 74 | 3.5 | 18 | 13 | 15 | 25 | 99 | 8 | 24 | 14 | 标准 | 中速用 | 毡环(防尘用) | 带头 | 75 | 125 | 90000 | 15 | 0.8 | 2.2 | 10 | 40 | 0.3 | 16 | 26 | 130 | CAD | 请求报价 |
| PHE20-15NMFK-A | M20 | 1.5 | 74 | 3.5 | 18 | 13 | 15 | 25 | 99 | 8 | 24 | 14 | 标准 | 中速用 | 毡环(防尘用) | 带垫+带头 | 75 | 125 | 90000 | 15 | 0.8 | 2.2 | 10 | 40 | 0.3 | 16 | 26 | 130 | CAD | 请求报价 |
| PHE20-15NMAD-A | M20 | 1.5 | 74 | 3.5 | 6 | - | 15 | - | 89 | 8 | 24 | 14 | 标准 | 中速用 | 刮擦器(防水用) | 没有头部 | 75 | 125 | 90000 | 15 | 0.8 | 2.2 | 10 | 40 | 0.3 | 16 | 26 | 120 | CAD | 请求报价 |
| PHE20-15NMAS-A | M20 | 1.5 | 74 | 3.5 | 18 | 13 | 15 | 25 | 99 | 8 | 24 | 14 | 标准 | 中速用 | 刮擦器(防水用) | 带头 | 75 | 125 | 90000 | 15 | 0.8 | 2.2 | 10 | 40 | 0.3 | 16 | 26 | 130 | CAD | 请求报价 |
| PHE20-15NMAK-A | M20 | 1.5 | 74 | 3.5 | 18 | 13 | 15 | 25 | 99 | 8 | 24 | 14 | 标准 | 中速用 | 刮擦器(防水用) | 带垫+带头 | 75 | 125 | 90000 | 15 | 0.8 | 2.2 | 10 | 40 | 0.3 | 16 | 26 | 130 | CAD | 请求报价 |
| PHE20-15NMBS-A | M20 | 1.5 | 64 | 3.5 | 25 | 13 | 15 | 44 | 108 | 8 | 24 | 14 | 标准 | 中速用 | 波纹管盖 | 带头 | 75 | 125 | 90000 | 15 | 0.8 | 2.2 | 10 | 40 | 0.3 | 16 | 62 | 155 | CAD | 请求报价 |
| PHE20-15NMBK-A | M20 | 1.5 | 64 | 3.5 | 25 | 13 | 15 | 44 | 108 | 8 | 24 | 14 | 标准 | 中速用 | 波纹管盖 | 带垫+带头 | 75 | 125 | 90000 | 15 | 0.8 | 2.2 | 10 | 40 | 0.3 | 16 | 62 | 152 | CAD | 请求报价 |
| PHE20-15NSDD-A | M20 | 1.5 | 74 | 3.5 | 6 | - | 15 | - | 89 | 8 | 24 | 14 | 标准 | 高速用 | 没有保护机构 | 没有头部 | 70 | 100 | 90000 | 15 | 1.8 | 3.5 | 10 | 40 | 0.3 | 16 | 26 | 120 | CAD | 请求报价 |
| PHE20-15NSDS-A | M20 | 1.5 | 74 | 3.5 | 18 | 13 | 15 | 25 | 99 | 8 | 24 | 14 | 标准 | 高速用 | 没有保护机构 | 带头 | 70 | 100 | 90000 | 15 | 1.8 | 3.5 | 10 | 40 | 0.3 | 16 | 26 | 130 | CAD | 请求报价 |
| PHE20-15NSDK-A | M20 | 1.5 | 74 | 3.5 | 18 | 13 | 15 | 25 | 99 | 8 | 24 | 14 | 标准 | 高速用 | 没有保护机构 | 带垫+带头 | 70 | 100 | 90000 | 15 | 1.8 | 3.5 | 10 | 40 | 0.3 | 16 | 26 | 130 | CAD | 请求报价 |
| PHE20-15NSFD-A | M20 | 1.5 | 74 | 3.5 | 6 | - | 15 | - | 89 | 8 | 24 | 14 | 标准 | 高速用 | 毡环(防尘用) | 没有头部 | 70 | 100 | 90000 | 15 | 1.8 | 3.5 | 10 | 40 | 0.3 | 16 | 26 | 120 | CAD | 请求报价 |
| PHE20-15NSFS-A | M20 | 1.5 | 74 | 3.5 | 18 | 13 | 15 | 25 | 99 | 8 | 24 | 14 | 标准 | 高速用 | 毡环(防尘用) | 带头 | 70 | 100 | 90000 | 15 | 1.8 | 3.5 | 10 | 40 | 0.3 | 16 | 26 | 130 | CAD | 请求报价 |
| PHE20-15NSFK-A | M20 | 1.5 | 74 | 3.5 | 18 | 13 | 15 | 25 | 99 | 8 | 24 | 14 | 标准 | 高速用 | 毡环(防尘用) | 带垫+带头 | 70 | 100 | 90000 | 15 | 1.8 | 3.5 | 10 | 40 | 0.3 | 16 | 26 | 130 | CAD | 请求报价 |
| PHE20-15NSAD-A | M20 | 1.5 | 74 | 3.5 | 6 | - | 15 | - | 89 | 8 | 24 | 14 | 标准 | 高速用 | 刮擦器(防水用) | 没有头部 | 70 | 100 | 90000 | 15 | 1.8 | 3.5 | 10 | 40 | 0.3 | 16 | 26 | 120 | CAD | 请求报价 |
| PHE20-15NSAS-A | M20 | 1.5 | 74 | 3.5 | 18 | 13 | 15 | 25 | 99 | 8 | 24 | 14 | 标准 | 高速用 | 刮擦器(防水用) | 带头 | 70 | 100 | 90000 | 15 | 1.8 | 3.5 | 10 | 40 | 0.3 | 16 | 26 | 130 | CAD | 请求报价 |
| PHE20-15NSAK-A | M20 | 1.5 | 74 | 3.5 | 18 | 13 | 15 | 25 | 99 | 8 | 24 | 14 | 标准 | 高速用 | 刮擦器(防水用) | 带垫+带头 | 70 | 100 | 90000 | 15 | 1.8 | 3.5 | 10 | 40 | 0.3 | 16 | 26 | 130 | CAD | 请求报价 |
| PHE20-15NSBS-A | M20 | 1.5 | 64 | 3.5 | 25 | 13 | 15 | 44 | 108 | 8 | 24 | 14 | 标准 | 高速用 | 波纹管盖 | 带头 | 70 | 100 | 90000 | 15 | 1.8 | 3.5 | 10 | 40 | 0.3 | 16 | 62 | 155 | CAD | 请求报价 |
| PHE20-15NSBK-A | M20 | 1.5 | 64 | 3.5 | 25 | 13 | 15 | 44 | 108 | 8 | 24 | 14 | 标准 | 高速用 | 波纹管盖 | 带垫+带头 | 70 | 100 | 90000 | 15 | 1.8 | 3.5 | 10 | 40 | 0.3 | 16 | 62 | 152 | CAD | 请求报价 |
| PHE20-15NWDD-A | M20 | 1.5 | 74 | 3.5 | 6 | - | 15 | - | 89 | 8 | 24 | 14 | 标准 | 超高速用 | 没有保护机构 | 没有头部 | 65 | 75 | 90000 | 15 | 3 | 5 | 10 | 40 | 0.3 | 16 | 26 | 120 | CAD | 请求报价 |
| PHE20-15NWDS-A | M20 | 1.5 | 74 | 3.5 | 18 | 13 | 15 | 25 | 99 | 8 | 24 | 14 | 标准 | 超高速用 | 没有保护机构 | 带头 | 65 | 75 | 90000 | 15 | 3 | 5 | 10 | 40 | 0.3 | 16 | 26 | 130 | CAD | 请求报价 |
| PHE20-15NWDK-A | M20 | 1.5 | 74 | 3.5 | 18 | 13 | 15 | 25 | 99 | 8 | 24 | 14 | 标准 | 超高速用 | 没有保护机构 | 带垫+带头 | 65 | 75 | 90000 | 15 | 3 | 5 | 10 | 40 | 0.3 | 16 | 26 | 130 | CAD | 请求报价 |
| PHE20-15NWFD-A | M20 | 1.5 | 74 | 3.5 | 6 | - | 15 | - | 89 | 8 | 24 | 14 | 标准 | 超高速用 | 毡环(防尘用) | 没有头部 | 65 | 75 | 90000 | 15 | 3 | 5 | 10 | 40 | 0.3 | 16 | 26 | 120 | CAD | 请求报价 |
| PHE20-15NWFS-A | M20 | 1.5 | 74 | 3.5 | 18 | 13 | 15 | 25 | 99 | 8 | 24 | 14 | 标准 | 超高速用 | 毡环(防尘用) | 带头 | 65 | 75 | 90000 | 15 | 3 | 5 | 10 | 40 | 0.3 | 16 | 26 | 130 | CAD | 请求报价 |
| PHE20-15NWFK-A | M20 | 1.5 | 74 | 3.5 | 18 | 13 | 15 | 25 | 99 | 8 | 24 | 14 | 标准 | 超高速用 | 毡环(防尘用) | 带垫+带头 | 65 | 75 | 90000 | 15 | 3 | 5 | 10 | 40 | 0.3 | 16 | 26 | 130 | CAD | 请求报价 |
| PHE20-15NWAD-A | M20 | 1.5 | 74 | 3.5 | 6 | - | 15 | - | 89 | 8 | 24 | 14 | 标准 | 超高速用 | 刮擦器(防水用) | 没有头部 | 65 | 75 | 90000 | 15 | 3 | 5 | 10 | 40 | 0.3 | 16 | 26 | 120 | CAD | 请求报价 |
| PHE20-15NWAS-A | M20 | 1.5 | 74 | 3.5 | 18 | 13 | 15 | 25 | 99 | 8 | 24 | 14 | 标准 | 超高速用 | 刮擦器(防水用) | 带头 | 65 | 75 | 90000 | 15 | 3 | 5 | 10 | 40 | 0.3 | 16 | 26 | 130 | CAD | 请求报价 |
| PHE20-15NWAK-A | M20 | 1.5 | 74 | 3.5 | 18 | 13 | 15 | 25 | 99 | 8 | 24 | 14 | 标准 | 超高速用 | 刮擦器(防水用) | 带垫+带头 | 65 | 75 | 90000 | 15 | 3 | 5 | 10 | 40 | 0.3 | 16 | 26 | 130 | CAD | 请求报价 |
| PHE20-15NWBS-A | M20 | 1.5 | 64 | 3.5 | 25 | 13 | 15 | 44 | 108 | 8 | 24 | 14 | 标准 | 超高速用 | 波纹管盖 | 带头 | 65 | 75 | 90000 | 15 | 3 | 5 | 10 | 40 | 0.3 | 16 | 62 | 155 | CAD | 请求报价 |
| PHE20-15NWBK-A | M20 | 1.5 | 64 | 3.5 | 25 | 13 | 15 | 44 | 108 | 8 | 24 | 14 | 标准 | 超高速用 | 波纹管盖 | 带垫+带头 | 65 | 75 | 90000 | 15 | 3 | 5 | 10 | 40 | 0.3 | 16 | 62 | 152 | CAD | 请求报价 |
| PHE20-15LHDD-A | M20 | 1.5 | 96 | 3.5 | 6 | - | 25 | - | 121 | 8 | 24 | 14 | 加长型 | 低速用 | 没有保护机构 | 没有头部 | 80 | 150 | 90000 | 25 | 0.1 | 1.2 | 10 | 40 | 0.5 | 16 | 26 | 150 | CAD | 请求报价 |
| PHE20-15LHDS-A | M20 | 1.5 | 96 | 3.5 | 18 | 13 | 25 | 35 | 131 | 8 | 24 | 14 | 加长型 | 低速用 | 没有保护机构 | 带头 | 80 | 150 | 90000 | 25 | 0.1 | 1.2 | 10 | 40 | 0.5 | 16 | 26 | 170 | CAD | 请求报价 |
| PHE20-15LHDK-A | M20 | 1.5 | 96 | 3.5 | 18 | 13 | 25 | 35 | 131 | 8 | 24 | 14 | 加长型 | 低速用 | 没有保护机构 | 带垫+带头 | 80 | 150 | 90000 | 25 | 0.1 | 1.2 | 10 | 40 | 0.5 | 16 | 26 | 170 | CAD | 请求报价 |
| PHE20-15LHFD-A | M20 | 1.5 | 96 | 3.5 | 6 | - | 25 | - | 121 | 8 | 24 | 14 | 加长型 | 低速用 | 毡环(防尘用) | 没有头部 | 80 | 150 | 90000 | 25 | 0.1 | 1.2 | 10 | 40 | 0.5 | 16 | 26 | 150 | CAD | 请求报价 |
| PHE20-15LHFS-A | M20 | 1.5 | 96 | 3.5 | 18 | 13 | 25 | 35 | 131 | 8 | 24 | 14 | 加长型 | 低速用 | 毡环(防尘用) | 带头 | 80 | 150 | 90000 | 25 | 0.1 | 1.2 | 10 | 40 | 0.5 | 16 | 26 | 170 | CAD | 请求报价 |
| PHE20-15LHFK-A | M20 | 1.5 | 96 | 3.5 | 18 | 13 | 25 | 35 | 131 | 8 | 24 | 14 | 加长型 | 低速用 | 毡环(防尘用) | 带垫+带头 | 80 | 150 | 90000 | 25 | 0.1 | 1.2 | 10 | 40 | 0.5 | 16 | 26 | 170 | CAD | 请求报价 |
| PHE20-15LHAD-A | M20 | 1.5 | 96 | 3.5 | 6 | - | 25 | - | 121 | 8 | 24 | 14 | 加长型 | 低速用 | 刮擦器(防水用) | 没有头部 | 80 | 150 | 90000 | 25 | 0.1 | 1.2 | 10 | 40 | 0.5 | 16 | 26 | 150 | CAD | 请求报价 |
| PHE20-15LHAS-A | M20 | 1.5 | 96 | 3.5 | 18 | 13 | 25 | 35 | 131 | 8 | 24 | 14 | 加长型 | 低速用 | 刮擦器(防水用) | 带头 | 80 | 150 | 90000 | 25 | 0.1 | 1.2 | 10 | 40 | 0.5 | 16 | 26 | 170 | CAD | 请求报价 |
| PHE20-15LHAK-A | M20 | 1.5 | 96 | 3.5 | 18 | 13 | 25 | 35 | 131 | 8 | 24 | 14 | 加长型 | 低速用 | 刮擦器(防水用) | 带垫+带头 | 80 | 150 | 90000 | 25 | 0.1 | 1.2 | 10 | 40 | 0.5 | 16 | 26 | 170 | CAD | 请求报价 |
| PHE20-15LMDD-A | M20 | 1.5 | 96 | 3.5 | 6 | - | 25 | - | 121 | 8 | 24 | 14 | 加长型 | 中速用 | 没有保护机构 | 没有头部 | 75 | 125 | 90000 | 25 | 0.8 | 2.2 | 10 | 40 | 0.5 | 16 | 26 | 150 | CAD | 请求报价 |
| PHE20-15LMDS-A | M20 | 1.5 | 96 | 3.5 | 18 | 13 | 25 | 35 | 131 | 8 | 24 | 14 | 加长型 | 中速用 | 没有保护机构 | 带头 | 75 | 125 | 90000 | 25 | 0.8 | 2.2 | 10 | 40 | 0.5 | 16 | 26 | 170 | CAD | 请求报价 |
| PHE20-15LMDK-A | M20 | 1.5 | 96 | 3.5 | 18 | 13 | 25 | 35 | 131 | 8 | 24 | 14 | 加长型 | 中速用 | 没有保护机构 | 带垫+带头 | 75 | 125 | 90000 | 25 | 0.8 | 2.2 | 10 | 40 | 0.5 | 16 | 26 | 170 | CAD | 请求报价 |
| PHE20-15LMFD-A | M20 | 1.5 | 96 | 3.5 | 6 | - | 25 | - | 121 | 8 | 24 | 14 | 加长型 | 中速用 | 毡环(防尘用) | 没有头部 | 75 | 125 | 90000 | 25 | 0.8 | 2.2 | 10 | 40 | 0.5 | 16 | 26 | 150 | CAD | 请求报价 |
| PHE20-15LMFS-A | M20 | 1.5 | 96 | 3.5 | 18 | 13 | 25 | 35 | 131 | 8 | 24 | 14 | 加长型 | 中速用 | 毡环(防尘用) | 带头 | 75 | 125 | 90000 | 25 | 0.8 | 2.2 | 10 | 40 | 0.5 | 16 | 26 | 170 | CAD | 请求报价 |
| PHE20-15LMFK-A | M20 | 1.5 | 96 | 3.5 | 18 | 13 | 25 | 35 | 131 | 8 | 24 | 14 | 加长型 | 中速用 | 毡环(防尘用) | 带垫+带头 | 75 | 125 | 90000 | 25 | 0.8 | 2.2 | 10 | 40 | 0.5 | 16 | 26 | 170 | CAD | 请求报价 |
| PHE20-15LMAD-A | M20 | 1.5 | 96 | 3.5 | 6 | - | 25 | - | 121 | 8 | 24 | 14 | 加长型 | 中速用 | 刮擦器(防水用) | 没有头部 | 75 | 125 | 90000 | 25 | 0.8 | 2.2 | 10 | 40 | 0.5 | 16 | 26 | 150 | CAD | 请求报价 |
| PHE20-15LMAS-A | M20 | 1.5 | 96 | 3.5 | 18 | 13 | 25 | 35 | 131 | 8 | 24 | 14 | 加长型 | 中速用 | 刮擦器(防水用) | 带头 | 75 | 125 | 90000 | 25 | 0.8 | 2.2 | 10 | 40 | 0.5 | 16 | 26 | 170 | CAD | 请求报价 |
| PHE20-15LMAK-A | M20 | 1.5 | 96 | 3.5 | 18 | 13 | 25 | 35 | 131 | 8 | 24 | 14 | 加长型 | 中速用 | 刮擦器(防水用) | 带垫+带头 | 75 | 125 | 90000 | 25 | 0.8 | 2.2 | 10 | 40 | 0.5 | 16 | 26 | 170 | CAD | 请求报价 |
| PHE20-15LSDD-A | M20 | 1.5 | 96 | 3.5 | 6 | - | 25 | - | 121 | 8 | 24 | 14 | 加长型 | 高速用 | 没有保护机构 | 没有头部 | 70 | 100 | 90000 | 25 | 1.8 | 3.5 | 10 | 40 | 0.5 | 16 | 26 | 150 | CAD | 请求报价 |
| PHE20-15LSDS-A | M20 | 1.5 | 96 | 3.5 | 18 | 13 | 25 | 35 | 131 | 8 | 24 | 14 | 加长型 | 高速用 | 没有保护机构 | 带头 | 70 | 100 | 90000 | 25 | 1.8 | 3.5 | 10 | 40 | 0.5 | 16 | 26 | 170 | CAD | 请求报价 |
| PHE20-15LSDK-A | M20 | 1.5 | 96 | 3.5 | 18 | 13 | 25 | 35 | 131 | 8 | 24 | 14 | 加长型 | 高速用 | 没有保护机构 | 带垫+带头 | 70 | 100 | 90000 | 25 | 1.8 | 3.5 | 10 | 40 | 0.5 | 16 | 26 | 170 | CAD | 请求报价 |
| PHE20-15LSFD-A | M20 | 1.5 | 96 | 3.5 | 6 | - | 25 | - | 121 | 8 | 24 | 14 | 加长型 | 高速用 | 毡环(防尘用) | 没有头部 | 70 | 100 | 90000 | 25 | 1.8 | 3.5 | 10 | 40 | 0.5 | 16 | 26 | 150 | CAD | 请求报价 |
| PHE20-15LSFS-A | M20 | 1.5 | 96 | 3.5 | 18 | 13 | 25 | 35 | 131 | 8 | 24 | 14 | 加长型 | 高速用 | 毡环(防尘用) | 带头 | 70 | 100 | 90000 | 25 | 1.8 | 3.5 | 10 | 40 | 0.5 | 16 | 26 | 170 | CAD | 请求报价 |
| PHE20-15LSFK-A | M20 | 1.5 | 96 | 3.5 | 18 | 13 | 25 | 35 | 131 | 8 | 24 | 14 | 加长型 | 高速用 | 毡环(防尘用) | 带垫+带头 | 70 | 100 | 90000 | 25 | 1.8 | 3.5 | 10 | 40 | 0.5 | 16 | 26 | 170 | CAD | 请求报价 |
| PHE20-15LSAD-A | M20 | 1.5 | 96 | 3.5 | 6 | - | 25 | - | 121 | 8 | 24 | 14 | 加长型 | 高速用 | 刮擦器(防水用) | 没有头部 | 70 | 100 | 90000 | 25 | 1.8 | 3.5 | 10 | 40 | 0.5 | 16 | 26 | 150 | CAD | 请求报价 |
| PHE20-15LSAS-A | M20 | 1.5 | 96 | 3.5 | 18 | 13 | 25 | 35 | 131 | 8 | 24 | 14 | 加长型 | 高速用 | 刮擦器(防水用) | 带头 | 70 | 100 | 90000 | 25 | 1.8 | 3.5 | 10 | 40 | 0.5 | 16 | 26 | 170 | CAD | 请求报价 |
| PHE20-15LSAK-A | M20 | 1.5 | 96 | 3.5 | 18 | 13 | 25 | 35 | 131 | 8 | 24 | 14 | 加长型 | 高速用 | 刮擦器(防水用) | 带垫+带头 | 70 | 100 | 90000 | 25 | 1.8 | 3.5 | 10 | 40 | 0.5 | 16 | 26 | 170 | CAD | 请求报价 |
| PHE20-15LWDD-A | M20 | 1.5 | 96 | 3.5 | 6 | - | 25 | - | 121 | 8 | 24 | 14 | 加长型 | 超高速用 | 没有保护机构 | 没有头部 | 65 | 75 | 90000 | 25 | 3 | 5 | 10 | 40 | 0.5 | 16 | 26 | 150 | CAD | 请求报价 |
| PHE20-15LWDS-A | M20 | 1.5 | 96 | 3.5 | 18 | 13 | 25 | 35 | 131 | 8 | 24 | 14 | 加长型 | 超高速用 | 没有保护机构 | 带头 | 65 | 75 | 90000 | 25 | 3 | 5 | 10 | 40 | 0.5 | 16 | 26 | 170 | CAD | 请求报价 |
| PHE20-15LWDK-A | M20 | 1.5 | 96 | 3.5 | 18 | 13 | 25 | 35 | 131 | 8 | 24 | 14 | 加长型 | 超高速用 | 没有保护机构 | 带垫+带头 | 65 | 75 | 90000 | 25 | 3 | 5 | 10 | 40 | 0.5 | 16 | 26 | 170 | CAD | 请求报价 |
| PHE20-15LWFD-A | M20 | 1.5 | 96 | 3.5 | 6 | - | 25 | - | 121 | 8 | 24 | 14 | 加长型 | 超高速用 | 毡环(防尘用) | 没有头部 | 65 | 75 | 90000 | 25 | 3 | 5 | 10 | 40 | 0.5 | 16 | 26 | 150 | CAD | 请求报价 |
| PHE20-15LWFS-A | M20 | 1.5 | 96 | 3.5 | 18 | 13 | 25 | 35 | 131 | 8 | 24 | 14 | 加长型 | 超高速用 | 毡环(防尘用) | 带头 | 65 | 75 | 90000 | 25 | 3 | 5 | 10 | 40 | 0.5 | 16 | 26 | 170 | CAD | 请求报价 |
| PHE20-15LWFK-A | M20 | 1.5 | 96 | 3.5 | 18 | 13 | 25 | 35 | 131 | 8 | 24 | 14 | 加长型 | 超高速用 | 毡环(防尘用) | 带垫+带头 | 65 | 75 | 90000 | 25 | 3 | 5 | 10 | 40 | 0.5 | 16 | 26 | 170 | CAD | 请求报价 |
| PHE20-15LWAD-A | M20 | 1.5 | 96 | 3.5 | 6 | - | 25 | - | 121 | 8 | 24 | 14 | 加长型 | 超高速用 | 刮擦器(防水用) | 没有头部 | 65 | 75 | 90000 | 25 | 3 | 5 | 10 | 40 | 0.5 | 16 | 26 | 150 | CAD | 请求报价 |
| PHE20-15LWAS-A | M20 | 1.5 | 96 | 3.5 | 18 | 13 | 25 | 35 | 131 | 8 | 24 | 14 | 加长型 | 超高速用 | 刮擦器(防水用) | 带头 | 65 | 75 | 90000 | 25 | 3 | 5 | 10 | 40 | 0.5 | 16 | 26 | 170 | CAD | 请求报价 |
| PHE20-15LWAK-A | M20 | 1.5 | 96 | 3.5 | 18 | 13 | 25 | 35 | 131 | 8 | 24 | 14 | 加长型 | 超高速用 | 刮擦器(防水用) | 带垫+带头 | 65 | 75 | 90000 | 25 | 3 | 5 | 10 | 40 | 0.5 | 16 | 26 | 170 | CAD | 请求报价 |
| PHE22-15NHDD-A | M22 | 1.5 | 74 | 3.5 | 6 | - | 15 | - | 89 | 8 | 27 | 14 | 标准 | 低速用 | 没有保护机构 | 没有头部 | 80 | 150 | 90000 | 15 | 0.1 | 1.2 | 10 | 40 | 0.3 | 16 | 26 | 160 | CAD | 请求报价 |
| PHE22-15NHDS-A | M22 | 1.5 | 74 | 3.5 | 18 | 13 | 15 | 25 | 99 | 8 | 27 | 14 | 标准 | 低速用 | 没有保护机构 | 带头 | 80 | 150 | 90000 | 15 | 0.1 | 1.2 | 10 | 40 | 0.3 | 16 | 26 | 170 | CAD | 请求报价 |
| PHE22-15NHDK-A | M22 | 1.5 | 74 | 3.5 | 18 | 13 | 15 | 25 | 99 | 8 | 27 | 14 | 标准 | 低速用 | 没有保护机构 | 带垫+带头 | 80 | 150 | 90000 | 15 | 0.1 | 1.2 | 10 | 40 | 0.3 | 16 | 26 | 170 | CAD | 请求报价 |
| PHE22-15NHFD-A | M22 | 1.5 | 74 | 3.5 | 6 | - | 15 | - | 89 | 8 | 27 | 14 | 标准 | 低速用 | 毡环(防尘用) | 没有头部 | 80 | 150 | 90000 | 15 | 0.1 | 1.2 | 10 | 40 | 0.3 | 16 | 26 | 160 | CAD | 请求报价 |
| PHE22-15NHFS-A | M22 | 1.5 | 74 | 3.5 | 18 | 13 | 15 | 25 | 99 | 8 | 27 | 14 | 标准 | 低速用 | 毡环(防尘用) | 带头 | 80 | 150 | 90000 | 15 | 0.1 | 1.2 | 10 | 40 | 0.3 | 16 | 26 | 170 | CAD | 请求报价 |
| PHE22-15NHFK-A | M22 | 1.5 | 74 | 3.5 | 18 | 13 | 15 | 25 | 99 | 8 | 27 | 14 | 标准 | 低速用 | 毡环(防尘用) | 带垫+带头 | 80 | 150 | 90000 | 15 | 0.1 | 1.2 | 10 | 40 | 0.3 | 16 | 26 | 170 | CAD | 请求报价 |
| PHE22-15NHAD-A | M22 | 1.5 | 74 | 3.5 | 6 | - | 15 | - | 89 | 8 | 27 | 14 | 标准 | 低速用 | 刮擦器(防水用) | 没有头部 | 80 | 150 | 90000 | 15 | 0.1 | 1.2 | 10 | 40 | 0.3 | 16 | 26 | 160 | CAD | 请求报价 |
| PHE22-15NHAS-A | M22 | 1.5 | 74 | 3.5 | 18 | 13 | 15 | 25 | 99 | 8 | 27 | 14 | 标准 | 低速用 | 刮擦器(防水用) | 带头 | 80 | 150 | 90000 | 15 | 0.1 | 1.2 | 10 | 40 | 0.3 | 16 | 26 | 170 | CAD | 请求报价 |
| PHE22-15NHAK-A | M22 | 1.5 | 74 | 3.5 | 18 | 13 | 15 | 25 | 99 | 8 | 27 | 14 | 标准 | 低速用 | 刮擦器(防水用) | 带垫+带头 | 80 | 150 | 90000 | 15 | 0.1 | 1.2 | 10 | 40 | 0.3 | 16 | 26 | 170 | CAD | 请求报价 |
| PHE22-15NMDD-A | M22 | 1.5 | 74 | 3.5 | 6 | - | 15 | - | 89 | 8 | 27 | 14 | 标准 | 中速用 | 没有保护机构 | 没有头部 | 75 | 125 | 90000 | 15 | 0.8 | 2.2 | 10 | 40 | 0.3 | 16 | 26 | 160 | CAD | 请求报价 |
| PHE22-15NMDS-A | M22 | 1.5 | 74 | 3.5 | 18 | 13 | 15 | 25 | 99 | 8 | 27 | 14 | 标准 | 中速用 | 没有保护机构 | 带头 | 75 | 125 | 90000 | 15 | 0.8 | 2.2 | 10 | 40 | 0.3 | 16 | 26 | 170 | CAD | 请求报价 |
| PHE22-15NMDK-A | M22 | 1.5 | 74 | 3.5 | 18 | 13 | 15 | 25 | 99 | 8 | 27 | 14 | 标准 | 中速用 | 没有保护机构 | 带垫+带头 | 75 | 125 | 90000 | 15 | 0.8 | 2.2 | 10 | 40 | 0.3 | 16 | 26 | 170 | CAD | 请求报价 |
| PHE22-15NMFD-A | M22 | 1.5 | 74 | 3.5 | 6 | - | 15 | - | 89 | 8 | 27 | 14 | 标准 | 中速用 | 毡环(防尘用) | 没有头部 | 75 | 125 | 90000 | 15 | 0.8 | 2.2 | 10 | 40 | 0.3 | 16 | 26 | 160 | CAD | 请求报价 |
| PHE22-15NMFS-A | M22 | 1.5 | 74 | 3.5 | 18 | 13 | 15 | 25 | 99 | 8 | 27 | 14 | 标准 | 中速用 | 毡环(防尘用) | 带头 | 75 | 125 | 90000 | 15 | 0.8 | 2.2 | 10 | 40 | 0.3 | 16 | 26 | 170 | CAD | 请求报价 |
| PHE22-15NMFK-A | M22 | 1.5 | 74 | 3.5 | 18 | 13 | 15 | 25 | 99 | 8 | 27 | 14 | 标准 | 中速用 | 毡环(防尘用) | 带垫+带头 | 75 | 125 | 90000 | 15 | 0.8 | 2.2 | 10 | 40 | 0.3 | 16 | 26 | 170 | CAD | 请求报价 |
| PHE22-15NMAD-A | M22 | 1.5 | 74 | 3.5 | 6 | - | 15 | - | 89 | 8 | 27 | 14 | 标准 | 中速用 | 刮擦器(防水用) | 没有头部 | 75 | 125 | 90000 | 15 | 0.8 | 2.2 | 10 | 40 | 0.3 | 16 | 26 | 160 | CAD | 请求报价 |
| PHE22-15NMAS-A | M22 | 1.5 | 74 | 3.5 | 18 | 13 | 15 | 25 | 99 | 8 | 27 | 14 | 标准 | 中速用 | 刮擦器(防水用) | 带头 | 75 | 125 | 90000 | 15 | 0.8 | 2.2 | 10 | 40 | 0.3 | 16 | 26 | 170 | CAD | 请求报价 |
| PHE22-15NMAK-A | M22 | 1.5 | 74 | 3.5 | 18 | 13 | 15 | 25 | 99 | 8 | 27 | 14 | 标准 | 中速用 | 刮擦器(防水用) | 带垫+带头 | 75 | 125 | 90000 | 15 | 0.8 | 2.2 | 10 | 40 | 0.3 | 16 | 26 | 170 | CAD | 请求报价 |
| PHE22-15NSDD-A | M22 | 1.5 | 74 | 3.5 | 6 | - | 15 | - | 89 | 8 | 27 | 14 | 标准 | 高速用 | 没有保护机构 | 没有头部 | 70 | 100 | 90000 | 15 | 1.8 | 3.5 | 10 | 40 | 0.3 | 16 | 26 | 160 | CAD | 请求报价 |
| PHE22-15NSDS-A | M22 | 1.5 | 74 | 3.5 | 18 | 13 | 15 | 25 | 99 | 8 | 27 | 14 | 标准 | 高速用 | 没有保护机构 | 带头 | 70 | 100 | 90000 | 15 | 1.8 | 3.5 | 10 | 40 | 0.3 | 16 | 26 | 170 | CAD | 请求报价 |
| PHE22-15NSDK-A | M22 | 1.5 | 74 | 3.5 | 18 | 13 | 15 | 25 | 99 | 8 | 27 | 14 | 标准 | 高速用 | 没有保护机构 | 带垫+带头 | 70 | 100 | 90000 | 15 | 1.8 | 3.5 | 10 | 40 | 0.3 | 16 | 26 | 170 | CAD | 请求报价 |
| PHE22-15NSFD-A | M22 | 1.5 | 74 | 3.5 | 6 | - | 15 | - | 89 | 8 | 27 | 14 | 标准 | 高速用 | 毡环(防尘用) | 没有头部 | 70 | 100 | 90000 | 15 | 1.8 | 3.5 | 10 | 40 | 0.3 | 16 | 26 | 160 | CAD | 请求报价 |
| PHE22-15NSFS-A | M22 | 1.5 | 74 | 3.5 | 18 | 13 | 15 | 25 | 99 | 8 | 27 | 14 | 标准 | 高速用 | 毡环(防尘用) | 带头 | 70 | 100 | 90000 | 15 | 1.8 | 3.5 | 10 | 40 | 0.3 | 16 | 26 | 170 | CAD | 请求报价 |
| PHE22-15NSFK-A | M22 | 1.5 | 74 | 3.5 | 18 | 13 | 15 | 25 | 99 | 8 | 27 | 14 | 标准 | 高速用 | 毡环(防尘用) | 带垫+带头 | 70 | 100 | 90000 | 15 | 1.8 | 3.5 | 10 | 40 | 0.3 | 16 | 26 | 170 | CAD | 请求报价 |
| PHE22-15NSAD-A | M22 | 1.5 | 74 | 3.5 | 6 | - | 15 | - | 89 | 8 | 27 | 14 | 标准 | 高速用 | 刮擦器(防水用) | 没有头部 | 70 | 100 | 90000 | 15 | 1.8 | 3.5 | 10 | 40 | 0.3 | 16 | 26 | 160 | CAD | 请求报价 |
| PHE22-15NSAS-A | M22 | 1.5 | 74 | 3.5 | 18 | 13 | 15 | 25 | 99 | 8 | 27 | 14 | 标准 | 高速用 | 刮擦器(防水用) | 带头 | 70 | 100 | 90000 | 15 | 1.8 | 3.5 | 10 | 40 | 0.3 | 16 | 26 | 170 | CAD | 请求报价 |
| PHE22-15NSAK-A | M22 | 1.5 | 74 | 3.5 | 18 | 13 | 15 | 25 | 99 | 8 | 27 | 14 | 标准 | 高速用 | 刮擦器(防水用) | 带垫+带头 | 70 | 100 | 90000 | 15 | 1.8 | 3.5 | 10 | 40 | 0.3 | 16 | 26 | 170 | CAD | 请求报价 |
| PHE22-15NWDD-A | M22 | 1.5 | 74 | 3.5 | 6 | - | 15 | - | 89 | 8 | 27 | 14 | 标准 | 超高速用 | 没有保护机构 | 没有头部 | 65 | 75 | 90000 | 15 | 3 | 5 | 10 | 40 | 0.3 | 16 | 26 | 160 | CAD | 请求报价 |
| PHE22-15NWDS-A | M22 | 1.5 | 74 | 3.5 | 18 | 13 | 15 | 25 | 99 | 8 | 27 | 14 | 标准 | 超高速用 | 没有保护机构 | 带头 | 65 | 75 | 90000 | 15 | 3 | 5 | 10 | 40 | 0.3 | 16 | 26 | 170 | CAD | 请求报价 |
| PHE22-15NWDK-A | M22 | 1.5 | 74 | 3.5 | 18 | 13 | 15 | 25 | 99 | 8 | 27 | 14 | 标准 | 超高速用 | 没有保护机构 | 带垫+带头 | 65 | 75 | 90000 | 15 | 3 | 5 | 10 | 40 | 0.3 | 16 | 26 | 170 | CAD | 请求报价 |
| PHE22-15NWFD-A | M22 | 1.5 | 74 | 3.5 | 6 | - | 15 | - | 89 | 8 | 27 | 14 | 标准 | 超高速用 | 毡环(防尘用) | 没有头部 | 65 | 75 | 90000 | 15 | 3 | 5 | 10 | 40 | 0.3 | 16 | 26 | 160 | CAD | 请求报价 |
| PHE22-15NWFS-A | M22 | 1.5 | 74 | 3.5 | 18 | 13 | 15 | 25 | 99 | 8 | 27 | 14 | 标准 | 超高速用 | 毡环(防尘用) | 带头 | 65 | 75 | 90000 | 15 | 3 | 5 | 10 | 40 | 0.3 | 16 | 26 | 170 | CAD | 请求报价 |
| PHE22-15NWFK-A | M22 | 1.5 | 74 | 3.5 | 18 | 13 | 15 | 25 | 99 | 8 | 27 | 14 | 标准 | 超高速用 | 毡环(防尘用) | 带垫+带头 | 65 | 75 | 90000 | 15 | 3 | 5 | 10 | 40 | 0.3 | 16 | 26 | 170 | CAD | 请求报价 |
| PHE22-15NWAD-A | M22 | 1.5 | 74 | 3.5 | 6 | - | 15 | - | 89 | 8 | 27 | 14 | 标准 | 超高速用 | 刮擦器(防水用) | 没有头部 | 65 | 75 | 90000 | 15 | 3 | 5 | 10 | 40 | 0.3 | 16 | 26 | 160 | CAD | 请求报价 |
| PHE22-15NWAS-A | M22 | 1.5 | 74 | 3.5 | 18 | 13 | 15 | 25 | 99 | 8 | 27 | 14 | 标准 | 超高速用 | 刮擦器(防水用) | 带头 | 65 | 75 | 90000 | 15 | 3 | 5 | 10 | 40 | 0.3 | 16 | 26 | 170 | CAD | 请求报价 |
| PHE22-15NWAK-A | M22 | 1.5 | 74 | 3.5 | 18 | 13 | 15 | 25 | 99 | 8 | 27 | 14 | 标准 | 超高速用 | 刮擦器(防水用) | 带垫+带头 | 65 | 75 | 90000 | 15 | 3 | 5 | 10 | 40 | 0.3 | 16 | 26 | 170 | CAD | 请求报价 |
| PHE22-15LHDD-A | M22 | 1.5 | 96 | 3.5 | 6 | - | 25 | - | 121 | 8 | 27 | 14 | 加长型 | 低速用 | 没有保护机构 | 没有头部 | 80 | 150 | 90000 | 25 | 0.1 | 1.2 | 10 | 40 | 0.5 | 16 | 26 | 200 | CAD | 请求报价 |
| PHE22-15LHDS-A | M22 | 1.5 | 96 | 3.5 | 18 | 13 | 25 | 35 | 131 | 8 | 27 | 14 | 加长型 | 低速用 | 没有保护机构 | 带头 | 80 | 150 | 90000 | 25 | 0.1 | 1.2 | 10 | 40 | 0.5 | 16 | 26 | 220 | CAD | 请求报价 |
| PHE22-15LHDK-A | M22 | 1.5 | 96 | 3.5 | 18 | 13 | 25 | 35 | 131 | 8 | 27 | 14 | 加长型 | 低速用 | 没有保护机构 | 带垫+带头 | 80 | 150 | 90000 | 25 | 0.1 | 1.2 | 10 | 40 | 0.5 | 16 | 26 | 220 | CAD | 请求报价 |
| PHE22-15LHFD-A | M22 | 1.5 | 96 | 3.5 | 6 | - | 25 | - | 121 | 8 | 27 | 14 | 加长型 | 低速用 | 毡环(防尘用) | 没有头部 | 80 | 150 | 90000 | 25 | 0.1 | 1.2 | 10 | 40 | 0.5 | 16 | 26 | 200 | CAD | 请求报价 |
| PHE22-15LHFS-A | M22 | 1.5 | 96 | 3.5 | 18 | 13 | 25 | 35 | 131 | 8 | 27 | 14 | 加长型 | 低速用 | 毡环(防尘用) | 带头 | 80 | 150 | 90000 | 25 | 0.1 | 1.2 | 10 | 40 | 0.5 | 16 | 26 | 220 | CAD | 请求报价 |
| PHE22-15LHFK-A | M22 | 1.5 | 96 | 3.5 | 18 | 13 | 25 | 35 | 131 | 8 | 27 | 14 | 加长型 | 低速用 | 毡环(防尘用) | 带垫+带头 | 80 | 150 | 90000 | 25 | 0.1 | 1.2 | 10 | 40 | 0.5 | 16 | 26 | 220 | CAD | 请求报价 |
| PHE22-15LHAD-A | M22 | 1.5 | 96 | 3.5 | 6 | - | 25 | - | 121 | 8 | 27 | 14 | 加长型 | 低速用 | 刮擦器(防水用) | 没有头部 | 80 | 150 | 90000 | 25 | 0.1 | 1.2 | 10 | 40 | 0.5 | 16 | 26 | 200 | CAD | 请求报价 |
| PHE22-15LHAS-A | M22 | 1.5 | 96 | 3.5 | 18 | 13 | 25 | 35 | 131 | 8 | 27 | 14 | 加长型 | 低速用 | 刮擦器(防水用) | 带头 | 80 | 150 | 90000 | 25 | 0.1 | 1.2 | 10 | 40 | 0.5 | 16 | 26 | 220 | CAD | 请求报价 |
| PHE22-15LHAK-A | M22 | 1.5 | 96 | 3.5 | 18 | 13 | 25 | 35 | 131 | 8 | 27 | 14 | 加长型 | 低速用 | 刮擦器(防水用) | 带垫+带头 | 80 | 150 | 90000 | 25 | 0.1 | 1.2 | 10 | 40 | 0.5 | 16 | 26 | 220 | CAD | 请求报价 |
| PHE22-15LMDD-A | M22 | 1.5 | 96 | 3.5 | 6 | - | 25 | - | 121 | 8 | 27 | 14 | 加长型 | 中速用 | 没有保护机构 | 没有头部 | 75 | 125 | 90000 | 25 | 0.8 | 2.2 | 10 | 40 | 0.5 | 16 | 26 | 200 | CAD | 请求报价 |
| PHE22-15LMDS-A | M22 | 1.5 | 96 | 3.5 | 18 | 13 | 25 | 35 | 131 | 8 | 27 | 14 | 加长型 | 中速用 | 没有保护机构 | 带头 | 75 | 125 | 90000 | 25 | 0.8 | 2.2 | 10 | 40 | 0.5 | 16 | 26 | 220 | CAD | 请求报价 |
| PHE22-15LMDK-A | M22 | 1.5 | 96 | 3.5 | 18 | 13 | 25 | 35 | 131 | 8 | 27 | 14 | 加长型 | 中速用 | 没有保护机构 | 带垫+带头 | 75 | 125 | 90000 | 25 | 0.8 | 2.2 | 10 | 40 | 0.5 | 16 | 26 | 220 | CAD | 请求报价 |
| PHE22-15LMFD-A | M22 | 1.5 | 96 | 3.5 | 6 | - | 25 | - | 121 | 8 | 27 | 14 | 加长型 | 中速用 | 毡环(防尘用) | 没有头部 | 75 | 125 | 90000 | 25 | 0.8 | 2.2 | 10 | 40 | 0.5 | 16 | 26 | 200 | CAD | 请求报价 |
| PHE22-15LMFS-A | M22 | 1.5 | 96 | 3.5 | 18 | 13 | 25 | 35 | 131 | 8 | 27 | 14 | 加长型 | 中速用 | 毡环(防尘用) | 带头 | 75 | 125 | 90000 | 25 | 0.8 | 2.2 | 10 | 40 | 0.5 | 16 | 26 | 220 | CAD | 请求报价 |
| PHE22-15LMFK-A | M22 | 1.5 | 96 | 3.5 | 18 | 13 | 25 | 35 | 131 | 8 | 27 | 14 | 加长型 | 中速用 | 毡环(防尘用) | 带垫+带头 | 75 | 125 | 90000 | 25 | 0.8 | 2.2 | 10 | 40 | 0.5 | 16 | 26 | 220 | CAD | 请求报价 |
| PHE22-15LMAD-A | M22 | 1.5 | 96 | 3.5 | 6 | - | 25 | - | 121 | 8 | 27 | 14 | 加长型 | 中速用 | 刮擦器(防水用) | 没有头部 | 75 | 125 | 90000 | 25 | 0.8 | 2.2 | 10 | 40 | 0.5 | 16 | 26 | 200 | CAD | 请求报价 |
| PHE22-15LMAS-A | M22 | 1.5 | 96 | 3.5 | 18 | 13 | 25 | 35 | 131 | 8 | 27 | 14 | 加长型 | 中速用 | 刮擦器(防水用) | 带头 | 75 | 125 | 90000 | 25 | 0.8 | 2.2 | 10 | 40 | 0.5 | 16 | 26 | 220 | CAD | 请求报价 |
| PHE22-15LMAK-A | M22 | 1.5 | 96 | 3.5 | 18 | 13 | 25 | 35 | 131 | 8 | 27 | 14 | 加长型 | 中速用 | 刮擦器(防水用) | 带垫+带头 | 75 | 125 | 90000 | 25 | 0.8 | 2.2 | 10 | 40 | 0.5 | 16 | 26 | 220 | CAD | 请求报价 |
| PHE22-15LSDD-A | M22 | 1.5 | 96 | 3.5 | 6 | - | 25 | - | 121 | 8 | 27 | 14 | 加长型 | 高速用 | 没有保护机构 | 没有头部 | 70 | 100 | 90000 | 25 | 1.8 | 3.5 | 10 | 40 | 0.5 | 16 | 26 | 200 | CAD | 请求报价 |
| PHE22-15LSDS-A | M22 | 1.5 | 96 | 3.5 | 18 | 13 | 25 | 35 | 131 | 8 | 27 | 14 | 加长型 | 高速用 | 没有保护机构 | 带头 | 70 | 100 | 90000 | 25 | 1.8 | 3.5 | 10 | 40 | 0.5 | 16 | 26 | 220 | CAD | 请求报价 |
| PHE22-15LSDK-A | M22 | 1.5 | 96 | 3.5 | 18 | 13 | 25 | 35 | 131 | 8 | 27 | 14 | 加长型 | 高速用 | 没有保护机构 | 带垫+带头 | 70 | 100 | 90000 | 25 | 1.8 | 3.5 | 10 | 40 | 0.5 | 16 | 26 | 220 | CAD | 请求报价 |
| PHE22-15LSFD-A | M22 | 1.5 | 96 | 3.5 | 6 | - | 25 | - | 121 | 8 | 27 | 14 | 加长型 | 高速用 | 毡环(防尘用) | 没有头部 | 70 | 100 | 90000 | 25 | 1.8 | 3.5 | 10 | 40 | 0.5 | 16 | 26 | 200 | CAD | 请求报价 |
| PHE22-15LSFS-A | M22 | 1.5 | 96 | 3.5 | 18 | 13 | 25 | 35 | 131 | 8 | 27 | 14 | 加长型 | 高速用 | 毡环(防尘用) | 带头 | 70 | 100 | 90000 | 25 | 1.8 | 3.5 | 10 | 40 | 0.5 | 16 | 26 | 220 | CAD | 请求报价 |
| PHE22-15LSFK-A | M22 | 1.5 | 96 | 3.5 | 18 | 13 | 25 | 35 | 131 | 8 | 27 | 14 | 加长型 | 高速用 | 毡环(防尘用) | 带垫+带头 | 70 | 100 | 90000 | 25 | 1.8 | 3.5 | 10 | 40 | 0.5 | 16 | 26 | 220 | CAD | 请求报价 |
| PHE22-15LSAD-A | M22 | 1.5 | 96 | 3.5 | 6 | - | 25 | - | 121 | 8 | 27 | 14 | 加长型 | 高速用 | 刮擦器(防水用) | 没有头部 | 70 | 100 | 90000 | 25 | 1.8 | 3.5 | 10 | 40 | 0.5 | 16 | 26 | 200 | CAD | 请求报价 |
| PHE22-15LSAS-A | M22 | 1.5 | 96 | 3.5 | 18 | 13 | 25 | 35 | 131 | 8 | 27 | 14 | 加长型 | 高速用 | 刮擦器(防水用) | 带头 | 70 | 100 | 90000 | 25 | 1.8 | 3.5 | 10 | 40 | 0.5 | 16 | 26 | 220 | CAD | 请求报价 |
| PHE22-15LSAK-A | M22 | 1.5 | 96 | 3.5 | 18 | 13 | 25 | 35 | 131 | 8 | 27 | 14 | 加长型 | 高速用 | 刮擦器(防水用) | 带垫+带头 | 70 | 100 | 90000 | 25 | 1.8 | 3.5 | 10 | 40 | 0.5 | 16 | 26 | 220 | CAD | 请求报价 |
| PHE22-15LWDD-A | M22 | 1.5 | 96 | 3.5 | 6 | - | 25 | - | 121 | 8 | 27 | 14 | 加长型 | 超高速用 | 没有保护机构 | 没有头部 | 65 | 75 | 90000 | 25 | 3 | 5 | 10 | 40 | 0.5 | 16 | 26 | 200 | CAD | 请求报价 |
| PHE22-15LWDS-A | M22 | 1.5 | 96 | 3.5 | 18 | 13 | 25 | 35 | 131 | 8 | 27 | 14 | 加长型 | 超高速用 | 没有保护机构 | 带头 | 65 | 75 | 90000 | 25 | 3 | 5 | 10 | 40 | 0.5 | 16 | 26 | 220 | CAD | 请求报价 |
| PHE22-15LWDK-A | M22 | 1.5 | 96 | 3.5 | 18 | 13 | 25 | 35 | 131 | 8 | 27 | 14 | 加长型 | 超高速用 | 没有保护机构 | 带垫+带头 | 65 | 75 | 90000 | 25 | 3 | 5 | 10 | 40 | 0.5 | 16 | 26 | 220 | CAD | 请求报价 |
| PHE22-15LWFD-A | M22 | 1.5 | 96 | 3.5 | 6 | - | 25 | - | 121 | 8 | 27 | 14 | 加长型 | 超高速用 | 毡环(防尘用) | 没有头部 | 65 | 75 | 90000 | 25 | 3 | 5 | 10 | 40 | 0.5 | 16 | 26 | 200 | CAD | 请求报价 |
| PHE22-15LWFS-A | M22 | 1.5 | 96 | 3.5 | 18 | 13 | 25 | 35 | 131 | 8 | 27 | 14 | 加长型 | 超高速用 | 毡环(防尘用) | 带头 | 65 | 75 | 90000 | 25 | 3 | 5 | 10 | 40 | 0.5 | 16 | 26 | 220 | CAD | 请求报价 |
| PHE22-15LWFK-A | M22 | 1.5 | 96 | 3.5 | 18 | 13 | 25 | 35 | 131 | 8 | 27 | 14 | 加长型 | 超高速用 | 毡环(防尘用) | 带垫+带头 | 65 | 75 | 90000 | 25 | 3 | 5 | 10 | 40 | 0.5 | 16 | 26 | 220 | CAD | 请求报价 |
| PHE22-15LWAD-A | M22 | 1.5 | 96 | 3.5 | 6 | - | 25 | - | 121 | 8 | 27 | 14 | 加长型 | 超高速用 | 刮擦器(防水用) | 没有头部 | 65 | 75 | 90000 | 25 | 3 | 5 | 10 | 40 | 0.5 | 16 | 26 | 200 | CAD | 请求报价 |
| PHE22-15LWAS-A | M22 | 1.5 | 96 | 3.5 | 18 | 13 | 25 | 35 | 131 | 8 | 27 | 14 | 加长型 | 超高速用 | 刮擦器(防水用) | 带头 | 65 | 75 | 90000 | 25 | 3 | 5 | 10 | 40 | 0.5 | 16 | 26 | 220 | CAD | 请求报价 |
| PHE22-15LWAK-A | M22 | 1.5 | 96 | 3.5 | 18 | 13 | 25 | 35 | 131 | 8 | 27 | 14 | 加长型 | 超高速用 | 刮擦器(防水用) | 带垫+带头 | 65 | 75 | 90000 | 25 | 3 | 5 | 10 | 40 | 0.5 | 16 | 26 | 220 | CAD | 请求报价 |
| PHE25-15NHDD-A | M25 | 1.5 | 107 | 4 | 8 | - | 25 | - | 132 | 10 | 30 | 19 | 标准 | 低速用 | 没有保护机构 | 没有头部 | 230 | 400 | 120000 | 25 | 0.1 | 1.2 | 17 | 60 | 0.4 | 26 | 45 | 270 | CAD | 请求报价 |
| PHE25-15NHDS-A | M25 | 1.5 | 107 | 4 | 23 | 17 | 25 | 38 | 145 | 10 | 30 | 19 | 标准 | 低速用 | 没有保护机构 | 带头 | 230 | 400 | 120000 | 25 | 0.1 | 1.2 | 17 | 60 | 0.4 | 26 | 45 | 310 | CAD | 请求报价 |
| PHE25-15NHDK-A | M25 | 1.5 | 107 | 4 | 23 | 17 | 25 | 38 | 145 | 10 | 30 | 19 | 标准 | 低速用 | 没有保护机构 | 带垫+带头 | 230 | 400 | 120000 | 25 | 0.1 | 1.2 | 17 | 60 | 0.4 | 26 | 45 | 310 | CAD | 请求报价 |
| PHE25-15NHFD-A | M25 | 1.5 | 107 | 4 | 8 | - | 25 | - | 132 | 10 | 30 | 19 | 标准 | 低速用 | 毡环(防尘用) | 没有头部 | 230 | 400 | 120000 | 25 | 0.1 | 1.2 | 17 | 60 | 0.4 | 26 | 45 | 270 | CAD | 请求报价 |
| PHE25-15NHFS-A | M25 | 1.5 | 107 | 4 | 23 | 17 | 25 | 38 | 145 | 10 | 30 | 19 | 标准 | 低速用 | 毡环(防尘用) | 带头 | 230 | 400 | 120000 | 25 | 0.1 | 1.2 | 17 | 60 | 0.4 | 26 | 45 | 310 | CAD | 请求报价 |
| PHE25-15NHFK-A | M25 | 1.5 | 107 | 4 | 23 | 17 | 25 | 38 | 145 | 10 | 30 | 19 | 标准 | 低速用 | 毡环(防尘用) | 带垫+带头 | 230 | 400 | 120000 | 25 | 0.1 | 1.2 | 17 | 60 | 0.4 | 26 | 45 | 310 | CAD | 请求报价 |
| PHE25-15NHAD-A | M25 | 1.5 | 107 | 4 | 8 | - | 25 | - | 132 | 10 | 30 | 19 | 标准 | 低速用 | 刮擦器(防水用) | 没有头部 | 230 | 400 | 120000 | 25 | 0.1 | 1.2 | 17 | 60 | 0.4 | 26 | 45 | 270 | CAD | 请求报价 |
| PHE25-15NHAS-A | M25 | 1.5 | 107 | 4 | 23 | 17 | 25 | 38 | 145 | 10 | 30 | 19 | 标准 | 低速用 | 刮擦器(防水用) | 带头 | 230 | 400 | 120000 | 25 | 0.1 | 1.2 | 17 | 60 | 0.4 | 26 | 45 | 310 | CAD | 请求报价 |
| PHE25-15NHAK-A | M25 | 1.5 | 107 | 4 | 23 | 17 | 25 | 38 | 145 | 10 | 30 | 19 | 标准 | 低速用 | 刮擦器(防水用) | 带垫+带头 | 230 | 400 | 120000 | 25 | 0.1 | 1.2 | 17 | 60 | 0.4 | 26 | 45 | 310 | CAD | 请求报价 |
| PHE25-15NHBS-A | M25 | 1.5 | 94.5 | 4 | 31 | 17 | 25 | 59 | 153.5 | 10 | 30 | 19 | 标准 | 低速用 | 波纹管盖 | 带头 | 230 | 400 | 120000 | 25 | 0.1 | 1.2 | 17 | 60 | 0.4 | 26 | 115 | 338 | CAD | 请求报价 |
| PHE25-15NHBK-A | M25 | 1.5 | 94.5 | 4 | 31 | 17 | 25 | 59 | 153.5 | 10 | 30 | 19 | 标准 | 低速用 | 波纹管盖 | 带垫+带头 | 230 | 400 | 120000 | 25 | 0.1 | 1.2 | 17 | 60 | 0.4 | 26 | 115 | 333 | CAD | 请求报价 |
| PHE25-15NMDD-A | M25 | 1.5 | 107 | 4 | 8 | - | 25 | - | 132 | 10 | 30 | 19 | 标准 | 中速用 | 没有保护机构 | 没有头部 | 210 | 330 | 120000 | 25 | 0.8 | 2.2 | 17 | 60 | 0.4 | 26 | 45 | 270 | CAD | 请求报价 |
| PHE25-15NMDS-A | M25 | 1.5 | 107 | 4 | 23 | 17 | 25 | 38 | 145 | 10 | 30 | 19 | 标准 | 中速用 | 没有保护机构 | 带头 | 210 | 330 | 120000 | 25 | 0.8 | 2.2 | 17 | 60 | 0.4 | 26 | 45 | 310 | CAD | 请求报价 |
| PHE25-15NMDK-A | M25 | 1.5 | 107 | 4 | 23 | 17 | 25 | 38 | 145 | 10 | 30 | 19 | 标准 | 中速用 | 没有保护机构 | 带垫+带头 | 210 | 330 | 120000 | 25 | 0.8 | 2.2 | 17 | 60 | 0.4 | 26 | 45 | 310 | CAD | 请求报价 |
| PHE25-15NMFD-A | M25 | 1.5 | 107 | 4 | 8 | - | 25 | - | 132 | 10 | 30 | 19 | 标准 | 中速用 | 毡环(防尘用) | 没有头部 | 210 | 330 | 120000 | 25 | 0.8 | 2.2 | 17 | 60 | 0.4 | 26 | 45 | 270 | CAD | 请求报价 |
| PHE25-15NMFS-A | M25 | 1.5 | 107 | 4 | 23 | 17 | 25 | 38 | 145 | 10 | 30 | 19 | 标准 | 中速用 | 毡环(防尘用) | 带头 | 210 | 330 | 120000 | 25 | 0.8 | 2.2 | 17 | 60 | 0.4 | 26 | 45 | 310 | CAD | 请求报价 |
| PHE25-15NMFK-A | M25 | 1.5 | 107 | 4 | 23 | 17 | 25 | 38 | 145 | 10 | 30 | 19 | 标准 | 中速用 | 毡环(防尘用) | 带垫+带头 | 210 | 330 | 120000 | 25 | 0.8 | 2.2 | 17 | 60 | 0.4 | 26 | 45 | 310 | CAD | 请求报价 |
| PHE25-15NMAD-A | M25 | 1.5 | 107 | 4 | 8 | - | 25 | - | 132 | 10 | 30 | 19 | 标准 | 中速用 | 刮擦器(防水用) | 没有头部 | 210 | 330 | 120000 | 25 | 0.8 | 2.2 | 17 | 60 | 0.4 | 26 | 45 | 270 | CAD | 请求报价 |
| PHE25-15NMAS-A | M25 | 1.5 | 107 | 4 | 23 | 17 | 25 | 38 | 145 | 10 | 30 | 19 | 标准 | 中速用 | 刮擦器(防水用) | 带头 | 210 | 330 | 120000 | 25 | 0.8 | 2.2 | 17 | 60 | 0.4 | 26 | 45 | 310 | CAD | 请求报价 |
| PHE25-15NMAK-A | M25 | 1.5 | 107 | 4 | 23 | 17 | 25 | 38 | 145 | 10 | 30 | 19 | 标准 | 中速用 | 刮擦器(防水用) | 带垫+带头 | 210 | 330 | 120000 | 25 | 0.8 | 2.2 | 17 | 60 | 0.4 | 26 | 45 | 310 | CAD | 请求报价 |
| PHE25-15NMBS-A | M25 | 1.5 | 94.5 | 4 | 31 | 17 | 25 | 59 | 153.5 | 10 | 30 | 19 | 标准 | 中速用 | 波纹管盖 | 带头 | 210 | 330 | 120000 | 25 | 0.8 | 2.2 | 17 | 60 | 0.4 | 26 | 115 | 338 | CAD | 请求报价 |
| PHE25-15NMBK-A | M25 | 1.5 | 94.5 | 4 | 31 | 17 | 25 | 59 | 153.5 | 10 | 30 | 19 | 标准 | 中速用 | 波纹管盖 | 带垫+带头 | 210 | 330 | 120000 | 25 | 0.8 | 2.2 | 17 | 60 | 0.4 | 26 | 115 | 333 | CAD | 请求报价 |
| PHE25-15NSDD-A | M25 | 1.5 | 107 | 4 | 8 | - | 25 | - | 132 | 10 | 30 | 19 | 标准 | 高速用 | 没有保护机构 | 没有头部 | 190 | 260 | 120000 | 25 | 1.8 | 3.5 | 17 | 60 | 0.4 | 26 | 45 | 270 | CAD | 请求报价 |
| PHE25-15NSDS-A | M25 | 1.5 | 107 | 4 | 23 | 17 | 25 | 38 | 145 | 10 | 30 | 19 | 标准 | 高速用 | 没有保护机构 | 带头 | 190 | 260 | 120000 | 25 | 1.8 | 3.5 | 17 | 60 | 0.4 | 26 | 45 | 310 | CAD | 请求报价 |
| PHE25-15NSDK-A | M25 | 1.5 | 107 | 4 | 23 | 17 | 25 | 38 | 145 | 10 | 30 | 19 | 标准 | 高速用 | 没有保护机构 | 带垫+带头 | 190 | 260 | 120000 | 25 | 1.8 | 3.5 | 17 | 60 | 0.4 | 26 | 45 | 310 | CAD | 请求报价 |
| PHE25-15NSFD-A | M25 | 1.5 | 107 | 4 | 8 | - | 25 | - | 132 | 10 | 30 | 19 | 标准 | 高速用 | 毡环(防尘用) | 没有头部 | 190 | 260 | 120000 | 25 | 1.8 | 3.5 | 17 | 60 | 0.4 | 26 | 45 | 270 | CAD | 请求报价 |
| PHE25-15NSFS-A | M25 | 1.5 | 107 | 4 | 23 | 17 | 25 | 38 | 145 | 10 | 30 | 19 | 标准 | 高速用 | 毡环(防尘用) | 带头 | 190 | 260 | 120000 | 25 | 1.8 | 3.5 | 17 | 60 | 0.4 | 26 | 45 | 310 | CAD | 请求报价 |
| PHE25-15NSFK-A | M25 | 1.5 | 107 | 4 | 23 | 17 | 25 | 38 | 145 | 10 | 30 | 19 | 标准 | 高速用 | 毡环(防尘用) | 带垫+带头 | 190 | 260 | 120000 | 25 | 1.8 | 3.5 | 17 | 60 | 0.4 | 26 | 45 | 310 | CAD | 请求报价 |
| PHE25-15NSAD-A | M25 | 1.5 | 107 | 4 | 8 | - | 25 | - | 132 | 10 | 30 | 19 | 标准 | 高速用 | 刮擦器(防水用) | 没有头部 | 190 | 260 | 120000 | 25 | 1.8 | 3.5 | 17 | 60 | 0.4 | 26 | 45 | 270 | CAD | 请求报价 |
| PHE25-15NSAS-A | M25 | 1.5 | 107 | 4 | 23 | 17 | 25 | 38 | 145 | 10 | 30 | 19 | 标准 | 高速用 | 刮擦器(防水用) | 带头 | 190 | 260 | 120000 | 25 | 1.8 | 3.5 | 17 | 60 | 0.4 | 26 | 45 | 310 | CAD | 请求报价 |
| PHE25-15NSAK-A | M25 | 1.5 | 107 | 4 | 23 | 17 | 25 | 38 | 145 | 10 | 30 | 19 | 标准 | 高速用 | 刮擦器(防水用) | 带垫+带头 | 190 | 260 | 120000 | 25 | 1.8 | 3.5 | 17 | 60 | 0.4 | 26 | 45 | 310 | CAD | 请求报价 |
| PHE25-15NSBS-A | M25 | 1.5 | 94.5 | 4 | 31 | 17 | 25 | 59 | 153.5 | 10 | 30 | 19 | 标准 | 高速用 | 波纹管盖 | 带头 | 190 | 260 | 120000 | 25 | 1.8 | 3.5 | 17 | 60 | 0.4 | 26 | 115 | 338 | CAD | 请求报价 |
| PHE25-15NSBK-A | M25 | 1.5 | 94.5 | 4 | 31 | 17 | 25 | 59 | 153.5 | 10 | 30 | 19 | 标准 | 高速用 | 波纹管盖 | 带垫+带头 | 190 | 260 | 120000 | 25 | 1.8 | 3.5 | 17 | 60 | 0.4 | 26 | 115 | 333 | CAD | 请求报价 |
| PHE25-15NWDD-A | M25 | 1.5 | 107 | 4 | 8 | - | 25 | - | 132 | 10 | 30 | 19 | 标准 | 超高速用 | 没有保护机构 | 没有头部 | 170 | 190 | 120000 | 25 | 3 | 5 | 17 | 60 | 0.4 | 26 | 45 | 270 | CAD | 请求报价 |
| PHE25-15NWDS-A | M25 | 1.5 | 107 | 4 | 23 | 17 | 25 | 38 | 145 | 10 | 30 | 19 | 标准 | 超高速用 | 没有保护机构 | 带头 | 170 | 190 | 120000 | 25 | 3 | 5 | 17 | 60 | 0.4 | 26 | 45 | 310 | CAD | 请求报价 |
| PHE25-15NWDK-A | M25 | 1.5 | 107 | 4 | 23 | 17 | 25 | 38 | 145 | 10 | 30 | 19 | 标准 | 超高速用 | 没有保护机构 | 带垫+带头 | 170 | 190 | 120000 | 25 | 3 | 5 | 17 | 60 | 0.4 | 26 | 45 | 310 | CAD | 请求报价 |
| PHE25-15NWFD-A | M25 | 1.5 | 107 | 4 | 8 | - | 25 | - | 132 | 10 | 30 | 19 | 标准 | 超高速用 | 毡环(防尘用) | 没有头部 | 170 | 190 | 120000 | 25 | 3 | 5 | 17 | 60 | 0.4 | 26 | 45 | 270 | CAD | 请求报价 |
| PHE25-15NWFS-A | M25 | 1.5 | 107 | 4 | 23 | 17 | 25 | 38 | 145 | 10 | 30 | 19 | 标准 | 超高速用 | 毡环(防尘用) | 带头 | 170 | 190 | 120000 | 25 | 3 | 5 | 17 | 60 | 0.4 | 26 | 45 | 310 | CAD | 请求报价 |
| PHE25-15NWFK-A | M25 | 1.5 | 107 | 4 | 23 | 17 | 25 | 38 | 145 | 10 | 30 | 19 | 标准 | 超高速用 | 毡环(防尘用) | 带垫+带头 | 170 | 190 | 120000 | 25 | 3 | 5 | 17 | 60 | 0.4 | 26 | 45 | 310 | CAD | 请求报价 |
| PHE25-15NWAD-A | M25 | 1.5 | 107 | 4 | 8 | - | 25 | - | 132 | 10 | 30 | 19 | 标准 | 超高速用 | 刮擦器(防水用) | 没有头部 | 170 | 190 | 120000 | 25 | 3 | 5 | 17 | 60 | 0.4 | 26 | 45 | 270 | CAD | 请求报价 |
| PHE25-15NWAS-A | M25 | 1.5 | 107 | 4 | 23 | 17 | 25 | 38 | 145 | 10 | 30 | 19 | 标准 | 超高速用 | 刮擦器(防水用) | 带头 | 170 | 190 | 120000 | 25 | 3 | 5 | 17 | 60 | 0.4 | 26 | 45 | 310 | CAD | 请求报价 |
| PHE25-15NWAK-A | M25 | 1.5 | 107 | 4 | 23 | 17 | 25 | 38 | 145 | 10 | 30 | 19 | 标准 | 超高速用 | 刮擦器(防水用) | 带垫+带头 | 170 | 190 | 120000 | 25 | 3 | 5 | 17 | 60 | 0.4 | 26 | 45 | 310 | CAD | 请求报价 |
| PHE25-15NWBS-A | M25 | 1.5 | 94.5 | 4 | 31 | 17 | 25 | 59 | 153.5 | 10 | 30 | 19 | 标准 | 超高速用 | 波纹管盖 | 带头 | 170 | 190 | 120000 | 25 | 3 | 5 | 17 | 60 | 0.4 | 26 | 115 | 338 | CAD | 请求报价 |
| PHE25-15NWBK-A | M25 | 1.5 | 94.5 | 4 | 31 | 17 | 25 | 59 | 153.5 | 10 | 30 | 19 | 标准 | 超高速用 | 波纹管盖 | 带垫+带头 | 170 | 190 | 120000 | 25 | 3 | 5 | 17 | 60 | 0.4 | 26 | 115 | 333 | CAD | 请求报价 |
| PHE25-15LHDD-A | M25 | 1.5 | 142 | 4 | 8 | - | 40 | - | 182 | 10 | 30 | 19 | 加长型 | 低速用 | 没有保护机构 | 没有头部 | 230 | 400 | 120000 | 40 | 0.1 | 1.2 | 17 | 60 | 0.6 | 26 | 45 | 360 | CAD | 请求报价 |
| PHE25-15LHDS-A | M25 | 1.5 | 142 | 4 | 23 | 17 | 40 | 53 | 195 | 10 | 30 | 19 | 加长型 | 低速用 | 没有保护机构 | 带头 | 230 | 400 | 120000 | 40 | 0.1 | 1.2 | 17 | 60 | 0.6 | 26 | 45 | 400 | CAD | 请求报价 |
| PHE25-15LHDK-A | M25 | 1.5 | 142 | 4 | 23 | 17 | 40 | 53 | 195 | 10 | 30 | 19 | 加长型 | 低速用 | 没有保护机构 | 带垫+带头 | 230 | 400 | 120000 | 40 | 0.1 | 1.2 | 17 | 60 | 0.6 | 26 | 45 | 400 | CAD | 请求报价 |
| PHE25-15LHFD-A | M25 | 1.5 | 142 | 4 | 8 | - | 40 | - | 182 | 10 | 30 | 19 | 加长型 | 低速用 | 毡环(防尘用) | 没有头部 | 230 | 400 | 120000 | 40 | 0.1 | 1.2 | 17 | 60 | 0.6 | 26 | 45 | 360 | CAD | 请求报价 |
| PHE25-15LHFS-A | M25 | 1.5 | 142 | 4 | 23 | 17 | 40 | 53 | 195 | 10 | 30 | 19 | 加长型 | 低速用 | 毡环(防尘用) | 带头 | 230 | 400 | 120000 | 40 | 0.1 | 1.2 | 17 | 60 | 0.6 | 26 | 45 | 400 | CAD | 请求报价 |
| PHE25-15LHFK-A | M25 | 1.5 | 142 | 4 | 23 | 17 | 40 | 53 | 195 | 10 | 30 | 19 | 加长型 | 低速用 | 毡环(防尘用) | 带垫+带头 | 230 | 400 | 120000 | 40 | 0.1 | 1.2 | 17 | 60 | 0.6 | 26 | 45 | 400 | CAD | 请求报价 |
| PHE25-15LHAD-A | M25 | 1.5 | 142 | 4 | 8 | - | 40 | - | 182 | 10 | 30 | 19 | 加长型 | 低速用 | 刮擦器(防水用) | 没有头部 | 230 | 400 | 120000 | 40 | 0.1 | 1.2 | 17 | 60 | 0.6 | 26 | 45 | 360 | CAD | 请求报价 |
| PHE25-15LHAS-A | M25 | 1.5 | 142 | 4 | 23 | 17 | 40 | 53 | 195 | 10 | 30 | 19 | 加长型 | 低速用 | 刮擦器(防水用) | 带头 | 230 | 400 | 120000 | 40 | 0.1 | 1.2 | 17 | 60 | 0.6 | 26 | 45 | 400 | CAD | 请求报价 |
| PHE25-15LHAK-A | M25 | 1.5 | 142 | 4 | 23 | 17 | 40 | 53 | 195 | 10 | 30 | 19 | 加长型 | 低速用 | 刮擦器(防水用) | 带垫+带头 | 230 | 400 | 120000 | 40 | 0.1 | 1.2 | 17 | 60 | 0.6 | 26 | 45 | 400 | CAD | 请求报价 |
| PHE25-15LMDD-A | M25 | 1.5 | 142 | 4 | 8 | - | 40 | - | 182 | 10 | 30 | 19 | 加长型 | 中速用 | 没有保护机构 | 没有头部 | 210 | 330 | 120000 | 40 | 0.8 | 2.2 | 17 | 60 | 0.6 | 26 | 45 | 360 | CAD | 请求报价 |
| PHE25-15LMDS-A | M25 | 1.5 | 142 | 4 | 23 | 17 | 40 | 53 | 195 | 10 | 30 | 19 | 加长型 | 中速用 | 没有保护机构 | 带头 | 210 | 330 | 120000 | 40 | 0.8 | 2.2 | 17 | 60 | 0.6 | 26 | 45 | 400 | CAD | 请求报价 |
| PHE25-15LMDK-A | M25 | 1.5 | 142 | 4 | 23 | 17 | 40 | 53 | 195 | 10 | 30 | 19 | 加长型 | 中速用 | 没有保护机构 | 带垫+带头 | 210 | 330 | 120000 | 40 | 0.8 | 2.2 | 17 | 60 | 0.6 | 26 | 45 | 400 | CAD | 请求报价 |
| PHE25-15LMFD-A | M25 | 1.5 | 142 | 4 | 8 | - | 40 | - | 182 | 10 | 30 | 19 | 加长型 | 中速用 | 毡环(防尘用) | 没有头部 | 210 | 330 | 120000 | 40 | 0.8 | 2.2 | 17 | 60 | 0.6 | 26 | 45 | 360 | CAD | 请求报价 |
| PHE25-15LMFS-A | M25 | 1.5 | 142 | 4 | 23 | 17 | 40 | 53 | 195 | 10 | 30 | 19 | 加长型 | 中速用 | 毡环(防尘用) | 带头 | 210 | 330 | 120000 | 40 | 0.8 | 2.2 | 17 | 60 | 0.6 | 26 | 45 | 400 | CAD | 请求报价 |
| PHE25-15LMFK-A | M25 | 1.5 | 142 | 4 | 23 | 17 | 40 | 53 | 195 | 10 | 30 | 19 | 加长型 | 中速用 | 毡环(防尘用) | 带垫+带头 | 210 | 330 | 120000 | 40 | 0.8 | 2.2 | 17 | 60 | 0.6 | 26 | 45 | 400 | CAD | 请求报价 |
| PHE25-15LMAD-A | M25 | 1.5 | 142 | 4 | 8 | - | 40 | - | 182 | 10 | 30 | 19 | 加长型 | 中速用 | 刮擦器(防水用) | 没有头部 | 210 | 330 | 120000 | 40 | 0.8 | 2.2 | 17 | 60 | 0.6 | 26 | 45 | 360 | CAD | 请求报价 |
| PHE25-15LMAS-A | M25 | 1.5 | 142 | 4 | 23 | 17 | 40 | 53 | 195 | 10 | 30 | 19 | 加长型 | 中速用 | 刮擦器(防水用) | 带头 | 210 | 330 | 120000 | 40 | 0.8 | 2.2 | 17 | 60 | 0.6 | 26 | 45 | 400 | CAD | 请求报价 |
| PHE25-15LMAK-A | M25 | 1.5 | 142 | 4 | 23 | 17 | 40 | 53 | 195 | 10 | 30 | 19 | 加长型 | 中速用 | 刮擦器(防水用) | 带垫+带头 | 210 | 330 | 120000 | 40 | 0.8 | 2.2 | 17 | 60 | 0.6 | 26 | 45 | 400 | CAD | 请求报价 |
| PHE25-15LSDD-A | M25 | 1.5 | 142 | 4 | 8 | - | 40 | - | 182 | 10 | 30 | 19 | 加长型 | 高速用 | 没有保护机构 | 没有头部 | 190 | 260 | 120000 | 40 | 1.8 | 3.5 | 17 | 60 | 0.6 | 26 | 45 | 360 | CAD | 请求报价 |
| PHE25-15LSDS-A | M25 | 1.5 | 142 | 4 | 23 | 17 | 40 | 53 | 195 | 10 | 30 | 19 | 加长型 | 高速用 | 没有保护机构 | 带头 | 190 | 260 | 120000 | 40 | 1.8 | 3.5 | 17 | 60 | 0.6 | 26 | 45 | 400 | CAD | 请求报价 |
| PHE25-15LSDK-A | M25 | 1.5 | 142 | 4 | 23 | 17 | 40 | 53 | 195 | 10 | 30 | 19 | 加长型 | 高速用 | 没有保护机构 | 带垫+带头 | 190 | 260 | 120000 | 40 | 1.8 | 3.5 | 17 | 60 | 0.6 | 26 | 45 | 400 | CAD | 请求报价 |
| PHE25-15LSFD-A | M25 | 1.5 | 142 | 4 | 8 | - | 40 | - | 182 | 10 | 30 | 19 | 加长型 | 高速用 | 毡环(防尘用) | 没有头部 | 190 | 260 | 120000 | 40 | 1.8 | 3.5 | 17 | 60 | 0.6 | 26 | 45 | 360 | CAD | 请求报价 |
| PHE25-15LSFS-A | M25 | 1.5 | 142 | 4 | 23 | 17 | 40 | 53 | 195 | 10 | 30 | 19 | 加长型 | 高速用 | 毡环(防尘用) | 带头 | 190 | 260 | 120000 | 40 | 1.8 | 3.5 | 17 | 60 | 0.6 | 26 | 45 | 400 | CAD | 请求报价 |
| PHE25-15LSFK-A | M25 | 1.5 | 142 | 4 | 23 | 17 | 40 | 53 | 195 | 10 | 30 | 19 | 加长型 | 高速用 | 毡环(防尘用) | 带垫+带头 | 190 | 260 | 120000 | 40 | 1.8 | 3.5 | 17 | 60 | 0.6 | 26 | 45 | 400 | CAD | 请求报价 |
| PHE25-15LSAD-A | M25 | 1.5 | 142 | 4 | 8 | - | 40 | - | 182 | 10 | 30 | 19 | 加长型 | 高速用 | 刮擦器(防水用) | 没有头部 | 190 | 260 | 120000 | 40 | 1.8 | 3.5 | 17 | 60 | 0.6 | 26 | 45 | 360 | CAD | 请求报价 |
| PHE25-15LSAS-A | M25 | 1.5 | 142 | 4 | 23 | 17 | 40 | 53 | 195 | 10 | 30 | 19 | 加长型 | 高速用 | 刮擦器(防水用) | 带头 | 190 | 260 | 120000 | 40 | 1.8 | 3.5 | 17 | 60 | 0.6 | 26 | 45 | 400 | CAD | 请求报价 |
| PHE25-15LSAK-A | M25 | 1.5 | 142 | 4 | 23 | 17 | 40 | 53 | 195 | 10 | 30 | 19 | 加长型 | 高速用 | 刮擦器(防水用) | 带垫+带头 | 190 | 260 | 120000 | 40 | 1.8 | 3.5 | 17 | 60 | 0.6 | 26 | 45 | 400 | CAD | 请求报价 |
| PHE25-15LWDD-A | M25 | 1.5 | 142 | 4 | 8 | - | 40 | - | 182 | 10 | 30 | 19 | 加长型 | 超高速用 | 没有保护机构 | 没有头部 | 170 | 190 | 120000 | 40 | 3 | 5 | 17 | 60 | 0.6 | 26 | 45 | 360 | CAD | 请求报价 |
| PHE25-15LWDS-A | M25 | 1.5 | 142 | 4 | 23 | 17 | 40 | 53 | 195 | 10 | 30 | 19 | 加长型 | 超高速用 | 没有保护机构 | 带头 | 170 | 190 | 120000 | 40 | 3 | 5 | 17 | 60 | 0.6 | 26 | 45 | 400 | CAD | 请求报价 |
| PHE25-15LWDK-A | M25 | 1.5 | 142 | 4 | 23 | 17 | 40 | 53 | 195 | 10 | 30 | 19 | 加长型 | 超高速用 | 没有保护机构 | 带垫+带头 | 170 | 190 | 120000 | 40 | 3 | 5 | 17 | 60 | 0.6 | 26 | 45 | 400 | CAD | 请求报价 |
| PHE25-15LWFD-A | M25 | 1.5 | 142 | 4 | 8 | - | 40 | - | 182 | 10 | 30 | 19 | 加长型 | 超高速用 | 毡环(防尘用) | 没有头部 | 170 | 190 | 120000 | 40 | 3 | 5 | 17 | 60 | 0.6 | 26 | 45 | 360 | CAD | 请求报价 |
| PHE25-15LWFS-A | M25 | 1.5 | 142 | 4 | 23 | 17 | 40 | 53 | 195 | 10 | 30 | 19 | 加长型 | 超高速用 | 毡环(防尘用) | 带头 | 170 | 190 | 120000 | 40 | 3 | 5 | 17 | 60 | 0.6 | 26 | 45 | 400 | CAD | 请求报价 |
| PHE25-15LWFK-A | M25 | 1.5 | 142 | 4 | 23 | 17 | 40 | 53 | 195 | 10 | 30 | 19 | 加长型 | 超高速用 | 毡环(防尘用) | 带垫+带头 | 170 | 190 | 120000 | 40 | 3 | 5 | 17 | 60 | 0.6 | 26 | 45 | 400 | CAD | 请求报价 |
| PHE25-15LWAD-A | M25 | 1.5 | 142 | 4 | 8 | - | 40 | - | 182 | 10 | 30 | 19 | 加长型 | 超高速用 | 刮擦器(防水用) | 没有头部 | 170 | 190 | 120000 | 40 | 3 | 5 | 17 | 60 | 0.6 | 26 | 45 | 360 | CAD | 请求报价 |
| PHE25-15LWAS-A | M25 | 1.5 | 142 | 4 | 23 | 17 | 40 | 53 | 195 | 10 | 30 | 19 | 加长型 | 超高速用 | 刮擦器(防水用) | 带头 | 170 | 190 | 120000 | 40 | 3 | 5 | 17 | 60 | 0.6 | 26 | 45 | 400 | CAD | 请求报价 |
| PHE25-15LWAK-A | M25 | 1.5 | 142 | 4 | 23 | 17 | 40 | 53 | 195 | 10 | 30 | 19 | 加长型 | 超高速用 | 刮擦器(防水用) | 带垫+带头 | 170 | 190 | 120000 | 40 | 3 | 5 | 17 | 60 | 0.6 | 26 | 45 | 400 | CAD | 请求报价 |
| PHE27-30NHDD-A | M27 | 3.0 | 107 | 4 | 8 | - | 25 | - | 132 | 10 | 32 | 19 | 标准 | 低速用 | 没有保护机构 | 没有头部 | 230 | 400 | 120000 | 25 | 0.1 | 1.2 | 17 | 60 | 0.4 | 26 | 45 | 300 | CAD | 请求报价 |
| PHE27-30NHDS-A | M27 | 3.0 | 107 | 4 | 23 | 17 | 25 | 38 | 145 | 10 | 32 | 19 | 标准 | 低速用 | 没有保护机构 | 带头 | 230 | 400 | 120000 | 25 | 0.1 | 1.2 | 17 | 60 | 0.4 | 26 | 45 | 340 | CAD | 请求报价 |
| PHE27-30NHDK-A | M27 | 3.0 | 107 | 4 | 23 | 17 | 25 | 38 | 145 | 10 | 32 | 19 | 标准 | 低速用 | 没有保护机构 | 带垫+带头 | 230 | 400 | 120000 | 25 | 0.1 | 1.2 | 17 | 60 | 0.4 | 26 | 45 | 340 | CAD | 请求报价 |
| PHE27-30NHFD-A | M27 | 3.0 | 107 | 4 | 8 | - | 25 | - | 132 | 10 | 32 | 19 | 标准 | 低速用 | 毡环(防尘用) | 没有头部 | 230 | 400 | 120000 | 25 | 0.1 | 1.2 | 17 | 60 | 0.4 | 26 | 45 | 300 | CAD | 请求报价 |
| PHE27-30NHFS-A | M27 | 3.0 | 107 | 4 | 23 | 17 | 25 | 38 | 145 | 10 | 32 | 19 | 标准 | 低速用 | 毡环(防尘用) | 带头 | 230 | 400 | 120000 | 25 | 0.1 | 1.2 | 17 | 60 | 0.4 | 26 | 45 | 340 | CAD | 请求报价 |
| PHE27-30NHFK-A | M27 | 3.0 | 107 | 4 | 23 | 17 | 25 | 38 | 145 | 10 | 32 | 19 | 标准 | 低速用 | 毡环(防尘用) | 带垫+带头 | 230 | 400 | 120000 | 25 | 0.1 | 1.2 | 17 | 60 | 0.4 | 26 | 45 | 340 | CAD | 请求报价 |
| PHE27-30NHAD-A | M27 | 3.0 | 107 | 4 | 8 | - | 25 | - | 132 | 10 | 32 | 19 | 标准 | 低速用 | 刮擦器(防水用) | 没有头部 | 230 | 400 | 120000 | 25 | 0.1 | 1.2 | 17 | 60 | 0.4 | 26 | 45 | 300 | CAD | 请求报价 |
| PHE27-30NHAS-A | M27 | 3.0 | 107 | 4 | 23 | 17 | 25 | 38 | 145 | 10 | 32 | 19 | 标准 | 低速用 | 刮擦器(防水用) | 带头 | 230 | 400 | 120000 | 25 | 0.1 | 1.2 | 17 | 60 | 0.4 | 26 | 45 | 340 | CAD | 请求报价 |
| PHE27-30NHAK-A | M27 | 3.0 | 107 | 4 | 23 | 17 | 25 | 38 | 145 | 10 | 32 | 19 | 标准 | 低速用 | 刮擦器(防水用) | 带垫+带头 | 230 | 400 | 120000 | 25 | 0.1 | 1.2 | 17 | 60 | 0.4 | 26 | 45 | 340 | CAD | 请求报价 |
| PHE27-30NMDD-A | M27 | 3.0 | 107 | 4 | 8 | - | 25 | - | 132 | 10 | 32 | 19 | 标准 | 中速用 | 没有保护机构 | 没有头部 | 210 | 330 | 120000 | 25 | 0.8 | 2.2 | 17 | 60 | 0.4 | 26 | 45 | 300 | CAD | 请求报价 |
| PHE27-30NMDS-A | M27 | 3.0 | 107 | 4 | 23 | 17 | 25 | 38 | 145 | 10 | 32 | 19 | 标准 | 中速用 | 没有保护机构 | 带头 | 210 | 330 | 120000 | 25 | 0.8 | 2.2 | 17 | 60 | 0.4 | 26 | 45 | 340 | CAD | 请求报价 |
| PHE27-30NMDK-A | M27 | 3.0 | 107 | 4 | 23 | 17 | 25 | 38 | 145 | 10 | 32 | 19 | 标准 | 中速用 | 没有保护机构 | 带垫+带头 | 210 | 330 | 120000 | 25 | 0.8 | 2.2 | 17 | 60 | 0.4 | 26 | 45 | 340 | CAD | 请求报价 |
| PHE27-30NMFD-A | M27 | 3.0 | 107 | 4 | 8 | - | 25 | - | 132 | 10 | 32 | 19 | 标准 | 中速用 | 毡环(防尘用) | 没有头部 | 210 | 330 | 120000 | 25 | 0.8 | 2.2 | 17 | 60 | 0.4 | 26 | 45 | 300 | CAD | 请求报价 |
| PHE27-30NMFS-A | M27 | 3.0 | 107 | 4 | 23 | 17 | 25 | 38 | 145 | 10 | 32 | 19 | 标准 | 中速用 | 毡环(防尘用) | 带头 | 210 | 330 | 120000 | 25 | 0.8 | 2.2 | 17 | 60 | 0.4 | 26 | 45 | 340 | CAD | 请求报价 |
| PHE27-30NMFK-A | M27 | 3.0 | 107 | 4 | 23 | 17 | 25 | 38 | 145 | 10 | 32 | 19 | 标准 | 中速用 | 毡环(防尘用) | 带垫+带头 | 210 | 330 | 120000 | 25 | 0.8 | 2.2 | 17 | 60 | 0.4 | 26 | 45 | 340 | CAD | 请求报价 |
| PHE27-30NMAD-A | M27 | 3.0 | 107 | 4 | 8 | - | 25 | - | 132 | 10 | 32 | 19 | 标准 | 中速用 | 刮擦器(防水用) | 没有头部 | 210 | 330 | 120000 | 25 | 0.8 | 2.2 | 17 | 60 | 0.4 | 26 | 45 | 300 | CAD | 请求报价 |
| PHE27-30NMAS-A | M27 | 3.0 | 107 | 4 | 23 | 17 | 25 | 38 | 145 | 10 | 32 | 19 | 标准 | 中速用 | 刮擦器(防水用) | 带头 | 210 | 330 | 120000 | 25 | 0.8 | 2.2 | 17 | 60 | 0.4 | 26 | 45 | 340 | CAD | 请求报价 |
| PHE27-30NMAK-A | M27 | 3.0 | 107 | 4 | 23 | 17 | 25 | 38 | 145 | 10 | 32 | 19 | 标准 | 中速用 | 刮擦器(防水用) | 带垫+带头 | 210 | 330 | 120000 | 25 | 0.8 | 2.2 | 17 | 60 | 0.4 | 26 | 45 | 340 | CAD | 请求报价 |
| PHE27-30NSDD-A | M27 | 3.0 | 107 | 4 | 8 | - | 25 | - | 132 | 10 | 32 | 19 | 标准 | 高速用 | 没有保护机构 | 没有头部 | 190 | 260 | 120000 | 25 | 1.8 | 3.5 | 17 | 60 | 0.4 | 26 | 45 | 300 | CAD | 请求报价 |
| PHE27-30NSDS-A | M27 | 3.0 | 107 | 4 | 23 | 17 | 25 | 38 | 145 | 10 | 32 | 19 | 标准 | 高速用 | 没有保护机构 | 带头 | 190 | 260 | 120000 | 25 | 1.8 | 3.5 | 17 | 60 | 0.4 | 26 | 45 | 340 | CAD | 请求报价 |
| PHE27-30NSDK-A | M27 | 3.0 | 107 | 4 | 23 | 17 | 25 | 38 | 145 | 10 | 32 | 19 | 标准 | 高速用 | 没有保护机构 | 带垫+带头 | 190 | 260 | 120000 | 25 | 1.8 | 3.5 | 17 | 60 | 0.4 | 26 | 45 | 340 | CAD | 请求报价 |
| PHE27-30NSFD-A | M27 | 3.0 | 107 | 4 | 8 | - | 25 | - | 132 | 10 | 32 | 19 | 标准 | 高速用 | 毡环(防尘用) | 没有头部 | 190 | 260 | 120000 | 25 | 1.8 | 3.5 | 17 | 60 | 0.4 | 26 | 45 | 300 | CAD | 请求报价 |
| PHE27-30NSFS-A | M27 | 3.0 | 107 | 4 | 23 | 17 | 25 | 38 | 145 | 10 | 32 | 19 | 标准 | 高速用 | 毡环(防尘用) | 带头 | 190 | 260 | 120000 | 25 | 1.8 | 3.5 | 17 | 60 | 0.4 | 26 | 45 | 340 | CAD | 请求报价 |
| PHE27-30NSFK-A | M27 | 3.0 | 107 | 4 | 23 | 17 | 25 | 38 | 145 | 10 | 32 | 19 | 标准 | 高速用 | 毡环(防尘用) | 带垫+带头 | 190 | 260 | 120000 | 25 | 1.8 | 3.5 | 17 | 60 | 0.4 | 26 | 45 | 340 | CAD | 请求报价 |
| PHE27-30NSAD-A | M27 | 3.0 | 107 | 4 | 8 | - | 25 | - | 132 | 10 | 32 | 19 | 标准 | 高速用 | 刮擦器(防水用) | 没有头部 | 190 | 260 | 120000 | 25 | 1.8 | 3.5 | 17 | 60 | 0.4 | 26 | 45 | 300 | CAD | 请求报价 |
| PHE27-30NSAS-A | M27 | 3.0 | 107 | 4 | 23 | 17 | 25 | 38 | 145 | 10 | 32 | 19 | 标准 | 高速用 | 刮擦器(防水用) | 带头 | 190 | 260 | 120000 | 25 | 1.8 | 3.5 | 17 | 60 | 0.4 | 26 | 45 | 340 | CAD | 请求报价 |
| PHE27-30NSAK-A | M27 | 3.0 | 107 | 4 | 23 | 17 | 25 | 38 | 145 | 10 | 32 | 19 | 标准 | 高速用 | 刮擦器(防水用) | 带垫+带头 | 190 | 260 | 120000 | 25 | 1.8 | 3.5 | 17 | 60 | 0.4 | 26 | 45 | 340 | CAD | 请求报价 |
| PHE27-30NWDD-A | M27 | 3.0 | 107 | 4 | 8 | - | 25 | - | 132 | 10 | 32 | 19 | 标准 | 超高速用 | 没有保护机构 | 没有头部 | 170 | 190 | 120000 | 25 | 3 | 5 | 17 | 60 | 0.4 | 26 | 45 | 300 | CAD | 请求报价 |
| PHE27-30NWDS-A | M27 | 3.0 | 107 | 4 | 23 | 17 | 25 | 38 | 145 | 10 | 32 | 19 | 标准 | 超高速用 | 没有保护机构 | 带头 | 170 | 190 | 120000 | 25 | 3 | 5 | 17 | 60 | 0.4 | 26 | 45 | 340 | CAD | 请求报价 |
| PHE27-30NWDK-A | M27 | 3.0 | 107 | 4 | 23 | 17 | 25 | 38 | 145 | 10 | 32 | 19 | 标准 | 超高速用 | 没有保护机构 | 带垫+带头 | 170 | 190 | 120000 | 25 | 3 | 5 | 17 | 60 | 0.4 | 26 | 45 | 340 | CAD | 请求报价 |
| PHE27-30NWFD-A | M27 | 3.0 | 107 | 4 | 8 | - | 25 | - | 132 | 10 | 32 | 19 | 标准 | 超高速用 | 毡环(防尘用) | 没有头部 | 170 | 190 | 120000 | 25 | 3 | 5 | 17 | 60 | 0.4 | 26 | 45 | 300 | CAD | 请求报价 |
| PHE27-30NWFS-A | M27 | 3.0 | 107 | 4 | 23 | 17 | 25 | 38 | 145 | 10 | 32 | 19 | 标准 | 超高速用 | 毡环(防尘用) | 带头 | 170 | 190 | 120000 | 25 | 3 | 5 | 17 | 60 | 0.4 | 26 | 45 | 340 | CAD | 请求报价 |
| PHE27-30NWFK-A | M27 | 3.0 | 107 | 4 | 23 | 17 | 25 | 38 | 145 | 10 | 32 | 19 | 标准 | 超高速用 | 毡环(防尘用) | 带垫+带头 | 170 | 190 | 120000 | 25 | 3 | 5 | 17 | 60 | 0.4 | 26 | 45 | 340 | CAD | 请求报价 |
| PHE27-30NWAD-A | M27 | 3.0 | 107 | 4 | 8 | - | 25 | - | 132 | 10 | 32 | 19 | 标准 | 超高速用 | 刮擦器(防水用) | 没有头部 | 170 | 190 | 120000 | 25 | 3 | 5 | 17 | 60 | 0.4 | 26 | 45 | 300 | CAD | 请求报价 |
| PHE27-30NWAS-A | M27 | 3.0 | 107 | 4 | 23 | 17 | 25 | 38 | 145 | 10 | 32 | 19 | 标准 | 超高速用 | 刮擦器(防水用) | 带头 | 170 | 190 | 120000 | 25 | 3 | 5 | 17 | 60 | 0.4 | 26 | 45 | 340 | CAD | 请求报价 |
| PHE27-30NWAK-A | M27 | 3.0 | 107 | 4 | 23 | 17 | 25 | 38 | 145 | 10 | 32 | 19 | 标准 | 超高速用 | 刮擦器(防水用) | 带垫+带头 | 170 | 190 | 120000 | 25 | 3 | 5 | 17 | 60 | 0.4 | 26 | 45 | 340 | CAD | 请求报价 |
| PHE27-30LHDD-A | M27 | 3.0 | 142 | 4 | 8 | - | 40 | - | 182 | 10 | 32 | 19 | 加长型 | 低速用 | 没有保护机构 | 没有头部 | 230 | 400 | 120000 | 40 | 0.1 | 1.2 | 17 | 60 | 0.6 | 26 | 45 | 400 | CAD | 请求报价 |
| PHE27-30LHDS-A | M27 | 3.0 | 142 | 4 | 23 | 17 | 40 | 53 | 195 | 10 | 32 | 19 | 加长型 | 低速用 | 没有保护机构 | 带头 | 230 | 400 | 120000 | 40 | 0.1 | 1.2 | 17 | 60 | 0.6 | 26 | 45 | 440 | CAD | 请求报价 |
| PHE27-30LHDK-A | M27 | 3.0 | 142 | 4 | 23 | 17 | 40 | 53 | 195 | 10 | 32 | 19 | 加长型 | 低速用 | 没有保护机构 | 带垫+带头 | 230 | 400 | 120000 | 40 | 0.1 | 1.2 | 17 | 60 | 0.6 | 26 | 45 | 440 | CAD | 请求报价 |
| PHE27-30LHFD-A | M27 | 3.0 | 142 | 4 | 8 | - | 40 | - | 182 | 10 | 32 | 19 | 加长型 | 低速用 | 毡环(防尘用) | 没有头部 | 230 | 400 | 120000 | 40 | 0.1 | 1.2 | 17 | 60 | 0.6 | 26 | 45 | 400 | CAD | 请求报价 |
| PHE27-30LHFS-A | M27 | 3.0 | 142 | 4 | 23 | 17 | 40 | 53 | 195 | 10 | 32 | 19 | 加长型 | 低速用 | 毡环(防尘用) | 带头 | 230 | 400 | 120000 | 40 | 0.1 | 1.2 | 17 | 60 | 0.6 | 26 | 45 | 440 | CAD | 请求报价 |
| PHE27-30LHFK-A | M27 | 3.0 | 142 | 4 | 23 | 17 | 40 | 53 | 195 | 10 | 32 | 19 | 加长型 | 低速用 | 毡环(防尘用) | 带垫+带头 | 230 | 400 | 120000 | 40 | 0.1 | 1.2 | 17 | 60 | 0.6 | 26 | 45 | 440 | CAD | 请求报价 |
| PHE27-30LHAD-A | M27 | 3.0 | 142 | 4 | 8 | - | 40 | - | 182 | 10 | 32 | 19 | 加长型 | 低速用 | 刮擦器(防水用) | 没有头部 | 230 | 400 | 120000 | 40 | 0.1 | 1.2 | 17 | 60 | 0.6 | 26 | 45 | 400 | CAD | 请求报价 |
| PHE27-30LHAS-A | M27 | 3.0 | 142 | 4 | 23 | 17 | 40 | 53 | 195 | 10 | 32 | 19 | 加长型 | 低速用 | 刮擦器(防水用) | 带头 | 230 | 400 | 120000 | 40 | 0.1 | 1.2 | 17 | 60 | 0.6 | 26 | 45 | 440 | CAD | 请求报价 |
| PHE27-30LHAK-A | M27 | 3.0 | 142 | 4 | 23 | 17 | 40 | 53 | 195 | 10 | 32 | 19 | 加长型 | 低速用 | 刮擦器(防水用) | 带垫+带头 | 230 | 400 | 120000 | 40 | 0.1 | 1.2 | 17 | 60 | 0.6 | 26 | 45 | 440 | CAD | 请求报价 |
| PHE27-30LMDD-A | M27 | 3.0 | 142 | 4 | 8 | - | 40 | - | 182 | 10 | 32 | 19 | 加长型 | 中速用 | 没有保护机构 | 没有头部 | 210 | 330 | 120000 | 40 | 0.8 | 2.2 | 17 | 60 | 0.6 | 26 | 45 | 400 | CAD | 请求报价 |
| PHE27-30LMDS-A | M27 | 3.0 | 142 | 4 | 23 | 17 | 40 | 53 | 195 | 10 | 32 | 19 | 加长型 | 中速用 | 没有保护机构 | 带头 | 210 | 330 | 120000 | 40 | 0.8 | 2.2 | 17 | 60 | 0.6 | 26 | 45 | 440 | CAD | 请求报价 |
| PHE27-30LMDK-A | M27 | 3.0 | 142 | 4 | 23 | 17 | 40 | 53 | 195 | 10 | 32 | 19 | 加长型 | 中速用 | 没有保护机构 | 带垫+带头 | 210 | 330 | 120000 | 40 | 0.8 | 2.2 | 17 | 60 | 0.6 | 26 | 45 | 440 | CAD | 请求报价 |
| PHE27-30LMFD-A | M27 | 3.0 | 142 | 4 | 8 | - | 40 | - | 182 | 10 | 32 | 19 | 加长型 | 中速用 | 毡环(防尘用) | 没有头部 | 210 | 330 | 120000 | 40 | 0.8 | 2.2 | 17 | 60 | 0.6 | 26 | 45 | 400 | CAD | 请求报价 |
| PHE27-30LMFS-A | M27 | 3.0 | 142 | 4 | 23 | 17 | 40 | 53 | 195 | 10 | 32 | 19 | 加长型 | 中速用 | 毡环(防尘用) | 带头 | 210 | 330 | 120000 | 40 | 0.8 | 2.2 | 17 | 60 | 0.6 | 26 | 45 | 440 | CAD | 请求报价 |
| PHE27-30LMFK-A | M27 | 3.0 | 142 | 4 | 23 | 17 | 40 | 53 | 195 | 10 | 32 | 19 | 加长型 | 中速用 | 毡环(防尘用) | 带垫+带头 | 210 | 330 | 120000 | 40 | 0.8 | 2.2 | 17 | 60 | 0.6 | 26 | 45 | 440 | CAD | 请求报价 |
| PHE27-30LMAD-A | M27 | 3.0 | 142 | 4 | 8 | - | 40 | - | 182 | 10 | 32 | 19 | 加长型 | 中速用 | 刮擦器(防水用) | 没有头部 | 210 | 330 | 120000 | 40 | 0.8 | 2.2 | 17 | 60 | 0.6 | 26 | 45 | 400 | CAD | 请求报价 |
| PHE27-30LMAS-A | M27 | 3.0 | 142 | 4 | 23 | 17 | 40 | 53 | 195 | 10 | 32 | 19 | 加长型 | 中速用 | 刮擦器(防水用) | 带头 | 210 | 330 | 120000 | 40 | 0.8 | 2.2 | 17 | 60 | 0.6 | 26 | 45 | 440 | CAD | 请求报价 |
| PHE27-30LMAK-A | M27 | 3.0 | 142 | 4 | 23 | 17 | 40 | 53 | 195 | 10 | 32 | 19 | 加长型 | 中速用 | 刮擦器(防水用) | 带垫+带头 | 210 | 330 | 120000 | 40 | 0.8 | 2.2 | 17 | 60 | 0.6 | 26 | 45 | 440 | CAD | 请求报价 |
| PHE27-30LSDD-A | M27 | 3.0 | 142 | 4 | 8 | - | 40 | - | 182 | 10 | 32 | 19 | 加长型 | 高速用 | 没有保护机构 | 没有头部 | 190 | 260 | 120000 | 40 | 1.8 | 3.5 | 17 | 60 | 0.6 | 26 | 45 | 400 | CAD | 请求报价 |
| PHE27-30LSDS-A | M27 | 3.0 | 142 | 4 | 23 | 17 | 40 | 53 | 195 | 10 | 32 | 19 | 加长型 | 高速用 | 没有保护机构 | 带头 | 190 | 260 | 120000 | 40 | 1.8 | 3.5 | 17 | 60 | 0.6 | 26 | 45 | 440 | CAD | 请求报价 |
| PHE27-30LSDK-A | M27 | 3.0 | 142 | 4 | 23 | 17 | 40 | 53 | 195 | 10 | 32 | 19 | 加长型 | 高速用 | 没有保护机构 | 带垫+带头 | 190 | 260 | 120000 | 40 | 1.8 | 3.5 | 17 | 60 | 0.6 | 26 | 45 | 440 | CAD | 请求报价 |
| PHE27-30LSFD-A | M27 | 3.0 | 142 | 4 | 8 | - | 40 | - | 182 | 10 | 32 | 19 | 加长型 | 高速用 | 毡环(防尘用) | 没有头部 | 190 | 260 | 120000 | 40 | 1.8 | 3.5 | 17 | 60 | 0.6 | 26 | 45 | 400 | CAD | 请求报价 |
| PHE27-30LSFS-A | M27 | 3.0 | 142 | 4 | 23 | 17 | 40 | 53 | 195 | 10 | 32 | 19 | 加长型 | 高速用 | 毡环(防尘用) | 带头 | 190 | 260 | 120000 | 40 | 1.8 | 3.5 | 17 | 60 | 0.6 | 26 | 45 | 440 | CAD | 请求报价 |
| PHE27-30LSFK-A | M27 | 3.0 | 142 | 4 | 23 | 17 | 40 | 53 | 195 | 10 | 32 | 19 | 加长型 | 高速用 | 毡环(防尘用) | 带垫+带头 | 190 | 260 | 120000 | 40 | 1.8 | 3.5 | 17 | 60 | 0.6 | 26 | 45 | 440 | CAD | 请求报价 |
| PHE27-30LSAD-A | M27 | 3.0 | 142 | 4 | 8 | - | 40 | - | 182 | 10 | 32 | 19 | 加长型 | 高速用 | 刮擦器(防水用) | 没有头部 | 190 | 260 | 120000 | 40 | 1.8 | 3.5 | 17 | 60 | 0.6 | 26 | 45 | 400 | CAD | 请求报价 |
| PHE27-30LSAS-A | M27 | 3.0 | 142 | 4 | 23 | 17 | 40 | 53 | 195 | 10 | 32 | 19 | 加长型 | 高速用 | 刮擦器(防水用) | 带头 | 190 | 260 | 120000 | 40 | 1.8 | 3.5 | 17 | 60 | 0.6 | 26 | 45 | 440 | CAD | 请求报价 |
| PHE27-30LSAK-A | M27 | 3.0 | 142 | 4 | 23 | 17 | 40 | 53 | 195 | 10 | 32 | 19 | 加长型 | 高速用 | 刮擦器(防水用) | 带垫+带头 | 190 | 260 | 120000 | 40 | 1.8 | 3.5 | 17 | 60 | 0.6 | 26 | 45 | 440 | CAD | 请求报价 |
| PHE27-30LWDD-A | M27 | 3.0 | 142 | 4 | 8 | - | 40 | - | 182 | 10 | 32 | 19 | 加长型 | 超高速用 | 没有保护机构 | 没有头部 | 170 | 190 | 120000 | 40 | 3 | 5 | 17 | 60 | 0.6 | 26 | 45 | 400 | CAD | 请求报价 |
| PHE27-30LWDS-A | M27 | 3.0 | 142 | 4 | 23 | 17 | 40 | 53 | 195 | 10 | 32 | 19 | 加长型 | 超高速用 | 没有保护机构 | 带头 | 170 | 190 | 120000 | 40 | 3 | 5 | 17 | 60 | 0.6 | 26 | 45 | 440 | CAD | 请求报价 |
| PHE27-30LWDK-A | M27 | 3.0 | 142 | 4 | 23 | 17 | 40 | 53 | 195 | 10 | 32 | 19 | 加长型 | 超高速用 | 没有保护机构 | 带垫+带头 | 170 | 190 | 120000 | 40 | 3 | 5 | 17 | 60 | 0.6 | 26 | 45 | 440 | CAD | 请求报价 |
| PHE27-30LWFD-A | M27 | 3.0 | 142 | 4 | 8 | - | 40 | - | 182 | 10 | 32 | 19 | 加长型 | 超高速用 | 毡环(防尘用) | 没有头部 | 170 | 190 | 120000 | 40 | 3 | 5 | 17 | 60 | 0.6 | 26 | 45 | 400 | CAD | 请求报价 |
| PHE27-30LWFS-A | M27 | 3.0 | 142 | 4 | 23 | 17 | 40 | 53 | 195 | 10 | 32 | 19 | 加长型 | 超高速用 | 毡环(防尘用) | 带头 | 170 | 190 | 120000 | 40 | 3 | 5 | 17 | 60 | 0.6 | 26 | 45 | 440 | CAD | 请求报价 |
| PHE27-30LWFK-A | M27 | 3.0 | 142 | 4 | 23 | 17 | 40 | 53 | 195 | 10 | 32 | 19 | 加长型 | 超高速用 | 毡环(防尘用) | 带垫+带头 | 170 | 190 | 120000 | 40 | 3 | 5 | 17 | 60 | 0.6 | 26 | 45 | 440 | CAD | 请求报价 |
| PHE27-30LWAD-A | M27 | 3.0 | 142 | 4 | 8 | - | 40 | - | 182 | 10 | 32 | 19 | 加长型 | 超高速用 | 刮擦器(防水用) | 没有头部 | 170 | 190 | 120000 | 40 | 3 | 5 | 17 | 60 | 0.6 | 26 | 45 | 400 | CAD | 请求报价 |
| PHE27-30LWAS-A | M27 | 3.0 | 142 | 4 | 23 | 17 | 40 | 53 | 195 | 10 | 32 | 19 | 加长型 | 超高速用 | 刮擦器(防水用) | 带头 | 170 | 190 | 120000 | 40 | 3 | 5 | 17 | 60 | 0.6 | 26 | 45 | 440 | CAD | 请求报价 |
| PHE27-30LWAK-A | M27 | 3.0 | 142 | 4 | 23 | 17 | 40 | 53 | 195 | 10 | 32 | 19 | 加长型 | 超高速用 | 刮擦器(防水用) | 带垫+带头 | 170 | 190 | 120000 | 40 | 3 | 5 | 17 | 60 | 0.6 | 26 | 45 | 440 | CAD | 请求报价 |
| PHE33-15NHDD-A | M33 | 1.5 | 126 | 4.5 | 10 | - | 30 | - | 156 | 12 | 41 | 24 | 标准 | 低速用 | 没有保护机构 | 没有头部 | 400 | 800 | 140000 | 30 | 0.1 | 1.2 | 30 | 80 | 0.4 | 40 | 65 | 590 | CAD | 请求报价 |
| PHE33-15NHDS-A | M33 | 1.5 | 126 | 4.5 | 31 | 22 | 30 | 45 | 171 | 12 | 41 | 24 | 标准 | 低速用 | 没有保护机构 | 带头 | 400 | 800 | 140000 | 30 | 0.1 | 1.2 | 30 | 80 | 0.4 | 40 | 65 | 660 | CAD | 请求报价 |
| PHE33-15NHDK-A | M33 | 1.5 | 126 | 4.5 | 31 | 22 | 30 | 45 | 171 | 12 | 41 | 24 | 标准 | 低速用 | 没有保护机构 | 带垫+带头 | 400 | 800 | 140000 | 30 | 0.1 | 1.2 | 30 | 80 | 0.4 | 40 | 65 | 660 | CAD | 请求报价 |
| PHE33-15NHFD-A | M33 | 1.5 | 126 | 4.5 | 10 | - | 30 | - | 156 | 12 | 41 | 24 | 标准 | 低速用 | 毡环(防尘用) | 没有头部 | 400 | 800 | 140000 | 30 | 0.1 | 1.2 | 30 | 80 | 0.4 | 40 | 65 | 590 | CAD | 请求报价 |
| PHE33-15NHFS-A | M33 | 1.5 | 126 | 4.5 | 31 | 22 | 30 | 45 | 171 | 12 | 41 | 24 | 标准 | 低速用 | 毡环(防尘用) | 带头 | 400 | 800 | 140000 | 30 | 0.1 | 1.2 | 30 | 80 | 0.4 | 40 | 65 | 660 | CAD | 请求报价 |
| PHE33-15NHFK-A | M33 | 1.5 | 126 | 4.5 | 31 | 22 | 30 | 45 | 171 | 12 | 41 | 24 | 标准 | 低速用 | 毡环(防尘用) | 带垫+带头 | 400 | 800 | 140000 | 30 | 0.1 | 1.2 | 30 | 80 | 0.4 | 40 | 65 | 660 | CAD | 请求报价 |
| PHE33-15NHAD-A | M33 | 1.5 | 126 | 4.5 | 10 | - | 30 | - | 156 | 12 | 41 | 24 | 标准 | 低速用 | 刮擦器(防水用) | 没有头部 | 400 | 800 | 140000 | 30 | 0.1 | 1.2 | 30 | 80 | 0.4 | 40 | 65 | 590 | CAD | 请求报价 |
| PHE33-15NHAS-A | M33 | 1.5 | 126 | 4.5 | 31 | 22 | 30 | 45 | 171 | 12 | 41 | 24 | 标准 | 低速用 | 刮擦器(防水用) | 带头 | 400 | 800 | 140000 | 30 | 0.1 | 1.2 | 30 | 80 | 0.4 | 40 | 65 | 660 | CAD | 请求报价 |
| PHE33-15NHAK-A | M33 | 1.5 | 126 | 4.5 | 31 | 22 | 30 | 45 | 171 | 12 | 41 | 24 | 标准 | 低速用 | 刮擦器(防水用) | 带垫+带头 | 400 | 800 | 140000 | 30 | 0.1 | 1.2 | 30 | 80 | 0.4 | 40 | 65 | 660 | CAD | 请求报价 |
| PHE33-15NHBS-A | M33 | 1.5 | 111.5 | 4.5 | 39 | 22 | 30 | 70.5 | 182 | 12 | 41 | 24 | 标准 | 低速用 | 波纹管盖 | 带头 | 400 | 800 | 140000 | 30 | 0.1 | 1.2 | 30 | 80 | 0.4 | 40 | 260 | 744 | CAD | 请求报价 |
| PHE33-15NHBK-A | M33 | 1.5 | 111.5 | 4.5 | 39 | 22 | 30 | 70.5 | 182 | 12 | 41 | 24 | 标准 | 低速用 | 波纹管盖 | 带垫+带头 | 400 | 800 | 140000 | 30 | 0.1 | 1.2 | 30 | 80 | 0.4 | 40 | 260 | 736 | CAD | 请求报价 |
| PHE33-15NMDD-A | M33 | 1.5 | 126 | 4.5 | 10 | - | 30 | - | 156 | 12 | 41 | 24 | 标准 | 中速用 | 没有保护机构 | 没有头部 | 360 | 650 | 140000 | 30 | 0.8 | 2.2 | 30 | 80 | 0.4 | 40 | 65 | 590 | CAD | 请求报价 |
| PHE33-15NMDS-A | M33 | 1.5 | 126 | 4.5 | 31 | 22 | 30 | 45 | 171 | 12 | 41 | 24 | 标准 | 中速用 | 没有保护机构 | 带头 | 360 | 650 | 140000 | 30 | 0.8 | 2.2 | 30 | 80 | 0.4 | 40 | 65 | 660 | CAD | 请求报价 |
| PHE33-15NMDK-A | M33 | 1.5 | 126 | 4.5 | 31 | 22 | 30 | 45 | 171 | 12 | 41 | 24 | 标准 | 中速用 | 没有保护机构 | 带垫+带头 | 360 | 650 | 140000 | 30 | 0.8 | 2.2 | 30 | 80 | 0.4 | 40 | 65 | 660 | CAD | 请求报价 |
| PHE33-15NMFD-A | M33 | 1.5 | 126 | 4.5 | 10 | - | 30 | - | 156 | 12 | 41 | 24 | 标准 | 中速用 | 毡环(防尘用) | 没有头部 | 360 | 650 | 140000 | 30 | 0.8 | 2.2 | 30 | 80 | 0.4 | 40 | 65 | 590 | CAD | 请求报价 |
| PHE33-15NMFS-A | M33 | 1.5 | 126 | 4.5 | 31 | 22 | 30 | 45 | 171 | 12 | 41 | 24 | 标准 | 中速用 | 毡环(防尘用) | 带头 | 360 | 650 | 140000 | 30 | 0.8 | 2.2 | 30 | 80 | 0.4 | 40 | 65 | 660 | CAD | 请求报价 |
| PHE33-15NMFK-A | M33 | 1.5 | 126 | 4.5 | 31 | 22 | 30 | 45 | 171 | 12 | 41 | 24 | 标准 | 中速用 | 毡环(防尘用) | 带垫+带头 | 360 | 650 | 140000 | 30 | 0.8 | 2.2 | 30 | 80 | 0.4 | 40 | 65 | 660 | CAD | 请求报价 |
| PHE33-15NMAD-A | M33 | 1.5 | 126 | 4.5 | 10 | - | 30 | - | 156 | 12 | 41 | 24 | 标准 | 中速用 | 刮擦器(防水用) | 没有头部 | 360 | 650 | 140000 | 30 | 0.8 | 2.2 | 30 | 80 | 0.4 | 40 | 65 | 590 | CAD | 请求报价 |
| PHE33-15NMAS-A | M33 | 1.5 | 126 | 4.5 | 31 | 22 | 30 | 45 | 171 | 12 | 41 | 24 | 标准 | 中速用 | 刮擦器(防水用) | 带头 | 360 | 650 | 140000 | 30 | 0.8 | 2.2 | 30 | 80 | 0.4 | 40 | 65 | 660 | CAD | 请求报价 |
| PHE33-15NMAK-A | M33 | 1.5 | 126 | 4.5 | 31 | 22 | 30 | 45 | 171 | 12 | 41 | 24 | 标准 | 中速用 | 刮擦器(防水用) | 带垫+带头 | 360 | 650 | 140000 | 30 | 0.8 | 2.2 | 30 | 80 | 0.4 | 40 | 65 | 660 | CAD | 请求报价 |
| PHE33-15NMBS-A | M33 | 1.5 | 111.5 | 4.5 | 39 | 22 | 30 | 70.5 | 182 | 12 | 41 | 24 | 标准 | 中速用 | 波纹管盖 | 带头 | 360 | 650 | 140000 | 30 | 0.8 | 2.2 | 30 | 80 | 0.4 | 40 | 260 | 744 | CAD | 请求报价 |
| PHE33-15NMBK-A | M33 | 1.5 | 111.5 | 4.5 | 39 | 22 | 30 | 70.5 | 182 | 12 | 41 | 24 | 标准 | 中速用 | 波纹管盖 | 带垫+带头 | 360 | 650 | 140000 | 30 | 0.8 | 2.2 | 30 | 80 | 0.4 | 40 | 260 | 736 | CAD | 请求报价 |
| PHE33-15NSDD-A | M33 | 1.5 | 126 | 4.5 | 10 | - | 30 | - | 156 | 12 | 41 | 24 | 标准 | 高速用 | 没有保护机构 | 没有头部 | 320 | 500 | 140000 | 30 | 1.8 | 3.5 | 30 | 80 | 0.4 | 40 | 65 | 590 | CAD | 请求报价 |
| PHE33-15NSDS-A | M33 | 1.5 | 126 | 4.5 | 31 | 22 | 30 | 45 | 171 | 12 | 41 | 24 | 标准 | 高速用 | 没有保护机构 | 带头 | 320 | 500 | 140000 | 30 | 1.8 | 3.5 | 30 | 80 | 0.4 | 40 | 65 | 660 | CAD | 请求报价 |
| PHE33-15NSDK-A | M33 | 1.5 | 126 | 4.5 | 31 | 22 | 30 | 45 | 171 | 12 | 41 | 24 | 标准 | 高速用 | 没有保护机构 | 带垫+带头 | 320 | 500 | 140000 | 30 | 1.8 | 3.5 | 30 | 80 | 0.4 | 40 | 65 | 660 | CAD | 请求报价 |
| PHE33-15NSFD-A | M33 | 1.5 | 126 | 4.5 | 10 | - | 30 | - | 156 | 12 | 41 | 24 | 标准 | 高速用 | 毡环(防尘用) | 没有头部 | 320 | 500 | 140000 | 30 | 1.8 | 3.5 | 30 | 80 | 0.4 | 40 | 65 | 590 | CAD | 请求报价 |
| PHE33-15NSFS-A | M33 | 1.5 | 126 | 4.5 | 31 | 22 | 30 | 45 | 171 | 12 | 41 | 24 | 标准 | 高速用 | 毡环(防尘用) | 带头 | 320 | 500 | 140000 | 30 | 1.8 | 3.5 | 30 | 80 | 0.4 | 40 | 65 | 660 | CAD | 请求报价 |
| PHE33-15NSFK-A | M33 | 1.5 | 126 | 4.5 | 31 | 22 | 30 | 45 | 171 | 12 | 41 | 24 | 标准 | 高速用 | 毡环(防尘用) | 带垫+带头 | 320 | 500 | 140000 | 30 | 1.8 | 3.5 | 30 | 80 | 0.4 | 40 | 65 | 660 | CAD | 请求报价 |
| PHE33-15NSAD-A | M33 | 1.5 | 126 | 4.5 | 10 | - | 30 | - | 156 | 12 | 41 | 24 | 标准 | 高速用 | 刮擦器(防水用) | 没有头部 | 320 | 500 | 140000 | 30 | 1.8 | 3.5 | 30 | 80 | 0.4 | 40 | 65 | 590 | CAD | 请求报价 |
| PHE33-15NSAS-A | M33 | 1.5 | 126 | 4.5 | 31 | 22 | 30 | 45 | 171 | 12 | 41 | 24 | 标准 | 高速用 | 刮擦器(防水用) | 带头 | 320 | 500 | 140000 | 30 | 1.8 | 3.5 | 30 | 80 | 0.4 | 40 | 65 | 660 | CAD | 请求报价 |
| PHE33-15NSAK-A | M33 | 1.5 | 126 | 4.5 | 31 | 22 | 30 | 45 | 171 | 12 | 41 | 24 | 标准 | 高速用 | 刮擦器(防水用) | 带垫+带头 | 320 | 500 | 140000 | 30 | 1.8 | 3.5 | 30 | 80 | 0.4 | 40 | 65 | 660 | CAD | 请求报价 |
| PHE33-15NSBS-A | M33 | 1.5 | 111.5 | 4.5 | 39 | 22 | 30 | 70.5 | 182 | 12 | 41 | 24 | 标准 | 高速用 | 波纹管盖 | 带头 | 320 | 500 | 140000 | 30 | 1.8 | 3.5 | 30 | 80 | 0.4 | 40 | 260 | 744 | CAD | 请求报价 |
| PHE33-15NSBK-A | M33 | 1.5 | 111.5 | 4.5 | 39 | 22 | 30 | 70.5 | 182 | 12 | 41 | 24 | 标准 | 高速用 | 波纹管盖 | 带垫+带头 | 320 | 500 | 140000 | 30 | 1.8 | 3.5 | 30 | 80 | 0.4 | 40 | 260 | 736 | CAD | 请求报价 |
| PHE33-15NWDD-A | M33 | 1.5 | 126 | 4.5 | 10 | - | 30 | - | 156 | 12 | 41 | 24 | 标准 | 超高速用 | 没有保护机构 | 没有头部 | 280 | 350 | 140000 | 30 | 3 | 5 | 30 | 80 | 0.4 | 40 | 65 | 590 | CAD | 请求报价 |
| PHE33-15NWDS-A | M33 | 1.5 | 126 | 4.5 | 31 | 22 | 30 | 45 | 171 | 12 | 41 | 24 | 标准 | 超高速用 | 没有保护机构 | 带头 | 280 | 350 | 140000 | 30 | 3 | 5 | 30 | 80 | 0.4 | 40 | 65 | 660 | CAD | 请求报价 |
| PHE33-15NWDK-A | M33 | 1.5 | 126 | 4.5 | 31 | 22 | 30 | 45 | 171 | 12 | 41 | 24 | 标准 | 超高速用 | 没有保护机构 | 带垫+带头 | 280 | 350 | 140000 | 30 | 3 | 5 | 30 | 80 | 0.4 | 40 | 65 | 660 | CAD | 请求报价 |
| PHE33-15NWFD-A | M33 | 1.5 | 126 | 4.5 | 10 | - | 30 | - | 156 | 12 | 41 | 24 | 标准 | 超高速用 | 毡环(防尘用) | 没有头部 | 280 | 350 | 140000 | 30 | 3 | 5 | 30 | 80 | 0.4 | 40 | 65 | 590 | CAD | 请求报价 |
| PHE33-15NWFS-A | M33 | 1.5 | 126 | 4.5 | 31 | 22 | 30 | 45 | 171 | 12 | 41 | 24 | 标准 | 超高速用 | 毡环(防尘用) | 带头 | 280 | 350 | 140000 | 30 | 3 | 5 | 30 | 80 | 0.4 | 40 | 65 | 660 | CAD | 请求报价 |
| PHE33-15NWFK-A | M33 | 1.5 | 126 | 4.5 | 31 | 22 | 30 | 45 | 171 | 12 | 41 | 24 | 标准 | 超高速用 | 毡环(防尘用) | 带垫+带头 | 280 | 350 | 140000 | 30 | 3 | 5 | 30 | 80 | 0.4 | 40 | 65 | 660 | CAD | 请求报价 |
| PHE33-15NWAD-A | M33 | 1.5 | 126 | 4.5 | 10 | - | 30 | - | 156 | 12 | 41 | 24 | 标准 | 超高速用 | 刮擦器(防水用) | 没有头部 | 280 | 350 | 140000 | 30 | 3 | 5 | 30 | 80 | 0.4 | 40 | 65 | 590 | CAD | 请求报价 |
| PHE33-15NWAS-A | M33 | 1.5 | 126 | 4.5 | 31 | 22 | 30 | 45 | 171 | 12 | 41 | 24 | 标准 | 超高速用 | 刮擦器(防水用) | 带头 | 280 | 350 | 140000 | 30 | 3 | 5 | 30 | 80 | 0.4 | 40 | 65 | 660 | CAD | 请求报价 |
| PHE33-15NWAK-A | M33 | 1.5 | 126 | 4.5 | 31 | 22 | 30 | 45 | 171 | 12 | 41 | 24 | 标准 | 超高速用 | 刮擦器(防水用) | 带垫+带头 | 280 | 350 | 140000 | 30 | 3 | 5 | 30 | 80 | 0.4 | 40 | 65 | 660 | CAD | 请求报价 |
| PHE33-15NWBS-A | M33 | 1.5 | 111.5 | 4.5 | 39 | 22 | 30 | 70.5 | 182 | 12 | 41 | 24 | 标准 | 超高速用 | 波纹管盖 | 带头 | 280 | 350 | 140000 | 30 | 3 | 5 | 30 | 80 | 0.4 | 40 | 260 | 744 | CAD | 请求报价 |
| PHE33-15NWBK-A | M33 | 1.5 | 111.5 | 4.5 | 39 | 22 | 30 | 70.5 | 182 | 12 | 41 | 24 | 标准 | 超高速用 | 波纹管盖 | 带垫+带头 | 280 | 350 | 140000 | 30 | 3 | 5 | 30 | 80 | 0.4 | 40 | 260 | 736 | CAD | 请求报价 |
| PHE33-15LHDD-A | M33 | 1.5 | 171 | 4.5 | 10 | - | 50 | - | 221 | 12 | 41 | 24 | 加长型 | 低速用 | 没有保护机构 | 没有头部 | 400 | 800 | 140000 | 50 | 0.1 | 1.2 | 30 | 80 | 0.8 | 40 | 65 | 790 | CAD | 请求报价 |
| PHE33-15LHDS-A | M33 | 1.5 | 171 | 4.5 | 31 | 22 | 50 | 65 | 236 | 12 | 41 | 24 | 加长型 | 低速用 | 没有保护机构 | 带头 | 400 | 800 | 140000 | 50 | 0.1 | 1.2 | 30 | 80 | 0.8 | 40 | 65 | 860 | CAD | 请求报价 |
| PHE33-15LHDK-A | M33 | 1.5 | 171 | 4.5 | 31 | 22 | 50 | 65 | 236 | 12 | 41 | 24 | 加长型 | 低速用 | 没有保护机构 | 带垫+带头 | 400 | 800 | 140000 | 50 | 0.1 | 1.2 | 30 | 80 | 0.8 | 40 | 65 | 860 | CAD | 请求报价 |
| PHE33-15LHFD-A | M33 | 1.5 | 171 | 4.5 | 10 | - | 50 | - | 221 | 12 | 41 | 24 | 加长型 | 低速用 | 毡环(防尘用) | 没有头部 | 400 | 800 | 140000 | 50 | 0.1 | 1.2 | 30 | 80 | 0.8 | 40 | 65 | 790 | CAD | 请求报价 |
| PHE33-15LHFS-A | M33 | 1.5 | 171 | 4.5 | 31 | 22 | 50 | 65 | 236 | 12 | 41 | 24 | 加长型 | 低速用 | 毡环(防尘用) | 带头 | 400 | 800 | 140000 | 50 | 0.1 | 1.2 | 30 | 80 | 0.8 | 40 | 65 | 860 | CAD | 请求报价 |
| PHE33-15LHFK-A | M33 | 1.5 | 171 | 4.5 | 31 | 22 | 50 | 65 | 236 | 12 | 41 | 24 | 加长型 | 低速用 | 毡环(防尘用) | 带垫+带头 | 400 | 800 | 140000 | 50 | 0.1 | 1.2 | 30 | 80 | 0.8 | 40 | 65 | 860 | CAD | 请求报价 |
| PHE33-15LHAD-A | M33 | 1.5 | 171 | 4.5 | 10 | - | 50 | - | 221 | 12 | 41 | 24 | 加长型 | 低速用 | 刮擦器(防水用) | 没有头部 | 400 | 800 | 140000 | 50 | 0.1 | 1.2 | 30 | 80 | 0.8 | 40 | 65 | 790 | CAD | 请求报价 |
| PHE33-15LHAS-A | M33 | 1.5 | 171 | 4.5 | 31 | 22 | 50 | 65 | 236 | 12 | 41 | 24 | 加长型 | 低速用 | 刮擦器(防水用) | 带头 | 400 | 800 | 140000 | 50 | 0.1 | 1.2 | 30 | 80 | 0.8 | 40 | 65 | 860 | CAD | 请求报价 |
| PHE33-15LHAK-A | M33 | 1.5 | 171 | 4.5 | 31 | 22 | 50 | 65 | 236 | 12 | 41 | 24 | 加长型 | 低速用 | 刮擦器(防水用) | 带垫+带头 | 400 | 800 | 140000 | 50 | 0.1 | 1.2 | 30 | 80 | 0.8 | 40 | 65 | 860 | CAD | 请求报价 |
| PHE33-15LMDD-A | M33 | 1.5 | 171 | 4.5 | 10 | - | 50 | - | 221 | 12 | 41 | 24 | 加长型 | 中速用 | 没有保护机构 | 没有头部 | 360 | 650 | 140000 | 50 | 0.8 | 2.2 | 30 | 80 | 0.8 | 40 | 65 | 790 | CAD | 请求报价 |
| PHE33-15LMDS-A | M33 | 1.5 | 171 | 4.5 | 31 | 22 | 50 | 65 | 236 | 12 | 41 | 24 | 加长型 | 中速用 | 没有保护机构 | 带头 | 360 | 650 | 140000 | 50 | 0.8 | 2.2 | 30 | 80 | 0.8 | 40 | 65 | 860 | CAD | 请求报价 |
| PHE33-15LMDK-A | M33 | 1.5 | 171 | 4.5 | 31 | 22 | 50 | 65 | 236 | 12 | 41 | 24 | 加长型 | 中速用 | 没有保护机构 | 带垫+带头 | 360 | 650 | 140000 | 50 | 0.8 | 2.2 | 30 | 80 | 0.8 | 40 | 65 | 860 | CAD | 请求报价 |
| PHE33-15LMFD-A | M33 | 1.5 | 171 | 4.5 | 10 | - | 50 | - | 221 | 12 | 41 | 24 | 加长型 | 中速用 | 毡环(防尘用) | 没有头部 | 360 | 650 | 140000 | 50 | 0.8 | 2.2 | 30 | 80 | 0.8 | 40 | 65 | 790 | CAD | 请求报价 |
| PHE33-15LMFS-A | M33 | 1.5 | 171 | 4.5 | 31 | 22 | 50 | 65 | 236 | 12 | 41 | 24 | 加长型 | 中速用 | 毡环(防尘用) | 带头 | 360 | 650 | 140000 | 50 | 0.8 | 2.2 | 30 | 80 | 0.8 | 40 | 65 | 860 | CAD | 请求报价 |
| PHE33-15LMFK-A | M33 | 1.5 | 171 | 4.5 | 31 | 22 | 50 | 65 | 236 | 12 | 41 | 24 | 加长型 | 中速用 | 毡环(防尘用) | 带垫+带头 | 360 | 650 | 140000 | 50 | 0.8 | 2.2 | 30 | 80 | 0.8 | 40 | 65 | 860 | CAD | 请求报价 |
| PHE33-15LMAD-A | M33 | 1.5 | 171 | 4.5 | 10 | - | 50 | - | 221 | 12 | 41 | 24 | 加长型 | 中速用 | 刮擦器(防水用) | 没有头部 | 360 | 650 | 140000 | 50 | 0.8 | 2.2 | 30 | 80 | 0.8 | 40 | 65 | 790 | CAD | 请求报价 |
| PHE33-15LMAS-A | M33 | 1.5 | 171 | 4.5 | 31 | 22 | 50 | 65 | 236 | 12 | 41 | 24 | 加长型 | 中速用 | 刮擦器(防水用) | 带头 | 360 | 650 | 140000 | 50 | 0.8 | 2.2 | 30 | 80 | 0.8 | 40 | 65 | 860 | CAD | 请求报价 |
| PHE33-15LMAK-A | M33 | 1.5 | 171 | 4.5 | 31 | 22 | 50 | 65 | 236 | 12 | 41 | 24 | 加长型 | 中速用 | 刮擦器(防水用) | 带垫+带头 | 360 | 650 | 140000 | 50 | 0.8 | 2.2 | 30 | 80 | 0.8 | 40 | 65 | 860 | CAD | 请求报价 |
| PHE33-15LSDD-A | M33 | 1.5 | 171 | 4.5 | 10 | - | 50 | - | 221 | 12 | 41 | 24 | 加长型 | 高速用 | 没有保护机构 | 没有头部 | 320 | 500 | 140000 | 50 | 1.8 | 3.5 | 30 | 80 | 0.8 | 40 | 65 | 790 | CAD | 请求报价 |
| PHE33-15LSDS-A | M33 | 1.5 | 171 | 4.5 | 31 | 22 | 50 | 65 | 236 | 12 | 41 | 24 | 加长型 | 高速用 | 没有保护机构 | 带头 | 320 | 500 | 140000 | 50 | 1.8 | 3.5 | 30 | 80 | 0.8 | 40 | 65 | 860 | CAD | 请求报价 |
| PHE33-15LSDK-A | M33 | 1.5 | 171 | 4.5 | 31 | 22 | 50 | 65 | 236 | 12 | 41 | 24 | 加长型 | 高速用 | 没有保护机构 | 带垫+带头 | 320 | 500 | 140000 | 50 | 1.8 | 3.5 | 30 | 80 | 0.8 | 40 | 65 | 860 | CAD | 请求报价 |
| PHE33-15LSFD-A | M33 | 1.5 | 171 | 4.5 | 10 | - | 50 | - | 221 | 12 | 41 | 24 | 加长型 | 高速用 | 毡环(防尘用) | 没有头部 | 320 | 500 | 140000 | 50 | 1.8 | 3.5 | 30 | 80 | 0.8 | 40 | 65 | 790 | CAD | 请求报价 |
| PHE33-15LSFS-A | M33 | 1.5 | 171 | 4.5 | 31 | 22 | 50 | 65 | 236 | 12 | 41 | 24 | 加长型 | 高速用 | 毡环(防尘用) | 带头 | 320 | 500 | 140000 | 50 | 1.8 | 3.5 | 30 | 80 | 0.8 | 40 | 65 | 860 | CAD | 请求报价 |
| PHE33-15LSFK-A | M33 | 1.5 | 171 | 4.5 | 31 | 22 | 50 | 65 | 236 | 12 | 41 | 24 | 加长型 | 高速用 | 毡环(防尘用) | 带垫+带头 | 320 | 500 | 140000 | 50 | 1.8 | 3.5 | 30 | 80 | 0.8 | 40 | 65 | 860 | CAD | 请求报价 |
| PHE33-15LSAD-A | M33 | 1.5 | 171 | 4.5 | 10 | - | 50 | - | 221 | 12 | 41 | 24 | 加长型 | 高速用 | 刮擦器(防水用) | 没有头部 | 320 | 500 | 140000 | 50 | 1.8 | 3.5 | 30 | 80 | 0.8 | 40 | 65 | 790 | CAD | 请求报价 |
| PHE33-15LSAS-A | M33 | 1.5 | 171 | 4.5 | 31 | 22 | 50 | 65 | 236 | 12 | 41 | 24 | 加长型 | 高速用 | 刮擦器(防水用) | 带头 | 320 | 500 | 140000 | 50 | 1.8 | 3.5 | 30 | 80 | 0.8 | 40 | 65 | 860 | CAD | 请求报价 |
| PHE33-15LSAK-A | M33 | 1.5 | 171 | 4.5 | 31 | 22 | 50 | 65 | 236 | 12 | 41 | 24 | 加长型 | 高速用 | 刮擦器(防水用) | 带垫+带头 | 320 | 500 | 140000 | 50 | 1.8 | 3.5 | 30 | 80 | 0.8 | 40 | 65 | 860 | CAD | 请求报价 |
| PHE33-15LWDD-A | M33 | 1.5 | 171 | 4.5 | 10 | - | 50 | - | 221 | 12 | 41 | 24 | 加长型 | 超高速用 | 没有保护机构 | 没有头部 | 280 | 350 | 140000 | 50 | 3 | 5 | 30 | 80 | 0.8 | 40 | 65 | 790 | CAD | 请求报价 |
| PHE33-15LWDS-A | M33 | 1.5 | 171 | 4.5 | 31 | 22 | 50 | 65 | 236 | 12 | 41 | 24 | 加长型 | 超高速用 | 没有保护机构 | 带头 | 280 | 350 | 140000 | 50 | 3 | 5 | 30 | 80 | 0.8 | 40 | 65 | 860 | CAD | 请求报价 |
| PHE33-15LWDK-A | M33 | 1.5 | 171 | 4.5 | 31 | 22 | 50 | 65 | 236 | 12 | 41 | 24 | 加长型 | 超高速用 | 没有保护机构 | 带垫+带头 | 280 | 350 | 140000 | 50 | 3 | 5 | 30 | 80 | 0.8 | 40 | 65 | 860 | CAD | 请求报价 |
| PHE33-15LWFD-A | M33 | 1.5 | 171 | 4.5 | 10 | - | 50 | - | 221 | 12 | 41 | 24 | 加长型 | 超高速用 | 毡环(防尘用) | 没有头部 | 280 | 350 | 140000 | 50 | 3 | 5 | 30 | 80 | 0.8 | 40 | 65 | 790 | CAD | 请求报价 |
| PHE33-15LWFS-A | M33 | 1.5 | 171 | 4.5 | 31 | 22 | 50 | 65 | 236 | 12 | 41 | 24 | 加长型 | 超高速用 | 毡环(防尘用) | 带头 | 280 | 350 | 140000 | 50 | 3 | 5 | 30 | 80 | 0.8 | 40 | 65 | 860 | CAD | 请求报价 |
| PHE33-15LWFK-A | M33 | 1.5 | 171 | 4.5 | 31 | 22 | 50 | 65 | 236 | 12 | 41 | 24 | 加长型 | 超高速用 | 毡环(防尘用) | 带垫+带头 | 280 | 350 | 140000 | 50 | 3 | 5 | 30 | 80 | 0.8 | 40 | 65 | 860 | CAD | 请求报价 |
| PHE33-15LWAD-A | M33 | 1.5 | 171 | 4.5 | 10 | - | 50 | - | 221 | 12 | 41 | 24 | 加长型 | 超高速用 | 刮擦器(防水用) | 没有头部 | 280 | 350 | 140000 | 50 | 3 | 5 | 30 | 80 | 0.8 | 40 | 65 | 790 | CAD | 请求报价 |
| PHE33-15LWAS-A | M33 | 1.5 | 171 | 4.5 | 31 | 22 | 50 | 65 | 236 | 12 | 41 | 24 | 加长型 | 超高速用 | 刮擦器(防水用) | 带头 | 280 | 350 | 140000 | 50 | 3 | 5 | 30 | 80 | 0.8 | 40 | 65 | 860 | CAD | 请求报价 |
| PHE33-15LWAK-A | M33 | 1.5 | 171 | 4.5 | 31 | 22 | 50 | 65 | 236 | 12 | 41 | 24 | 加长型 | 超高速用 | 刮擦器(防水用) | 带垫+带头 | 280 | 350 | 140000 | 50 | 3 | 5 | 30 | 80 | 0.8 | 40 | 65 | 860 | CAD | 请求报价 |
| PHE36-15NHDD-A | M36 | 1.5 | 126 | 4.5 | 10 | - | 30 | - | 156 | 12 | 46 | 24 | 标准 | 低速用 | 没有保护机构 | 没有头部 | 400 | 800 | 140000 | 30 | 0.1 | 1.2 | 30 | 80 | 0.4 | 40 | 65 | 760 | CAD | 请求报价 |
| PHE36-15NHDS-A | M36 | 1.5 | 126 | 4.5 | 31 | 22 | 30 | 45 | 171 | 12 | 46 | 24 | 标准 | 低速用 | 没有保护机构 | 带头 | 400 | 800 | 140000 | 30 | 0.1 | 1.2 | 30 | 80 | 0.4 | 40 | 65 | 830 | CAD | 请求报价 |
| PHE36-15NHDK-A | M36 | 1.5 | 126 | 4.5 | 31 | 22 | 30 | 45 | 171 | 12 | 46 | 24 | 标准 | 低速用 | 没有保护机构 | 带垫+带头 | 400 | 800 | 140000 | 30 | 0.1 | 1.2 | 30 | 80 | 0.4 | 40 | 65 | 830 | CAD | 请求报价 |
| PHE36-15NHFD-A | M36 | 1.5 | 126 | 4.5 | 10 | - | 30 | - | 156 | 12 | 46 | 24 | 标准 | 低速用 | 毡环(防尘用) | 没有头部 | 400 | 800 | 140000 | 30 | 0.1 | 1.2 | 30 | 80 | 0.4 | 40 | 65 | 760 | CAD | 请求报价 |
| PHE36-15NHFS-A | M36 | 1.5 | 126 | 4.5 | 31 | 22 | 30 | 45 | 171 | 12 | 46 | 24 | 标准 | 低速用 | 毡环(防尘用) | 带头 | 400 | 800 | 140000 | 30 | 0.1 | 1.2 | 30 | 80 | 0.4 | 40 | 65 | 830 | CAD | 请求报价 |
| PHE36-15NHFK-A | M36 | 1.5 | 126 | 4.5 | 31 | 22 | 30 | 45 | 171 | 12 | 46 | 24 | 标准 | 低速用 | 毡环(防尘用) | 带垫+带头 | 400 | 800 | 140000 | 30 | 0.1 | 1.2 | 30 | 80 | 0.4 | 40 | 65 | 830 | CAD | 请求报价 |
| PHE36-15NHAD-A | M36 | 1.5 | 126 | 4.5 | 10 | - | 30 | - | 156 | 12 | 46 | 24 | 标准 | 低速用 | 刮擦器(防水用) | 没有头部 | 400 | 800 | 140000 | 30 | 0.1 | 1.2 | 30 | 80 | 0.4 | 40 | 65 | 760 | CAD | 请求报价 |
| PHE36-15NHAS-A | M36 | 1.5 | 126 | 4.5 | 31 | 22 | 30 | 45 | 171 | 12 | 46 | 24 | 标准 | 低速用 | 刮擦器(防水用) | 带头 | 400 | 800 | 140000 | 30 | 0.1 | 1.2 | 30 | 80 | 0.4 | 40 | 65 | 830 | CAD | 请求报价 |
| PHE36-15NHAK-A | M36 | 1.5 | 126 | 4.5 | 31 | 22 | 30 | 45 | 171 | 12 | 46 | 24 | 标准 | 低速用 | 刮擦器(防水用) | 带垫+带头 | 400 | 800 | 140000 | 30 | 0.1 | 1.2 | 30 | 80 | 0.4 | 40 | 65 | 830 | CAD | 请求报价 |
| PHE36-15NMDD-A | M36 | 1.5 | 126 | 4.5 | 10 | - | 30 | - | 156 | 12 | 46 | 24 | 标准 | 中速用 | 没有保护机构 | 没有头部 | 360 | 650 | 140000 | 30 | 0.8 | 2.2 | 30 | 80 | 0.4 | 40 | 65 | 760 | CAD | 请求报价 |
| PHE36-15NMDS-A | M36 | 1.5 | 126 | 4.5 | 31 | 22 | 30 | 45 | 171 | 12 | 46 | 24 | 标准 | 中速用 | 没有保护机构 | 带头 | 360 | 650 | 140000 | 30 | 0.8 | 2.2 | 30 | 80 | 0.4 | 40 | 65 | 830 | CAD | 请求报价 |
| PHE36-15NMDK-A | M36 | 1.5 | 126 | 4.5 | 31 | 22 | 30 | 45 | 171 | 12 | 46 | 24 | 标准 | 中速用 | 没有保护机构 | 带垫+带头 | 360 | 650 | 140000 | 30 | 0.8 | 2.2 | 30 | 80 | 0.4 | 40 | 65 | 830 | CAD | 请求报价 |
| PHE36-15NMFD-A | M36 | 1.5 | 126 | 4.5 | 10 | - | 30 | - | 156 | 12 | 46 | 24 | 标准 | 中速用 | 毡环(防尘用) | 没有头部 | 360 | 650 | 140000 | 30 | 0.8 | 2.2 | 30 | 80 | 0.4 | 40 | 65 | 760 | CAD | 请求报价 |
| PHE36-15NMFS-A | M36 | 1.5 | 126 | 4.5 | 31 | 22 | 30 | 45 | 171 | 12 | 46 | 24 | 标准 | 中速用 | 毡环(防尘用) | 带头 | 360 | 650 | 140000 | 30 | 0.8 | 2.2 | 30 | 80 | 0.4 | 40 | 65 | 830 | CAD | 请求报价 |
| PHE36-15NMFK-A | M36 | 1.5 | 126 | 4.5 | 31 | 22 | 30 | 45 | 171 | 12 | 46 | 24 | 标准 | 中速用 | 毡环(防尘用) | 带垫+带头 | 360 | 650 | 140000 | 30 | 0.8 | 2.2 | 30 | 80 | 0.4 | 40 | 65 | 830 | CAD | 请求报价 |
| PHE36-15NMAD-A | M36 | 1.5 | 126 | 4.5 | 10 | - | 30 | - | 156 | 12 | 46 | 24 | 标准 | 中速用 | 刮擦器(防水用) | 没有头部 | 360 | 650 | 140000 | 30 | 0.8 | 2.2 | 30 | 80 | 0.4 | 40 | 65 | 760 | CAD | 请求报价 |
| PHE36-15NMAS-A | M36 | 1.5 | 126 | 4.5 | 31 | 22 | 30 | 45 | 171 | 12 | 46 | 24 | 标准 | 中速用 | 刮擦器(防水用) | 带头 | 360 | 650 | 140000 | 30 | 0.8 | 2.2 | 30 | 80 | 0.4 | 40 | 65 | 830 | CAD | 请求报价 |
| PHE36-15NMAK-A | M36 | 1.5 | 126 | 4.5 | 31 | 22 | 30 | 45 | 171 | 12 | 46 | 24 | 标准 | 中速用 | 刮擦器(防水用) | 带垫+带头 | 360 | 650 | 140000 | 30 | 0.8 | 2.2 | 30 | 80 | 0.4 | 40 | 65 | 830 | CAD | 请求报价 |
| PHE36-15NSDD-A | M36 | 1.5 | 126 | 4.5 | 10 | - | 30 | - | 156 | 12 | 46 | 24 | 标准 | 高速用 | 没有保护机构 | 没有头部 | 320 | 500 | 140000 | 30 | 1.8 | 3.5 | 30 | 80 | 0.4 | 40 | 65 | 760 | CAD | 请求报价 |
| PHE36-15NSDS-A | M36 | 1.5 | 126 | 4.5 | 31 | 22 | 30 | 45 | 171 | 12 | 46 | 24 | 标准 | 高速用 | 没有保护机构 | 带头 | 320 | 500 | 140000 | 30 | 1.8 | 3.5 | 30 | 80 | 0.4 | 40 | 65 | 830 | CAD | 请求报价 |
| PHE36-15NSDK-A | M36 | 1.5 | 126 | 4.5 | 31 | 22 | 30 | 45 | 171 | 12 | 46 | 24 | 标准 | 高速用 | 没有保护机构 | 带垫+带头 | 320 | 500 | 140000 | 30 | 1.8 | 3.5 | 30 | 80 | 0.4 | 40 | 65 | 830 | CAD | 请求报价 |
| PHE36-15NSFD-A | M36 | 1.5 | 126 | 4.5 | 10 | - | 30 | - | 156 | 12 | 46 | 24 | 标准 | 高速用 | 毡环(防尘用) | 没有头部 | 320 | 500 | 140000 | 30 | 1.8 | 3.5 | 30 | 80 | 0.4 | 40 | 65 | 760 | CAD | 请求报价 |
| PHE36-15NSFS-A | M36 | 1.5 | 126 | 4.5 | 31 | 22 | 30 | 45 | 171 | 12 | 46 | 24 | 标准 | 高速用 | 毡环(防尘用) | 带头 | 320 | 500 | 140000 | 30 | 1.8 | 3.5 | 30 | 80 | 0.4 | 40 | 65 | 830 | CAD | 请求报价 |
| PHE36-15NSFK-A | M36 | 1.5 | 126 | 4.5 | 31 | 22 | 30 | 45 | 171 | 12 | 46 | 24 | 标准 | 高速用 | 毡环(防尘用) | 带垫+带头 | 320 | 500 | 140000 | 30 | 1.8 | 3.5 | 30 | 80 | 0.4 | 40 | 65 | 830 | CAD | 请求报价 |
| PHE36-15NSAD-A | M36 | 1.5 | 126 | 4.5 | 10 | - | 30 | - | 156 | 12 | 46 | 24 | 标准 | 高速用 | 刮擦器(防水用) | 没有头部 | 320 | 500 | 140000 | 30 | 1.8 | 3.5 | 30 | 80 | 0.4 | 40 | 65 | 760 | CAD | 请求报价 |
| PHE36-15NSAS-A | M36 | 1.5 | 126 | 4.5 | 31 | 22 | 30 | 45 | 171 | 12 | 46 | 24 | 标准 | 高速用 | 刮擦器(防水用) | 带头 | 320 | 500 | 140000 | 30 | 1.8 | 3.5 | 30 | 80 | 0.4 | 40 | 65 | 830 | CAD | 请求报价 |
| PHE36-15NSAK-A | M36 | 1.5 | 126 | 4.5 | 31 | 22 | 30 | 45 | 171 | 12 | 46 | 24 | 标准 | 高速用 | 刮擦器(防水用) | 带垫+带头 | 320 | 500 | 140000 | 30 | 1.8 | 3.5 | 30 | 80 | 0.4 | 40 | 65 | 830 | CAD | 请求报价 |
| PHE36-15NWDD-A | M36 | 1.5 | 126 | 4.5 | 10 | - | 30 | - | 156 | 12 | 46 | 24 | 标准 | 超高速用 | 没有保护机构 | 没有头部 | 280 | 350 | 140000 | 30 | 3 | 5 | 30 | 80 | 0.4 | 40 | 65 | 760 | CAD | 请求报价 |
| PHE36-15NWDS-A | M36 | 1.5 | 126 | 4.5 | 31 | 22 | 30 | 45 | 171 | 12 | 46 | 24 | 标准 | 超高速用 | 没有保护机构 | 带头 | 280 | 350 | 140000 | 30 | 3 | 5 | 30 | 80 | 0.4 | 40 | 65 | 830 | CAD | 请求报价 |
| PHE36-15NWDK-A | M36 | 1.5 | 126 | 4.5 | 31 | 22 | 30 | 45 | 171 | 12 | 46 | 24 | 标准 | 超高速用 | 没有保护机构 | 带垫+带头 | 280 | 350 | 140000 | 30 | 3 | 5 | 30 | 80 | 0.4 | 40 | 65 | 830 | CAD | 请求报价 |
| PHE36-15NWFD-A | M36 | 1.5 | 126 | 4.5 | 10 | - | 30 | - | 156 | 12 | 46 | 24 | 标准 | 超高速用 | 毡环(防尘用) | 没有头部 | 280 | 350 | 140000 | 30 | 3 | 5 | 30 | 80 | 0.4 | 40 | 65 | 760 | CAD | 请求报价 |
| PHE36-15NWFS-A | M36 | 1.5 | 126 | 4.5 | 31 | 22 | 30 | 45 | 171 | 12 | 46 | 24 | 标准 | 超高速用 | 毡环(防尘用) | 带头 | 280 | 350 | 140000 | 30 | 3 | 5 | 30 | 80 | 0.4 | 40 | 65 | 830 | CAD | 请求报价 |
| PHE36-15NWFK-A | M36 | 1.5 | 126 | 4.5 | 31 | 22 | 30 | 45 | 171 | 12 | 46 | 24 | 标准 | 超高速用 | 毡环(防尘用) | 带垫+带头 | 280 | 350 | 140000 | 30 | 3 | 5 | 30 | 80 | 0.4 | 40 | 65 | 830 | CAD | 请求报价 |
| PHE36-15NWAD-A | M36 | 1.5 | 126 | 4.5 | 10 | - | 30 | - | 156 | 12 | 46 | 24 | 标准 | 超高速用 | 刮擦器(防水用) | 没有头部 | 280 | 350 | 140000 | 30 | 3 | 5 | 30 | 80 | 0.4 | 40 | 65 | 760 | CAD | 请求报价 |
| PHE36-15NWAS-A | M36 | 1.5 | 126 | 4.5 | 31 | 22 | 30 | 45 | 171 | 12 | 46 | 24 | 标准 | 超高速用 | 刮擦器(防水用) | 带头 | 280 | 350 | 140000 | 30 | 3 | 5 | 30 | 80 | 0.4 | 40 | 65 | 830 | CAD | 请求报价 |
| PHE36-15NWAK-A | M36 | 1.5 | 126 | 4.5 | 31 | 22 | 30 | 45 | 171 | 12 | 46 | 24 | 标准 | 超高速用 | 刮擦器(防水用) | 带垫+带头 | 280 | 350 | 140000 | 30 | 3 | 5 | 30 | 80 | 0.4 | 40 | 65 | 830 | CAD | 请求报价 |
| PHE36-15LHDD-A | M36 | 1.5 | 171 | 4.5 | 10 | - | 50 | - | 221 | 12 | 46 | 24 | 加长型 | 低速用 | 没有保护机构 | 没有头部 | 400 | 800 | 140000 | 50 | 0.1 | 1.2 | 30 | 80 | 0.8 | 40 | 65 | 1030 | CAD | 请求报价 |
| PHE36-15LHDS-A | M36 | 1.5 | 171 | 4.5 | 31 | 22 | 50 | 65 | 236 | 12 | 46 | 24 | 加长型 | 低速用 | 没有保护机构 | 带头 | 400 | 800 | 140000 | 50 | 0.1 | 1.2 | 30 | 80 | 0.8 | 40 | 65 | 1100 | CAD | 请求报价 |
| PHE36-15LHDK-A | M36 | 1.5 | 171 | 4.5 | 31 | 22 | 50 | 65 | 236 | 12 | 46 | 24 | 加长型 | 低速用 | 没有保护机构 | 带垫+带头 | 400 | 800 | 140000 | 50 | 0.1 | 1.2 | 30 | 80 | 0.8 | 40 | 65 | 1100 | CAD | 请求报价 |
| PHE36-15LHFD-A | M36 | 1.5 | 171 | 4.5 | 10 | - | 50 | - | 221 | 12 | 46 | 24 | 加长型 | 低速用 | 毡环(防尘用) | 没有头部 | 400 | 800 | 140000 | 50 | 0.1 | 1.2 | 30 | 80 | 0.8 | 40 | 65 | 1030 | CAD | 请求报价 |
| PHE36-15LHFS-A | M36 | 1.5 | 171 | 4.5 | 31 | 22 | 50 | 65 | 236 | 12 | 46 | 24 | 加长型 | 低速用 | 毡环(防尘用) | 带头 | 400 | 800 | 140000 | 50 | 0.1 | 1.2 | 30 | 80 | 0.8 | 40 | 65 | 1100 | CAD | 请求报价 |
| PHE36-15LHFK-A | M36 | 1.5 | 171 | 4.5 | 31 | 22 | 50 | 65 | 236 | 12 | 46 | 24 | 加长型 | 低速用 | 毡环(防尘用) | 带垫+带头 | 400 | 800 | 140000 | 50 | 0.1 | 1.2 | 30 | 80 | 0.8 | 40 | 65 | 1100 | CAD | 请求报价 |
| PHE36-15LHAD-A | M36 | 1.5 | 171 | 4.5 | 10 | - | 50 | - | 221 | 12 | 46 | 24 | 加长型 | 低速用 | 刮擦器(防水用) | 没有头部 | 400 | 800 | 140000 | 50 | 0.1 | 1.2 | 30 | 80 | 0.8 | 40 | 65 | 1030 | CAD | 请求报价 |
| PHE36-15LHAS-A | M36 | 1.5 | 171 | 4.5 | 31 | 22 | 50 | 65 | 236 | 12 | 46 | 24 | 加长型 | 低速用 | 刮擦器(防水用) | 带头 | 400 | 800 | 140000 | 50 | 0.1 | 1.2 | 30 | 80 | 0.8 | 40 | 65 | 1100 | CAD | 请求报价 |
| PHE36-15LHAK-A | M36 | 1.5 | 171 | 4.5 | 31 | 22 | 50 | 65 | 236 | 12 | 46 | 24 | 加长型 | 低速用 | 刮擦器(防水用) | 带垫+带头 | 400 | 800 | 140000 | 50 | 0.1 | 1.2 | 30 | 80 | 0.8 | 40 | 65 | 1100 | CAD | 请求报价 |
| PHE36-15LMDD-A | M36 | 1.5 | 171 | 4.5 | 10 | - | 50 | - | 221 | 12 | 46 | 24 | 加长型 | 中速用 | 没有保护机构 | 没有头部 | 360 | 650 | 140000 | 50 | 0.8 | 2.2 | 30 | 80 | 0.8 | 40 | 65 | 1030 | CAD | 请求报价 |
| PHE36-15LMDS-A | M36 | 1.5 | 171 | 4.5 | 31 | 22 | 50 | 65 | 236 | 12 | 46 | 24 | 加长型 | 中速用 | 没有保护机构 | 带头 | 360 | 650 | 140000 | 50 | 0.8 | 2.2 | 30 | 80 | 0.8 | 40 | 65 | 1100 | CAD | 请求报价 |
| PHE36-15LMDK-A | M36 | 1.5 | 171 | 4.5 | 31 | 22 | 50 | 65 | 236 | 12 | 46 | 24 | 加长型 | 中速用 | 没有保护机构 | 带垫+带头 | 360 | 650 | 140000 | 50 | 0.8 | 2.2 | 30 | 80 | 0.8 | 40 | 65 | 1100 | CAD | 请求报价 |
| PHE36-15LMFD-A | M36 | 1.5 | 171 | 4.5 | 10 | - | 50 | - | 221 | 12 | 46 | 24 | 加长型 | 中速用 | 毡环(防尘用) | 没有头部 | 360 | 650 | 140000 | 50 | 0.8 | 2.2 | 30 | 80 | 0.8 | 40 | 65 | 1030 | CAD | 请求报价 |
| PHE36-15LMFS-A | M36 | 1.5 | 171 | 4.5 | 31 | 22 | 50 | 65 | 236 | 12 | 46 | 24 | 加长型 | 中速用 | 毡环(防尘用) | 带头 | 360 | 650 | 140000 | 50 | 0.8 | 2.2 | 30 | 80 | 0.8 | 40 | 65 | 1100 | CAD | 请求报价 |
| PHE36-15LMFK-A | M36 | 1.5 | 171 | 4.5 | 31 | 22 | 50 | 65 | 236 | 12 | 46 | 24 | 加长型 | 中速用 | 毡环(防尘用) | 带垫+带头 | 360 | 650 | 140000 | 50 | 0.8 | 2.2 | 30 | 80 | 0.8 | 40 | 65 | 1100 | CAD | 请求报价 |
| PHE36-15LMAD-A | M36 | 1.5 | 171 | 4.5 | 10 | - | 50 | - | 221 | 12 | 46 | 24 | 加长型 | 中速用 | 刮擦器(防水用) | 没有头部 | 360 | 650 | 140000 | 50 | 0.8 | 2.2 | 30 | 80 | 0.8 | 40 | 65 | 1030 | CAD | 请求报价 |
| PHE36-15LMAS-A | M36 | 1.5 | 171 | 4.5 | 31 | 22 | 50 | 65 | 236 | 12 | 46 | 24 | 加长型 | 中速用 | 刮擦器(防水用) | 带头 | 360 | 650 | 140000 | 50 | 0.8 | 2.2 | 30 | 80 | 0.8 | 40 | 65 | 1100 | CAD | 请求报价 |
| PHE36-15LMAK-A | M36 | 1.5 | 171 | 4.5 | 31 | 22 | 50 | 65 | 236 | 12 | 46 | 24 | 加长型 | 中速用 | 刮擦器(防水用) | 带垫+带头 | 360 | 650 | 140000 | 50 | 0.8 | 2.2 | 30 | 80 | 0.8 | 40 | 65 | 1100 | CAD | 请求报价 |
| PHE36-15LSDD-A | M36 | 1.5 | 171 | 4.5 | 10 | - | 50 | - | 221 | 12 | 46 | 24 | 加长型 | 高速用 | 没有保护机构 | 没有头部 | 320 | 500 | 140000 | 50 | 1.8 | 3.5 | 30 | 80 | 0.8 | 40 | 65 | 1030 | CAD | 请求报价 |
| PHE36-15LSDS-A | M36 | 1.5 | 171 | 4.5 | 31 | 22 | 50 | 65 | 236 | 12 | 46 | 24 | 加长型 | 高速用 | 没有保护机构 | 带头 | 320 | 500 | 140000 | 50 | 1.8 | 3.5 | 30 | 80 | 0.8 | 40 | 65 | 1100 | CAD | 请求报价 |
| PHE36-15LSDK-A | M36 | 1.5 | 171 | 4.5 | 31 | 22 | 50 | 65 | 236 | 12 | 46 | 24 | 加长型 | 高速用 | 没有保护机构 | 带垫+带头 | 320 | 500 | 140000 | 50 | 1.8 | 3.5 | 30 | 80 | 0.8 | 40 | 65 | 1100 | CAD | 请求报价 |
| PHE36-15LSFD-A | M36 | 1.5 | 171 | 4.5 | 10 | - | 50 | - | 221 | 12 | 46 | 24 | 加长型 | 高速用 | 毡环(防尘用) | 没有头部 | 320 | 500 | 140000 | 50 | 1.8 | 3.5 | 30 | 80 | 0.8 | 40 | 65 | 1030 | CAD | 请求报价 |
| PHE36-15LSFS-A | M36 | 1.5 | 171 | 4.5 | 31 | 22 | 50 | 65 | 236 | 12 | 46 | 24 | 加长型 | 高速用 | 毡环(防尘用) | 带头 | 320 | 500 | 140000 | 50 | 1.8 | 3.5 | 30 | 80 | 0.8 | 40 | 65 | 1100 | CAD | 请求报价 |
| PHE36-15LSFK-A | M36 | 1.5 | 171 | 4.5 | 31 | 22 | 50 | 65 | 236 | 12 | 46 | 24 | 加长型 | 高速用 | 毡环(防尘用) | 带垫+带头 | 320 | 500 | 140000 | 50 | 1.8 | 3.5 | 30 | 80 | 0.8 | 40 | 65 | 1100 | CAD | 请求报价 |
| PHE36-15LSAD-A | M36 | 1.5 | 171 | 4.5 | 10 | - | 50 | - | 221 | 12 | 46 | 24 | 加长型 | 高速用 | 刮擦器(防水用) | 没有头部 | 320 | 500 | 140000 | 50 | 1.8 | 3.5 | 30 | 80 | 0.8 | 40 | 65 | 1030 | CAD | 请求报价 |
| PHE36-15LSAS-A | M36 | 1.5 | 171 | 4.5 | 31 | 22 | 50 | 65 | 236 | 12 | 46 | 24 | 加长型 | 高速用 | 刮擦器(防水用) | 带头 | 320 | 500 | 140000 | 50 | 1.8 | 3.5 | 30 | 80 | 0.8 | 40 | 65 | 1100 | CAD | 请求报价 |
| PHE36-15LSAK-A | M36 | 1.5 | 171 | 4.5 | 31 | 22 | 50 | 65 | 236 | 12 | 46 | 24 | 加长型 | 高速用 | 刮擦器(防水用) | 带垫+带头 | 320 | 500 | 140000 | 50 | 1.8 | 3.5 | 30 | 80 | 0.8 | 40 | 65 | 1100 | CAD | 请求报价 |
| PHE36-15LWDD-A | M36 | 1.5 | 171 | 4.5 | 10 | - | 50 | - | 221 | 12 | 46 | 24 | 加长型 | 超高速用 | 没有保护机构 | 没有头部 | 280 | 350 | 140000 | 50 | 3 | 5 | 30 | 80 | 0.8 | 40 | 65 | 1030 | CAD | 请求报价 |
| PHE36-15LWDS-A | M36 | 1.5 | 171 | 4.5 | 31 | 22 | 50 | 65 | 236 | 12 | 46 | 24 | 加长型 | 超高速用 | 没有保护机构 | 带头 | 280 | 350 | 140000 | 50 | 3 | 5 | 30 | 80 | 0.8 | 40 | 65 | 1100 | CAD | 请求报价 |
| PHE36-15LWDK-A | M36 | 1.5 | 171 | 4.5 | 31 | 22 | 50 | 65 | 236 | 12 | 46 | 24 | 加长型 | 超高速用 | 没有保护机构 | 带垫+带头 | 280 | 350 | 140000 | 50 | 3 | 5 | 30 | 80 | 0.8 | 40 | 65 | 1100 | CAD | 请求报价 |
| PHE36-15LWFD-A | M36 | 1.5 | 171 | 4.5 | 10 | - | 50 | - | 221 | 12 | 46 | 24 | 加长型 | 超高速用 | 毡环(防尘用) | 没有头部 | 280 | 350 | 140000 | 50 | 3 | 5 | 30 | 80 | 0.8 | 40 | 65 | 1030 | CAD | 请求报价 |
| PHE36-15LWFS-A | M36 | 1.5 | 171 | 4.5 | 31 | 22 | 50 | 65 | 236 | 12 | 46 | 24 | 加长型 | 超高速用 | 毡环(防尘用) | 带头 | 280 | 350 | 140000 | 50 | 3 | 5 | 30 | 80 | 0.8 | 40 | 65 | 1100 | CAD | 请求报价 |
| PHE36-15LWFK-A | M36 | 1.5 | 171 | 4.5 | 31 | 22 | 50 | 65 | 236 | 12 | 46 | 24 | 加长型 | 超高速用 | 毡环(防尘用) | 带垫+带头 | 280 | 350 | 140000 | 50 | 3 | 5 | 30 | 80 | 0.8 | 40 | 65 | 1100 | CAD | 请求报价 |
| PHE36-15LWAD-A | M36 | 1.5 | 171 | 4.5 | 10 | - | 50 | - | 221 | 12 | 46 | 24 | 加长型 | 超高速用 | 刮擦器(防水用) | 没有头部 | 280 | 350 | 140000 | 50 | 3 | 5 | 30 | 80 | 0.8 | 40 | 65 | 1030 | CAD | 请求报价 |
| PHE36-15LWAS-A | M36 | 1.5 | 171 | 4.5 | 31 | 22 | 50 | 65 | 236 | 12 | 46 | 24 | 加长型 | 超高速用 | 刮擦器(防水用) | 带头 | 280 | 350 | 140000 | 50 | 3 | 5 | 30 | 80 | 0.8 | 40 | 65 | 1100 | CAD | 请求报价 |
| PHE36-15LWAK-A | M36 | 1.5 | 171 | 4.5 | 31 | 22 | 50 | 65 | 236 | 12 | 46 | 24 | 加长型 | 超高速用 | 刮擦器(防水用) | 带垫+带头 | 280 | 350 | 140000 | 50 | 3 | 5 | 30 | 80 | 0.8 | 40 | 65 | 1100 | CAD | 请求报价 |
●所有产品均附带1个锁定螺母。
●横向滚动表格,可以查看所有项目。
产品符号
选择行程型
| 产品符号 | 行程类型 |
|---|---|
| N | 标准行程 |
| L | 长行程 |
波纹管盖型只有标准行程。
选择碰撞速度
根据碰撞速度,已将4种类型标准化。| 产品符号 | 速度类型 | 碰撞速度*1 (m/s) |
使用例 |
|---|---|---|---|
| H | 低速用 | 0.1-1.2 | 物体的减速 |
| M | 中速用 | 0.8-2.2 | 气压设备的控制 |
| S | 高速用 | 1.8-3.5 | 吸收自由下落物体的冲击 |
| W | 超高速用 | 3-5 | 吸收自由下落物体的冲击 |
*1: 有关各产品的碰撞速度,请参阅性能表。
选择保护机构




选择有无不锈钢头



保护机构选择波纹管盖时,适用的组合为带不锈钢头S,或者带塑料垫 + 不锈钢头K任意一种。
PowerStop是Zimmer GmbH的注册商标。
构造
无不锈钢头

材质、表面处理
| PHE | |
|---|---|
| 螺纹主体 | 相当于SUS303 |
| 活塞杆 | 相当于SUS420 |
| 锁定螺母*1 | 相当于SUS303 |
| 毡环 | 毛毡 |
| 刮擦器 | NBR |
| 不锈钢头 | 相当于SUS303 |
| 塑料垫 | TPC |
| 波纹管盖 | TPE(蓝) |
*1: 所有产品均附带1个锁定螺母。需要多个时,请另行订购锁定螺母单件PVM。
特点
- 采用独特结构,能量吸收能力强。
- 能量吸收平稳。线性减速。
- 通过在传统缓冲器的基础上缩小尺寸并缩短循环时间,可提高生产效率。
- 冲击吸收器的螺丝主体端面可作为挡块使用。
-
容许偏角:2°
偏角超过2°时,请使用螺栓预支承PBV。PBV - 也可在高压室内使用。(最大1MPa)
- 可使用温度:-10℃~70℃
- 使用生物油,可用于无尘室内。
- 使用H1认证油,还可用于食品工业用设备。
- M14以上尺寸除标准行程外,还可选择长行程。
- 长行程产生的阻力小,可以减少作用于碰撞物的负荷,使能量吸收达到与标准行程相同的水平。
不同尺寸产品的最大吸收能量比较
以标准型PSE为基准,与M型(中速用)进行比较。
不同尺寸产品的最大吸收能量一览
| M8 | M10 | M12 | M14 | M16 | M20 | M22 | M25 | M27 | M33 | M36 | |
|---|---|---|---|---|---|---|---|---|---|---|---|
| PSE | 1.5 | 3 | 9 | 20 | 20 | 41 | 41 | 105 | 105 | 185 | 185 |
| PHE | 4 | 10 | 18 | 32 | 32 | 75 | 75 | 210 | 210 | 360 | 360 |
|
PHE
(紧急使用时) |
5 | 13 | 25 | 38 | 38 | 125 | 125 | 330 | 330 | 650 | 650 |
为M型(中速用)的值。
相关产品
| 产品名称 | 型号 | 特点 |
|---|---|---|
| 限位套筒 | PAH | 任意设定冲击吸收器的行程所使用的挡块。 |
| 带传感器限位套筒 | PSH | 任意设定冲击吸收器的行程所使用的挡块。 可以检测出碰撞物与冲击吸收器发生的接触。 |
| 螺栓预支承 | PBV | 允许与碰撞物之间具有最大30°的偏角。 |
| 压力室密封 | PDD | 防止从冲击吸收器连接部漏气。 |
| 锁定螺母 | PVM | 冲击吸收器用锁定螺母 |
| 顶面安装托架 | PKS | 冲击吸收器用安装托架(正交型) |
| 顶面安装托架 | ABV-A | 冲击吸收器用安装托架(正交型) |
| 平面安装托架 | PKP | 冲击吸收器用安装托架(平行型) |
全面改型说明
高性能缓冲器(冲击吸收器)将于2021年1月26日(星期二)大幅增加规格,实施全面改型。详情请参照以下内容。请参看详情
另外,在以下网页中输入旧型号,可以按螺纹直径基准及能量基准选择现行产品的型号,对新旧规格及尺寸进行确认。
高性能缓冲器:自动替换软件









