尺寸・CAD
选择
单位 : mm
| 型号 | M(细牙) 螺纹公称直径 |
螺距 | L | L1 | L2 | d | dc | d2 | s | e | W | H | sw1 (对边宽度) |
sw2 (对边宽度) |
行程 类型 |
保护机构类型 | 头部类型 | 最大吸收 能量 (J) |
紧急时 最大吸收 能量 (J) |
每小时 最大吸收 能量 (J/h) |
最大 行程 s (mm) |
碰撞速度 (m/s) |
容许载荷 (kN) |
锁定螺母 最大紧固扭矩 (N・m) |
恢复时间 (s) |
恢复力 (N) |
质量 (g) |
CAD下载 | 请求报价 | ||
|---|---|---|---|---|---|---|---|---|---|---|---|---|---|---|---|---|---|---|---|---|---|---|---|---|---|---|---|---|---|---|---|
| min. | max. | min. | max. | ||||||||||||||||||||||||||||
| PAE08-10NHDD-A | M8 | 1 | 41 | 2.5 | 6 | 2 | - | 7 | 6 | - | 53 | 3 | 11 | 6 | 标准 | 没有保护机构 | 没有头部 | 4 | 4 | 10000 | 6 | 0.1 | 5 | 1 | 3 | 0.2 | 2.5 | 4.5 | 10 | CAD | 请求报价 |
| PAE08-10NHDS-A | M8 | 1 | 41 | 2.5 | 6 | 6.5 | 5 | 7 | 6 | 12 | 59 | 3 | 11 | 6 | 标准 | 没有保护机构 | 带头 | 4 | 4 | 10000 | 6 | 0.1 | 5 | 1 | 3 | 0.2 | 2.5 | 4.5 | 11 | CAD | 请求报价 |
| PAE08-10NHDK-A | M8 | 1 | 41 | 2.5 | 6 | 6.5 | 5 | 7 | 6 | 12 | 59 | 3 | 11 | 6 | 标准 | 没有保护机构 | 带垫+带头 | 4 | 4 | 10000 | 6 | 0.1 | 5 | 1 | 3 | 0.2 | 2.5 | 4.5 | 11 | CAD | 请求报价 |
| PAE08-10NHFD-A | M8 | 1 | 41 | 2.5 | 6 | 2 | - | 7 | 6 | - | 53 | 3 | 11 | 6 | 标准 | 毡环(防尘用) | 没有头部 | 4 | 4 | 10000 | 6 | 0.1 | 5 | 1 | 3 | 0.2 | 2.5 | 4.5 | 10 | CAD | 请求报价 |
| PAE08-10NHFS-A | M8 | 1 | 41 | 2.5 | 6 | 6.5 | 5 | 7 | 6 | 12 | 59 | 3 | 11 | 6 | 标准 | 毡环(防尘用) | 带头 | 4 | 4 | 10000 | 6 | 0.1 | 5 | 1 | 3 | 0.2 | 2.5 | 4.5 | 11 | CAD | 请求报价 |
| PAE08-10NHFK-A | M8 | 1 | 41 | 2.5 | 6 | 6.5 | 5 | 7 | 6 | 12 | 59 | 3 | 11 | 6 | 标准 | 毡环(防尘用) | 带垫+带头 | 4 | 4 | 10000 | 6 | 0.1 | 5 | 1 | 3 | 0.2 | 2.5 | 4.5 | 11 | CAD | 请求报价 |
| PAE08-10NHAD-A | M8 | 1 | 41 | 2.5 | 6 | 2 | - | 7 | 6 | - | 53 | 3 | 11 | 6 | 标准 | 刮擦器(防水用) | 没有头部 | 4 | 4 | 10000 | 6 | 0.1 | 5 | 1 | 3 | 0.2 | 2.5 | 4.5 | 10 | CAD | 请求报价 |
| PAE08-10NHAS-A | M8 | 1 | 41 | 2.5 | 6 | 6.5 | 5 | 7 | 6 | 12 | 59 | 3 | 11 | 6 | 标准 | 刮擦器(防水用) | 带头 | 4 | 4 | 10000 | 6 | 0.1 | 5 | 1 | 3 | 0.2 | 2.5 | 4.5 | 11 | CAD | 请求报价 |
| PAE08-10NHAK-A | M8 | 1 | 41 | 2.5 | 6 | 6.5 | 5 | 7 | 6 | 12 | 59 | 3 | 11 | 6 | 标准 | 刮擦器(防水用) | 带垫+带头 | 4 | 4 | 10000 | 6 | 0.1 | 5 | 1 | 3 | 0.2 | 2.5 | 4.5 | 11 | CAD | 请求报价 |
| PAE08-10NHBS-A | M8 | 1 | 36.5 | 2.5 | 6 | 12 | 5 | 7 | 6 | 20.5 | 63 | 3 | 11 | 6 | 标准 | 波纹管盖 | 带头 | 4 | 4 | 10000 | 6 | 0.1 | 5 | 1 | 3 | 0.2 | 2.5 | 6 | 13 | CAD | 请求报价 |
| PAE08-10NHBK-A | M8 | 1 | 36.5 | 2.5 | 6 | 12 | 5 | 7 | 6 | 20.5 | 63 | 3 | 11 | 6 | 标准 | 波纹管盖 | 带垫+带头 | 4 | 4 | 10000 | 6 | 0.1 | 5 | 1 | 3 | 0.2 | 2.5 | 6 | 13 | CAD | 请求报价 |
| PAE10-10NHDD-A | M10 | 1 | 48 | 2.5 | 6.5 | 2.5 | - | 7 | 8 | - | 62.5 | 4 | 13 | 7 | 标准 | 没有保护机构 | 没有头部 | 10 | 10 | 22000 | 8 | 0.1 | 5 | 2 | 4 | 0.2 | 3.5 | 6 | 21 | CAD | 请求报价 |
| PAE10-10NHDS-A | M10 | 1 | 48 | 2.5 | 6.5 | 8.5 | 6 | 7 | 8 | 14.5 | 69 | 4 | 13 | 7 | 标准 | 没有保护机构 | 带头 | 10 | 10 | 22000 | 8 | 0.1 | 5 | 2 | 4 | 0.2 | 3.5 | 6 | 23 | CAD | 请求报价 |
| PAE10-10NHDK-A | M10 | 1 | 48 | 2.5 | 6.5 | 8.5 | 6 | 7 | 8 | 14.5 | 69 | 4 | 13 | 7 | 标准 | 没有保护机构 | 带垫+带头 | 10 | 10 | 22000 | 8 | 0.1 | 5 | 2 | 4 | 0.2 | 3.5 | 6 | 23 | CAD | 请求报价 |
| PAE10-10NHFD-A | M10 | 1 | 48 | 2.5 | 6.5 | 2.5 | - | 7 | 8 | - | 62.5 | 4 | 13 | 7 | 标准 | 毡环(防尘用) | 没有头部 | 10 | 10 | 22000 | 8 | 0.1 | 5 | 2 | 4 | 0.2 | 3.5 | 6 | 21 | CAD | 请求报价 |
| PAE10-10NHFS-A | M10 | 1 | 48 | 2.5 | 6.5 | 8.5 | 6 | 7 | 8 | 14.5 | 69 | 4 | 13 | 7 | 标准 | 毡环(防尘用) | 带头 | 10 | 10 | 22000 | 8 | 0.1 | 5 | 2 | 4 | 0.2 | 3.5 | 6 | 23 | CAD | 请求报价 |
| PAE10-10NHFK-A | M10 | 1 | 48 | 2.5 | 6.5 | 8.5 | 6 | 7 | 8 | 14.5 | 69 | 4 | 13 | 7 | 标准 | 毡环(防尘用) | 带垫+带头 | 10 | 10 | 22000 | 8 | 0.1 | 5 | 2 | 4 | 0.2 | 3.5 | 6 | 23 | CAD | 请求报价 |
| PAE10-10NHAD-A | M10 | 1 | 48 | 2.5 | 6.5 | 2.5 | - | 7 | 8 | - | 62.5 | 4 | 13 | 7 | 标准 | 刮擦器(防水用) | 没有头部 | 10 | 10 | 22000 | 8 | 0.1 | 5 | 2 | 4 | 0.2 | 3.5 | 6 | 21 | CAD | 请求报价 |
| PAE10-10NHAS-A | M10 | 1 | 48 | 2.5 | 6.5 | 8.5 | 6 | 7 | 8 | 14.5 | 69 | 4 | 13 | 7 | 标准 | 刮擦器(防水用) | 带头 | 10 | 10 | 22000 | 8 | 0.1 | 5 | 2 | 4 | 0.2 | 3.5 | 6 | 23 | CAD | 请求报价 |
| PAE10-10NHAK-A | M10 | 1 | 48 | 2.5 | 6.5 | 8.5 | 6 | 7 | 8 | 14.5 | 69 | 4 | 13 | 7 | 标准 | 刮擦器(防水用) | 带垫+带头 | 10 | 10 | 22000 | 8 | 0.1 | 5 | 2 | 4 | 0.2 | 3.5 | 6 | 23 | CAD | 请求报价 |
| PAE10-10NHBS-A | M10 | 1 | 42.5 | 2.5 | 6.5 | 14 | 6 | 7 | 8 | 24 | 73 | 4 | 13 | 7 | 标准 | 波纹管盖 | 带头 | 10 | 10 | 22000 | 8 | 0.1 | 5 | 2 | 4 | 0.2 | 3.5 | 11 | 23 | CAD | 请求报价 |
| PAE10-10NHBK-A | M10 | 1 | 42.5 | 2.5 | 6.5 | 14 | 6 | 7 | 8 | 24 | 73 | 4 | 13 | 7 | 标准 | 波纹管盖 | 带垫+带头 | 10 | 10 | 22000 | 8 | 0.1 | 5 | 2 | 4 | 0.2 | 3.5 | 11 | 23 | CAD | 请求报价 |
| PAE12-10NHDD-A | M12 | 1 | 56 | 2.5 | 7 | 3 | - | 8 | 10 | - | 73 | 5 | 15 | 8 | 标准 | 没有保护机构 | 没有头部 | 18 | 18 | 33000 | 10 | 0.1 | 5 | 3 | 7 | 0.2 | 4.5 | 7.5 | 34 | CAD | 请求报价 |
| PAE12-10NHDS-A | M12 | 1 | 56 | 2.5 | 7 | 10.5 | 7 | 8 | 10 | 17 | 80 | 5 | 15 | 8 | 标准 | 没有保护机构 | 带头 | 18 | 18 | 33000 | 10 | 0.1 | 5 | 3 | 7 | 0.2 | 4.5 | 7.5 | 38 | CAD | 请求报价 |
| PAE12-10NHDK-A | M12 | 1 | 56 | 2.5 | 7 | 10.5 | 7 | 8 | 10 | 17 | 80 | 5 | 15 | 8 | 标准 | 没有保护机构 | 带垫+带头 | 18 | 18 | 33000 | 10 | 0.1 | 5 | 3 | 7 | 0.2 | 4.5 | 7.5 | 37 | CAD | 请求报价 |
| PAE12-10NHFD-A | M12 | 1 | 56 | 2.5 | 7 | 3 | - | 8 | 10 | - | 73 | 5 | 15 | 8 | 标准 | 毡环(防尘用) | 没有头部 | 18 | 18 | 33000 | 10 | 0.1 | 5 | 3 | 7 | 0.2 | 4.5 | 7.5 | 34 | CAD | 请求报价 |
| PAE12-10NHFS-A | M12 | 1 | 56 | 2.5 | 7 | 10.5 | 7 | 8 | 10 | 17 | 80 | 5 | 15 | 8 | 标准 | 毡环(防尘用) | 带头 | 18 | 18 | 33000 | 10 | 0.1 | 5 | 3 | 7 | 0.2 | 4.5 | 7.5 | 38 | CAD | 请求报价 |
| PAE12-10NHFK-A | M12 | 1 | 56 | 2.5 | 7 | 10.5 | 7 | 8 | 10 | 17 | 80 | 5 | 15 | 8 | 标准 | 毡环(防尘用) | 带垫+带头 | 18 | 18 | 33000 | 10 | 0.1 | 5 | 3 | 7 | 0.2 | 4.5 | 7.5 | 37 | CAD | 请求报价 |
| PAE12-10NHAD-A | M12 | 1 | 56 | 2.5 | 7 | 3 | - | 8 | 10 | - | 73 | 5 | 15 | 8 | 标准 | 刮擦器(防水用) | 没有头部 | 18 | 18 | 33000 | 10 | 0.1 | 5 | 3 | 7 | 0.2 | 4.5 | 7.5 | 34 | CAD | 请求报价 |
| PAE12-10NHAS-A | M12 | 1 | 56 | 2.5 | 7 | 10.5 | 7 | 8 | 10 | 17 | 80 | 5 | 15 | 8 | 标准 | 刮擦器(防水用) | 带头 | 18 | 18 | 33000 | 10 | 0.1 | 5 | 3 | 7 | 0.2 | 4.5 | 7.5 | 38 | CAD | 请求报价 |
| PAE12-10NHAK-A | M12 | 1 | 56 | 2.5 | 7 | 10.5 | 7 | 8 | 10 | 17 | 80 | 5 | 15 | 8 | 标准 | 刮擦器(防水用) | 带垫+带头 | 18 | 18 | 33000 | 10 | 0.1 | 5 | 3 | 7 | 0.2 | 4.5 | 7.5 | 37 | CAD | 请求报价 |
| PAE12-10NHBS-A | M12 | 1 | 49.5 | 2.5 | 7 | 16 | 7 | 8 | 10 | 27.5 | 84 | 5 | 15 | 8 | 标准 | 波纹管盖 | 带头 | 18 | 18 | 33000 | 10 | 0.1 | 5 | 3 | 7 | 0.2 | 4.5 | 19 | 39 | CAD | 请求报价 |
| PAE12-10NHBK-A | M12 | 1 | 49.5 | 2.5 | 7 | 16 | 7 | 8 | 10 | 27.5 | 84 | 5 | 15 | 8 | 标准 | 波纹管盖 | 带垫+带头 | 18 | 18 | 33000 | 10 | 0.1 | 5 | 3 | 7 | 0.2 | 4.5 | 19 | 39 | CAD | 请求报价 |
| PAE14-10NHDD-A | M14 | 1 | 63 | 3 | 8 | 4 | - | 9.7 | 12 | - | 83 | 6 | 17 | 10 | 标准 | 没有保护机构 | 没有头部 | 34 | 34 | 50000 | 12 | 0.1 | 5 | 3.5 | 20 | 0.3 | 7 | 11 | 56 | CAD | 请求报价 |
| PAE14-10NHDS-A | M14 | 1 | 63 | 3 | 8 | 12 | 8.5 | 9.7 | 12 | 21 | 92 | 6 | 17 | 10 | 标准 | 没有保护机构 | 带头 | 34 | 34 | 50000 | 12 | 0.1 | 5 | 3.5 | 20 | 0.3 | 7 | 11 | 63 | CAD | 请求报价 |
| PAE14-10NHDK-A | M14 | 1 | 63 | 3 | 8 | 12 | 8.5 | 9.7 | 12 | 21 | 92 | 6 | 17 | 10 | 标准 | 没有保护机构 | 带垫+带头 | 34 | 34 | 50000 | 12 | 0.1 | 5 | 3.5 | 20 | 0.3 | 7 | 11 | 62 | CAD | 请求报价 |
| PAE14-10NHFD-A | M14 | 1 | 63 | 3 | 8 | 4 | - | 9.7 | 12 | - | 83 | 6 | 17 | 10 | 标准 | 毡环(防尘用) | 没有头部 | 34 | 34 | 50000 | 12 | 0.1 | 5 | 3.5 | 20 | 0.3 | 7 | 11 | 56 | CAD | 请求报价 |
| PAE14-10NHFS-A | M14 | 1 | 63 | 3 | 8 | 12 | 8.5 | 9.7 | 12 | 21 | 92 | 6 | 17 | 10 | 标准 | 毡环(防尘用) | 带头 | 34 | 34 | 50000 | 12 | 0.1 | 5 | 3.5 | 20 | 0.3 | 7 | 11 | 63 | CAD | 请求报价 |
| PAE14-10NHFK-A | M14 | 1 | 63 | 3 | 8 | 12 | 8.5 | 9.7 | 12 | 21 | 92 | 6 | 17 | 10 | 标准 | 毡环(防尘用) | 带垫+带头 | 34 | 34 | 50000 | 12 | 0.1 | 5 | 3.5 | 20 | 0.3 | 7 | 11 | 62 | CAD | 请求报价 |
| PAE14-10NHAD-A | M14 | 1 | 63 | 3 | 8 | 4 | - | 9.7 | 12 | - | 83 | 6 | 17 | 10 | 标准 | 刮擦器(防水用) | 没有头部 | 34 | 34 | 50000 | 12 | 0.1 | 5 | 3.5 | 20 | 0.3 | 7 | 11 | 56 | CAD | 请求报价 |
| PAE14-10NHAS-A | M14 | 1 | 63 | 3 | 8 | 12 | 8.5 | 9.7 | 12 | 21 | 92 | 6 | 17 | 10 | 标准 | 刮擦器(防水用) | 带头 | 34 | 34 | 50000 | 12 | 0.1 | 5 | 3.5 | 20 | 0.3 | 7 | 11 | 63 | CAD | 请求报价 |
| PAE14-10NHAK-A | M14 | 1 | 63 | 3 | 8 | 12 | 8.5 | 9.7 | 12 | 21 | 92 | 6 | 17 | 10 | 标准 | 刮擦器(防水用) | 带垫+带头 | 34 | 34 | 50000 | 12 | 0.1 | 5 | 3.5 | 20 | 0.3 | 7 | 11 | 62 | CAD | 请求报价 |
| PAE14-10NHBS-A | M14 | 1 | 55 | 3 | 8 | 19 | 8.5 | 9.7 | 12 | 35.5 | 98.5 | 6 | 17 | 10 | 标准 | 波纹管盖 | 带头 | 34 | 34 | 50000 | 12 | 0.1 | 5 | 3.5 | 20 | 0.3 | 7 | 20 | 67 | CAD | 请求报价 |
| PAE14-10NHBK-A | M14 | 1 | 55 | 3 | 8 | 19 | 8.5 | 9.7 | 12 | 35.5 | 98.5 | 6 | 17 | 10 | 标准 | 波纹管盖 | 带垫+带头 | 34 | 34 | 50000 | 12 | 0.1 | 5 | 3.5 | 20 | 0.3 | 7 | 20 | 67 | CAD | 请求报价 |
| PAE14-10LHDD-A | M14 | 1 | 82 | 3 | 8 | 4 | - | 9.7 | 20 | - | 110 | 6 | 17 | 10 | 加长型 | 没有保护机构 | 没有头部 | 34 | 34 | 50000 | 20 | 0.1 | 5 | 3.5 | 20 | 0.4 | 7 | 11 | 74 | CAD | 请求报价 |
| PAE14-10LHDS-A | M14 | 1 | 82 | 3 | 8 | 12 | 8.5 | 9.7 | 20 | 29 | 119 | 6 | 17 | 10 | 加长型 | 没有保护机构 | 带头 | 34 | 34 | 50000 | 20 | 0.1 | 5 | 3.5 | 20 | 0.4 | 7 | 11 | 81 | CAD | 请求报价 |
| PAE14-10LHDK-A | M14 | 1 | 82 | 3 | 8 | 12 | 8.5 | 9.7 | 20 | 29 | 119 | 6 | 17 | 10 | 加长型 | 没有保护机构 | 带垫+带头 | 34 | 34 | 50000 | 20 | 0.1 | 5 | 3.5 | 20 | 0.4 | 7 | 11 | 80 | CAD | 请求报价 |
| PAE14-10LHFD-A | M14 | 1 | 82 | 3 | 8 | 4 | - | 9.7 | 20 | - | 110 | 6 | 17 | 10 | 加长型 | 毡环(防尘用) | 没有头部 | 34 | 34 | 50000 | 20 | 0.1 | 5 | 3.5 | 20 | 0.4 | 7 | 11 | 74 | CAD | 请求报价 |
| PAE14-10LHFS-A | M14 | 1 | 82 | 3 | 8 | 12 | 8.5 | 9.7 | 20 | 29 | 119 | 6 | 17 | 10 | 加长型 | 毡环(防尘用) | 带头 | 34 | 34 | 50000 | 20 | 0.1 | 5 | 3.5 | 20 | 0.4 | 7 | 11 | 81 | CAD | 请求报价 |
| PAE14-10LHFK-A | M14 | 1 | 82 | 3 | 8 | 12 | 8.5 | 9.7 | 20 | 29 | 119 | 6 | 17 | 10 | 加长型 | 毡环(防尘用) | 带垫+带头 | 34 | 34 | 50000 | 20 | 0.1 | 5 | 3.5 | 20 | 0.4 | 7 | 11 | 80 | CAD | 请求报价 |
| PAE14-10LHAD-A | M14 | 1 | 82 | 3 | 8 | 4 | - | 9.7 | 20 | - | 110 | 6 | 17 | 10 | 加长型 | 刮擦器(防水用) | 没有头部 | 34 | 34 | 50000 | 20 | 0.1 | 5 | 3.5 | 20 | 0.4 | 7 | 11 | 74 | CAD | 请求报价 |
| PAE14-10LHAS-A | M14 | 1 | 82 | 3 | 8 | 12 | 8.5 | 9.7 | 20 | 29 | 119 | 6 | 17 | 10 | 加长型 | 刮擦器(防水用) | 带头 | 34 | 34 | 50000 | 20 | 0.1 | 5 | 3.5 | 20 | 0.4 | 7 | 11 | 81 | CAD | 请求报价 |
| PAE14-10LHAK-A | M14 | 1 | 82 | 3 | 8 | 12 | 8.5 | 9.7 | 20 | 29 | 119 | 6 | 17 | 10 | 加长型 | 刮擦器(防水用) | 带垫+带头 | 34 | 34 | 50000 | 20 | 0.1 | 5 | 3.5 | 20 | 0.4 | 7 | 11 | 80 | CAD | 请求报价 |
| PAE14-15NHDD-A | M14 | 1.5 | 63 | 3 | 8 | 4 | - | 9.7 | 12 | - | 83 | 6 | 17 | 10 | 标准 | 没有保护机构 | 没有头部 | 34 | 34 | 50000 | 12 | 0.1 | 5 | 3.5 | 20 | 0.3 | 7 | 11 | 54 | CAD | 请求报价 |
| PAE14-15NHDS-A | M14 | 1.5 | 63 | 3 | 8 | 12 | 8.5 | 9.7 | 12 | 21 | 92 | 6 | 17 | 10 | 标准 | 没有保护机构 | 带头 | 34 | 34 | 50000 | 12 | 0.1 | 5 | 3.5 | 20 | 0.3 | 7 | 11 | 61 | CAD | 请求报价 |
| PAE14-15NHDK-A | M14 | 1.5 | 63 | 3 | 8 | 12 | 8.5 | 9.7 | 12 | 21 | 92 | 6 | 17 | 10 | 标准 | 没有保护机构 | 带垫+带头 | 34 | 34 | 50000 | 12 | 0.1 | 5 | 3.5 | 20 | 0.3 | 7 | 11 | 60 | CAD | 请求报价 |
| PAE14-15NHFD-A | M14 | 1.5 | 63 | 3 | 8 | 4 | - | 9.7 | 12 | - | 83 | 6 | 17 | 10 | 标准 | 毡环(防尘用) | 没有头部 | 34 | 34 | 50000 | 12 | 0.1 | 5 | 3.5 | 20 | 0.3 | 7 | 11 | 54 | CAD | 请求报价 |
| PAE14-15NHFS-A | M14 | 1.5 | 63 | 3 | 8 | 12 | 8.5 | 9.7 | 12 | 21 | 92 | 6 | 17 | 10 | 标准 | 毡环(防尘用) | 带头 | 34 | 34 | 50000 | 12 | 0.1 | 5 | 3.5 | 20 | 0.3 | 7 | 11 | 61 | CAD | 请求报价 |
| PAE14-15NHFK-A | M14 | 1.5 | 63 | 3 | 8 | 12 | 8.5 | 9.7 | 12 | 21 | 92 | 6 | 17 | 10 | 标准 | 毡环(防尘用) | 带垫+带头 | 34 | 34 | 50000 | 12 | 0.1 | 5 | 3.5 | 20 | 0.3 | 7 | 11 | 60 | CAD | 请求报价 |
| PAE14-15NHAD-A | M14 | 1.5 | 63 | 3 | 8 | 4 | - | 9.7 | 12 | - | 83 | 6 | 17 | 10 | 标准 | 刮擦器(防水用) | 没有头部 | 34 | 34 | 50000 | 12 | 0.1 | 5 | 3.5 | 20 | 0.3 | 7 | 11 | 54 | CAD | 请求报价 |
| PAE14-15NHAS-A | M14 | 1.5 | 63 | 3 | 8 | 12 | 8.5 | 9.7 | 12 | 21 | 92 | 6 | 17 | 10 | 标准 | 刮擦器(防水用) | 带头 | 34 | 34 | 50000 | 12 | 0.1 | 5 | 3.5 | 20 | 0.3 | 7 | 11 | 61 | CAD | 请求报价 |
| PAE14-15NHAK-A | M14 | 1.5 | 63 | 3 | 8 | 12 | 8.5 | 9.7 | 12 | 21 | 92 | 6 | 17 | 10 | 标准 | 刮擦器(防水用) | 带垫+带头 | 34 | 34 | 50000 | 12 | 0.1 | 5 | 3.5 | 20 | 0.3 | 7 | 11 | 60 | CAD | 请求报价 |
| PAE14-15NHBS-A | M14 | 1.5 | 55 | 3 | 8 | 19 | 8.5 | 9.7 | 12 | 35.5 | 98.5 | 6 | 17 | 10 | 标准 | 波纹管盖 | 带头 | 34 | 34 | 50000 | 12 | 0.1 | 5 | 3.5 | 20 | 0.3 | 7 | 20 | 65 | CAD | 请求报价 |
| PAE14-15NHBK-A | M14 | 1.5 | 55 | 3 | 8 | 19 | 8.5 | 9.7 | 12 | 35.5 | 98.5 | 6 | 17 | 10 | 标准 | 波纹管盖 | 带垫+带头 | 34 | 34 | 50000 | 12 | 0.1 | 5 | 3.5 | 20 | 0.3 | 7 | 20 | 65 | CAD | 请求报价 |
| PAE14-15LHDD-A | M14 | 1.5 | 82 | 3 | 8 | 4 | - | 9.7 | 20 | - | 110 | 6 | 17 | 10 | 加长型 | 没有保护机构 | 没有头部 | 34 | 34 | 50000 | 20 | 0.1 | 5 | 3.5 | 20 | 0.4 | 7 | 11 | 71 | CAD | 请求报价 |
| PAE14-15LHDS-A | M14 | 1.5 | 82 | 3 | 8 | 12 | 8.5 | 9.7 | 20 | 29 | 119 | 6 | 17 | 10 | 加长型 | 没有保护机构 | 带头 | 34 | 34 | 50000 | 20 | 0.1 | 5 | 3.5 | 20 | 0.4 | 7 | 11 | 78 | CAD | 请求报价 |
| PAE14-15LHDK-A | M14 | 1.5 | 82 | 3 | 8 | 12 | 8.5 | 9.7 | 20 | 29 | 119 | 6 | 17 | 10 | 加长型 | 没有保护机构 | 带垫+带头 | 34 | 34 | 50000 | 20 | 0.1 | 5 | 3.5 | 20 | 0.4 | 7 | 11 | 77 | CAD | 请求报价 |
| PAE14-15LHFD-A | M14 | 1.5 | 82 | 3 | 8 | 4 | - | 9.7 | 20 | - | 110 | 6 | 17 | 10 | 加长型 | 毡环(防尘用) | 没有头部 | 34 | 34 | 50000 | 20 | 0.1 | 5 | 3.5 | 20 | 0.4 | 7 | 11 | 71 | CAD | 请求报价 |
| PAE14-15LHFS-A | M14 | 1.5 | 82 | 3 | 8 | 12 | 8.5 | 9.7 | 20 | 29 | 119 | 6 | 17 | 10 | 加长型 | 毡环(防尘用) | 带头 | 34 | 34 | 50000 | 20 | 0.1 | 5 | 3.5 | 20 | 0.4 | 7 | 11 | 78 | CAD | 请求报价 |
| PAE14-15LHFK-A | M14 | 1.5 | 82 | 3 | 8 | 12 | 8.5 | 9.7 | 20 | 29 | 119 | 6 | 17 | 10 | 加长型 | 毡环(防尘用) | 带垫+带头 | 34 | 34 | 50000 | 20 | 0.1 | 5 | 3.5 | 20 | 0.4 | 7 | 11 | 77 | CAD | 请求报价 |
| PAE14-15LHAD-A | M14 | 1.5 | 82 | 3 | 8 | 4 | - | 9.7 | 20 | - | 110 | 6 | 17 | 10 | 加长型 | 刮擦器(防水用) | 没有头部 | 34 | 34 | 50000 | 20 | 0.1 | 5 | 3.5 | 20 | 0.4 | 7 | 11 | 71 | CAD | 请求报价 |
| PAE14-15LHAS-A | M14 | 1.5 | 82 | 3 | 8 | 12 | 8.5 | 9.7 | 20 | 29 | 119 | 6 | 17 | 10 | 加长型 | 刮擦器(防水用) | 带头 | 34 | 34 | 50000 | 20 | 0.1 | 5 | 3.5 | 20 | 0.4 | 7 | 11 | 78 | CAD | 请求报价 |
| PAE14-15LHAK-A | M14 | 1.5 | 82 | 3 | 8 | 12 | 8.5 | 9.7 | 20 | 29 | 119 | 6 | 17 | 10 | 加长型 | 刮擦器(防水用) | 带垫+带头 | 34 | 34 | 50000 | 20 | 0.1 | 5 | 3.5 | 20 | 0.4 | 7 | 11 | 77 | CAD | 请求报价 |
| PAE16-10NHDD-A | M16 | 1 | 63 | 3 | 8 | 4 | - | 9.7 | 12 | - | 83 | 6 | 19 | 10 | 标准 | 没有保护机构 | 没有头部 | 34 | 34 | 50000 | 12 | 0.1 | 5 | 3.5 | 20 | 0.3 | 7 | 11 | 78 | CAD | 请求报价 |
| PAE16-10NHDS-A | M16 | 1 | 63 | 3 | 8 | 12 | 8.5 | 9.7 | 12 | 21 | 92 | 6 | 19 | 10 | 标准 | 没有保护机构 | 带头 | 34 | 34 | 50000 | 12 | 0.1 | 5 | 3.5 | 20 | 0.3 | 7 | 11 | 85 | CAD | 请求报价 |
| PAE16-10NHDK-A | M16 | 1 | 63 | 3 | 8 | 12 | 8.5 | 9.7 | 12 | 21 | 92 | 6 | 19 | 10 | 标准 | 没有保护机构 | 带垫+带头 | 34 | 34 | 50000 | 12 | 0.1 | 5 | 3.5 | 20 | 0.3 | 7 | 11 | 84 | CAD | 请求报价 |
| PAE16-10NHFD-A | M16 | 1 | 63 | 3 | 8 | 4 | - | 9.7 | 12 | - | 83 | 6 | 19 | 10 | 标准 | 毡环(防尘用) | 没有头部 | 34 | 34 | 50000 | 12 | 0.1 | 5 | 3.5 | 20 | 0.3 | 7 | 11 | 78 | CAD | 请求报价 |
| PAE16-10NHFS-A | M16 | 1 | 63 | 3 | 8 | 12 | 8.5 | 9.7 | 12 | 21 | 92 | 6 | 19 | 10 | 标准 | 毡环(防尘用) | 带头 | 34 | 34 | 50000 | 12 | 0.1 | 5 | 3.5 | 20 | 0.3 | 7 | 11 | 85 | CAD | 请求报价 |
| PAE16-10NHFK-A | M16 | 1 | 63 | 3 | 8 | 12 | 8.5 | 9.7 | 12 | 21 | 92 | 6 | 19 | 10 | 标准 | 毡环(防尘用) | 带垫+带头 | 34 | 34 | 50000 | 12 | 0.1 | 5 | 3.5 | 20 | 0.3 | 7 | 11 | 84 | CAD | 请求报价 |
| PAE16-10NHAD-A | M16 | 1 | 63 | 3 | 8 | 4 | - | 9.7 | 12 | - | 83 | 6 | 19 | 10 | 标准 | 刮擦器(防水用) | 没有头部 | 34 | 34 | 50000 | 12 | 0.1 | 5 | 3.5 | 20 | 0.3 | 7 | 11 | 78 | CAD | 请求报价 |
| PAE16-10NHAS-A | M16 | 1 | 63 | 3 | 8 | 12 | 8.5 | 9.7 | 12 | 21 | 92 | 6 | 19 | 10 | 标准 | 刮擦器(防水用) | 带头 | 34 | 34 | 50000 | 12 | 0.1 | 5 | 3.5 | 20 | 0.3 | 7 | 11 | 85 | CAD | 请求报价 |
| PAE16-10NHAK-A | M16 | 1 | 63 | 3 | 8 | 12 | 8.5 | 9.7 | 12 | 21 | 92 | 6 | 19 | 10 | 标准 | 刮擦器(防水用) | 带垫+带头 | 34 | 34 | 50000 | 12 | 0.1 | 5 | 3.5 | 20 | 0.3 | 7 | 11 | 84 | CAD | 请求报价 |
| PAE16-10LHDD-A | M16 | 1 | 82 | 3 | 8 | 4 | - | 9.7 | 20 | - | 110 | 6 | 19 | 10 | 加长型 | 没有保护机构 | 没有头部 | 34 | 34 | 50000 | 20 | 0.1 | 5 | 3.5 | 20 | 0.4 | 7 | 11 | 103 | CAD | 请求报价 |
| PAE16-10LHDS-A | M16 | 1 | 82 | 3 | 8 | 12 | 8.5 | 9.7 | 20 | 29 | 119 | 6 | 19 | 10 | 加长型 | 没有保护机构 | 带头 | 34 | 34 | 50000 | 20 | 0.1 | 5 | 3.5 | 20 | 0.4 | 7 | 11 | 110 | CAD | 请求报价 |
| PAE16-10LHDK-A | M16 | 1 | 82 | 3 | 8 | 12 | 8.5 | 9.7 | 20 | 29 | 119 | 6 | 19 | 10 | 加长型 | 没有保护机构 | 带垫+带头 | 34 | 34 | 50000 | 20 | 0.1 | 5 | 3.5 | 20 | 0.4 | 7 | 11 | 109 | CAD | 请求报价 |
| PAE16-10LHFD-A | M16 | 1 | 82 | 3 | 8 | 4 | - | 9.7 | 20 | - | 110 | 6 | 19 | 10 | 加长型 | 毡环(防尘用) | 没有头部 | 34 | 34 | 50000 | 20 | 0.1 | 5 | 3.5 | 20 | 0.4 | 7 | 11 | 103 | CAD | 请求报价 |
| PAE16-10LHFS-A | M16 | 1 | 82 | 3 | 8 | 12 | 8.5 | 9.7 | 20 | 29 | 119 | 6 | 19 | 10 | 加长型 | 毡环(防尘用) | 带头 | 34 | 34 | 50000 | 20 | 0.1 | 5 | 3.5 | 20 | 0.4 | 7 | 11 | 110 | CAD | 请求报价 |
| PAE16-10LHFK-A | M16 | 1 | 82 | 3 | 8 | 12 | 8.5 | 9.7 | 20 | 29 | 119 | 6 | 19 | 10 | 加长型 | 毡环(防尘用) | 带垫+带头 | 34 | 34 | 50000 | 20 | 0.1 | 5 | 3.5 | 20 | 0.4 | 7 | 11 | 109 | CAD | 请求报价 |
| PAE16-10LHAD-A | M16 | 1 | 82 | 3 | 8 | 4 | - | 9.7 | 20 | - | 110 | 6 | 19 | 10 | 加长型 | 刮擦器(防水用) | 没有头部 | 34 | 34 | 50000 | 20 | 0.1 | 5 | 3.5 | 20 | 0.4 | 7 | 11 | 103 | CAD | 请求报价 |
| PAE16-10LHAS-A | M16 | 1 | 82 | 3 | 8 | 12 | 8.5 | 9.7 | 20 | 29 | 119 | 6 | 19 | 10 | 加长型 | 刮擦器(防水用) | 带头 | 34 | 34 | 50000 | 20 | 0.1 | 5 | 3.5 | 20 | 0.4 | 7 | 11 | 110 | CAD | 请求报价 |
| PAE16-10LHAK-A | M16 | 1 | 82 | 3 | 8 | 12 | 8.5 | 9.7 | 20 | 29 | 119 | 6 | 19 | 10 | 加长型 | 刮擦器(防水用) | 带垫+带头 | 34 | 34 | 50000 | 20 | 0.1 | 5 | 3.5 | 20 | 0.4 | 7 | 11 | 109 | CAD | 请求报价 |
| PAE16-15NHDD-A | M16 | 1.5 | 63 | 3 | 8 | 4 | - | 9.7 | 12 | - | 83 | 6 | 19 | 10 | 标准 | 没有保护机构 | 没有头部 | 34 | 34 | 50000 | 12 | 0.1 | 5 | 3.5 | 20 | 0.3 | 7 | 11 | 76 | CAD | 请求报价 |
| PAE16-15NHDS-A | M16 | 1.5 | 63 | 3 | 8 | 12 | 8.5 | 9.7 | 12 | 21 | 92 | 6 | 19 | 10 | 标准 | 没有保护机构 | 带头 | 34 | 34 | 50000 | 12 | 0.1 | 5 | 3.5 | 20 | 0.3 | 7 | 11 | 83 | CAD | 请求报价 |
| PAE16-15NHDK-A | M16 | 1.5 | 63 | 3 | 8 | 12 | 8.5 | 9.7 | 12 | 21 | 92 | 6 | 19 | 10 | 标准 | 没有保护机构 | 带垫+带头 | 34 | 34 | 50000 | 12 | 0.1 | 5 | 3.5 | 20 | 0.3 | 7 | 11 | 82 | CAD | 请求报价 |
| PAE16-15NHFD-A | M16 | 1.5 | 63 | 3 | 8 | 4 | - | 9.7 | 12 | - | 83 | 6 | 19 | 10 | 标准 | 毡环(防尘用) | 没有头部 | 34 | 34 | 50000 | 12 | 0.1 | 5 | 3.5 | 20 | 0.3 | 7 | 11 | 76 | CAD | 请求报价 |
| PAE16-15NHFS-A | M16 | 1.5 | 63 | 3 | 8 | 12 | 8.5 | 9.7 | 12 | 21 | 92 | 6 | 19 | 10 | 标准 | 毡环(防尘用) | 带头 | 34 | 34 | 50000 | 12 | 0.1 | 5 | 3.5 | 20 | 0.3 | 7 | 11 | 83 | CAD | 请求报价 |
| PAE16-15NHFK-A | M16 | 1.5 | 63 | 3 | 8 | 12 | 8.5 | 9.7 | 12 | 21 | 92 | 6 | 19 | 10 | 标准 | 毡环(防尘用) | 带垫+带头 | 34 | 34 | 50000 | 12 | 0.1 | 5 | 3.5 | 20 | 0.3 | 7 | 11 | 82 | CAD | 请求报价 |
| PAE16-15NHAD-A | M16 | 1.5 | 63 | 3 | 8 | 4 | - | 9.7 | 12 | - | 83 | 6 | 19 | 10 | 标准 | 刮擦器(防水用) | 没有头部 | 34 | 34 | 50000 | 12 | 0.1 | 5 | 3.5 | 20 | 0.3 | 7 | 11 | 76 | CAD | 请求报价 |
| PAE16-15NHAS-A | M16 | 1.5 | 63 | 3 | 8 | 12 | 8.5 | 9.7 | 12 | 21 | 92 | 6 | 19 | 10 | 标准 | 刮擦器(防水用) | 带头 | 34 | 34 | 50000 | 12 | 0.1 | 5 | 3.5 | 20 | 0.3 | 7 | 11 | 83 | CAD | 请求报价 |
| PAE16-15NHAK-A | M16 | 1.5 | 63 | 3 | 8 | 12 | 8.5 | 9.7 | 12 | 21 | 92 | 6 | 19 | 10 | 标准 | 刮擦器(防水用) | 带垫+带头 | 34 | 34 | 50000 | 12 | 0.1 | 5 | 3.5 | 20 | 0.3 | 7 | 11 | 82 | CAD | 请求报价 |
| PAE16-15LHDD-A | M16 | 1.5 | 82 | 3 | 8 | 4 | - | 9.7 | 20 | - | 110 | 6 | 19 | 10 | 加长型 | 没有保护机构 | 没有头部 | 34 | 34 | 50000 | 20 | 0.1 | 5 | 3.5 | 20 | 0.4 | 7 | 11 | 100 | CAD | 请求报价 |
| PAE16-15LHDS-A | M16 | 1.5 | 82 | 3 | 8 | 12 | 8.5 | 9.7 | 20 | 29 | 119 | 6 | 19 | 10 | 加长型 | 没有保护机构 | 带头 | 34 | 34 | 50000 | 20 | 0.1 | 5 | 3.5 | 20 | 0.4 | 7 | 11 | 107 | CAD | 请求报价 |
| PAE16-15LHDK-A | M16 | 1.5 | 82 | 3 | 8 | 12 | 8.5 | 9.7 | 20 | 29 | 119 | 6 | 19 | 10 | 加长型 | 没有保护机构 | 带垫+带头 | 34 | 34 | 50000 | 20 | 0.1 | 5 | 3.5 | 20 | 0.4 | 7 | 11 | 106 | CAD | 请求报价 |
| PAE16-15LHFD-A | M16 | 1.5 | 82 | 3 | 8 | 4 | - | 9.7 | 20 | - | 110 | 6 | 19 | 10 | 加长型 | 毡环(防尘用) | 没有头部 | 34 | 34 | 50000 | 20 | 0.1 | 5 | 3.5 | 20 | 0.4 | 7 | 11 | 100 | CAD | 请求报价 |
| PAE16-15LHFS-A | M16 | 1.5 | 82 | 3 | 8 | 12 | 8.5 | 9.7 | 20 | 29 | 119 | 6 | 19 | 10 | 加长型 | 毡环(防尘用) | 带头 | 34 | 34 | 50000 | 20 | 0.1 | 5 | 3.5 | 20 | 0.4 | 7 | 11 | 107 | CAD | 请求报价 |
| PAE16-15LHFK-A | M16 | 1.5 | 82 | 3 | 8 | 12 | 8.5 | 9.7 | 20 | 29 | 119 | 6 | 19 | 10 | 加长型 | 毡环(防尘用) | 带垫+带头 | 34 | 34 | 50000 | 20 | 0.1 | 5 | 3.5 | 20 | 0.4 | 7 | 11 | 106 | CAD | 请求报价 |
| PAE16-15LHAD-A | M16 | 1.5 | 82 | 3 | 8 | 4 | - | 9.7 | 20 | - | 110 | 6 | 19 | 10 | 加长型 | 刮擦器(防水用) | 没有头部 | 34 | 34 | 50000 | 20 | 0.1 | 5 | 3.5 | 20 | 0.4 | 7 | 11 | 100 | CAD | 请求报价 |
| PAE16-15LHAS-A | M16 | 1.5 | 82 | 3 | 8 | 12 | 8.5 | 9.7 | 20 | 29 | 119 | 6 | 19 | 10 | 加长型 | 刮擦器(防水用) | 带头 | 34 | 34 | 50000 | 20 | 0.1 | 5 | 3.5 | 20 | 0.4 | 7 | 11 | 107 | CAD | 请求报价 |
| PAE16-15LHAK-A | M16 | 1.5 | 82 | 3 | 8 | 12 | 8.5 | 9.7 | 20 | 29 | 119 | 6 | 19 | 10 | 加长型 | 刮擦器(防水用) | 带垫+带头 | 34 | 34 | 50000 | 20 | 0.1 | 5 | 3.5 | 20 | 0.4 | 7 | 11 | 106 | CAD | 请求报价 |
| PAE20-15NHDD-A | M20 | 1.5 | 74 | 3.5 | 10 | 6 | - | 13.7 | 15 | - | 99 | 8 | 24 | 14 | 标准 | 没有保护机构 | 没有头部 | 80 | 80 | 90000 | 15 | 0.1 | 5 | 10 | 40 | 0.3 | 16 | 26 | 130 | CAD | 请求报价 |
| PAE20-15NHDS-A | M20 | 1.5 | 74 | 3.5 | 10 | 18 | 13 | 13.7 | 15 | 25 | 109 | 8 | 24 | 14 | 标准 | 没有保护机构 | 带头 | 80 | 80 | 90000 | 15 | 0.1 | 5 | 10 | 40 | 0.3 | 16 | 26 | 140 | CAD | 请求报价 |
| PAE20-15NHDK-A | M20 | 1.5 | 74 | 3.5 | 10 | 18 | 13 | 13.7 | 15 | 25 | 109 | 8 | 24 | 14 | 标准 | 没有保护机构 | 带垫+带头 | 80 | 80 | 90000 | 15 | 0.1 | 5 | 10 | 40 | 0.3 | 16 | 26 | 140 | CAD | 请求报价 |
| PAE20-15NHFD-A | M20 | 1.5 | 74 | 3.5 | 10 | 6 | - | 13.7 | 15 | - | 99 | 8 | 24 | 14 | 标准 | 毡环(防尘用) | 没有头部 | 80 | 80 | 90000 | 15 | 0.1 | 5 | 10 | 40 | 0.3 | 16 | 26 | 130 | CAD | 请求报价 |
| PAE20-15NHFS-A | M20 | 1.5 | 74 | 3.5 | 10 | 18 | 13 | 13.7 | 15 | 25 | 109 | 8 | 24 | 14 | 标准 | 毡环(防尘用) | 带头 | 80 | 80 | 90000 | 15 | 0.1 | 5 | 10 | 40 | 0.3 | 16 | 26 | 140 | CAD | 请求报价 |
| PAE20-15NHFK-A | M20 | 1.5 | 74 | 3.5 | 10 | 18 | 13 | 13.7 | 15 | 25 | 109 | 8 | 24 | 14 | 标准 | 毡环(防尘用) | 带垫+带头 | 80 | 80 | 90000 | 15 | 0.1 | 5 | 10 | 40 | 0.3 | 16 | 26 | 140 | CAD | 请求报价 |
| PAE20-15NHAD-A | M20 | 1.5 | 74 | 3.5 | 10 | 6 | - | 13.7 | 15 | - | 99 | 8 | 24 | 14 | 标准 | 刮擦器(防水用) | 没有头部 | 80 | 80 | 90000 | 15 | 0.1 | 5 | 10 | 40 | 0.3 | 16 | 26 | 130 | CAD | 请求报价 |
| PAE20-15NHAS-A | M20 | 1.5 | 74 | 3.5 | 10 | 18 | 13 | 13.7 | 15 | 25 | 109 | 8 | 24 | 14 | 标准 | 刮擦器(防水用) | 带头 | 80 | 80 | 90000 | 15 | 0.1 | 5 | 10 | 40 | 0.3 | 16 | 26 | 140 | CAD | 请求报价 |
| PAE20-15NHAK-A | M20 | 1.5 | 74 | 3.5 | 10 | 18 | 13 | 13.7 | 15 | 25 | 109 | 8 | 24 | 14 | 标准 | 刮擦器(防水用) | 带垫+带头 | 80 | 80 | 90000 | 15 | 0.1 | 5 | 10 | 40 | 0.3 | 16 | 26 | 140 | CAD | 请求报价 |
| PAE20-15NHBS-A | M20 | 1.5 | 64 | 3.5 | 10 | 25 | 13 | 13.7 | 15 | 44 | 118 | 8 | 24 | 14 | 标准 | 波纹管盖 | 带头 | 80 | 80 | 90000 | 15 | 0.1 | 5 | 10 | 40 | 0.3 | 16 | 62 | 164 | CAD | 请求报价 |
| PAE20-15NHBK-A | M20 | 1.5 | 64 | 3.5 | 10 | 25 | 13 | 13.7 | 15 | 44 | 118 | 8 | 24 | 14 | 标准 | 波纹管盖 | 带垫+带头 | 80 | 80 | 90000 | 15 | 0.1 | 5 | 10 | 40 | 0.3 | 16 | 62 | 164 | CAD | 请求报价 |
| PAE20-15LHDD-A | M20 | 1.5 | 96 | 3.5 | 10 | 6 | - | 13.7 | 25 | - | 131 | 8 | 24 | 14 | 加长型 | 没有保护机构 | 没有头部 | 80 | 80 | 90000 | 25 | 0.1 | 5 | 10 | 40 | 0.5 | 16 | 26 | 160 | CAD | 请求报价 |
| PAE20-15LHDS-A | M20 | 1.5 | 96 | 3.5 | 10 | 18 | 13 | 13.7 | 25 | 35 | 141 | 8 | 24 | 14 | 加长型 | 没有保护机构 | 带头 | 80 | 80 | 90000 | 25 | 0.1 | 5 | 10 | 40 | 0.5 | 16 | 26 | 180 | CAD | 请求报价 |
| PAE20-15LHDK-A | M20 | 1.5 | 96 | 3.5 | 10 | 18 | 13 | 13.7 | 25 | 35 | 141 | 8 | 24 | 14 | 加长型 | 没有保护机构 | 带垫+带头 | 80 | 80 | 90000 | 25 | 0.1 | 5 | 10 | 40 | 0.5 | 16 | 26 | 180 | CAD | 请求报价 |
| PAE20-15LHFD-A | M20 | 1.5 | 96 | 3.5 | 10 | 6 | - | 13.7 | 25 | - | 131 | 8 | 24 | 14 | 加长型 | 毡环(防尘用) | 没有头部 | 80 | 80 | 90000 | 25 | 0.1 | 5 | 10 | 40 | 0.5 | 16 | 26 | 160 | CAD | 请求报价 |
| PAE20-15LHFS-A | M20 | 1.5 | 96 | 3.5 | 10 | 18 | 13 | 13.7 | 25 | 35 | 141 | 8 | 24 | 14 | 加长型 | 毡环(防尘用) | 带头 | 80 | 80 | 90000 | 25 | 0.1 | 5 | 10 | 40 | 0.5 | 16 | 26 | 180 | CAD | 请求报价 |
| PAE20-15LHFK-A | M20 | 1.5 | 96 | 3.5 | 10 | 18 | 13 | 13.7 | 25 | 35 | 141 | 8 | 24 | 14 | 加长型 | 毡环(防尘用) | 带垫+带头 | 80 | 80 | 90000 | 25 | 0.1 | 5 | 10 | 40 | 0.5 | 16 | 26 | 180 | CAD | 请求报价 |
| PAE20-15LHAD-A | M20 | 1.5 | 96 | 3.5 | 10 | 6 | - | 13.7 | 25 | - | 131 | 8 | 24 | 14 | 加长型 | 刮擦器(防水用) | 没有头部 | 80 | 80 | 90000 | 25 | 0.1 | 5 | 10 | 40 | 0.5 | 16 | 26 | 160 | CAD | 请求报价 |
| PAE20-15LHAS-A | M20 | 1.5 | 96 | 3.5 | 10 | 18 | 13 | 13.7 | 25 | 35 | 141 | 8 | 24 | 14 | 加长型 | 刮擦器(防水用) | 带头 | 80 | 80 | 90000 | 25 | 0.1 | 5 | 10 | 40 | 0.5 | 16 | 26 | 180 | CAD | 请求报价 |
| PAE20-15LHAK-A | M20 | 1.5 | 96 | 3.5 | 10 | 18 | 13 | 13.7 | 25 | 35 | 141 | 8 | 24 | 14 | 加长型 | 刮擦器(防水用) | 带垫+带头 | 80 | 80 | 90000 | 25 | 0.1 | 5 | 10 | 40 | 0.5 | 16 | 26 | 180 | CAD | 请求报价 |
| PAE22-15NHDD-A | M22 | 1.5 | 74 | 3.5 | 10 | 6 | - | 13.7 | 15 | - | 99 | 8 | 27 | 14 | 标准 | 没有保护机构 | 没有头部 | 80 | 80 | 90000 | 15 | 0.1 | 5 | 10 | 40 | 0.3 | 16 | 26 | 170 | CAD | 请求报价 |
| PAE22-15NHDS-A | M22 | 1.5 | 74 | 3.5 | 10 | 18 | 13 | 13.7 | 15 | 25 | 109 | 8 | 27 | 14 | 标准 | 没有保护机构 | 带头 | 80 | 80 | 90000 | 15 | 0.1 | 5 | 10 | 40 | 0.3 | 16 | 26 | 180 | CAD | 请求报价 |
| PAE22-15NHDK-A | M22 | 1.5 | 74 | 3.5 | 10 | 18 | 13 | 13.7 | 15 | 25 | 109 | 8 | 27 | 14 | 标准 | 没有保护机构 | 带垫+带头 | 80 | 80 | 90000 | 15 | 0.1 | 5 | 10 | 40 | 0.3 | 16 | 26 | 180 | CAD | 请求报价 |
| PAE22-15NHFD-A | M22 | 1.5 | 74 | 3.5 | 10 | 6 | - | 13.7 | 15 | - | 99 | 8 | 27 | 14 | 标准 | 毡环(防尘用) | 没有头部 | 80 | 80 | 90000 | 15 | 0.1 | 5 | 10 | 40 | 0.3 | 16 | 26 | 170 | CAD | 请求报价 |
| PAE22-15NHFS-A | M22 | 1.5 | 74 | 3.5 | 10 | 18 | 13 | 13.7 | 15 | 25 | 109 | 8 | 27 | 14 | 标准 | 毡环(防尘用) | 带头 | 80 | 80 | 90000 | 15 | 0.1 | 5 | 10 | 40 | 0.3 | 16 | 26 | 180 | CAD | 请求报价 |
| PAE22-15NHFK-A | M22 | 1.5 | 74 | 3.5 | 10 | 18 | 13 | 13.7 | 15 | 25 | 109 | 8 | 27 | 14 | 标准 | 毡环(防尘用) | 带垫+带头 | 80 | 80 | 90000 | 15 | 0.1 | 5 | 10 | 40 | 0.3 | 16 | 26 | 180 | CAD | 请求报价 |
| PAE22-15NHAD-A | M22 | 1.5 | 74 | 3.5 | 10 | 6 | - | 13.7 | 15 | - | 99 | 8 | 27 | 14 | 标准 | 刮擦器(防水用) | 没有头部 | 80 | 80 | 90000 | 15 | 0.1 | 5 | 10 | 40 | 0.3 | 16 | 26 | 170 | CAD | 请求报价 |
| PAE22-15NHAS-A | M22 | 1.5 | 74 | 3.5 | 10 | 18 | 13 | 13.7 | 15 | 25 | 109 | 8 | 27 | 14 | 标准 | 刮擦器(防水用) | 带头 | 80 | 80 | 90000 | 15 | 0.1 | 5 | 10 | 40 | 0.3 | 16 | 26 | 180 | CAD | 请求报价 |
| PAE22-15NHAK-A | M22 | 1.5 | 74 | 3.5 | 10 | 18 | 13 | 13.7 | 15 | 25 | 109 | 8 | 27 | 14 | 标准 | 刮擦器(防水用) | 带垫+带头 | 80 | 80 | 90000 | 15 | 0.1 | 5 | 10 | 40 | 0.3 | 16 | 26 | 180 | CAD | 请求报价 |
| PAE22-15LHDD-A | M22 | 1.5 | 96 | 3.5 | 10 | 6 | - | 13.7 | 25 | - | 131 | 8 | 27 | 14 | 加长型 | 没有保护机构 | 没有头部 | 80 | 80 | 90000 | 25 | 0.1 | 5 | 10 | 40 | 0.5 | 16 | 26 | 210 | CAD | 请求报价 |
| PAE22-15LHDS-A | M22 | 1.5 | 96 | 3.5 | 10 | 18 | 13 | 13.7 | 25 | 35 | 141 | 8 | 27 | 14 | 加长型 | 没有保护机构 | 带头 | 80 | 80 | 90000 | 25 | 0.1 | 5 | 10 | 40 | 0.5 | 16 | 26 | 230 | CAD | 请求报价 |
| PAE22-15LHDK-A | M22 | 1.5 | 96 | 3.5 | 10 | 18 | 13 | 13.7 | 25 | 35 | 141 | 8 | 27 | 14 | 加长型 | 没有保护机构 | 带垫+带头 | 80 | 80 | 90000 | 25 | 0.1 | 5 | 10 | 40 | 0.5 | 16 | 26 | 230 | CAD | 请求报价 |
| PAE22-15LHFD-A | M22 | 1.5 | 96 | 3.5 | 10 | 6 | - | 13.7 | 25 | - | 131 | 8 | 27 | 14 | 加长型 | 毡环(防尘用) | 没有头部 | 80 | 80 | 90000 | 25 | 0.1 | 5 | 10 | 40 | 0.5 | 16 | 26 | 210 | CAD | 请求报价 |
| PAE22-15LHFS-A | M22 | 1.5 | 96 | 3.5 | 10 | 18 | 13 | 13.7 | 25 | 35 | 141 | 8 | 27 | 14 | 加长型 | 毡环(防尘用) | 带头 | 80 | 80 | 90000 | 25 | 0.1 | 5 | 10 | 40 | 0.5 | 16 | 26 | 230 | CAD | 请求报价 |
| PAE22-15LHFK-A | M22 | 1.5 | 96 | 3.5 | 10 | 18 | 13 | 13.7 | 25 | 35 | 141 | 8 | 27 | 14 | 加长型 | 毡环(防尘用) | 带垫+带头 | 80 | 80 | 90000 | 25 | 0.1 | 5 | 10 | 40 | 0.5 | 16 | 26 | 230 | CAD | 请求报价 |
| PAE22-15LHAD-A | M22 | 1.5 | 96 | 3.5 | 10 | 6 | - | 13.7 | 25 | - | 131 | 8 | 27 | 14 | 加长型 | 刮擦器(防水用) | 没有头部 | 80 | 80 | 90000 | 25 | 0.1 | 5 | 10 | 40 | 0.5 | 16 | 26 | 210 | CAD | 请求报价 |
| PAE22-15LHAS-A | M22 | 1.5 | 96 | 3.5 | 10 | 18 | 13 | 13.7 | 25 | 35 | 141 | 8 | 27 | 14 | 加长型 | 刮擦器(防水用) | 带头 | 80 | 80 | 90000 | 25 | 0.1 | 5 | 10 | 40 | 0.5 | 16 | 26 | 230 | CAD | 请求报价 |
| PAE22-15LHAK-A | M22 | 1.5 | 96 | 3.5 | 10 | 18 | 13 | 13.7 | 25 | 35 | 141 | 8 | 27 | 14 | 加长型 | 刮擦器(防水用) | 带垫+带头 | 80 | 80 | 90000 | 25 | 0.1 | 5 | 10 | 40 | 0.5 | 16 | 26 | 230 | CAD | 请求报价 |
| PAE25-15NHDD-A | M25 | 1.5 | 107 | 4 | 13 | 8 | - | 18.6 | 25 | - | 145 | 10 | 30 | 19 | 标准 | 没有保护机构 | 没有头部 | 230 | 230 | 120000 | 25 | 0.1 | 5 | 17 | 60 | 0.4 | 26 | 45 | 300 | CAD | 请求报价 |
| PAE25-15NHDS-A | M25 | 1.5 | 107 | 4 | 13 | 23 | 17 | 18.6 | 25 | 38 | 158 | 10 | 30 | 19 | 标准 | 没有保护机构 | 带头 | 230 | 230 | 120000 | 25 | 0.1 | 5 | 17 | 60 | 0.4 | 26 | 45 | 340 | CAD | 请求报价 |
| PAE25-15NHDK-A | M25 | 1.5 | 107 | 4 | 13 | 23 | 17 | 18.6 | 25 | 38 | 158 | 10 | 30 | 19 | 标准 | 没有保护机构 | 带垫+带头 | 230 | 230 | 120000 | 25 | 0.1 | 5 | 17 | 60 | 0.4 | 26 | 45 | 340 | CAD | 请求报价 |
| PAE25-15NHFD-A | M25 | 1.5 | 107 | 4 | 13 | 8 | - | 18.6 | 25 | - | 145 | 10 | 30 | 19 | 标准 | 毡环(防尘用) | 没有头部 | 230 | 230 | 120000 | 25 | 0.1 | 5 | 17 | 60 | 0.4 | 26 | 45 | 300 | CAD | 请求报价 |
| PAE25-15NHFS-A | M25 | 1.5 | 107 | 4 | 13 | 23 | 17 | 18.6 | 25 | 38 | 158 | 10 | 30 | 19 | 标准 | 毡环(防尘用) | 带头 | 230 | 230 | 120000 | 25 | 0.1 | 5 | 17 | 60 | 0.4 | 26 | 45 | 340 | CAD | 请求报价 |
| PAE25-15NHFK-A | M25 | 1.5 | 107 | 4 | 13 | 23 | 17 | 18.6 | 25 | 38 | 158 | 10 | 30 | 19 | 标准 | 毡环(防尘用) | 带垫+带头 | 230 | 230 | 120000 | 25 | 0.1 | 5 | 17 | 60 | 0.4 | 26 | 45 | 340 | CAD | 请求报价 |
| PAE25-15NHAD-A | M25 | 1.5 | 107 | 4 | 13 | 8 | - | 18.6 | 25 | - | 145 | 10 | 30 | 19 | 标准 | 刮擦器(防水用) | 没有头部 | 230 | 230 | 120000 | 25 | 0.1 | 5 | 17 | 60 | 0.4 | 26 | 45 | 300 | CAD | 请求报价 |
| PAE25-15NHAS-A | M25 | 1.5 | 107 | 4 | 13 | 23 | 17 | 18.6 | 25 | 38 | 158 | 10 | 30 | 19 | 标准 | 刮擦器(防水用) | 带头 | 230 | 230 | 120000 | 25 | 0.1 | 5 | 17 | 60 | 0.4 | 26 | 45 | 340 | CAD | 请求报价 |
| PAE25-15NHAK-A | M25 | 1.5 | 107 | 4 | 13 | 23 | 17 | 18.6 | 25 | 38 | 158 | 10 | 30 | 19 | 标准 | 刮擦器(防水用) | 带垫+带头 | 230 | 230 | 120000 | 25 | 0.1 | 5 | 17 | 60 | 0.4 | 26 | 45 | 340 | CAD | 请求报价 |
| PAE25-15NHBS-A | M25 | 1.5 | 94.5 | 4 | 13 | 31 | 17 | 18.6 | 25 | 59 | 166.5 | 10 | 30 | 19 | 标准 | 波纹管盖 | 带头 | 230 | 230 | 120000 | 25 | 0.1 | 5 | 17 | 60 | 0.4 | 26 | 115 | 360 | CAD | 请求报价 |
| PAE25-15NHBK-A | M25 | 1.5 | 94.5 | 4 | 13 | 31 | 17 | 18.6 | 25 | 59 | 166.5 | 10 | 30 | 19 | 标准 | 波纹管盖 | 带垫+带头 | 230 | 230 | 120000 | 25 | 0.1 | 5 | 17 | 60 | 0.4 | 26 | 115 | 360 | CAD | 请求报价 |
| PAE25-15LHDD-A | M25 | 1.5 | 142 | 4 | 13 | 8 | - | 18.6 | 40 | - | 195 | 10 | 30 | 19 | 加长型 | 没有保护机构 | 没有头部 | 230 | 230 | 120000 | 40 | 0.1 | 5 | 17 | 60 | 0.6 | 26 | 45 | 390 | CAD | 请求报价 |
| PAE25-15LHDS-A | M25 | 1.5 | 142 | 4 | 13 | 23 | 17 | 18.6 | 40 | 53 | 208 | 10 | 30 | 19 | 加长型 | 没有保护机构 | 带头 | 230 | 230 | 120000 | 40 | 0.1 | 5 | 17 | 60 | 0.6 | 26 | 45 | 430 | CAD | 请求报价 |
| PAE25-15LHDK-A | M25 | 1.5 | 142 | 4 | 13 | 23 | 17 | 18.6 | 40 | 53 | 208 | 10 | 30 | 19 | 加长型 | 没有保护机构 | 带垫+带头 | 230 | 230 | 120000 | 40 | 0.1 | 5 | 17 | 60 | 0.6 | 26 | 45 | 430 | CAD | 请求报价 |
| PAE25-15LHFD-A | M25 | 1.5 | 142 | 4 | 13 | 8 | - | 18.6 | 40 | - | 195 | 10 | 30 | 19 | 加长型 | 毡环(防尘用) | 没有头部 | 230 | 230 | 120000 | 40 | 0.1 | 5 | 17 | 60 | 0.6 | 26 | 45 | 390 | CAD | 请求报价 |
| PAE25-15LHFS-A | M25 | 1.5 | 142 | 4 | 13 | 23 | 17 | 18.6 | 40 | 53 | 208 | 10 | 30 | 19 | 加长型 | 毡环(防尘用) | 带头 | 230 | 230 | 120000 | 40 | 0.1 | 5 | 17 | 60 | 0.6 | 26 | 45 | 430 | CAD | 请求报价 |
| PAE25-15LHFK-A | M25 | 1.5 | 142 | 4 | 13 | 23 | 17 | 18.6 | 40 | 53 | 208 | 10 | 30 | 19 | 加长型 | 毡环(防尘用) | 带垫+带头 | 230 | 230 | 120000 | 40 | 0.1 | 5 | 17 | 60 | 0.6 | 26 | 45 | 430 | CAD | 请求报价 |
| PAE25-15LHAD-A | M25 | 1.5 | 142 | 4 | 13 | 8 | - | 18.6 | 40 | - | 195 | 10 | 30 | 19 | 加长型 | 刮擦器(防水用) | 没有头部 | 230 | 230 | 120000 | 40 | 0.1 | 5 | 17 | 60 | 0.6 | 26 | 45 | 390 | CAD | 请求报价 |
| PAE25-15LHAS-A | M25 | 1.5 | 142 | 4 | 13 | 23 | 17 | 18.6 | 40 | 53 | 208 | 10 | 30 | 19 | 加长型 | 刮擦器(防水用) | 带头 | 230 | 230 | 120000 | 40 | 0.1 | 5 | 17 | 60 | 0.6 | 26 | 45 | 430 | CAD | 请求报价 |
| PAE25-15LHAK-A | M25 | 1.5 | 142 | 4 | 13 | 23 | 17 | 18.6 | 40 | 53 | 208 | 10 | 30 | 19 | 加长型 | 刮擦器(防水用) | 带垫+带头 | 230 | 230 | 120000 | 40 | 0.1 | 5 | 17 | 60 | 0.6 | 26 | 45 | 430 | CAD | 请求报价 |
| PAE27-30NHDD-A | M27 | 3 | 107 | 4 | 13 | 8 | - | 18.6 | 25 | - | 145 | 10 | 32 | 19 | 标准 | 没有保护机构 | 没有头部 | 230 | 230 | 120000 | 25 | 0.1 | 5 | 17 | 60 | 0.4 | 26 | 45 | 330 | CAD | 请求报价 |
| PAE27-30NHDS-A | M27 | 3 | 107 | 4 | 13 | 23 | 17 | 18.6 | 25 | 38 | 158 | 10 | 32 | 19 | 标准 | 没有保护机构 | 带头 | 230 | 230 | 120000 | 25 | 0.1 | 5 | 17 | 60 | 0.4 | 26 | 45 | 370 | CAD | 请求报价 |
| PAE27-30NHDK-A | M27 | 3 | 107 | 4 | 13 | 23 | 17 | 18.6 | 25 | 38 | 158 | 10 | 32 | 19 | 标准 | 没有保护机构 | 带垫+带头 | 230 | 230 | 120000 | 25 | 0.1 | 5 | 17 | 60 | 0.4 | 26 | 45 | 370 | CAD | 请求报价 |
| PAE27-30NHFD-A | M27 | 3 | 107 | 4 | 13 | 8 | - | 18.6 | 25 | - | 145 | 10 | 32 | 19 | 标准 | 毡环(防尘用) | 没有头部 | 230 | 230 | 120000 | 25 | 0.1 | 5 | 17 | 60 | 0.4 | 26 | 45 | 330 | CAD | 请求报价 |
| PAE27-30NHFS-A | M27 | 3 | 107 | 4 | 13 | 23 | 17 | 18.6 | 25 | 38 | 158 | 10 | 32 | 19 | 标准 | 毡环(防尘用) | 带头 | 230 | 230 | 120000 | 25 | 0.1 | 5 | 17 | 60 | 0.4 | 26 | 45 | 370 | CAD | 请求报价 |
| PAE27-30NHFK-A | M27 | 3 | 107 | 4 | 13 | 23 | 17 | 18.6 | 25 | 38 | 158 | 10 | 32 | 19 | 标准 | 毡环(防尘用) | 带垫+带头 | 230 | 230 | 120000 | 25 | 0.1 | 5 | 17 | 60 | 0.4 | 26 | 45 | 370 | CAD | 请求报价 |
| PAE27-30NHAD-A | M27 | 3 | 107 | 4 | 13 | 8 | - | 18.6 | 25 | - | 145 | 10 | 32 | 19 | 标准 | 刮擦器(防水用) | 没有头部 | 230 | 230 | 120000 | 25 | 0.1 | 5 | 17 | 60 | 0.4 | 26 | 45 | 330 | CAD | 请求报价 |
| PAE27-30NHAS-A | M27 | 3 | 107 | 4 | 13 | 23 | 17 | 18.6 | 25 | 38 | 158 | 10 | 32 | 19 | 标准 | 刮擦器(防水用) | 带头 | 230 | 230 | 120000 | 25 | 0.1 | 5 | 17 | 60 | 0.4 | 26 | 45 | 370 | CAD | 请求报价 |
| PAE27-30NHAK-A | M27 | 3 | 107 | 4 | 13 | 23 | 17 | 18.6 | 25 | 38 | 158 | 10 | 32 | 19 | 标准 | 刮擦器(防水用) | 带垫+带头 | 230 | 230 | 120000 | 25 | 0.1 | 5 | 17 | 60 | 0.4 | 26 | 45 | 370 | CAD | 请求报价 |
| PAE27-30LHDD-A | M27 | 3 | 142 | 4 | 13 | 8 | - | 18.6 | 40 | - | 195 | 10 | 32 | 19 | 加长型 | 没有保护机构 | 没有头部 | 230 | 230 | 120000 | 40 | 0.1 | 5 | 17 | 60 | 0.6 | 26 | 45 | 430 | CAD | 请求报价 |
| PAE27-30LHDS-A | M27 | 3 | 142 | 4 | 13 | 23 | 17 | 18.6 | 40 | 53 | 208 | 10 | 32 | 19 | 加长型 | 没有保护机构 | 带头 | 230 | 230 | 120000 | 40 | 0.1 | 5 | 17 | 60 | 0.6 | 26 | 45 | 470 | CAD | 请求报价 |
| PAE27-30LHDK-A | M27 | 3 | 142 | 4 | 13 | 23 | 17 | 18.6 | 40 | 53 | 208 | 10 | 32 | 19 | 加长型 | 没有保护机构 | 带垫+带头 | 230 | 230 | 120000 | 40 | 0.1 | 5 | 17 | 60 | 0.6 | 26 | 45 | 470 | CAD | 请求报价 |
| PAE27-30LHFD-A | M27 | 3 | 142 | 4 | 13 | 8 | - | 18.6 | 40 | - | 195 | 10 | 32 | 19 | 加长型 | 毡环(防尘用) | 没有头部 | 230 | 230 | 120000 | 40 | 0.1 | 5 | 17 | 60 | 0.6 | 26 | 45 | 430 | CAD | 请求报价 |
| PAE27-30LHFS-A | M27 | 3 | 142 | 4 | 13 | 23 | 17 | 18.6 | 40 | 53 | 208 | 10 | 32 | 19 | 加长型 | 毡环(防尘用) | 带头 | 230 | 230 | 120000 | 40 | 0.1 | 5 | 17 | 60 | 0.6 | 26 | 45 | 470 | CAD | 请求报价 |
| PAE27-30LHFK-A | M27 | 3 | 142 | 4 | 13 | 23 | 17 | 18.6 | 40 | 53 | 208 | 10 | 32 | 19 | 加长型 | 毡环(防尘用) | 带垫+带头 | 230 | 230 | 120000 | 40 | 0.1 | 5 | 17 | 60 | 0.6 | 26 | 45 | 470 | CAD | 请求报价 |
| PAE27-30LHAD-A | M27 | 3 | 142 | 4 | 13 | 8 | - | 18.6 | 40 | - | 195 | 10 | 32 | 19 | 加长型 | 刮擦器(防水用) | 没有头部 | 230 | 230 | 120000 | 40 | 0.1 | 5 | 17 | 60 | 0.6 | 26 | 45 | 430 | CAD | 请求报价 |
| PAE27-30LHAS-A | M27 | 3 | 142 | 4 | 13 | 23 | 17 | 18.6 | 40 | 53 | 208 | 10 | 32 | 19 | 加长型 | 刮擦器(防水用) | 带头 | 230 | 230 | 120000 | 40 | 0.1 | 5 | 17 | 60 | 0.6 | 26 | 45 | 470 | CAD | 请求报价 |
| PAE27-30LHAK-A | M27 | 3 | 142 | 4 | 13 | 23 | 17 | 18.6 | 40 | 53 | 208 | 10 | 32 | 19 | 加长型 | 刮擦器(防水用) | 带垫+带头 | 230 | 230 | 120000 | 40 | 0.1 | 5 | 17 | 60 | 0.6 | 26 | 45 | 470 | CAD | 请求报价 |
| PAE33-15NHDD-A | M33 | 1.5 | 126 | 4.5 | 17 | 10 | - | 23.6 | 30 | - | 173 | 12 | 41 | 24 | 标准 | 没有保护机构 | 没有头部 | 400 | 400 | 140000 | 30 | 0.1 | 5 | 30 | 80 | 0.4 | 40 | 65 | 640 | CAD | 请求报价 |
| PAE33-15NHDS-A | M33 | 1.5 | 126 | 4.5 | 17 | 31 | 22 | 23.6 | 30 | 45 | 188 | 12 | 41 | 24 | 标准 | 没有保护机构 | 带头 | 400 | 400 | 140000 | 30 | 0.1 | 5 | 30 | 80 | 0.4 | 40 | 65 | 710 | CAD | 请求报价 |
| PAE33-15NHDK-A | M33 | 1.5 | 126 | 4.5 | 17 | 31 | 22 | 23.6 | 30 | 45 | 188 | 12 | 41 | 24 | 标准 | 没有保护机构 | 带垫+带头 | 400 | 400 | 140000 | 30 | 0.1 | 5 | 30 | 80 | 0.4 | 40 | 65 | 710 | CAD | 请求报价 |
| PAE33-15NHFD-A | M33 | 1.5 | 126 | 4.5 | 17 | 10 | - | 23.6 | 30 | - | 173 | 12 | 41 | 24 | 标准 | 毡环(防尘用) | 没有头部 | 400 | 400 | 140000 | 30 | 0.1 | 5 | 30 | 80 | 0.4 | 40 | 65 | 640 | CAD | 请求报价 |
| PAE33-15NHFS-A | M33 | 1.5 | 126 | 4.5 | 17 | 31 | 22 | 23.6 | 30 | 45 | 188 | 12 | 41 | 24 | 标准 | 毡环(防尘用) | 带头 | 400 | 400 | 140000 | 30 | 0.1 | 5 | 30 | 80 | 0.4 | 40 | 65 | 710 | CAD | 请求报价 |
| PAE33-15NHFK-A | M33 | 1.5 | 126 | 4.5 | 17 | 31 | 22 | 23.6 | 30 | 45 | 188 | 12 | 41 | 24 | 标准 | 毡环(防尘用) | 带垫+带头 | 400 | 400 | 140000 | 30 | 0.1 | 5 | 30 | 80 | 0.4 | 40 | 65 | 710 | CAD | 请求报价 |
| PAE33-15NHAD-A | M33 | 1.5 | 126 | 4.5 | 17 | 10 | - | 23.6 | 30 | - | 173 | 12 | 41 | 24 | 标准 | 刮擦器(防水用) | 没有头部 | 400 | 400 | 140000 | 30 | 0.1 | 5 | 30 | 80 | 0.4 | 40 | 65 | 640 | CAD | 请求报价 |
| PAE33-15NHAS-A | M33 | 1.5 | 126 | 4.5 | 17 | 31 | 22 | 23.6 | 30 | 45 | 188 | 12 | 41 | 24 | 标准 | 刮擦器(防水用) | 带头 | 400 | 400 | 140000 | 30 | 0.1 | 5 | 30 | 80 | 0.4 | 40 | 65 | 710 | CAD | 请求报价 |
| PAE33-15NHAK-A | M33 | 1.5 | 126 | 4.5 | 17 | 31 | 22 | 23.6 | 30 | 45 | 188 | 12 | 41 | 24 | 标准 | 刮擦器(防水用) | 带垫+带头 | 400 | 400 | 140000 | 30 | 0.1 | 5 | 30 | 80 | 0.4 | 40 | 65 | 710 | CAD | 请求报价 |
| PAE33-15NHBS-A | M33 | 1.5 | 111.5 | 4.5 | 17 | 39 | 22 | 23.6 | 30 | 70.5 | 199 | 12 | 41 | 24 | 标准 | 波纹管盖 | 带头 | 400 | 400 | 140000 | 30 | 0.1 | 5 | 30 | 80 | 0.4 | 40 | 260 | 790 | CAD | 请求报价 |
| PAE33-15NHBK-A | M33 | 1.5 | 111.5 | 4.5 | 17 | 39 | 22 | 23.6 | 30 | 70.5 | 199 | 12 | 41 | 24 | 标准 | 波纹管盖 | 带垫+带头 | 400 | 400 | 140000 | 30 | 0.1 | 5 | 30 | 80 | 0.4 | 40 | 260 | 790 | CAD | 请求报价 |
| PAE33-15LHDD-A | M33 | 1.5 | 171 | 4.5 | 17 | 10 | - | 23.6 | 50 | - | 238 | 12 | 41 | 24 | 加长型 | 没有保护机构 | 没有头部 | 400 | 400 | 140000 | 50 | 0.1 | 5 | 30 | 80 | 0.8 | 40 | 65 | 850 | CAD | 请求报价 |
| PAE33-15LHDS-A | M33 | 1.5 | 171 | 4.5 | 17 | 31 | 22 | 23.6 | 50 | 65 | 253 | 12 | 41 | 24 | 加长型 | 没有保护机构 | 带头 | 400 | 400 | 140000 | 50 | 0.1 | 5 | 30 | 80 | 0.8 | 40 | 65 | 920 | CAD | 请求报价 |
| PAE33-15LHDK-A | M33 | 1.5 | 171 | 4.5 | 17 | 31 | 22 | 23.6 | 50 | 65 | 253 | 12 | 41 | 24 | 加长型 | 没有保护机构 | 带垫+带头 | 400 | 400 | 140000 | 50 | 0.1 | 5 | 30 | 80 | 0.8 | 40 | 65 | 920 | CAD | 请求报价 |
| PAE33-15LHFD-A | M33 | 1.5 | 171 | 4.5 | 17 | 10 | - | 23.6 | 50 | - | 238 | 12 | 41 | 24 | 加长型 | 毡环(防尘用) | 没有头部 | 400 | 400 | 140000 | 50 | 0.1 | 5 | 30 | 80 | 0.8 | 40 | 65 | 850 | CAD | 请求报价 |
| PAE33-15LHFS-A | M33 | 1.5 | 171 | 4.5 | 17 | 31 | 22 | 23.6 | 50 | 65 | 253 | 12 | 41 | 24 | 加长型 | 毡环(防尘用) | 带头 | 400 | 400 | 140000 | 50 | 0.1 | 5 | 30 | 80 | 0.8 | 40 | 65 | 920 | CAD | 请求报价 |
| PAE33-15LHFK-A | M33 | 1.5 | 171 | 4.5 | 17 | 31 | 22 | 23.6 | 50 | 65 | 253 | 12 | 41 | 24 | 加长型 | 毡环(防尘用) | 带垫+带头 | 400 | 400 | 140000 | 50 | 0.1 | 5 | 30 | 80 | 0.8 | 40 | 65 | 920 | CAD | 请求报价 |
| PAE33-15LHAD-A | M33 | 1.5 | 171 | 4.5 | 17 | 10 | - | 23.6 | 50 | - | 238 | 12 | 41 | 24 | 加长型 | 刮擦器(防水用) | 没有头部 | 400 | 400 | 140000 | 50 | 0.1 | 5 | 30 | 80 | 0.8 | 40 | 65 | 850 | CAD | 请求报价 |
| PAE33-15LHAS-A | M33 | 1.5 | 171 | 4.5 | 17 | 31 | 22 | 23.6 | 50 | 65 | 253 | 12 | 41 | 24 | 加长型 | 刮擦器(防水用) | 带头 | 400 | 400 | 140000 | 50 | 0.1 | 5 | 30 | 80 | 0.8 | 40 | 65 | 920 | CAD | 请求报价 |
| PAE33-15LHAK-A | M33 | 1.5 | 171 | 4.5 | 17 | 31 | 22 | 23.6 | 50 | 65 | 253 | 12 | 41 | 24 | 加长型 | 刮擦器(防水用) | 带垫+带头 | 400 | 400 | 140000 | 50 | 0.1 | 5 | 30 | 80 | 0.8 | 40 | 65 | 920 | CAD | 请求报价 |
| PAE36-15NHDD-A | M36 | 1.5 | 126 | 4.5 | 17 | 10 | - | 23.6 | 30 | - | 173 | 12 | 46 | 24 | 标准 | 没有保护机构 | 没有头部 | 400 | 400 | 140000 | 30 | 0.1 | 5 | 30 | 80 | 0.4 | 40 | 65 | 810 | CAD | 请求报价 |
| PAE36-15NHDS-A | M36 | 1.5 | 126 | 4.5 | 17 | 31 | 22 | 23.6 | 30 | 45 | 188 | 12 | 46 | 24 | 标准 | 没有保护机构 | 带头 | 400 | 400 | 140000 | 30 | 0.1 | 5 | 30 | 80 | 0.4 | 40 | 65 | 880 | CAD | 请求报价 |
| PAE36-15NHDK-A | M36 | 1.5 | 126 | 4.5 | 17 | 31 | 22 | 23.6 | 30 | 45 | 188 | 12 | 46 | 24 | 标准 | 没有保护机构 | 带垫+带头 | 400 | 400 | 140000 | 30 | 0.1 | 5 | 30 | 80 | 0.4 | 40 | 65 | 880 | CAD | 请求报价 |
| PAE36-15NHFD-A | M36 | 1.5 | 126 | 4.5 | 17 | 10 | - | 23.6 | 30 | - | 173 | 12 | 46 | 24 | 标准 | 毡环(防尘用) | 没有头部 | 400 | 400 | 140000 | 30 | 0.1 | 5 | 30 | 80 | 0.4 | 40 | 65 | 810 | CAD | 请求报价 |
| PAE36-15NHFS-A | M36 | 1.5 | 126 | 4.5 | 17 | 31 | 22 | 23.6 | 30 | 45 | 188 | 12 | 46 | 24 | 标准 | 毡环(防尘用) | 带头 | 400 | 400 | 140000 | 30 | 0.1 | 5 | 30 | 80 | 0.4 | 40 | 65 | 880 | CAD | 请求报价 |
| PAE36-15NHFK-A | M36 | 1.5 | 126 | 4.5 | 17 | 31 | 22 | 23.6 | 30 | 45 | 188 | 12 | 46 | 24 | 标准 | 毡环(防尘用) | 带垫+带头 | 400 | 400 | 140000 | 30 | 0.1 | 5 | 30 | 80 | 0.4 | 40 | 65 | 880 | CAD | 请求报价 |
| PAE36-15NHAD-A | M36 | 1.5 | 126 | 4.5 | 17 | 10 | - | 23.6 | 30 | - | 173 | 12 | 46 | 24 | 标准 | 刮擦器(防水用) | 没有头部 | 400 | 400 | 140000 | 30 | 0.1 | 5 | 30 | 80 | 0.4 | 40 | 65 | 810 | CAD | 请求报价 |
| PAE36-15NHAS-A | M36 | 1.5 | 126 | 4.5 | 17 | 31 | 22 | 23.6 | 30 | 45 | 188 | 12 | 46 | 24 | 标准 | 刮擦器(防水用) | 带头 | 400 | 400 | 140000 | 30 | 0.1 | 5 | 30 | 80 | 0.4 | 40 | 65 | 880 | CAD | 请求报价 |
| PAE36-15NHAK-A | M36 | 1.5 | 126 | 4.5 | 17 | 31 | 22 | 23.6 | 30 | 45 | 188 | 12 | 46 | 24 | 标准 | 刮擦器(防水用) | 带垫+带头 | 400 | 400 | 140000 | 30 | 0.1 | 5 | 30 | 80 | 0.4 | 40 | 65 | 880 | CAD | 请求报价 |
| PAE36-15LHDD-A | M36 | 1.5 | 171 | 4.5 | 17 | 10 | - | 23.6 | 50 | - | 238 | 12 | 46 | 24 | 加长型 | 没有保护机构 | 没有头部 | 400 | 400 | 140000 | 50 | 0.1 | 5 | 30 | 80 | 0.8 | 40 | 65 | 1070 | CAD | 请求报价 |
| PAE36-15LHDS-A | M36 | 1.5 | 171 | 4.5 | 17 | 31 | 22 | 23.6 | 50 | 65 | 253 | 12 | 46 | 24 | 加长型 | 没有保护机构 | 带头 | 400 | 400 | 140000 | 50 | 0.1 | 5 | 30 | 80 | 0.8 | 40 | 65 | 1140 | CAD | 请求报价 |
| PAE36-15LHDK-A | M36 | 1.5 | 171 | 4.5 | 17 | 31 | 22 | 23.6 | 50 | 65 | 253 | 12 | 46 | 24 | 加长型 | 没有保护机构 | 带垫+带头 | 400 | 400 | 140000 | 50 | 0.1 | 5 | 30 | 80 | 0.8 | 40 | 65 | 1140 | CAD | 请求报价 |
| PAE36-15LHFD-A | M36 | 1.5 | 171 | 4.5 | 17 | 10 | - | 23.6 | 50 | - | 238 | 12 | 46 | 24 | 加长型 | 毡环(防尘用) | 没有头部 | 400 | 400 | 140000 | 50 | 0.1 | 5 | 30 | 80 | 0.8 | 40 | 65 | 1070 | CAD | 请求报价 |
| PAE36-15LHFS-A | M36 | 1.5 | 171 | 4.5 | 17 | 31 | 22 | 23.6 | 50 | 65 | 253 | 12 | 46 | 24 | 加长型 | 毡环(防尘用) | 带头 | 400 | 400 | 140000 | 50 | 0.1 | 5 | 30 | 80 | 0.8 | 40 | 65 | 1140 | CAD | 请求报价 |
| PAE36-15LHFK-A | M36 | 1.5 | 171 | 4.5 | 17 | 31 | 22 | 23.6 | 50 | 65 | 253 | 12 | 46 | 24 | 加长型 | 毡环(防尘用) | 带垫+带头 | 400 | 400 | 140000 | 50 | 0.1 | 5 | 30 | 80 | 0.8 | 40 | 65 | 1140 | CAD | 请求报价 |
| PAE36-15LHAD-A | M36 | 1.5 | 171 | 4.5 | 17 | 10 | - | 23.6 | 50 | - | 238 | 12 | 46 | 24 | 加长型 | 刮擦器(防水用) | 没有头部 | 400 | 400 | 140000 | 50 | 0.1 | 5 | 30 | 80 | 0.8 | 40 | 65 | 1070 | CAD | 请求报价 |
| PAE36-15LHAS-A | M36 | 1.5 | 171 | 4.5 | 17 | 31 | 22 | 23.6 | 50 | 65 | 253 | 12 | 46 | 24 | 加长型 | 刮擦器(防水用) | 带头 | 400 | 400 | 140000 | 50 | 0.1 | 5 | 30 | 80 | 0.8 | 40 | 65 | 1140 | CAD | 请求报价 |
| PAE36-15LHAK-A | M36 | 1.5 | 171 | 4.5 | 17 | 31 | 22 | 23.6 | 50 | 65 | 253 | 12 | 46 | 24 | 加长型 | 刮擦器(防水用) | 带垫+带头 | 400 | 400 | 140000 | 50 | 0.1 | 5 | 30 | 80 | 0.8 | 40 | 65 | 1140 | CAD | 请求报价 |
●所有产品均附带1个锁定螺母。
●横向滚动表格,可以查看所有项目。
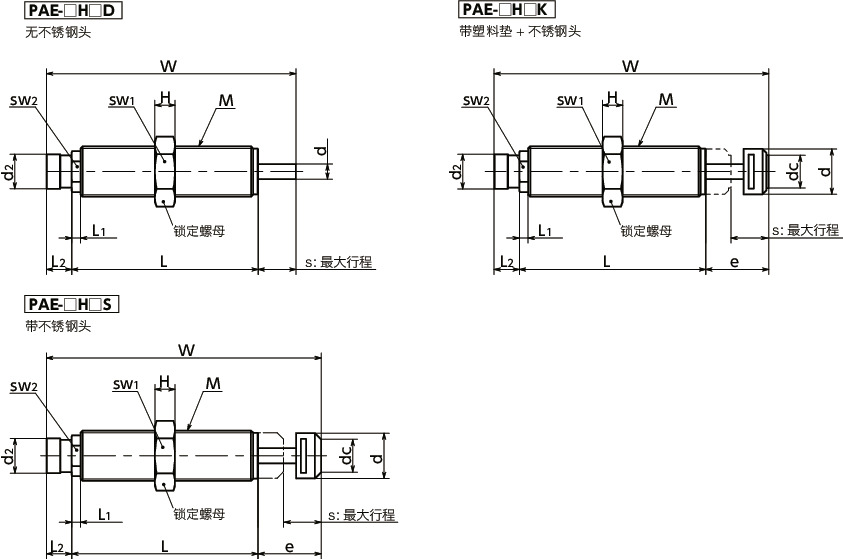
产品符号
选择行程型
| 产品符号 | 行程类型 |
|---|---|
| N | 标准行程 |
| L | 长行程 |
波纹管盖型只有标准行程。
选择保护机构




选择有无不锈钢头



保护机构选择波纹管盖时,适用的组合为带不锈钢头S,或者带塑料垫 + 不锈钢头K任意一种。
PowerStop是Zimmer GmbH的注册商标。
构造
无不锈钢头

材质、表面处理
| PAE | |
|---|---|
| 螺纹主体 | 相当于SUS303 |
| 活塞杆 | 相当于SUS420 |
| 锁定螺母*1 | 相当于SUS303 |
| 调整旋钮 | 相当于SUS303 |
| 毡环 | 毛毡 |
| 刮擦器 | NBR |
| 不锈钢头 | 相当于SUS303 |
| 塑料垫 | TPC |
| 波纹管盖 | TPE(蓝) |
*1: 所有产品均附带1个锁定螺母。需要多个时,请另行订购锁定螺母单件PVM。
使用注意事项
- 重复使用前,请根据用途调整主体的规格。⇒安装与维护
- 相对于调整后的规格,如果碰撞速度过大,会导致碰撞后过大的阻力使碰撞物反弹,有导致冲击吸收器及外围设备和装置损坏的危险。
- 相对于调整后的规格,如果碰撞速度过小,则无法产生必要的阻力,从而碰撞到螺丝主体部,有导致冲击吸收器及外围设备和装置损坏的危险。
特点
- 采用独特结构,能量吸收能力强。
- 能量吸收平稳。线性减速。
- 通过在传统缓冲器的基础上缩小尺寸并缩短循环时间,可提高生产效率。
- 通过调整旋钮的设定,可将能量吸收时发生的阻力调整到与碰撞速度匹配的规格。

- 调整旋钮的刻度为0时,则与PHE同尺寸、H型(低速用)的规格相同。数值变大,则可对应高速用规格。
- 从低速用(0)到高速用(5)规格,可进行无级调整。
调节范围
| min. | max. | |
|---|---|---|
| 刻度 | 0 | 5 |
| 碰撞速度(m/s) | 0.1 | 5 |
- 容许偏角:2°
偏角超过2°时,请使用螺栓预支承PBV。PBV - 也可在高压室内使用。(最大1MPa)
- 可使用温度:-10℃~70℃
- 使用生物油,可用于无尘室内。
- 使用H1认证油,还可用于食品工业用设备。
- M14以上尺寸除标准行程外,还可选择长行程。
- 长行程产生的阻力小,可以减少作用于碰撞物的负荷,使能量吸收达到与标准行程相同的水平。
调整旋钮改变阻力的原理
PAE能量吸收时产生的阻力会根据旁路电路中的油流量而变化。旁路电路中的油流量需要通过调整旋钮的刻度位置进行调整。
刻度值越大,旁路电路中的油流量就越大,导致能量吸收时产生的阻力也越大。

阻力・行程特性(示意图)










