尺寸・CAD
单位 : mm
| 型号 | M(粗牙) 螺纹公称直径 |
螺距 | Lm | R | H | h | s | A | B | d | sw1 | d1 | d2 | 齿数 | 旋转方向 | 质量 (g) |
CAD下载 | 请求报价 |
|---|---|---|---|---|---|---|---|---|---|---|---|---|---|---|---|---|---|---|
| LZYS-40-GV-B | M8 | 1.25 | 8 | 100 | 31 | 31 | 10 | 10 | 25 | 40 | 5 | 24 | 20 | 26 | 右转 | 178 | CAD | 请求报价 |
| LZYS-50-GV-B | M10 | 1.5 | 11 | 116 | 36 | 35 | 12 | 13 | 30 | 50 | 6 | 28 | 24 | 28 | 右转 | 308 | CAD | 请求报价 |
| LZYS-40-GV-B-L | M8 | 1.25 | 8 | 100 | 31 | 31 | 10 | 10 | 25 | 40 | 5 | 24 | 20 | 26 | 左转 | 178 | CAD | 请求报价 |
| LZYS-50-GV-B-L | M10 | 1.5 | 11 | 116 | 36 | 35 | 12 | 13 | 30 | 50 | 6 | 28 | 24 | 28 | 左转 | 308 | CAD | 请求报价 |
材质、表面处理
| LZYS-GV-B | |
|---|---|
| 螺旋式闩锁 | 相当于SUS303 无电解镀镍 |
| 间隔体 | 相当于SUS630 |
| 固定用螺栓 | 相当于SUS630 |
| 手柄 | 相当于SUS303 |
| 握柄 | 酚醛树脂(黑) |
特点
- 利用螺旋式闩锁的连接用手柄。可在下方向无级调整紧固状态。
- 可在任何位置强有力地夹紧工件。可实现快速、可靠的操作。
- 横向手柄型。适用于上部空间受限的情形。
-
可根据产品符号选择旋转方向。
LZYS-GV-B----右转
LZYS-GV-B-L----左转
1分钟即可掌握!闩锁手柄和凸轮手柄的使用方法
构造
- 闩锁手柄由螺旋式闩锁、间隔体、固定用螺栓、手柄构成。
- 用六角扳手拧紧固定用螺栓进行安装。
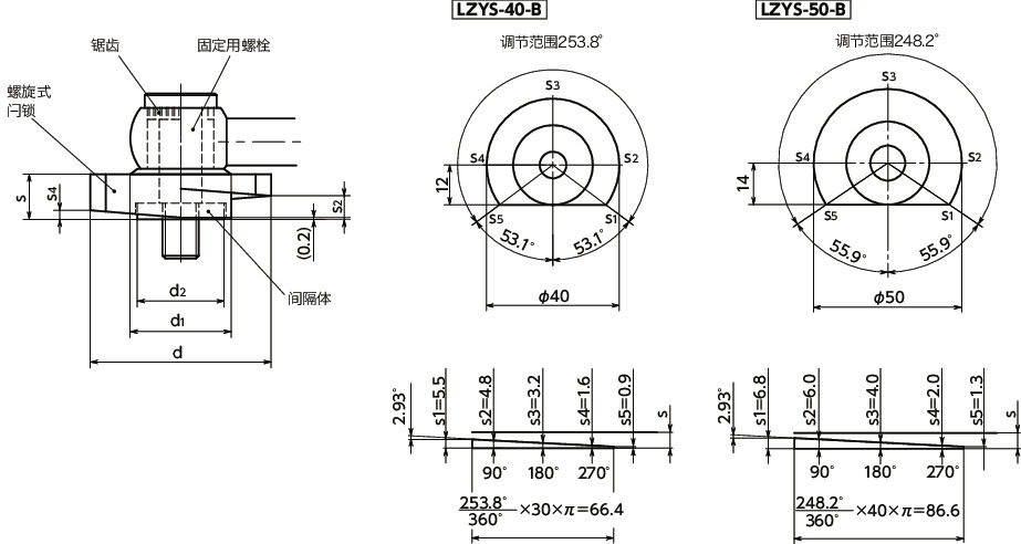
- 螺旋式闩锁的坡度较小(2.93°),它可以减少紧固后的松动。
- 紧固固定用螺栓后,间隔体仍可确保螺旋式闩锁和安装面之间留有间隙,使螺旋式闩锁顺畅旋转。
- 螺旋式闩锁和手柄通过锯齿啮合,相对于偏心凸轮的手柄位置可在组装时进行设定。
- 调节范围
单位 : mm
| 型号 | 角度 | 紧固方向 | 闩锁坡度 |
|---|---|---|---|
| LZYS-40 | 253.8° | 4.6 | 2.93° |
| LZYS-50 | 248.2° | 5.5 | 2.93° |

上图为右转LZYS-GV-B的图解。左转LZYS-GV-B-L的形状左右对称。










