尺寸・CAD
单位 : mm
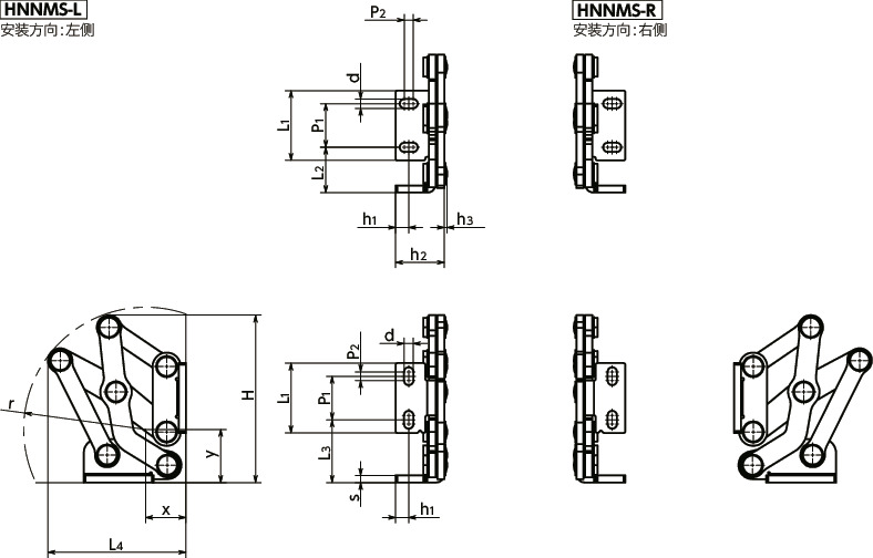
| 型号 | L1 | d | h1 | h2 | h3 | L2 | L3 | L4 | L5 | L6 | L7 | L8 | H | P1 | P2 | r | s | x | y | 质量 (g) |
CAD下载 | 请求报价 |
|---|---|---|---|---|---|---|---|---|---|---|---|---|---|---|---|---|---|---|---|---|---|---|
| HNNMS-50-L-MT | 50 | 6.5 | 10 | 35 | 2.5 | 35 | 46 | 105 | 79.3 | 82 | 2.8 | 113.3 | 135 | 30 | 6 | 105 | 5 | 20 | 37 | 533 | CAD | 请求报价 |
| HNNMS-50-R-MT | 50 | 6.5 | 10 | 35 | 2.5 | 35 | 46 | 105 | 79.3 | 82 | 2.8 | 113.3 | 135 | 30 | 6 | 105 | 5 | 20 | 37 | 533 | CAD | 请求报价 |
材质、表面处理
| HNNMS | |
|---|---|
| 主体 | SUS304 |
特点
- 安装在门内侧的不锈钢制大型滑动铰链。
- 最大开度为120°。
- 可根据产品符号选择安装方向。
| 产品符号 | 安装方向 |
|---|---|
| HNNMS-L | 左侧 |
| HNNMS-R | 右侧 |

- 备有铰链用辅助垫片HNBRSHNBMSHNBFS(另售),可使间隙调整及安装更容易。请参阅安装示例。
- 适用于公共汽车行李厢及大型门等用途。
使用例

容许最大载荷

单位 : N
| 型号 | R | A |
|---|---|---|
| HNNMS-40-MT | 650 | 175 |
| HNNMS-50-MT | 750 | 175 |
| HNNMS-60-MT | 550 | 150 |
使用2个铰链时的数值。
轨迹图

单位 : mm
| 型号 | L5 | L6 | L7 | L8 |
|---|---|---|---|---|
| HNNMS-40-MT | 33.8 | 65.9 | 27.9 | 77.4 |
| HNNMS-50-MT | 79.3 | 82 | 2.8 | 113.3 |
| HNNMS-60-MT | 87.5 | 107.5 | 17.4 | 147.1 |
安装示例
与铰链用辅助垫片HNBRSHNBMSHNBFS(另售)组合。

最大面板厚度
平行于外壳安装时

单位 : mm
| 型号 | s1 max. | b1 | s2 max. | b2 max. | s3 max. | b3 max. |
|---|---|---|---|---|---|---|
| HNNMS-40-MT | 20 | 1…∞ | 1…∞ | 22 | 18 | 18 |
| HNNMS-50-MT | 25 | 1…∞ | 1…∞ | 38 | 30 | 30 |
| HNNMS-60-MT | 32 | 1…∞ | 1…∞ | 50 | 40 | 40 |
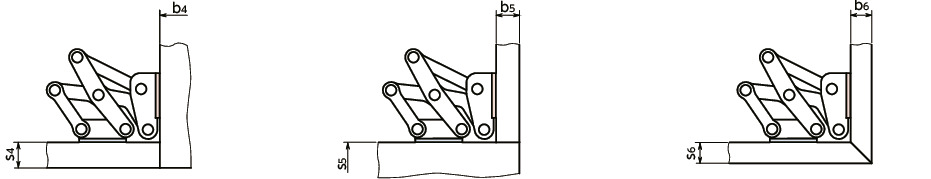
垂直于外壳安装时

单位 : mm
| 型号 | s4 max. | b4 max. | s5 | b5 max. | s6 max. | b6 max. |
|---|---|---|---|---|---|---|
| HNNMS-40-MT | 22 | 1…∞ | 1…∞ | 20 | 18 | 18 |
| HNNMS-50-MT | 38 | 1…∞ | 1…∞ | 25 | 30 | 30 |
| HNNMS-60-MT | 50 | 1…∞ | 1…∞ | 32 | 40 | 40 |
显示的设计方案表示在标准安装条件下。最大面板厚度取决于面板厚度及安装位置。








