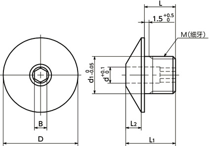
尺寸・CAD
单位 : mm
| 型号 | M(细牙) 螺纹公称直径 |
螺距 | D | d | d1 | L | L1 | L2 | B | 适用分度柱塞 销径 |
质量 (g) |
CAD下载 | 请求报价 |
|---|---|---|---|---|---|---|---|---|---|---|---|---|---|
| PIXCB-M12-1.5-4 | M12 | 1.5 | 24 | 4.2 | 12 | 10 | 16 | 5 | 4 | 4 | 16.9 | CAD | 请求报价 |
| PIXCB-M12-1.5-5 | M12 | 1.5 | 24 | 5.2 | 12 | 10 | 16 | 5 | 4 | 5 | 16.9 | CAD | 请求报价 |
| PIXCB-M12-1.5-6 | M12 | 1.5 | 24 | 6.2 | 12 | 10 | 16 | 5 | 4 | 6 | 16.5 | CAD | 请求报价 |
| PIXCB-M16-1.5-8 | M16 | 1.5 | 32 | 8.2 | 16 | 12 | 20 | 7 | 6 | 8 | 36.9 | CAD | 请求报价 |
| PIXCB-M16-1.5-10 | M16 | 1.5 | 32 | 10.2 | 16 | 12 | 20 | 7 | 6 | 10 | 35.6 | CAD | 请求报价 |
| PIXCB-M16-1.5-12 | M16 | 1.5 | 32 | 12.2 | 16 | 12 | 20 | 7 | 6 | 12 | 34.5 | CAD | 请求报价 |
材质、表面处理
| PIXCB | |
|---|---|
| 主体 | 钢 氮化处理 |
特点
- 通过使用锥面,可自动移动分度柱塞的销,并插入中心孔中。
- 与分度柱塞用安装夹具PXV-WPXV-ZPIXH-Z组合,可轻松将PIXCB安装到机械、装置上。PXV-WPXVS-WPXV-ZPXVS-ZPIXH-Z
使用例
用于门的自动锁定机构。
使用方法
- 将分度柱塞移动到PIXCB上时,销沿PIXCB的锥面缩回图1。
- 销到达PIXCB的中心孔位置时再次移动分度柱塞,销向外扩张,插入中心孔中,完成定位图2。

适用分度柱塞用安装夹具
| 分度柱塞用衬套型号 | 适用分度柱塞用安装夹具型号 | ||
|---|---|---|---|
| PXV-W PXV-W | PXV-Z PXV-Z | PIXH-Z PIXH-Z | |
| PIXCB-M12-1.5-4 | PXV-W-M12 | PXV-Z-M12 | PIXH-35-M12-1.5-Z |
| PIXCB-M12-1.5-5 | PXV-W-M12 | PXV-Z-M12 | PIXH-35-M12-1.5-Z |
| PIXCB-M12-1.5-6 | PXV-W-M12 | PXV-Z-M12 | PIXH-35-M12-1.5-Z |
| PIXCB-M16-1.5-8 | PXV-W-M16 | PXV-Z-M16 | PIXH-47-M16-1.5-Z |
| PIXCB-M16-1.5-10 | PXV-W-M16 | PXV-Z-M16 | PIXH-47-M16-1.5-Z |
| PIXCB-M16-1.5-12 | PXV-W-M16 | PXV-Z-M16 | PIXH-47-M16-1.5-Z |






