• 调平脚

带轴向轴承的垫圈

Washers with Axial Friction Bearing

SABW

尺寸・CAD

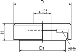
单位 : mm

型号 D d D1 H 适用的螺纹直径 质量
(g)
CAD下载 请求报价
SABW-20-6 20 6 16 6 M6 10 CAD 请求报价
SABW-26-8 26 8 22 7 M8 21 CAD 请求报价
SABW-28-10 28 10 24 8 M10 28 CAD 请求报价
SABW-32-12 32 12 28 9 M12 41 CAD 请求报价

形状図

SABW带轴向轴承的垫圈寸法図

材质、表面处理

SABW
主体 SUM22L
四氧化三铁保护膜(黑)
橡胶膜片 SUM22L
四氧化三铁保护膜(黑)
滑台 玻璃纤维增强尼龙46

特点

  • 内置有轴向轴承的垫圈。
  • 请与连接螺丝的手柄、旋钮和螺栓等机械要素零件组合使用。
  • 通过减少座面的摩擦,约以平时一半的紧固扭矩获得相同的紧固力。
  • 能以较轻的力度实施紧固,减轻作业人员负担,推荐用于反复拆装的部位。

使用例

与夹紧手柄LDMLDM)组合。

SABW带轴向轴承的垫圈


相关产品

备有内置轴向轴承的夹紧手柄。
LDBM(外螺纹)LDBM
LDBF(内螺纹)LDBF

SABW带轴向轴承的垫圈

备有内置轴向轴承的十字形旋钮KJB(内螺纹)。
KJB

SABW带轴向轴承的垫圈


型号列表

点击查看其它调平脚