尺寸・CAD
单位 : mm
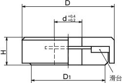
| 型号 | D | d | D1 | H | 适用的螺纹直径 | 质量 (g) |
CAD下载 | 请求报价 |
|---|---|---|---|---|---|---|---|---|
| SABWS-20-6 | 20 | 6 | 16 | 6 | M6 | 10 | CAD | 请求报价 |
| SABWS-26-8 | 26 | 8 | 22 | 7 | M8 | 21 | CAD | 请求报价 |
| SABWS-28-10 | 28 | 10 | 24 | 8 | M10 | 28 | CAD | 请求报价 |
| SABWS-32-12 | 32 | 12 | 28 | 9 | M12 | 41 | CAD | 请求报价 |
材质、表面处理
| SABWS | |
|---|---|
| 主体 | SUS303 |
| 橡胶膜片 | SUS303 |
| 滑台 | 玻璃纤维增强尼龙46 |
特点
- 内置有轴向轴承的垫圈。
- 请与连接螺丝的手柄、旋钮和螺栓等机械要素零件组合使用。
- 通过减少座面的摩擦,约以平时一半的紧固扭矩获得相同的紧固力。
- 能以较轻的力度实施紧固,减轻作业人员负担,推荐用于反复拆装的部位。







