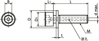
单位 : mm
| 型号 | M(粗牙) 螺纹公称直径 |
螺距 | L | D1 | D | L1 | B | t | d max. | 每包数量 | 质量 (g) |
CAD下载 | 请求报价 |
|---|---|---|---|---|---|---|---|---|---|---|---|---|---|
| SVSI1S-M4-35 | M4 | 0.7 | 35 | 7 | 9 | 4 | 3 | 0.8 | 1.5 | 10 | 4.5 | CAD | 请求报价 |
●数量未满1包的订单,会另外收取手续费。详情请垂询散装零售服务。
相关服务
材质、表面处理
| SVSI1S | |
|---|---|
| 螺纹主体 | SUSXM7(相当于SUS304) |
| 螺纹主体强度等级 | A2-70 |
| 平垫圈 | SUS304 |
用途
半导体生产设备/设备・装置构造体/海洋设备/一般工业机械特点
- 通孔易于排出蓄积于设备、装置的螺丝孔底部的气体,为真空装置的真空抽吸提供支持。
- 通孔的加工采用了对金属组织影响很小的加工方法。可抑制使用时的脆性破坏和在真空环境下发生漏气。
- 螺丝中装入了平垫圈,无需担心脱落。(垫圈简称:I=1)
- 锪孔中使用垫圈时,螺栓和垫圈可以同时拆装,操作性更优异。
- 无需进行垫圈装入作业。易于在无尘室内戴手套操作。
- 已完成无尘洗净、无尘包装。⇒无尘洗净、无尘包装服务



