• 特殊螺丝
  • 无尘环境适用螺丝

SVSM-M3-16

钼制内六角圆柱头螺栓(通孔型)

Vented Socket Head Cap Screws - Molybdenum

  • 真空
  • 无尘
  • 耐热

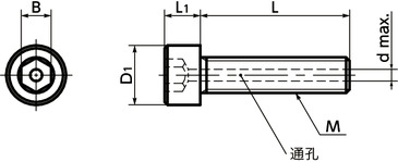
形状図

SVSM钼制内六角圆柱头螺栓(通孔型)寸法図

单位 : mm

型号 M(粗牙)
螺纹公称直径
螺距 L D1 L1 B d max. 质量
(g)
CAD下载 请求报价
SVSM-M3-16 M3 0.5 16 5.5 3 2.5 1.2 1.5 CAD 请求报价

●如有订购多件相同尺寸的商品,我们将统一进行无尘包装。

没有符合上述条件的产品。

对不起,没有符合您所填内容的产品。
请变更输入值,再次搜索。

锅屋百迪公司也可根据客户的要求进行产品的客制化。
欢迎利用咨询表格向我们咨询。

锅屋百迪公司
客户中心

有关客制化等产品方面的咨询,请由此咨询。

由此咨询

材质、表面处理

SVSM
主体 纯钼

用途

真空装置/真空容器/FPD制造装置/半导体制造装置/电子显微镜/阴极溅镀装置/高温炉

特点

  • 钼制内六角圆柱头螺栓SNSM的通孔型产品。
  • 通孔易于排出蓄积于设备、装置的螺丝孔底部的气体,为真空装置的真空抽吸提供支持。
  • 熔点:2623℃。耐热性优异。
  • 为高温环境下的真空抽吸提供支持。
  • 已完成无尘洗净、无尘包装。⇒无尘洗净、无尘包装服务

机械性质

纯钼 SUS304
拉伸强度(N/mm2 515 520以上
0.2%承压力(N/mm2 380 205以上
伸长率(%) 15 40以上

表中数值非保证值,仅供参考。


物性

纯钼 SUS304
比重 10.2 7.93
纵向弹性系数(GPa) 327 193
电阻率(μΩ・m) 0.058 0.7
热传导率(W/(m・K)) 142 17
线性膨胀系数(K-1 5.1×10-6 17.3×10-6

表中数值非保证值,仅供参考。


使用注意事项

在氧化环境下,当温度达到600℃以上时将开始升华反应,敬请注意。

型号列表

点击查看其它SVSM-M3

点击查看其它SVSM