单位 : mm
材质、表面处理
| STP | |
|---|---|
| 止推垫 | SUM22L、渗碳淬火 四氧化三铁保护膜(黑) |
特点
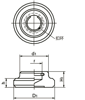
- 止推垫相对于无头螺丝,最大可倾斜5°。在工件表面倾斜等情况下使用非常有效。
- 请另行购买无头螺丝SGT后配套使用。
- 也备有无头螺丝与止推垫配套的产品。SGT-STP
使用注意事项
请勿用锤子等敲入。强行组装可能会导致扣环损坏。无头螺丝与止推垫的安装方法
无头螺丝与止推垫以组装前的状态发货。请参考组装步骤,组装无头螺丝与止推垫之后再使用。
对准装在止推垫中的扣环的缝隙,如图1所示倾斜插入无头螺丝,然后如图2所示提起无头螺丝后压入。
用手即可组装。







