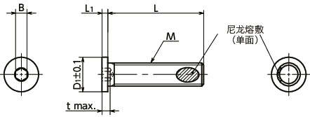
单位 : mm
| 型号 | M(粗牙) 螺纹公称直径 |
螺距 | L | D1 | L1 | B | t | 最大紧固 扭矩*1(N・m) |
每包数量 | 质量 (g) |
CAD下载 | 请求报价 |
|---|---|---|---|---|---|---|---|---|---|---|---|---|
| SSH-M3-6-SD-EL-ALK | M3 | 0.5 | 6 | 5 | 1.3 | 1.5 | 2 | 0.7 | 10 | 0.43 | CAD | 请求报价 |
*1: 螺纹主体的最大紧固扭矩。请参考使用注意事项,在确定扭矩时考虑座面压力。表中数值仅供参考,并非保证值。
●数量未满1包的订单,会另外收取手续费。详情请垂询散装零售服务。
相关服务
材质、表面处理
| SSH-SD-EL-ALK | |
|---|---|
| 主体 | SCM435 无电解镀镍 |
| 尼龙熔敷 | 尼龙11 |
| 强度等级 | 螺纹部:10.9 头部*1:5.8 |
*1: 请勿超出最大紧固扭矩。虽然经过热处理提高了强度,但与螺纹部相比,头部的强度仍较小。
用途
设备、装置的省空间化防止螺丝回转、脱落
特点
- 带尼龙熔敷的极短头小头螺栓。
- 通过螺丝部熔敷的尼龙的摩擦阻力来抑制螺丝回转。
- 由于可抑制回转,即使已失去连接力,仍可以防止螺丝脱落。
- 尼龙熔敷的耐热温度为120℃。
- 可形成比普通的内六角极短头螺栓更小的锪孔直径。
- 头部高度均在1.5mm以下。
- 可节省设备与装置的空间或用于上部空间有限的部位。
使用例
还能对普通的内六角极短头螺栓未能进行锪孔加工的部位进行锪孔加工,从而可以隐藏头部。

使用注意事项
- 头部底座面的面积小,底座面压力高。
- 请参考以下公式,注意不要让由螺丝紧固而形成的底座面压力超出被紧固材料的容许表面压力。

头部直径和螺丝有效截面积
| 型号 | 头部直径(mm) | 螺丝有效截面积(mm2) |
|---|---|---|
| SSH-M3-SD-EL-ALK | 5 | 5.03 |
| SSH-M4-SD-EL-ALK | 6 | 8.78 |
| SSH-M5-SD-EL-ALK | 8 | 14.2 |
| SSH-M6-SD-EL-ALK | 9 | 20.1 |
| SSH-M8-SD-EL-ALK | 11 | 36.6 |



