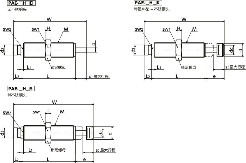
尺寸・CAD
单位 : mm
| 型号 | M(细牙) 螺纹公称直径 |
螺距 | L | L1 | L2 | d | dc | d2 | s | e | W | H | sw1 (对边宽度) |
sw2 (对边宽度) |
行程 类型 |
保护机构类型 | 头部类型 | 最大吸收 能量 (J) |
紧急时 最大吸收 能量 (J) |
每小时 最大吸收 能量 (J/h) |
最大 行程 s (mm) |
碰撞速度 (m/s) |
容许载荷 (kN) |
锁定螺母 最大紧固扭矩 (N・m) |
恢复时间 (s) |
恢复力 (N) |
质量 (g) |
CAD下载 | 请求报价 | ||
|---|---|---|---|---|---|---|---|---|---|---|---|---|---|---|---|---|---|---|---|---|---|---|---|---|---|---|---|---|---|---|---|
| min. | max. | min. | max. | ||||||||||||||||||||||||||||
| PAE16-10LHDD-A | M16 | 1 | 82 | 3 | 8 | 4 | - | 9.7 | 20 | - | 110 | 6 | 19 | 10 | 加长型 | 没有保护机构 | 没有头部 | 34 | 34 | 50000 | 20 | 0.1 | 5 | 3.5 | 20 | 0.4 | 7 | 11 | 103 | CAD | 请求报价 |
| PAE16-10LHDS-A | M16 | 1 | 82 | 3 | 8 | 12 | 8.5 | 9.7 | 20 | 29 | 119 | 6 | 19 | 10 | 加长型 | 没有保护机构 | 带头 | 34 | 34 | 50000 | 20 | 0.1 | 5 | 3.5 | 20 | 0.4 | 7 | 11 | 110 | CAD | 请求报价 |
| PAE16-10LHDK-A | M16 | 1 | 82 | 3 | 8 | 12 | 8.5 | 9.7 | 20 | 29 | 119 | 6 | 19 | 10 | 加长型 | 没有保护机构 | 带垫+带头 | 34 | 34 | 50000 | 20 | 0.1 | 5 | 3.5 | 20 | 0.4 | 7 | 11 | 109 | CAD | 请求报价 |
| PAE16-10LHFD-A | M16 | 1 | 82 | 3 | 8 | 4 | - | 9.7 | 20 | - | 110 | 6 | 19 | 10 | 加长型 | 毡环(防尘用) | 没有头部 | 34 | 34 | 50000 | 20 | 0.1 | 5 | 3.5 | 20 | 0.4 | 7 | 11 | 103 | CAD | 请求报价 |
| PAE16-10LHFS-A | M16 | 1 | 82 | 3 | 8 | 12 | 8.5 | 9.7 | 20 | 29 | 119 | 6 | 19 | 10 | 加长型 | 毡环(防尘用) | 带头 | 34 | 34 | 50000 | 20 | 0.1 | 5 | 3.5 | 20 | 0.4 | 7 | 11 | 110 | CAD | 请求报价 |
| PAE16-10LHFK-A | M16 | 1 | 82 | 3 | 8 | 12 | 8.5 | 9.7 | 20 | 29 | 119 | 6 | 19 | 10 | 加长型 | 毡环(防尘用) | 带垫+带头 | 34 | 34 | 50000 | 20 | 0.1 | 5 | 3.5 | 20 | 0.4 | 7 | 11 | 109 | CAD | 请求报价 |
| PAE16-10LHAD-A | M16 | 1 | 82 | 3 | 8 | 4 | - | 9.7 | 20 | - | 110 | 6 | 19 | 10 | 加长型 | 刮擦器(防水用) | 没有头部 | 34 | 34 | 50000 | 20 | 0.1 | 5 | 3.5 | 20 | 0.4 | 7 | 11 | 103 | CAD | 请求报价 |
| PAE16-10LHAS-A | M16 | 1 | 82 | 3 | 8 | 12 | 8.5 | 9.7 | 20 | 29 | 119 | 6 | 19 | 10 | 加长型 | 刮擦器(防水用) | 带头 | 34 | 34 | 50000 | 20 | 0.1 | 5 | 3.5 | 20 | 0.4 | 7 | 11 | 110 | CAD | 请求报价 |
| PAE16-10LHAK-A | M16 | 1 | 82 | 3 | 8 | 12 | 8.5 | 9.7 | 20 | 29 | 119 | 6 | 19 | 10 | 加长型 | 刮擦器(防水用) | 带垫+带头 | 34 | 34 | 50000 | 20 | 0.1 | 5 | 3.5 | 20 | 0.4 | 7 | 11 | 109 | CAD | 请求报价 |
●所有产品均附带1个锁定螺母。
●横向滚动表格,可以查看所有项目。
产品符号
选择行程型
| 产品符号 | 行程类型 |
|---|---|
| N | 标准行程 |
| L | 长行程 |
波纹管盖型只有标准行程。
选择保护机构




选择有无不锈钢头



保护机构选择波纹管盖时,适用的组合为带不锈钢头S,或者带塑料垫 + 不锈钢头K任意一种。
PowerStop是Zimmer GmbH的注册商标。
构造
无不锈钢头

材质、表面处理
| PAE | |
|---|---|
| 螺纹主体 | 相当于SUS303 |
| 活塞杆 | 相当于SUS420 |
| 锁定螺母*1 | 相当于SUS303 |
| 调整旋钮 | 相当于SUS303 |
| 毡环 | 毛毡 |
| 刮擦器 | NBR |
| 不锈钢头 | 相当于SUS303 |
| 塑料垫 | TPC |
| 波纹管盖 | TPE(蓝) |
*1: 所有产品均附带1个锁定螺母。需要多个时,请另行订购锁定螺母单件PVM。
使用注意事项
- 重复使用前,请根据用途调整主体的规格。⇒安装与维护
- 相对于调整后的规格,如果碰撞速度过大,会导致碰撞后过大的阻力使碰撞物反弹,有导致冲击吸收器及外围设备和装置损坏的危险。
- 相对于调整后的规格,如果碰撞速度过小,则无法产生必要的阻力,从而碰撞到螺丝主体部,有导致冲击吸收器及外围设备和装置损坏的危险。
特点
- 采用独特结构,能量吸收能力强。
- 能量吸收平稳。线性减速。
- 通过在传统缓冲器的基础上缩小尺寸并缩短循环时间,可提高生产效率。
- 通过调整旋钮的设定,可将能量吸收时发生的阻力调整到与碰撞速度匹配的规格。

- 调整旋钮的刻度为0时,则与PHE同尺寸、H型(低速用)的规格相同。数值变大,则可对应高速用规格。
- 从低速用(0)到高速用(5)规格,可进行无级调整。
调节范围
| min. | max. | |
|---|---|---|
| 刻度 | 0 | 5 |
| 碰撞速度(m/s) | 0.1 | 5 |
- 容许偏角:2°
偏角超过2°时,请使用螺栓预支承PBV。PBV - 也可在高压室内使用。(最大1MPa)
- 可使用温度:-10℃~70℃
- 使用生物油,可用于无尘室内。
- 使用H1认证油,还可用于食品工业用设备。
- M14以上尺寸除标准行程外,还可选择长行程。
- 长行程产生的阻力小,可以减少作用于碰撞物的负荷,使能量吸收达到与标准行程相同的水平。
调整旋钮改变阻力的原理
PAE能量吸收时产生的阻力会根据旁路电路中的油流量而变化。旁路电路中的油流量需要通过调整旋钮的刻度位置进行调整。
刻度值越大,旁路电路中的油流量就越大,导致能量吸收时产生的阻力也越大。

阻力・行程特性(示意图)









